Информационная система
«Ёшкин Кот»

Скачать базу одним архивом
Скачать обновления
История создания базы
Карта сайта

Скачать Типовой проект 703-1-5.86 Альбом 1. Пояснительная записка. Схема генерального плана. Технология. Холодоснабжение. Отопление и вентиляция. Внутренние водопровод и канализация. Электрооборудование. Автоматизация. Связь и сигнализация

Дата актуализации: 10.08.2017

Типовой проект 703-1-5.86

Альбом 1. Пояснительная записка. Схема генерального плана. Технология. Холодоснабжение. Отопление и вентиляция. Внутренние водопровод и канализация. Электрооборудование. Автоматизация. Связь и сигнализация

Обозначение: Типовой проект 703-1-5.86
Обозначение англ: 703-1-5.86
Статус:не определен законодательством
Название рус.:Альбом 1. Пояснительная записка. Схема генерального плана. Технология. Холодоснабжение. Отопление и вентиляция. Внутренние водопровод и канализация. Электрооборудование. Автоматизация. Связь и сигнализация
Дата добавления в базу:01.09.2013
Дата актуализации:05.05.2017
Дата введения:23.05.1986
Оглавление:Содержание альбома
ТП 703-1-5.86 ПЗ-1÷ПЗ8 Пояснительная записка
ТП 703-1-5.86 ГП-1Схема генерального плана
ТП 703-1-5.86 ТХ Технология
ТП 703-1-5.86 ТХ-1 Общие данные
ТП 703-1-5.86 ТХ-2 Принципиальная схема технологических процессов и механизации производства
ТП 703-1-5.86 ТХ-3 План на отм. 0.000 с расстановкой технологического и подъемно-транспортного оборудования. Схема грузопотоков
ТП 703-1-5.86 ТХ-4 Фрагменты цеха товарной обработки и камеры с расстановкой и привязкой оборудования
ТП 703-1-5.86 ТХ-5 Разрезы А-А;Б-Б;В-В;Г-Г;Д-Д;Е-Е;Ж-Ж
ТП 703-1-5.86 ТХ-6 Разрезы И-И;К-К;Л-Л;М-М
ТП 703-1-5.86 ТХН Стол передвижной
ТП 703-1-5.86 Х Холодоснабжение
ТП 703-1-5.86 Х-1 Общие данные
ТП 703-1-5.86 Х-2 План машинных отделений и холодильных камер. Разрез 1-1. Схема хладоновых трубопроводов
ТП 703-1-5.86 ОВ Отопление и вентиляция
ТП 703-1-5.86 ОВ-1 Общие данные
ТП 703-1-5.86 ОВ-2 План на отм. 0.000
ТП 703-1-5.86 ОВ-3 План на отм. 0.000 между осями 11-11;Ж-И. План на отм. 0.000 между осями 12-13;Ж-И. Разрез 1-1. Узел управления
ТП 703-1-5.86 ОВ-4 План установок П1-П8. Разрез 1-1;2-2. Узел крепления радиатора типа РСГ2. Крепление узла управления
ТП 703-1-5.86 ОВ-5 Схема систем П-1÷П-9;ВЕ1÷ВЕ11. Схема системы теплоснабжения установки П-9. Схема системы отопления
ТП 703-1-5.86 ОВН-1 Лючок для измерения параметров воздуха
ТП 703-1-5.86 ОВН-2 Конструкция тепловой изоляции трубопроводов
ТП 703-1-5.86 ОВН-3 Дроссельная втулка
ТП 703-1-5.86 ВК Внутренние водопровод и канализация
ТП 703-1-5.86 ВК-1 Общие данные
ТП 703-1-5.86 ВК-2 План на отм. 0.000 с сетями В1;Т3;К2;К3
ТП 703-1-5.86 ВК-3 Фрагмент №1 на отм. 0.000 с сетями В1;Т3;К1;К3
ТП 703-1-5.86 ВК-4 Схемы систем В1 и Т3
ТП 703-1-5.86 ВК-5 Схема системы К2
ТП 703-1-5.86 ВКН-1 Конструкция изоляции трубопроводов
ТП 703-1-5.86 ЭМ Электрооборудование
ТП 703-1-5.86 ЭМ-1 Общие данные
ТП 703-1-5.86 ЭМ-2 Общие данные
ТП 703-1-5.86 ЭМ-3 Схема принципиальная питающей сети
ТП 703-1-5.86 ЭМ-4 Схема принципиальная распределительной сети
ТП 703-1-5.86 ЭМ-5 Схема принципиальная распределительной сети
ТП 703-1-5.86 ЭМ-6 Схема принципиальная распределительной сети
ТП 703-1-5.86 ЭМ-7 Схема принципиальная распределительной сети
ТП 703-1-5.86 ЭМ-8 Схема принципиальная распределительной сети
ТП 703-1-5.86 ЭМ-9 Схема принципиальная распределительной сети
ТП 703-1-5.86 ЭМ-10 Схема электрическая принципиальная отключения вентсистем при пожаре
ТП 703-1-5.86 ЭМ-11 Отключения вентсистем при пожаре. Магнитные пускатели приточных систем П1-П4. Схема соединений внешних проводок
ТП 703-1-5.86 ЭМ-12 План распределительной сети в осях 1-12;А-И
ТП 703-1-5.86 ЭМ-13 План распределительной сети в осях 12-16;А-И
ТП 703-1-5.86 ЭМ-14 План сети оборудования
ТП 703-1-5.86 ЭМ-15 План сети освещения фрагмента в осях 11-16;Ж-И
ТП 703-1-5.86 Э-1 Опросный лист на изготовление щитов ВРУ1
ТП 703-1-5.86 АК Автоматизация
ТП 703-1-5.86 АК-1 Общие данные
ТП 703-1-5.86 АК-2 Приточная система П1. Схема автоматизации
ТП 703-1-5.86 АК-3 Схема электрическая принципиальная подключения клапана КПШ приточной системы П1
ТП 703-1-5.86 АК-4 Схема электрическая принципиальная управления исполнительным механизмов заслонки систем ВЕ1 и вентилятором системы П1
ТП 703-1-5.86 АК-5 Контроль температуры в камере. Схема соединений внешних проводок
ТП 703-1-5.86 АК-6 Вытяжная система ВЕ1(ВЕ2...ВЕ8). Схема соединений внешних проводок
ТП 703-1-5.86 АК-7 Клапан КПШ. Схема соединений внешних проводок
ТП 703-1-5.86 АК-8 Холодильные машины №1...№8. Схема соединений внешних проводок
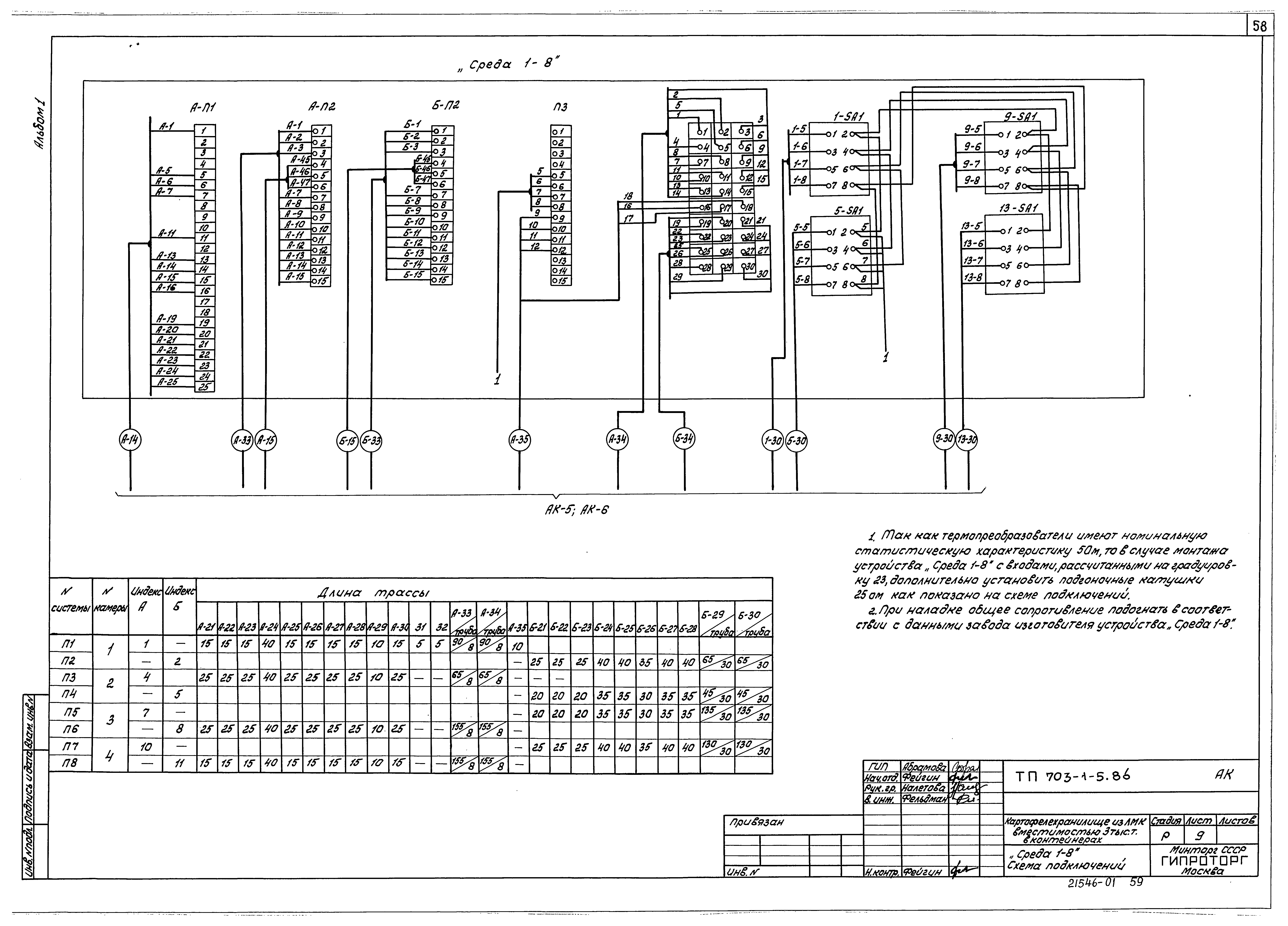
ТП 703-1-5.86 АК-9 "Среда 1-8". Схема подключений
ТП 703-1-5.86 АК-10 Статив. Схема подключений
ТП 703-1-5.86 АК-11 Картофелехранилище. План расположения (начало)
ТП 703-1-5.86 АК-12 Картофелехранилище. План расположения (окончание)
ТП 703-1-5.86 СС Связь и сигнализация
ТП 703-1-5.86 СС-1 Общие данные
ТП 703-1-5.86 СС-2 Сети связи и пожарной сигнализации на фрагментах №1 и 1ª
ТП 703-1-5.86 СС-3 Сети связи на плане
ТП 703-1-5.86 СС-4 Сеть пожарной сигнализации на плане
Разработан: Гипроторг
Гипропромтеплица
Утверждён:17.02.1986 Министерство торговли СССР (USSR Ministry of Commerce 31/П-3)
Расположен в:Техническая документация Строительство Справочные документы Типовые строительные конструкции, изделия и узлы Общероссийский строительный каталог Промышленные предприятия, здания и сооружения Предприятия, здания и сооружения складские Овощехранилища и фруктохранилища Овощехранилища
Типовой проект 703-1-5.86Типовой проект 703-1-5.86Типовой проект 703-1-5.86Типовой проект 703-1-5.86Типовой проект 703-1-5.86Типовой проект 703-1-5.86Типовой проект 703-1-5.86Типовой проект 703-1-5.86Типовой проект 703-1-5.86Типовой проект 703-1-5.86Типовой проект 703-1-5.86Типовой проект 703-1-5.86Типовой проект 703-1-5.86Типовой проект 703-1-5.86Типовой проект 703-1-5.86Типовой проект 703-1-5.86Типовой проект 703-1-5.86Типовой проект 703-1-5.86Типовой проект 703-1-5.86Типовой проект 703-1-5.86Типовой проект 703-1-5.86Типовой проект 703-1-5.86Типовой проект 703-1-5.86Типовой проект 703-1-5.86Типовой проект 703-1-5.86Типовой проект 703-1-5.86Типовой проект 703-1-5.86Типовой проект 703-1-5.86Типовой проект 703-1-5.86Типовой проект 703-1-5.86Типовой проект 703-1-5.86Типовой проект 703-1-5.86Типовой проект 703-1-5.86Типовой проект 703-1-5.86Типовой проект 703-1-5.86Типовой проект 703-1-5.86Типовой проект 703-1-5.86Типовой проект 703-1-5.86Типовой проект 703-1-5.86Типовой проект 703-1-5.86Типовой проект 703-1-5.86Типовой проект 703-1-5.86Типовой проект 703-1-5.86Типовой проект 703-1-5.86Типовой проект 703-1-5.86Типовой проект 703-1-5.86Типовой проект 703-1-5.86Типовой проект 703-1-5.86Типовой проект 703-1-5.86Типовой проект 703-1-5.86Типовой проект 703-1-5.86Типовой проект 703-1-5.86Типовой проект 703-1-5.86Типовой проект 703-1-5.86Типовой проект 703-1-5.86Типовой проект 703-1-5.86Типовой проект 703-1-5.86Типовой проект 703-1-5.86Типовой проект 703-1-5.86Типовой проект 703-1-5.86Типовой проект 703-1-5.86Типовой проект 703-1-5.86Типовой проект 703-1-5.86Типовой проект 703-1-5.86Типовой проект 703-1-5.86Типовой проект 703-1-5.86

© 2013 Ёшкин Кот :-) Карта сайта