Информационная система
«Ёшкин Кот»

Скачать базу одним архивом
Скачать обновления
История создания базы
Карта сайта

Скачать Типовой проект 903-1-250.87 Альбом 11. Схемы управления

Дата актуализации: 10.08.2017

Типовой проект 903-1-250.87

Альбом 11. Схемы управления

Обозначение: Типовой проект 903-1-250.87
Обозначение англ: 903-1-250.87
Статус:не определен законодательством
Название рус.:Альбом 11. Схемы управления
Дата добавления в базу:01.09.2013
Дата актуализации:05.05.2017
Дата введения:29.09.1987
Оглавление:Схемы управления. Общие данные
Функциональная схема блокировки механизмов
Дымосос. Схема принципиальная управления
Дутьевой вентилятор. Схема принципиальная управления
Вентилятор возврата уноса. Забрасыватель. Схемы принципиальные управления и подключения
Решетка топки. Схема принципиальная управления
Задвижка на паропроводе от котла. Схема принципиальная управления и подключения
Скреперная установка. Схема принципиальная управления и подключения
Обдувочное устройство. Привод удаления провала. Схемы принципиальные управления и подключения
Насос питательный. Схема принципиальная управления
Насос сетевой. Схема принципиальная управления
Насос горячего водоснабжения. Схема принципиальная управления
Насос перекачивающий. Схема принципиальная управления
Задвижка за сетевым насосом. Схема принципиальная управления и подключения
Насос нагретой воды. Насос охлажденной воды. Схема принципиальная управления
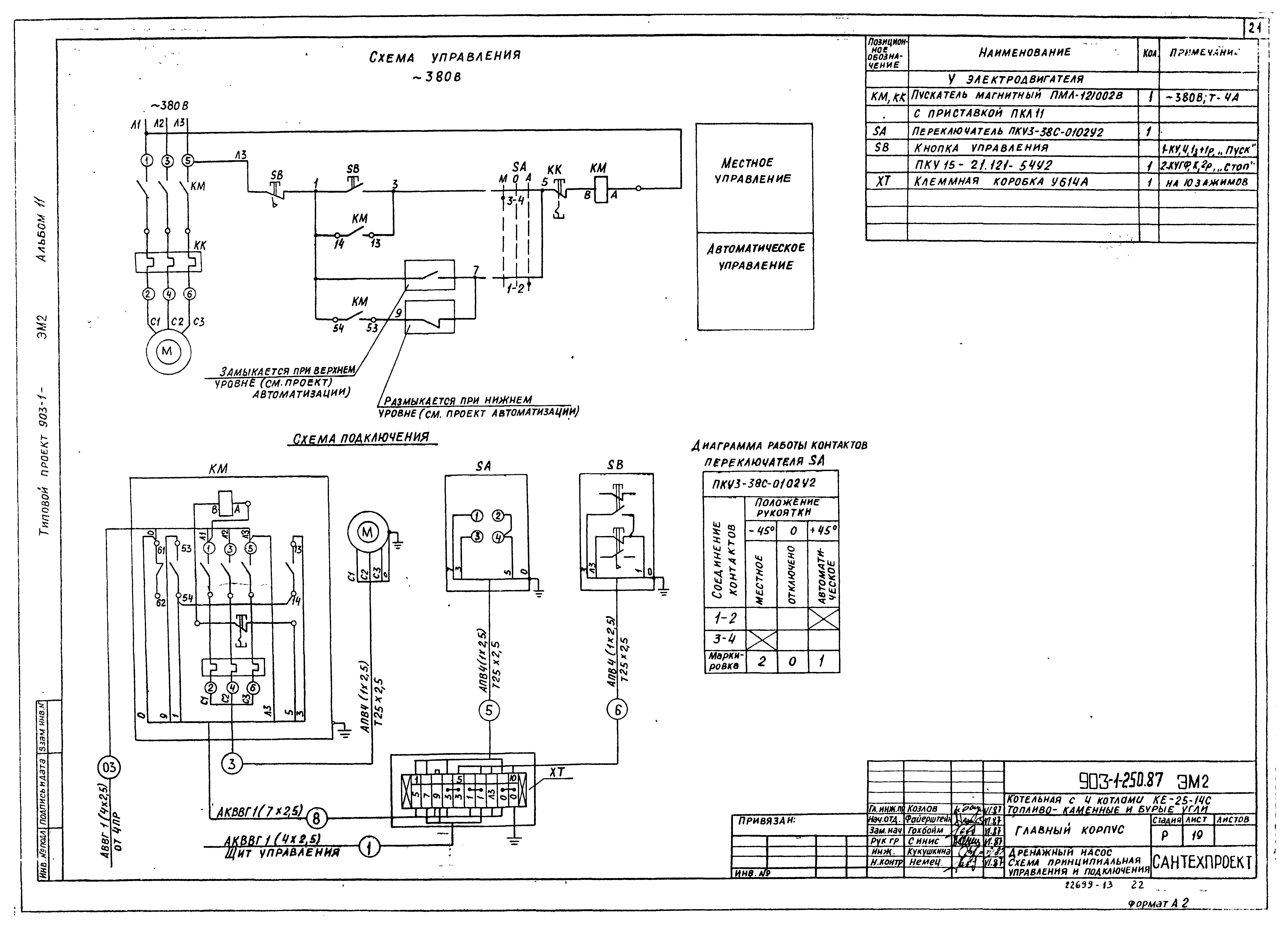
Дренажный насос. Схема принципиальная управления и подключения
Насос исходной воды. Схема принципиальная управления
Насос взрыхления Na-катионитных фильтров. Схема принципиальная управления и подключения
Задвижка баков-аккумуляторов. Схема принципиальная управления и подключения
Задвижка на перемычке. Схема принципиальная управления и подключения
Щит 3Щ. Схема принципиальная АВР. Вентилятор В1 (В2 - В4, В9). Схема принципиальная управления и подключения
Схема общей аварийной сигнализации электродвигателей
Разработан: Сантехпроект
Утверждён:29.09.1987 Госстрой СССР (Государственный комитет Совета Министров СССР по делам строительства) (USSR Gosstroy 78)
Расположен в:Техническая документация Строительство Справочные документы Типовые строительные конструкции, изделия и узлы Общероссийский строительный каталог Промышленные предприятия, здания и сооружения Здания и сооружения санитарно-технические Теплоснабжение Котельные установки Открытые системы теплоснабжения Топливо - каменные и бурые угли
Заменяет собой:
Типовой проект 903-1-250.87Типовой проект 903-1-250.87Типовой проект 903-1-250.87Типовой проект 903-1-250.87Типовой проект 903-1-250.87Типовой проект 903-1-250.87Типовой проект 903-1-250.87Типовой проект 903-1-250.87Типовой проект 903-1-250.87Типовой проект 903-1-250.87Типовой проект 903-1-250.87Типовой проект 903-1-250.87Типовой проект 903-1-250.87Типовой проект 903-1-250.87Типовой проект 903-1-250.87Типовой проект 903-1-250.87Типовой проект 903-1-250.87Типовой проект 903-1-250.87Типовой проект 903-1-250.87Типовой проект 903-1-250.87Типовой проект 903-1-250.87Типовой проект 903-1-250.87Типовой проект 903-1-250.87Типовой проект 903-1-250.87Типовой проект 903-1-250.87Типовой проект 903-1-250.87Типовой проект 903-1-250.87Типовой проект 903-1-250.87Типовой проект 903-1-250.87

© 2013 Ёшкин Кот :-) Карта сайта