Информационная система
«Ёшкин Кот»

Скачать базу одним архивом
Скачать обновления
История создания базы
Карта сайта

Скачать Типовые материалы для проектирования 407-03-506.88 Альбом 2. Электромонтажные изделия

Дата актуализации: 10.08.2017

Типовые материалы для проектирования 407-03-506.88

Альбом 2. Электромонтажные изделия

Обозначение: Типовые материалы для проектирования 407-03-506.88
Обозначение англ: 407-03-506.88
Статус:cправочные материалы, мп, тпр
Название рус.:Альбом 2. Электромонтажные изделия
Дата добавления в базу:01.09.2013
Дата актуализации:05.05.2017
Дата введения:25.08.1988
Оглавление:ТП 407-03-506.88-ЭПИ Электромонтажные изделия
ТП 407-03-506.88-ЭПИ Титульный лист
ТП 407-03-506.88-ЭПИ Содержание альбома 2
ТП 407-03-506.88-ЭПИ-001 Скоба С-1
ТП 407-03-506.88-ЭПИ-002 Скоба С-2
ТП 407-03-506.88-ЭПИ-003 Планка П-1
ТП 407-03-506.88-ЭПИ-004 Марка М-1
ТП 407-03-506.88-ЭПИ-005 Планка П-2
ТП 407-03-506.88-ЭПИ-006 Марка М-2
ТП 407-03-506.88-ЭПИ-007 Уголок У-1
ТП 407-03-506.88-ЭПИ-008 Планка П-3
ТП 407-03-506.88-ЭПИ-009 Уголок У-2
ТП 407-03-506.88-ЭПИ-100 Устройство контактное УК-1
ТП 407-03-506.88-ЭПИ-101 Устройство контактное УК-2
ТП 407-03-506.88-ЭПИ-101 СБ Устройство контактное УК-2. Сборочный чертеж
ТП 407-03-506.88-ЭПИ-102 Устройство контактное УК-3
ТП 407-03-506.88-ЭПИ-102 СБ Устройство контактное УК-3. Сборочный чертеж
ТП 407-03-506.88-ЭПИ-103 Устройство контактное УК-4
ТП 407-03-506.88-ЭПИ-103 СБ Устройство контактное УК-4. Сборочный чертеж
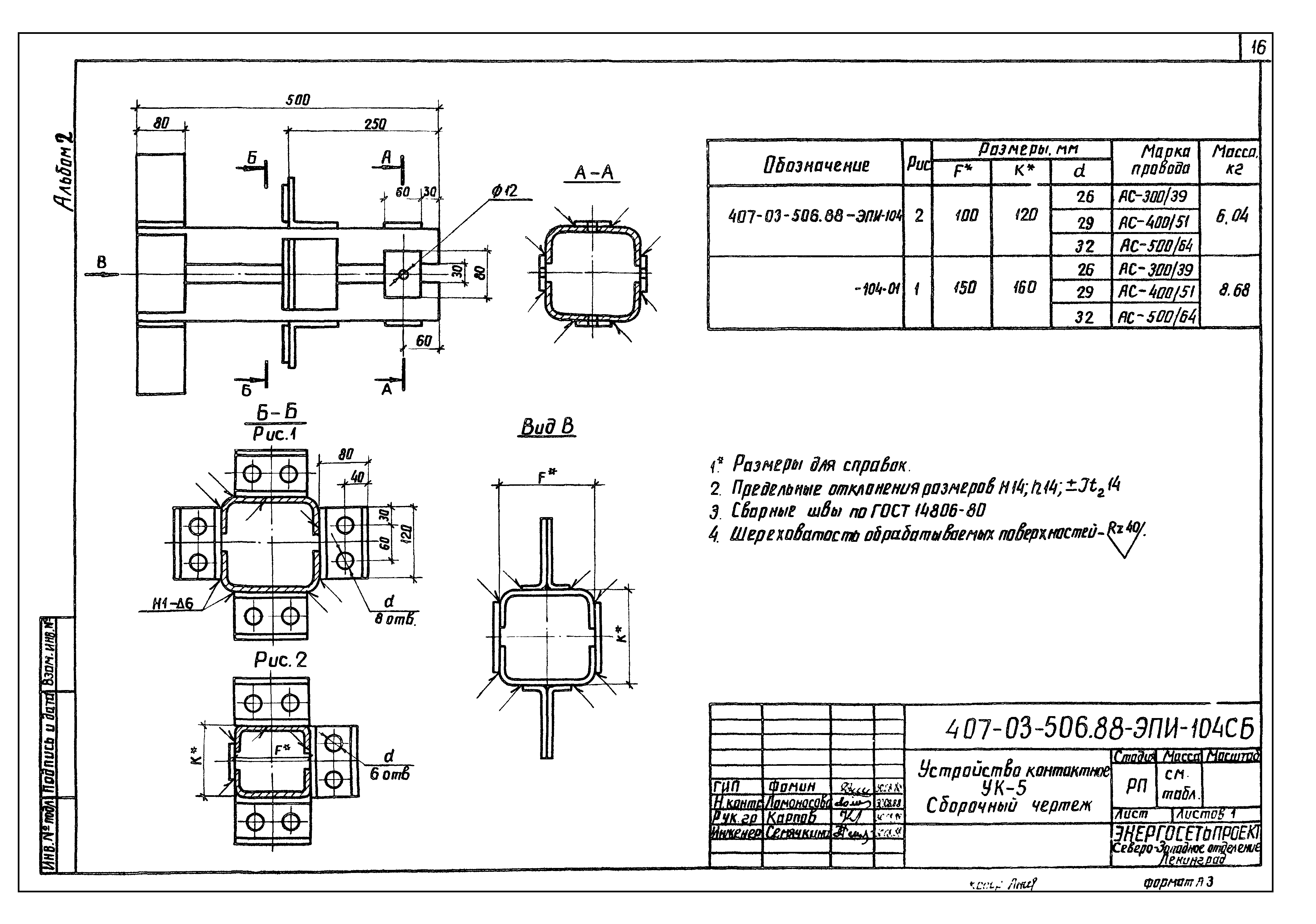
ТП 407-03-506.88-ЭПИ-104 Устройство контактное УК-5
ТП 407-03-506.88-ЭПИ-104 СБ Устройство контактное УК-5. Сборочный чертеж
ТП 407-03-506.88-ЭПИ-105 Кронштейн К-1
ТП 407-03-506.88-ЭПИ-106 Марка М-3
Разработан: Энергосетьпроект
Утверждён:25.08.1988 Минэнерго СССР (USSR Minenergo 26)
Издан: ЦИТП Госстроя СССР (CITP, Gosstroy (USSR) 1988 г. )
Расположен в:Техническая документация Строительство Справочные документы Типовые строительные конструкции, изделия и узлы Общероссийский строительный каталог Промышленные предприятия, здания и сооружения Предприятия, здания и сооружения промышленности и электроэнергетики Электроэнергетика Установочные чертежи для трансформаторных подстанций
Типовые материалы для проектирования 407-03-506.88Типовые материалы для проектирования 407-03-506.88Типовые материалы для проектирования 407-03-506.88Типовые материалы для проектирования 407-03-506.88Типовые материалы для проектирования 407-03-506.88Типовые материалы для проектирования 407-03-506.88Типовые материалы для проектирования 407-03-506.88Типовые материалы для проектирования 407-03-506.88Типовые материалы для проектирования 407-03-506.88Типовые материалы для проектирования 407-03-506.88Типовые материалы для проектирования 407-03-506.88Типовые материалы для проектирования 407-03-506.88Типовые материалы для проектирования 407-03-506.88Типовые материалы для проектирования 407-03-506.88Типовые материалы для проектирования 407-03-506.88Типовые материалы для проектирования 407-03-506.88Типовые материалы для проектирования 407-03-506.88Типовые материалы для проектирования 407-03-506.88Типовые материалы для проектирования 407-03-506.88

© 2013 Ёшкин Кот :-) Карта сайта