Информационная система
«Ёшкин Кот»

Скачать базу одним архивом
Скачать обновления
История создания базы
Карта сайта

Скачать Типовой проект 810-1-30.88 Альбом 10. Строительные изделия

Дата актуализации: 10.08.2017

Типовой проект 810-1-30.88

Альбом 10. Строительные изделия

Обозначение: Типовой проект 810-1-30.88
Обозначение англ: 810-1-30.88
Статус:не определен законодательством
Название рус.:Альбом 10. Строительные изделия
Дата добавления в базу:01.09.2013
Дата актуализации:05.05.2017
Дата введения:07.12.1988
Оглавление:ТП 810-1-30.88 Содержание альбома
ТП 810-1-30.88-АР1И01.0000 Изделие закладное МН1
ТП 810-1-30.88-АР2И01.0000 Перемычка Б-1
ТП 810-1-30.88-АР2И02.0000 Перемычка Б-2
ТП 810-1-30.88-АР2И03.0000 Панель-вставка ПГ19.8.10-А
ТП 810-1-30.88-АР2И04.0000 Панель-вставка ПГ24.6.10-А
ТП 810-1-30.88-АР2И05.0000 Перегородка щитовая УД-6
ТП 810-1-30.88-АР2И06.0000 Щит деревянный ЩД-4
ТП 810-1-30.88-АР2И07.0000 Кронштейн (КР1,КР2)
ТП 810-1-30.88-АР2И08.0000 Решетка МР
ТП 810-1-30.88-АР2И09.0000 СБ Изделие закладное (МН1...МН10). Сборочный чертеж
ТП 810-1-30.88-АР2И09.0000 Изделие закладное (МН1...МН10)
ТП 810-1-30.88-АР2И10.0000 Изделие соединительное (МС1,МС2)
ТП 810-1-30.88-АР2И11.0000 Закладное изделие МН-11
ТП 810-1-30.88-АР2И12.0000 Решетка РВ-1
ТП 810-1-30.88-КЖ1И01.0000 Столбик СФ1
ТП 810-1-30.88-КЖ1И01.0100 Изделие закладное МН1
ТП 810-1-30.88-КЖ1И01.0200 Сетка арматурная С1
ТП 810-1-30.88-КЖ1И02.0000 СБ Цокольная панель ПЦ1. Сборочный чертеж
ТП 810-1-30.88-КЖ1И02.0000 Цокольная панель ПЦ1
ТП 810-1-30.88-КЖ1И02.0100 Каркас арматурный КР1
ТП 810-1-30.88-КЖ1И02.0200 Изделие закладное МН2
ТП 810-1-30.88-КЖ1И03.0000 Изделие закладное МН3
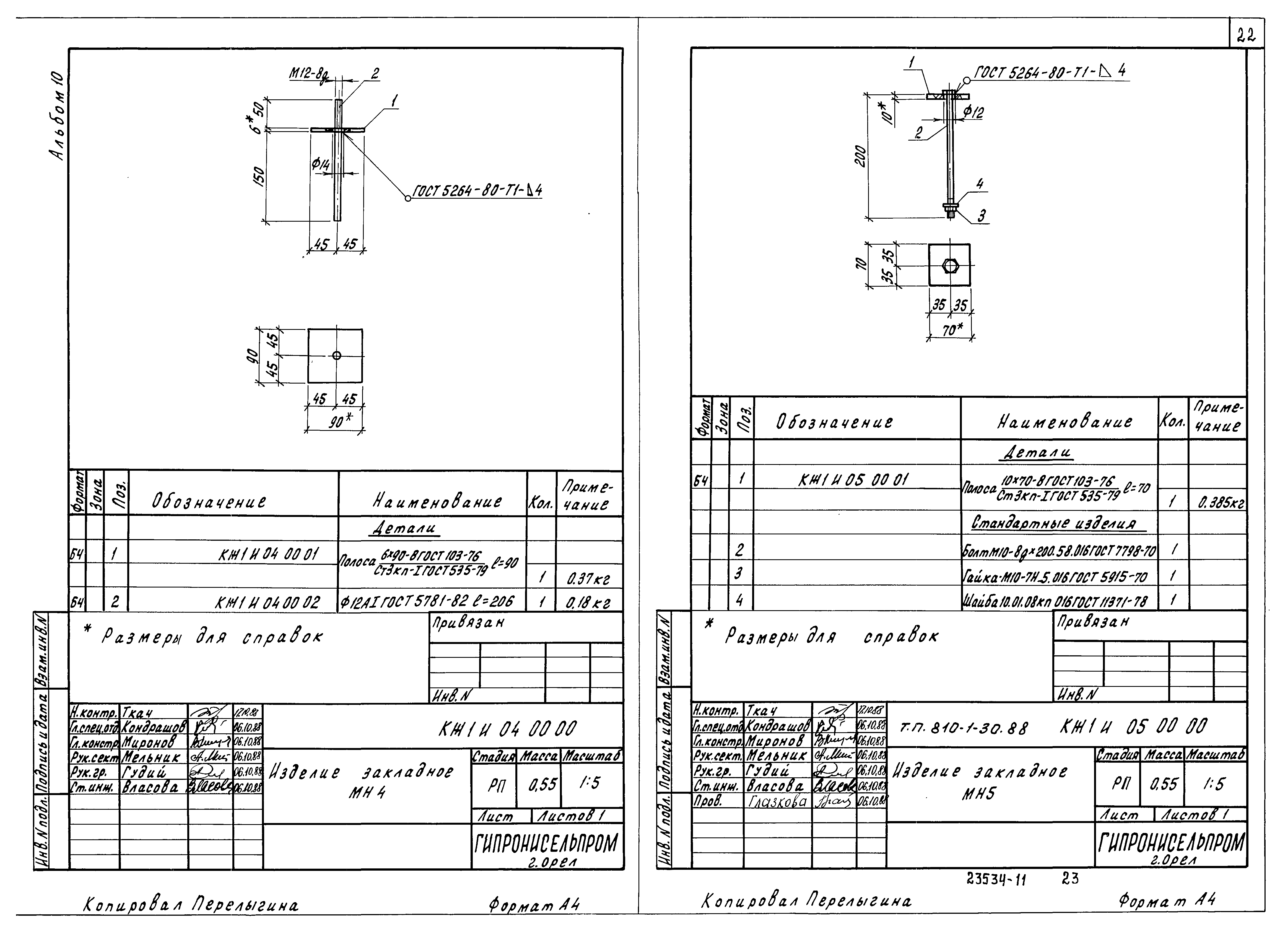
ТП 810-1-30.88-КЖ1И04.0000 Изделие закладное МН4
ТП 810-1-30.88-КЖ1И05.0000 Изделие закладное МН5
ТП 810-1-30.88-КЖ1И06.0000 Решетка МР1
ТП 810-1-30.88-КЖ1И07.0000 СБ Свая СВ1. Сборочный чертеж
ТП 810-1-30.88-КЖ1И07.0000 Свая СВ1
ТП 810-1-30.88-КЖ1И07.0100 Каркас арматурный КР1
ТП 810-1-30.88-КЖ1И08.0000 СБ Свая СВ2. Сборочный чертеж
ТП 810-1-30.88-КЖ1И08.0000 Свая СВ2
ТП 810-1-30.88-КЖ1И08.0100 Изделие закладное МН6
ТП 810-1-30.88-КЖ2И01.0000 Колонна К2
ТП 810-1-30.88-КЖ2И02.0000 Колонна К3
ТП 810-1-30.88-КЖ2И03.0000 Колонна К4
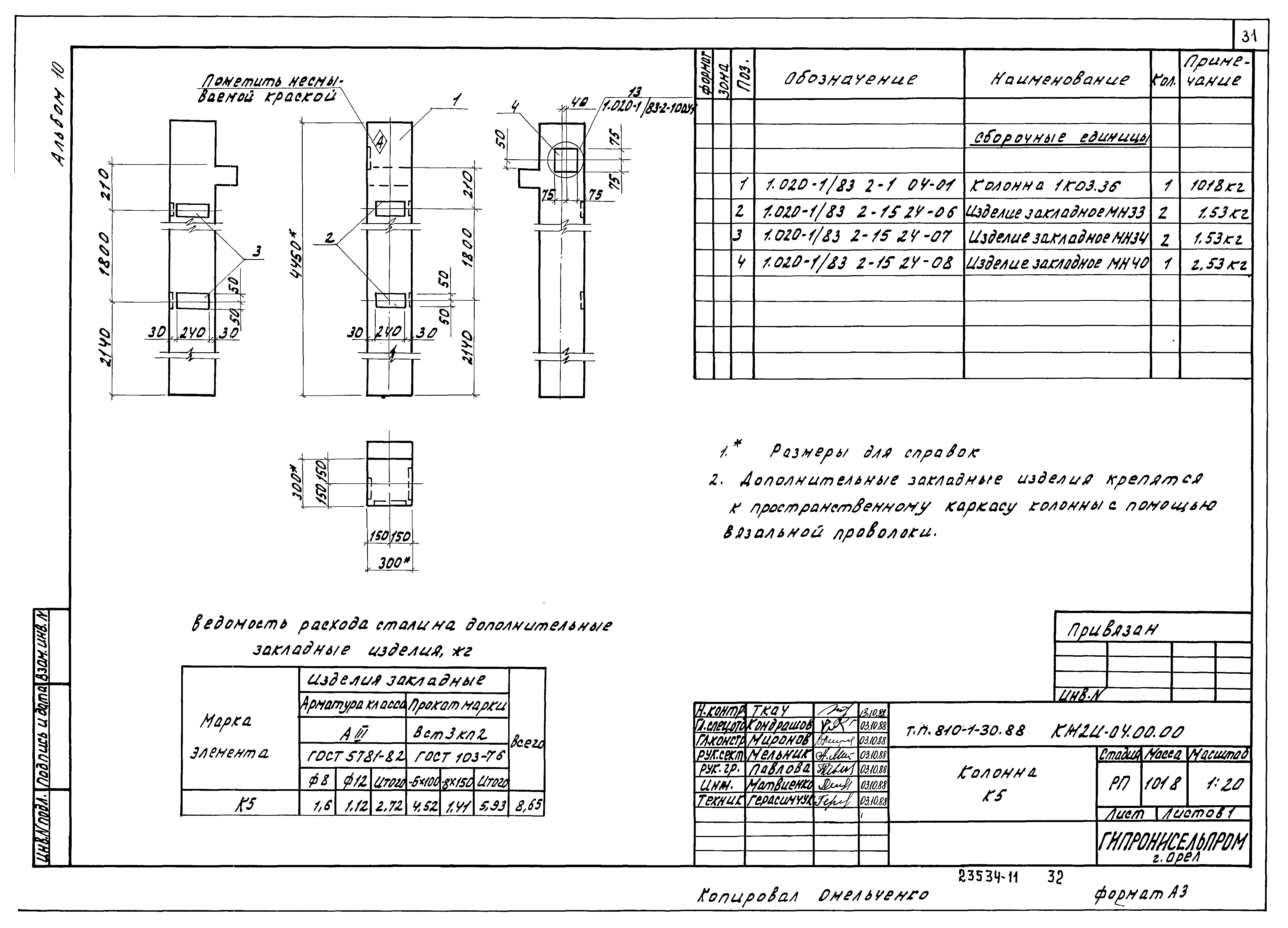
ТП 810-1-30.88-КЖ2И04.0000 Колонна К5
ТП 810-1-30.88-КЖ2И05.0000 Плита (П6,П7)
ТП 810-1-30.88-КЖ2И06.0000 Плита (П8,П9,П10,П11)
ТП 810-1-30.88-КЖ2И07.0000 Плита (П12,П13)
ТП 810-1-30.88-КЖ2И07.0100 Сетка арматурная СА4
ТП 810-1-30.88-КЖ2И08.0000 Плита (П14,П15)
ТП 810-1-30.88-КЖ2И09.0000 Панель стеновая ПС1
ТП 810-1-30.88-КЖ2И10.0000 Панель стеновая ПС2
ТП 810-1-30.88-КЖ2И11.0000 Панель стеновая ПС3
ТП 810-1-30.88-КЖ2И12.0000 Панель стеновая (ПС4,ПС6)
ТП 810-1-30.88-КЖ2И13.0000 Панель стеновая (ПС5,ПС7)
ТП 810-1-30.88-КЖ2И14.0000 Панель стеновая ПС8
ТП 810-1-30.88-КЖ2И15.0000 Панель стеновая ПС9
ТП 810-1-30.88-КЖ2И16.0000 Панель стеновая ПС10
ТП 810-1-30.88-КЖ2И17.0000 Панель стеновая ПС11
ТП 810-1-30.88-КЖ2И18.0000 Панель стеновая (ПС12,ПС14)
ТП 810-1-30.88-КЖ2И19.0000 Панель стеновая (ПС13,ПС15)
ТП 810-1-30.88-КЖ2И20.0000 Панель стеновая ПС16
ТП 810-1-30.88-КЖ2И21.0000 Панель стеновая ПС17
ТП 810-1-30.88-КЖ2И22.0000 Панель стеновая (ПС18,ПС23)
ТП 810-1-30.88-КЖ2И23.0000 Панель стеновая (ПС19,ПС21)
ТП 810-1-30.88-КЖ2И24.0000 Панель стеновая ПС20
ТП 810-1-30.88-КЖ2И25.0000 Панель стеновая ПС22
ТП 810-1-30.88-КЖ2И26.0000 Панель стеновая ПС24
ТП 810-1-30.88-КЖ2И27.0000 Панель стеновая (ПС25,ПС27)
ТП 810-1-30.88-КЖ2И28.0000 Панель стеновая ПС26
ТП 810-1-30.88-КЖ2И29.0000 Изделие закладное МН1
ТП 810-1-30.88-КЖ2И30.0000 Изделие закладное МН2
ТП 810-1-30.88-КЖ2И31.0000 Решетка стальная РС1
ТП 810-1-30.88-КЖ2И32.0000 Изделие закладное МН3
ТП 810-1-30.88-КЖ2И33.0000 Изделие закладное МН4
ТП 810-1-30.88-КЖ2И34.0000 Балка Бт1
ТП 810-1-30.88-КЖ2И35.0000 СБ Подставка ППК-1 под коллекторы. Сборочный чертеж
ТП 810-1-30.88-КЖ2И35.0000 Подставка ППК-1 под коллекторы
ТП 810-1-30.88-КЖ2И36.0000 Изделие закладное МН5
ТП 810-1-30.88-КЖ2И37.0000 Изделие закладное МН6
ТП 810-1-30.88-КЖ2И38.0000 Изделие закладное МН7
ТП 810-1-30.88-КЖ2И39.0000 Изделие закладное МН8
ТП 810-1-30.88-КЖ2И40.0000 Изделие закладное (МН9,МН10)
ТП 810-1-30.88-КЖ2И41.0000 Изделие соединительное МС1
ТП 810-1-30.88-КЖ2И42.0000 Изделие соединительное МС2
ТП 810-1-30.88-КЖ2И43.0000 Сетка арматурная (СА1,СА2,СА3)
Разработан: Гипронисельпром Госагропрома СССР
Утверждён:06.12.1988 Госагропром СССР (USSR Gosagroprom 805-42/153)
Расположен в:Техническая документация Строительство Справочные документы Типовые строительные конструкции, изделия и узлы Общероссийский строительный каталог Сельскохозяйственные предприятия, здания и сооружения Тепличные комбинаты, теплицы и парники Тепличные комбинаты и теплицы
Типовой проект 810-1-30.88Типовой проект 810-1-30.88Типовой проект 810-1-30.88Типовой проект 810-1-30.88Типовой проект 810-1-30.88Типовой проект 810-1-30.88Типовой проект 810-1-30.88Типовой проект 810-1-30.88Типовой проект 810-1-30.88Типовой проект 810-1-30.88Типовой проект 810-1-30.88Типовой проект 810-1-30.88Типовой проект 810-1-30.88Типовой проект 810-1-30.88Типовой проект 810-1-30.88Типовой проект 810-1-30.88Типовой проект 810-1-30.88Типовой проект 810-1-30.88Типовой проект 810-1-30.88Типовой проект 810-1-30.88Типовой проект 810-1-30.88Типовой проект 810-1-30.88Типовой проект 810-1-30.88Типовой проект 810-1-30.88Типовой проект 810-1-30.88Типовой проект 810-1-30.88Типовой проект 810-1-30.88Типовой проект 810-1-30.88Типовой проект 810-1-30.88Типовой проект 810-1-30.88Типовой проект 810-1-30.88Типовой проект 810-1-30.88Типовой проект 810-1-30.88Типовой проект 810-1-30.88Типовой проект 810-1-30.88Типовой проект 810-1-30.88Типовой проект 810-1-30.88Типовой проект 810-1-30.88Типовой проект 810-1-30.88Типовой проект 810-1-30.88Типовой проект 810-1-30.88Типовой проект 810-1-30.88Типовой проект 810-1-30.88Типовой проект 810-1-30.88Типовой проект 810-1-30.88Типовой проект 810-1-30.88Типовой проект 810-1-30.88Типовой проект 810-1-30.88Типовой проект 810-1-30.88Типовой проект 810-1-30.88Типовой проект 810-1-30.88Типовой проект 810-1-30.88Типовой проект 810-1-30.88Типовой проект 810-1-30.88Типовой проект 810-1-30.88Типовой проект 810-1-30.88Типовой проект 810-1-30.88Типовой проект 810-1-30.88Типовой проект 810-1-30.88Типовой проект 810-1-30.88Типовой проект 810-1-30.88Типовой проект 810-1-30.88Типовой проект 810-1-30.88Типовой проект 810-1-30.88Типовой проект 810-1-30.88Типовой проект 810-1-30.88Типовой проект 810-1-30.88

© 2013 Ёшкин Кот :-) Карта сайта