Информационная система
«Ёшкин Кот»

Скачать базу одним архивом
Скачать обновления
История создания базы
Карта сайта

Скачать Типовой проект 810-1-30.88 Альбом 4. Отопление и вентиляция. Технологические коммуникации. Тепломеханическая часть

Дата актуализации: 10.08.2017

Типовой проект 810-1-30.88

Альбом 4. Отопление и вентиляция. Технологические коммуникации. Тепломеханическая часть

Обозначение: Типовой проект 810-1-30.88
Обозначение англ: 810-1-30.88
Статус:не определен законодательством
Название рус.:Альбом 4. Отопление и вентиляция. Технологические коммуникации. Тепломеханическая часть
Дата добавления в базу:01.09.2013
Дата актуализации:05.05.2017
Дата введения:07.12.1988
Оглавление:ТП 810-1-30.88 Содержание альбома
ТП 810-1-30.88 ОВ1 Отопление и вентиляция ОВ1
ТП 810-1-30.88 ОВ1 Общие данные (начало)
ТП 810-1-30.88 ОВ1 Общие данные (окончание)
ТП 810-1-30.88 ОВ1 План магистральных трубопроводов на отм. -0.100 между осями 1...29,Ж1...К28;33...59,И1...К28
ТП 810-1-30.88 ОВ1 План магистральных трубопроводов на отм. -0.100 между осями 33...59,Ж1...Ж28
ТП 810-1-30.88 ОВ1 План магистральных трубопроводов на отм. -0.100 между осями 30...33,Е1...И28
ТП 810-1-30.88 ОВ1 План магистральных трубопроводов на отм. -0.100 между осями 30...33,К1...К28. Разрез 1-1
ТП 810-1-30.88 ОВ1 План кровельного обогрева на отм. -0.100 между осями 1...29,Ж1...К28;33...59,И1...К28
ТП 810-1-30.88 ОВ1 План кровельного обогрева на отм. -0.100 между осями 33...59,Ж1...Ж28
ТП 810-1-30.88 ОВ1 План надпочвенного обогрева на отм. -0.100 между осями 1...29,Ж1...К28;33...59,И1...К28
ТП 810-1-30.88 ОВ1 План надпочвенного обогрева на отм. -0.100 между осями 33...59,Ж1...Ж28
ТП 810-1-30.88 ОВ1 План подпочвенного обогрева на отм. -0.600 между осями 1...29,Ж1...К28;33...59,Т1...К28
ТП 810-1-30.88 ОВ1 План подпочвенного обогрева на отм. -0.600 между осями 33...59,Ж1...Ж28
ТП 810-1-30.88 ОВ1 План бокового и торцевого обогрева на отм. -0.100 между осями 1...29,Ж1...К28;33...59,И1...К28
ТП 810-1-30.88 ОВ1 План бокового и торцевого обогрева на отм. -0.100 между осями 33...59,Ж1...Ж28
ТП 810-1-30.88 ОВ1 Диаметры магистральных трубопроводов
ТП 810-1-30.88 ОВ1 Сечения 1-1...11-11
ТП 810-1-30.88 ОВ1 Сечения 12-12...24-24
ТП 810-1-30.88 ОВ1 Разрез 2-2. Узел 1
ТП 810-1-30.88 ОВ1 Разрез 3-3. Узел 2
ТП 810-1-30.88 ОВ1 Фрагмент 1. Разрезы 4-4,5-5,6-6,7-7
ТП 810-1-30.88 ОВ1 Фрагмент 2,3. Разрезы 8-8,9-9,10-10
ТП 810-1-30.88 ОВ1 Фрагмент 4. Схема кровельного обогрева. Разрез 11-11
ТП 810-1-30.88 ОВ1 Фрагмент 5. Схема надпочвенного обогрева. Разрез 12-12
ТП 810-1-30.88 ОВ1 Фрагмент 6. Схема надпочвенного обогрева. Разрез 13-13
ТП 810-1-30.88 ОВ1 Фрагмент 7. Схема подпочвенного обогрева. Разрез 14-14
ТП 810-1-30.88 ОВ1 Фрагмент 8. Схема подпочвенного обогрева. Разрез 15-15
ТП 810-1-30.88 ОВ1 План контурного обогрева на отм. -0.100 между осями 1...29,Ж1...К28. Схема трубопроводов
ТП 810-1-30.88 ОВ1 План систем отопления на отм. -0.100 между осями 30...333,Е1...К28. Разрезы 16-16,17-17
ТП 810-1-30.88 ОВ1 Схема системы отопления соединительного коридора
ТП 810-1-30.88 ОВ1 Схема бокового, торцевого обогрева и магистральных трубопроводов между осями 1...29,Ж1...К28;33...59, И1...К28
ТП 810-1-30.88 ОВ1 Схема бокового, торцевого обогрева и магистральных трубопроводов между осями 33...59,Ж1...Ж28
ТП 810-1-30.88 ОВ1 Схема магистральных трубопроводов подпочвенного обогрева между осями 1...29,33...59,Ж1...К28
ТП 810-1-30.88 ОВ1 Схема магистральных трубопроводов между осями 30...33,Е1...Ж28
ТП 810-1-30.88 ОВ1 Схема магистральных трубопроводов между осями 30...33,И1...И28
ТП 810-1-30.88 ОВ1 Схема магистральных трубопроводов между осями 30...33,К1...К28
ТП 810-1-30.88 ОВ1Е Чертежи общих видов нетиповых конструкций систем отопления и вентиляции ОВ1Н
ТП 810-1-30.88 ОВ2 Отопление и вентиляция ОВ2
ТП 810-1-30.88 ОВ2 Общие данные (начало)
ТП 810-1-30.88 ОВ2 Общие данные (продолжение)
ТП 810-1-30.88 ОВ2 Общие данные (окончание)
ТП 810-1-30.88 ОВ2 План на отм. 0.000 между осями 18...32 и А...Д
ТП 810-1-30.88 ОВ2 План на отм. 0.000 между осями 32...40 и А...Д
ТП 810-1-30.88 ОВ2 Экспликация помещения
ТП 810-1-30.88 ОВ2 Разрез 1-1. Схема системы теплоснабжения установок П1...П3,А1
ТП 810-1-30.88 ОВ2 Схема системы отопления между осями 18...32,А...Д
ТП 810-1-30.88 ОВ2 Схема системы отопления между осями 32...40 и А...Д и теплоснабжения водоподогревателей
ТП 810-1-30.88 ОВ2 Схемы систем вентиляции
ТП 810-1-30.88 ОВ2 План расположения вентоборудования на кровле
ТП 810-1-30.88 ОВ2Н Чертежи общих видов нетиповых конструкций систем отопления и вентиляции ОВ2Н
ТП 810-1-30.88 ТК Технологические коммуникации ТК
ТП 810-1-30.88 ТК Общие данные
ТП 810-1-30.88 ТК План на отм. -0.100 между осями 1...59,Ж1...К28. Фрагмент 1
ТП 810-1-30.88 ТК Схема паропроводов. Сечения 1-1,2-2,3-3
ТП 810-1-30.88 ТМ Тепломеханическая часть ТМ
ТП 810-1-30.88 ТМ Общие данные (начало)
ТП 810-1-30.88 ТМ Общие данные (окончание)
ТП 810-1-30.88 ТМ Тепловой пункт. План оборудования
ТП 810-1-30.88 ТМ Тепловой пункт. План между осями 34...40
ТП 810-1-30.88 ТМ Тепловой пункт. План между осями 31...34
ТП 810-1-30.88 ТМ Тепловой пункт. Разрезы 1-1;2-2;10-10;11-11;12-12
ТП 810-1-30.88 ТМ Тепловой пункт. Разрезы 3-3;4-4;13-13;14-14
ТП 810-1-30.88 ТМ Тепловой пункт. Разрезы 5-5;6-6;7-7;8-8;9-9
ТП 810-1-30.88 ТМ Тепловой пункт. Разрезы 15-15,16-16,17-17. Узел "А"
ТП 810-1-30.88 ТМ Тепловой пункт. Принципиальная схема трубопроводов
ТП 810-1-30.88 ТМ Тепловой пункт. Узлы пропорционального регулирования УР1,УР2,УР5
ТП 810-1-30.88 ТМ Тепловой пункт. Узлы пропорционального регулирования УР3,УР4
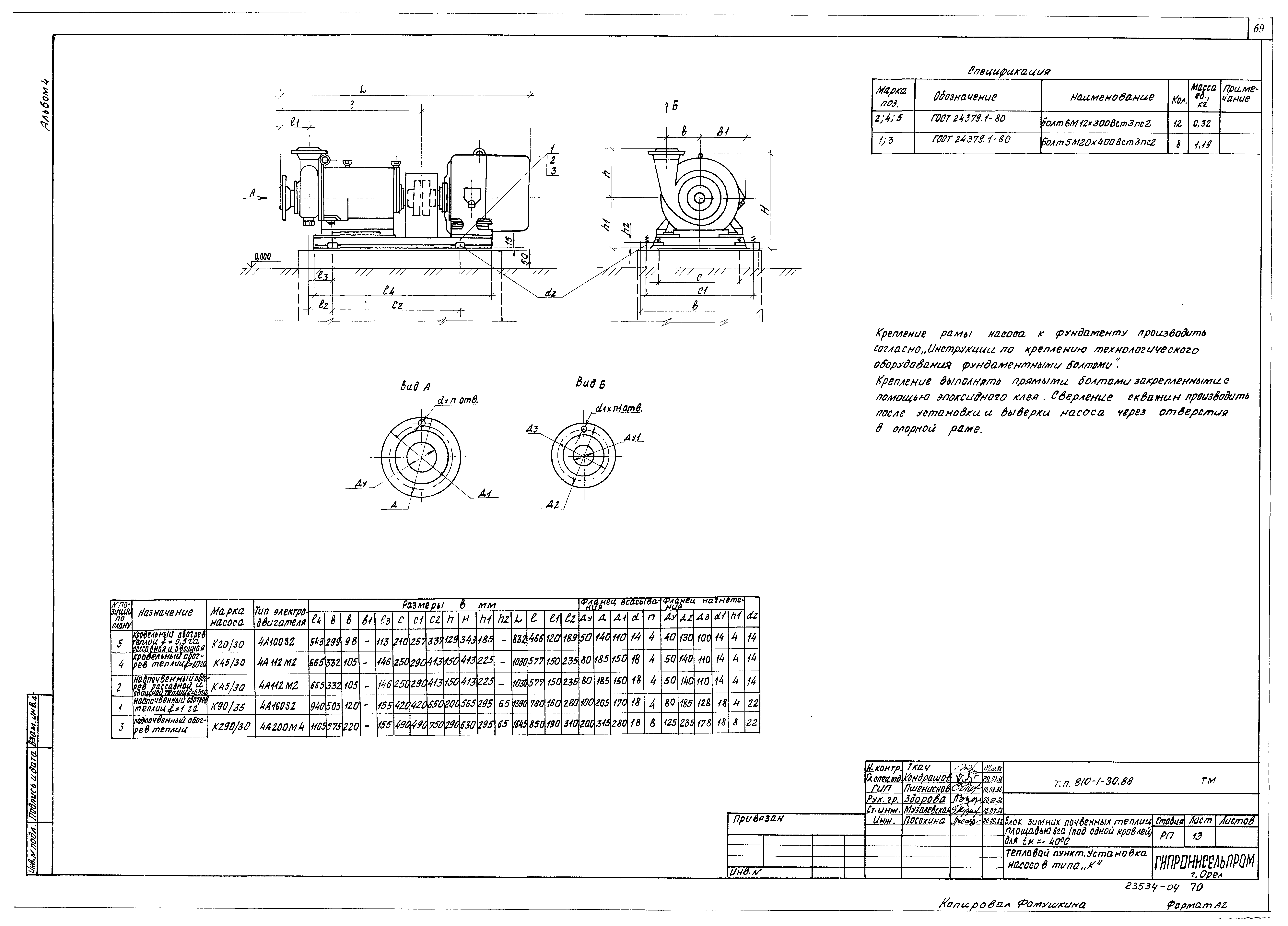
ТП 810-1-30.88 ТМ Тепловой пункт. Установка насосов типа "К"
ТП 810-1-30.88 ТМН Чертежи общих видов нетиповых конструкций систем тепломеханической части ТМН
Разработан: Гипронисельпром Госагропрома СССР
Утверждён:06.12.1988 Госагропром СССР (USSR Gosagroprom 805-42-153)
Расположен в:Техническая документация Строительство Справочные документы Типовые строительные конструкции, изделия и узлы Общероссийский строительный каталог Сельскохозяйственные предприятия, здания и сооружения Тепличные комбинаты, теплицы и парники Тепличные комбинаты и теплицы
Типовой проект 810-1-30.88Типовой проект 810-1-30.88Типовой проект 810-1-30.88Типовой проект 810-1-30.88Типовой проект 810-1-30.88Типовой проект 810-1-30.88Типовой проект 810-1-30.88Типовой проект 810-1-30.88Типовой проект 810-1-30.88Типовой проект 810-1-30.88Типовой проект 810-1-30.88Типовой проект 810-1-30.88Типовой проект 810-1-30.88Типовой проект 810-1-30.88Типовой проект 810-1-30.88Типовой проект 810-1-30.88Типовой проект 810-1-30.88Типовой проект 810-1-30.88Типовой проект 810-1-30.88Типовой проект 810-1-30.88Типовой проект 810-1-30.88Типовой проект 810-1-30.88Типовой проект 810-1-30.88Типовой проект 810-1-30.88Типовой проект 810-1-30.88Типовой проект 810-1-30.88Типовой проект 810-1-30.88Типовой проект 810-1-30.88Типовой проект 810-1-30.88Типовой проект 810-1-30.88Типовой проект 810-1-30.88Типовой проект 810-1-30.88Типовой проект 810-1-30.88Типовой проект 810-1-30.88Типовой проект 810-1-30.88Типовой проект 810-1-30.88Типовой проект 810-1-30.88Типовой проект 810-1-30.88Типовой проект 810-1-30.88Типовой проект 810-1-30.88Типовой проект 810-1-30.88Типовой проект 810-1-30.88Типовой проект 810-1-30.88Типовой проект 810-1-30.88Типовой проект 810-1-30.88Типовой проект 810-1-30.88Типовой проект 810-1-30.88Типовой проект 810-1-30.88Типовой проект 810-1-30.88Типовой проект 810-1-30.88Типовой проект 810-1-30.88Типовой проект 810-1-30.88Типовой проект 810-1-30.88Типовой проект 810-1-30.88Типовой проект 810-1-30.88Типовой проект 810-1-30.88Типовой проект 810-1-30.88Типовой проект 810-1-30.88Типовой проект 810-1-30.88Типовой проект 810-1-30.88Типовой проект 810-1-30.88Типовой проект 810-1-30.88Типовой проект 810-1-30.88Типовой проект 810-1-30.88Типовой проект 810-1-30.88Типовой проект 810-1-30.88Типовой проект 810-1-30.88Типовой проект 810-1-30.88Типовой проект 810-1-30.88Типовой проект 810-1-30.88Типовой проект 810-1-30.88Типовой проект 810-1-30.88Типовой проект 810-1-30.88Типовой проект 810-1-30.88

© 2013 Ёшкин Кот :-) Карта сайта