Информационная система
«Ёшкин Кот»

Скачать базу одним архивом
Скачать обновления
История создания базы
Карта сайта

Скачать Типовой проект 810-1-12.86 Альбом IV. Блочные теплицы и соединительный коридор. Механизм открывания и закрывания форточек

Дата актуализации: 10.08.2017

Типовой проект 810-1-12.86

Альбом IV. Блочные теплицы и соединительный коридор. Механизм открывания и закрывания форточек

Обозначение: Типовой проект 810-1-12.86
Обозначение англ: 810-1-12.86
Статус:не определен законодательством
Название рус.:Альбом IV. Блочные теплицы и соединительный коридор. Механизм открывания и закрывания форточек
Дата добавления в базу:01.09.2013
Дата актуализации:05.05.2017
Дата введения:01.08.1986
Оглавление:ТП 810-1-12.86 Содержание альбома
ТП 810-1-12.86 Ф129.00.00.00 ИМ Механизм открывания и закрывания форточек. Инструкция по монтажу, пуску, регулированию и обкатке изделия на месте его применения
ТП 810-1-12.86 Ф129.00.00.00 Механизм открывания и закрывания форточек. Спецификация
ТП 810-1-12.86 Ф129.05.00.00 Узел реечной передачи. Спецификация
ТП 810-1-12.86 Ф129.02.00.00 Узел крепления редукторов. Спецификация
ТП 810-1-12.86 Ф129.01.00.00 СБ Привод. Спецификация
ТП 810-1-12.86 Ф129.01.02.00 Узел подшипниковый. Спецификация
ТП 810-1-12.86 Ф129.01.01.00 Кронштейн. Спецификация
ТП 810-1-12.86 Ф129.04.00.00 Привод. Спецификация
ТП 810-1-12.86 Ф129.03.00.00 Узел реечной передачи. Спецификация
ТП 810-1-12.86 Ф129.00.00.00 КЗ Механизм открывания и закрывания форточек. Схема кинематическая принципиальная
ТП 810-1-12.86 Ф129.00.00.00 СБ Механизм открывания и закрывания форточек. Сборочный чертеж
ТП 810-1-12.86 Ф129.01.00.00 СБ Привод. Сборочный чертеж
ТП 810-1-12.86 Ф129.02.00.00 СБ Узел крепления редукторов. Сборочный чертеж
ТП 810-1-12.86 Ф129.03.00.00 СБ Узел реечной передачи. Сборочный чертеж
ТП 810-1-12.86 Ф129.05.00.00 СБ Узел реечной передачи. Сборочный чертеж
ТП 810-1-12.86 Ф129.04.00.00 СБ Привод. Сборочный чертеж
ТП 810-1-12.86 Ф69.04.03.00 Крышка. Спецификация
ТП 810-1-12.86 Ф69.04.03.00 СБ Крышка. Сборочный чертеж
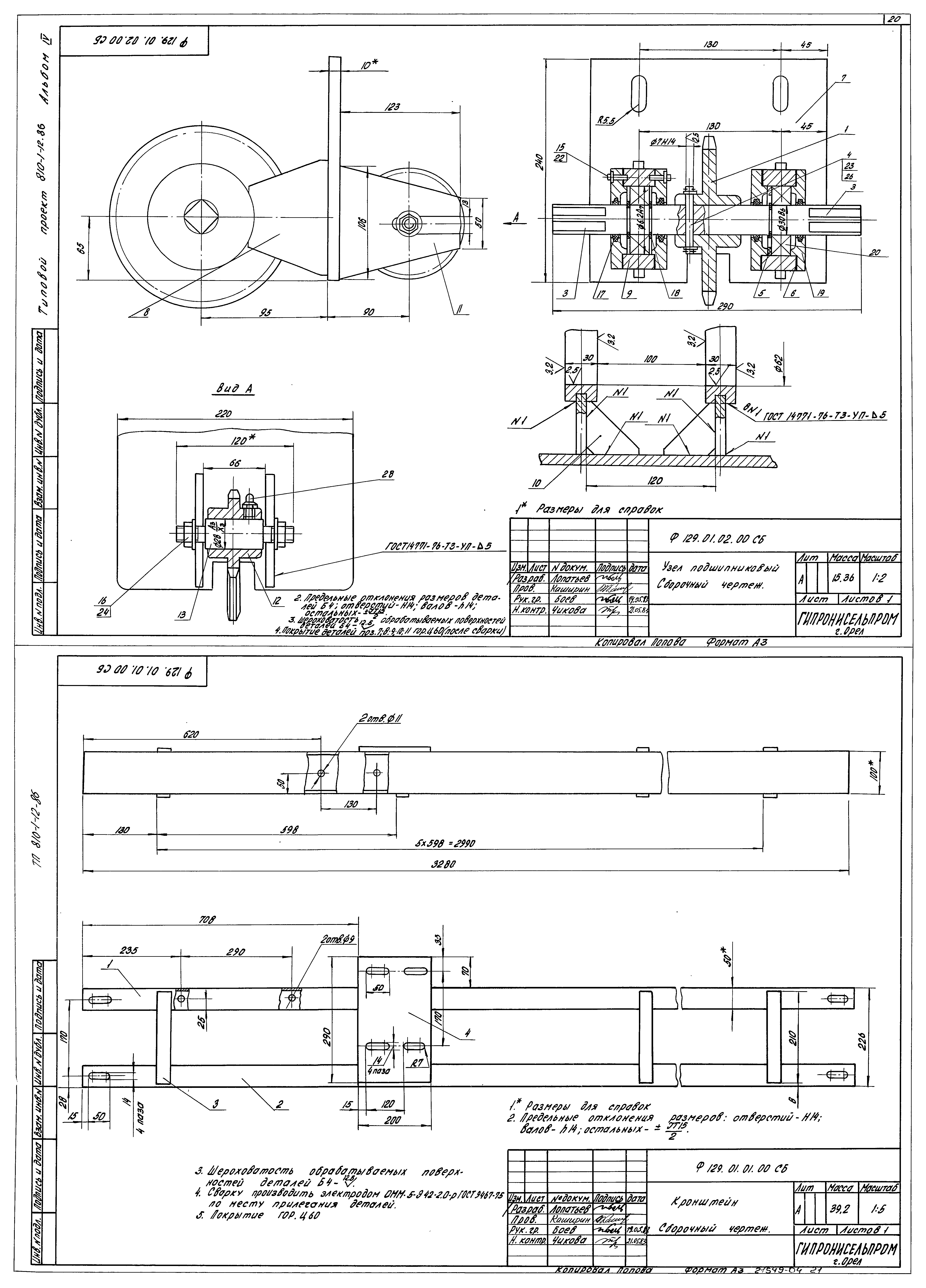
ТП 810-1-12.86 Ф129.01.02.00 СБ Узел подшипниковый. Сборочный чертеж
ТП 810-1-12.86 Ф129.01.01.00 СБ Кронштейн. Сборочный чертеж
ТП 810-1-12.86 Ф129.02.00.01 Планка. Чертеж детали
ТП 810-1-12.86 Ф129.02.00.02 Планка. Чертеж детали
ТП 810-1-12.86 Ф129.02.00.03 Планка. Чертеж детали
ТП 810-1-12.86 Ф129.02.00.05 Накладка. Чертеж детали
ТП 810-1-12.86 5854-235.01.001 Вал. Чертеж детали
ТП 810-1-12.86 Ф45.01.02.00 Вкладыш
ТП 810-1-12.86 Ф45.01.03.00 Вкладыш
ТП 810-1-12.86 Ф129.03.01.00 Кронштейн. Спецификация
ТП 810-1-12.86 Ф129.03.01.00 СБ Кронштейн. Сборочный чертеж
ТП 810-1-12.86 Ф129.02.00.06 Накладка. Чертеж детали
ТП 810-1-12.86 Ф129.02.00.04 Скоба. Чертеж детали
ТП 810-1-12.86 Ф77.01.02.01.00-01 Кронштейн. Сборочный чертеж
ТП 810-1-12.86 Ф77.01.02.01.02-01 Опора. Чертеж детали
ТП 810-1-12.86 Ф77.01.02.01.01 Уголок. Чертеж детали
ТП 810-1-12.86 Ф77.01.02.00.03 Клин направляющий. Чертеж детали
ТП 810-1-12.86 Ф129.01.02.03 Звездочка. Чертеж детали
ТП 810-1-12.86 Ф129.04.01.00 СБ Кронштейн. Сборочный чертеж
ТП 810-1-12.86 Ф129.01.02.04 Ось. Чертеж детали
ТП 810-1-12.86 Ф129.01.00.04 Штырь. Чертеж детали
ТП 810-1-12.86 Ф129.01.00.03 Кронштейн. Чертеж детали
ТП 810-1-12.86 Ф129.01.00.02 Плита. Чертеж детали
ТП 810-1-12.86 Ф129.02.00.07 Вал. Чертеж детали
ТП 810-1-12.86 5854-107.02.011.102-01 Вал. Чертеж детали
ТП 810-1-12.86 Ф129.01.00.01 Вал. Чертеж детали
ТП 810-1-12.86 Ф129.05.00.00 Упор. Чертеж детали
ТП 810-1-12.86 Ф129.01.02.01 Пластина. Чертеж детали
ТП 810-1-12.86 Ф129.01.02.02 Опора. Чертеж детали
ТП 810-1-12.86 Ф129.00.00.02 Втулка соединительная. Чертеж детали
ТП 810-1-12.86 Ф129.04.00.01 Опора. Чертеж детали
ТП 810-1-12.86 Ф129.03.00.01 Рейка. Чертеж детали
ТП 810-1-12.86 Ф129.06.00.00 Узел крепления микрокнопки. Спецификация
ТП 810-1-12.86 Ф129.06.00.00 СБ Узел крепления микрокнопки. Сборочный чертеж
ТП 810-1-12.86 Ф129.06.00.01 Плата. Чертеж детали
Разработан: Гипронисельпром Минплодоовощхоза СССР
Утверждён:16.11.1984 Минплодоовощхоз СССР (03-7-52/6210)
Расположен в:Техническая документация Строительство Справочные документы Типовые строительные конструкции, изделия и узлы Общероссийский строительный каталог Сельскохозяйственные предприятия, здания и сооружения Тепличные комбинаты, теплицы и парники Тепличные комбинаты и теплицы
Типовой проект 810-1-12.86Типовой проект 810-1-12.86Типовой проект 810-1-12.86Типовой проект 810-1-12.86Типовой проект 810-1-12.86Типовой проект 810-1-12.86Типовой проект 810-1-12.86Типовой проект 810-1-12.86Типовой проект 810-1-12.86Типовой проект 810-1-12.86Типовой проект 810-1-12.86Типовой проект 810-1-12.86Типовой проект 810-1-12.86Типовой проект 810-1-12.86Типовой проект 810-1-12.86Типовой проект 810-1-12.86Типовой проект 810-1-12.86Типовой проект 810-1-12.86Типовой проект 810-1-12.86Типовой проект 810-1-12.86Типовой проект 810-1-12.86Типовой проект 810-1-12.86Типовой проект 810-1-12.86Типовой проект 810-1-12.86Типовой проект 810-1-12.86Типовой проект 810-1-12.86Типовой проект 810-1-12.86Типовой проект 810-1-12.86Типовой проект 810-1-12.86Типовой проект 810-1-12.86Типовой проект 810-1-12.86

© 2013 Ёшкин Кот :-) Карта сайта