Информационная система
«Ёшкин Кот»

Скачать базу одним архивом
Скачать обновления
История создания базы
Карта сайта

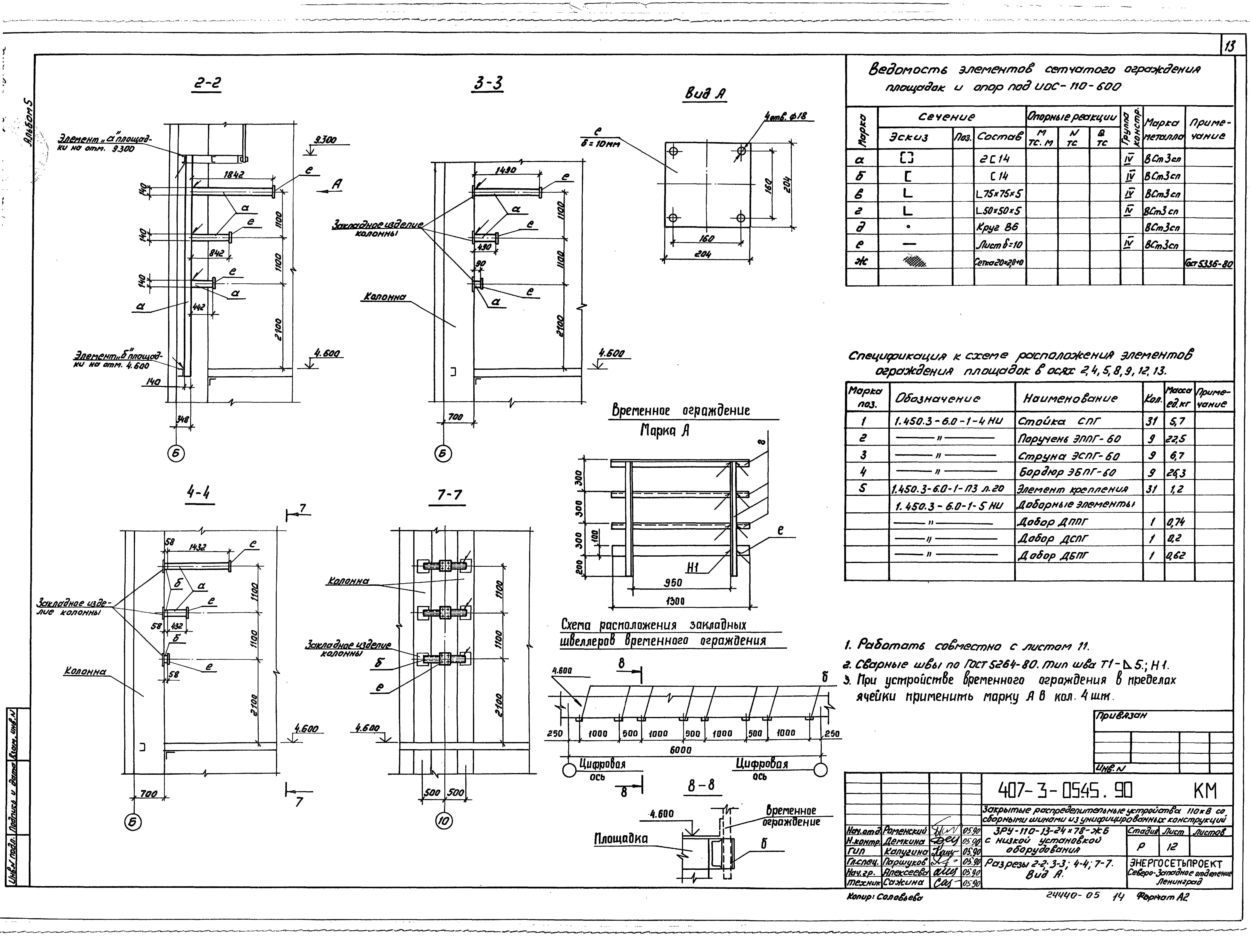
Скачать Типовые проектные решения 407-3-0545.90 Альбом 5. Конструкции и узлы. Конструкции металлические

Дата актуализации: 10.08.2017

Типовые проектные решения 407-3-0545.90

Альбом 5. Конструкции и узлы. Конструкции металлические

Обозначение: Типовые проектные решения 407-3-0545.90
Обозначение англ: 407-3-0545.90
Статус:cправочные материалы, мп, тпр
Название рус.:Альбом 5. Конструкции и узлы. Конструкции металлические
Дата добавления в базу:01.09.2013
Дата актуализации:05.05.2017
Дата введения:15.06.1990
Разработан: Северо-западное отделение института Энергосетьпроект
Утверждён:15.06.1990 Минэнерго СССР (USSR Minenergo 38)
Расположен в:Техническая документация Строительство Справочные документы Типовые строительные конструкции, изделия и узлы Общероссийский строительный каталог Промышленные предприятия, здания и сооружения Предприятия, здания и сооружения промышленности и электроэнергетики Электроэнергетика Устройства и подстанции распределительные
Типовые проектные решения 407-3-0545.90Типовые проектные решения 407-3-0545.90Типовые проектные решения 407-3-0545.90Типовые проектные решения 407-3-0545.90Типовые проектные решения 407-3-0545.90Типовые проектные решения 407-3-0545.90Типовые проектные решения 407-3-0545.90Типовые проектные решения 407-3-0545.90Типовые проектные решения 407-3-0545.90Типовые проектные решения 407-3-0545.90Типовые проектные решения 407-3-0545.90Типовые проектные решения 407-3-0545.90Типовые проектные решения 407-3-0545.90Типовые проектные решения 407-3-0545.90Типовые проектные решения 407-3-0545.90Типовые проектные решения 407-3-0545.90Типовые проектные решения 407-3-0545.90Типовые проектные решения 407-3-0545.90Типовые проектные решения 407-3-0545.90Типовые проектные решения 407-3-0545.90Типовые проектные решения 407-3-0545.90Типовые проектные решения 407-3-0545.90Типовые проектные решения 407-3-0545.90

© 2013 Ёшкин Кот :-) Карта сайта