Информационная система
«Ёшкин Кот»

Скачать базу одним архивом
Скачать обновления
История создания базы
Карта сайта

Скачать Типовой проект 407-3-191 Альбом 2. Электротехническая часть. Тип 1. ГПЛ-110-1-1х16-А1. Тип 2. ГПП-110-I-1х25-Б1. Принципиальные и монтажные схемы

Дата актуализации: 10.08.2017

Типовой проект 407-3-191

Альбом 2. Электротехническая часть. Тип 1. ГПЛ-110-1-1х16-А1. Тип 2. ГПП-110-I-1х25-Б1. Принципиальные и монтажные схемы

Обозначение: Типовой проект 407-3-191
Обозначение англ: 407-3-191
Статус:действует
Название рус.:Альбом 2. Электротехническая часть. Тип 1. ГПЛ-110-1-1х16-А1. Тип 2. ГПП-110-I-1х25-Б1. Принципиальные и монтажные схемы
Дата добавления в базу:01.09.2013
Дата актуализации:05.05.2017
Оглавление:1. Обложка
2. Титульный лист
3. ЭЛ-1 Содержание альбома. Пояснительная записка
4. ЭЛ-2 Таблица уставок реле защиты и автоматики
5. ЭЛ-3 План и разрез подстанции
6. ЭЛ-4 Тип 1. Схема электрических соединений
7. ЭЛ-5 Тип 2. Схема электрических соединений
8. ЭЛ-6 Трансформатор 110/6-10 кв. Поясняющая схема и перечень аппаратуры цепей управления, защиты, сигнализации и автоматики
9. ЭЛ-7 Трансформатор 110/6-10 кв. Схема управления, сигнализации и автоматики
10. ЭЛ-8 Трансформатор 110/6-10 кв. Схема защиты и измерения
11. ЭЛ-9 Трансформатор 110/6-10 кв. Схема дистанционного и автоматического регулирования напряжения
12. ЭЛ-10 Трансформатор 110/6-10 кв. Схема приводного механизма типа М 3-2
13. ЭЛ-11 Трансформатор 110/6-10 кв. Схема устройства обдувки
14. ЭЛ-12 Трансформатор 110/6-10 кв. Схема блокировки
15. ЭЛ-13 Трансформатор 110/6-10 кв. Монтажная схема трансформатора
16. ЭЛ-14 Схема трансформатора напряжения 6-10 кв
17. ЭЛ-15 Схема автоматической частотной разгрузки "АЧР"
18. ЭЛ-16 Схема защиты минимального напряжения электродвигателей 6-10 кв
19. ЭЛ-17 Дугогасящая катушка. Принципиальная и монтажная схемы
20. ЭЛ-18 Схема питания собственных нужд ~ 380/220в
21. ЭЛ-19 Схема вводов и секционного автомата щита собственных нужд ~ 380/220в
22. ЭЛ-20 Схема питания цепей управления, защиты и сигнализации на переменном оперативном токе
23. ЭЛ-21 Схема питания цепей управления, защиты и сигнализации на выпрямленном оперативном токе
24. ЭЛ-22 Схема центральной сигнализации
25. ЭЛ-23 Щит управления. Фасад. План шинок. Перечень панелей
26. ЭЛ-24 Щит управления. Ряды зажимов панели № 1
27. ЭЛ-25,26 Щит управления. Ряды зажимов панели № 2
28. ЭЛ-27,28 Щит управления. Ряды зажимов панели № 3
29. ЭЛ-29,30 Щит управления. Ряды зажимов панели № 4
30. ЭЛ-31 Щит управления. Ряды зажимов панели № 5
31. ЭЛ-32,33 Щит управления. Ряды зажимов панели № 6
32. ЭЛ-34 Щит собственных нужд ~ 380/220в. Ряды зажимов панели №20
33. ЭЛ-35 Щит собственных нужд ~ 380/220в. Ряды зажимов панели №21
34. ЭЛ-36 Монтажные схемы тележек выключателей вводов 6-10кв с электромагнитными приводами ПЭВ-12 и ПЭ-11
35. ЭЛ-37 Ряды зажимов шкафов КРУ №№ 11, 13, 15 (9, 11, 13, 15), 17 и 18; 1ВУ, 11БПНС, СТ и ШСП
36. ЭЛ-38 Схема кабельных связей
37. ЭЛ-39 Разводка кабелей в ОРУ-110кв
38. ЭЛ-40 Разводка кабелей в ЗРУ-6-10кв
39. ЭЛ-41,42 Кабельный журнал
40. ЭЛ-43 План сети электроосвещения открытой части подстанции
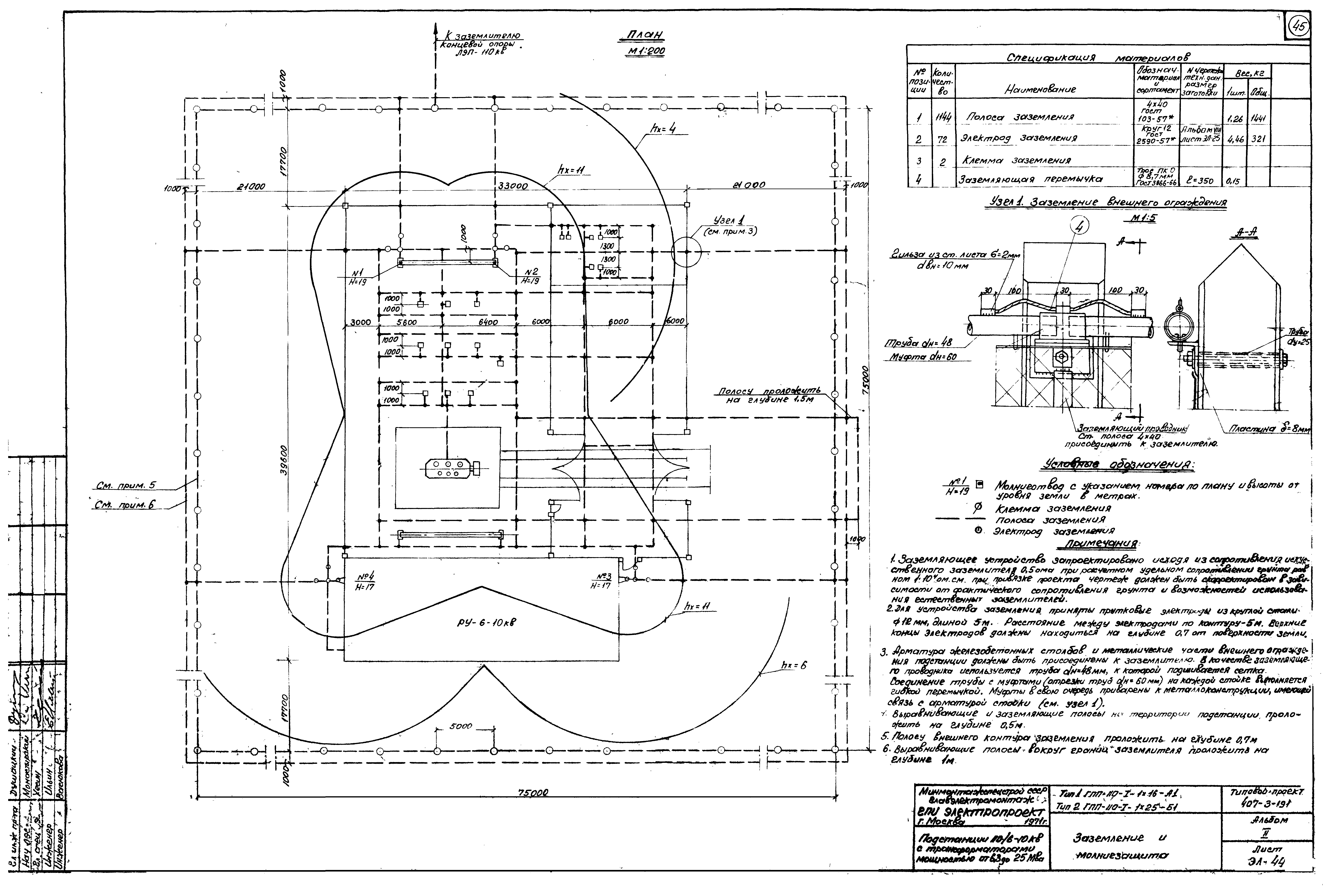
41. ЭЛ-44 Заземление и молниезащита
Разработан: ГПИ Электропроект
Утверждён:01.06.1971 Минмонтажспецстрой СССР (USSR Minmontazhspetsstroy )
Расположен в:Техническая документация Строительство Справочные документы Типовые строительные конструкции, изделия и узлы Общероссийский строительный каталог Промышленные предприятия, здания и сооружения Предприятия, здания и сооружения промышленности и электроэнергетики Электроэнергетика Устройства и подстанции распределительные
Типовой проект 407-3-191Типовой проект 407-3-191Типовой проект 407-3-191Типовой проект 407-3-191Типовой проект 407-3-191Типовой проект 407-3-191Типовой проект 407-3-191Типовой проект 407-3-191Типовой проект 407-3-191Типовой проект 407-3-191Типовой проект 407-3-191Типовой проект 407-3-191Типовой проект 407-3-191Типовой проект 407-3-191Типовой проект 407-3-191Типовой проект 407-3-191Типовой проект 407-3-191Типовой проект 407-3-191Типовой проект 407-3-191Типовой проект 407-3-191Типовой проект 407-3-191Типовой проект 407-3-191Типовой проект 407-3-191Типовой проект 407-3-191Типовой проект 407-3-191Типовой проект 407-3-191Типовой проект 407-3-191Типовой проект 407-3-191Типовой проект 407-3-191Типовой проект 407-3-191Типовой проект 407-3-191Типовой проект 407-3-191Типовой проект 407-3-191Типовой проект 407-3-191Типовой проект 407-3-191Типовой проект 407-3-191Типовой проект 407-3-191Типовой проект 407-3-191Типовой проект 407-3-191Типовой проект 407-3-191Типовой проект 407-3-191Типовой проект 407-3-191Типовой проект 407-3-191Типовой проект 407-3-191Типовой проект 407-3-191Типовой проект 407-3-191

© 2013 Ёшкин Кот :-) Карта сайта