Информационная система
«Ёшкин Кот»

Скачать базу одним архивом
Скачать обновления
История создания базы
Карта сайта

Скачать Типовой проект 902-2-361 Альбом 2. Технологическая и строительная части. Заказные спецификации

Дата актуализации: 10.08.2017

Типовой проект 902-2-361

Альбом 2. Технологическая и строительная части. Заказные спецификации

Обозначение: Типовой проект 902-2-361
Обозначение англ: 902-2-361
Статус:не определен законодательством
Название рус.:Альбом 2. Технологическая и строительная части. Заказные спецификации
Дата добавления в базу:01.09.2013
Дата актуализации:05.05.2017
Дата введения:26.01.1983
Оглавление:Титульный лист
Содержание альбома
Технологическая часть
   Общие данные
   Высотная схема движения воды. Компоновка узла из 4-х отстойников
   Иловые колодцы №1 и №2
   Монтажный чертеж. План, разрезы, узлы
Строительная часть
   Конструкции железобетонные
      Общие данные
      Отстойник №1. План. Разрез
      Отстойник №1. Сечения. Узлы
      Примеры устройства основания отстойников для различных гидрогеологических условий
      Днище. Вариант в сухих грунтах
      Днище. Вариант в обводненных грунтах
      Схема расположения стеновых панелей
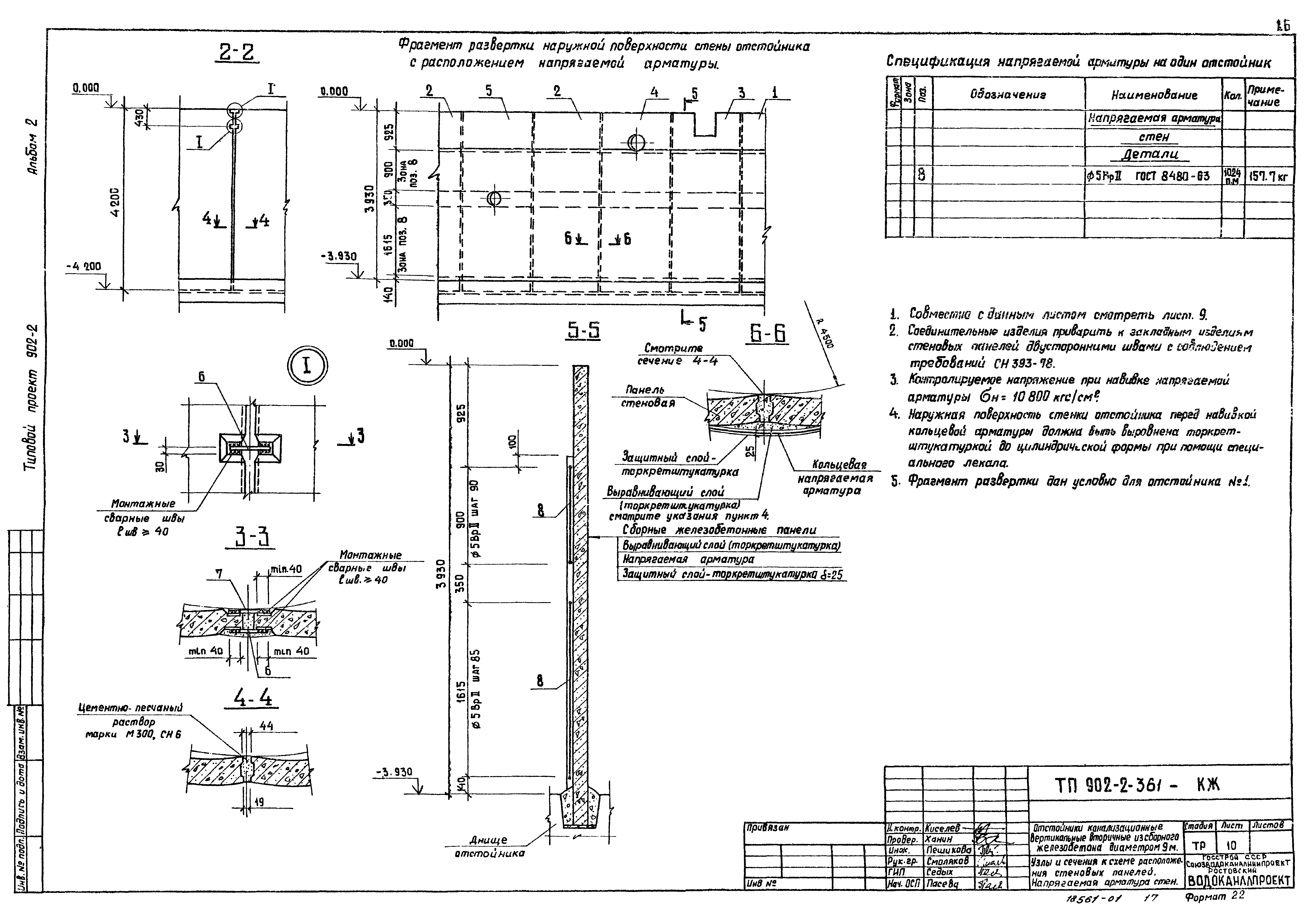
      Узлы и сечения к схеме расположения стеновых панелей. Напрягаемая арматура стен
      Отстойник №1. Схема расположения асбестоцементных листов разделительной перегородки и водосливов
      Схема расположения лотков и распределительной камеры. Узлы
      Схема расположения лотков и распределительной камеы. Разрезы. Сечения. Узлы
      Лоток ЛТМ1. Опалубочные чертежи
      Лоток ЛТМ1. Арматурные чертежи
      Распределительная камера. Опалубочные чертежи
      Распределительная камера. Арматурные чертежи
      Колодцы иловые №1, №2
   Конструкции металлические
      Общие данные
      Техническая спецификация металла. Ведомость металлоконструкций по видам профилей
      Схема балок и лотков
      Схема каркаса перегородок. Узлы 1, 2
      Узлы 3, 4
   Заказные спецификации
      Заказная спецификация на оборудование для 4-х отстойников
      Заказная спецификация на трубопроводную арматуру для 4-х отстойников
Разработан: Союзводоканалпроект
Водоканалпроект
Утверждён:25.08.1982 Главпромстройпроект Госстроя СССР (32)
Издан: ЦИТП Госстроя СССР (CITP, Gosstroy (USSR) 1983 г. )
Расположен в:Техническая документация Строительство Справочные документы Типовые строительные конструкции, изделия и узлы Общероссийский строительный каталог Промышленные предприятия, здания и сооружения Здания и сооружения санитарно-технические Канализация Сооружения механической очистки Отстойники Отстойники вертикальные вторичные
Заменяет собой:
Типовой проект 902-2-361Типовой проект 902-2-361Типовой проект 902-2-361Типовой проект 902-2-361Типовой проект 902-2-361Типовой проект 902-2-361Типовой проект 902-2-361Типовой проект 902-2-361Типовой проект 902-2-361Типовой проект 902-2-361Типовой проект 902-2-361Типовой проект 902-2-361Типовой проект 902-2-361Типовой проект 902-2-361Типовой проект 902-2-361Типовой проект 902-2-361Типовой проект 902-2-361Типовой проект 902-2-361Типовой проект 902-2-361Типовой проект 902-2-361Типовой проект 902-2-361Типовой проект 902-2-361Типовой проект 902-2-361Типовой проект 902-2-361Типовой проект 902-2-361Типовой проект 902-2-361Типовой проект 902-2-361Типовой проект 902-2-361Типовой проект 902-2-361Типовой проект 902-2-361Типовой проект 902-2-361Типовой проект 902-2-361Типовой проект 902-2-361Типовой проект 902-2-361Типовой проект 902-2-361Типовой проект 902-2-361

© 2013 Ёшкин Кот :-) Карта сайта