Скачать Шифр А23-94 Прокладка главных крановых троллеев на кронштейнах, изготовляемых на монтаже, с междуфазным расстоянием 450 мм (с применением изоляторов ИО-6-3,75). Материалы для проектирования и рабочие чертежиДата актуализации: 10.08.2017 Шифр А23-94
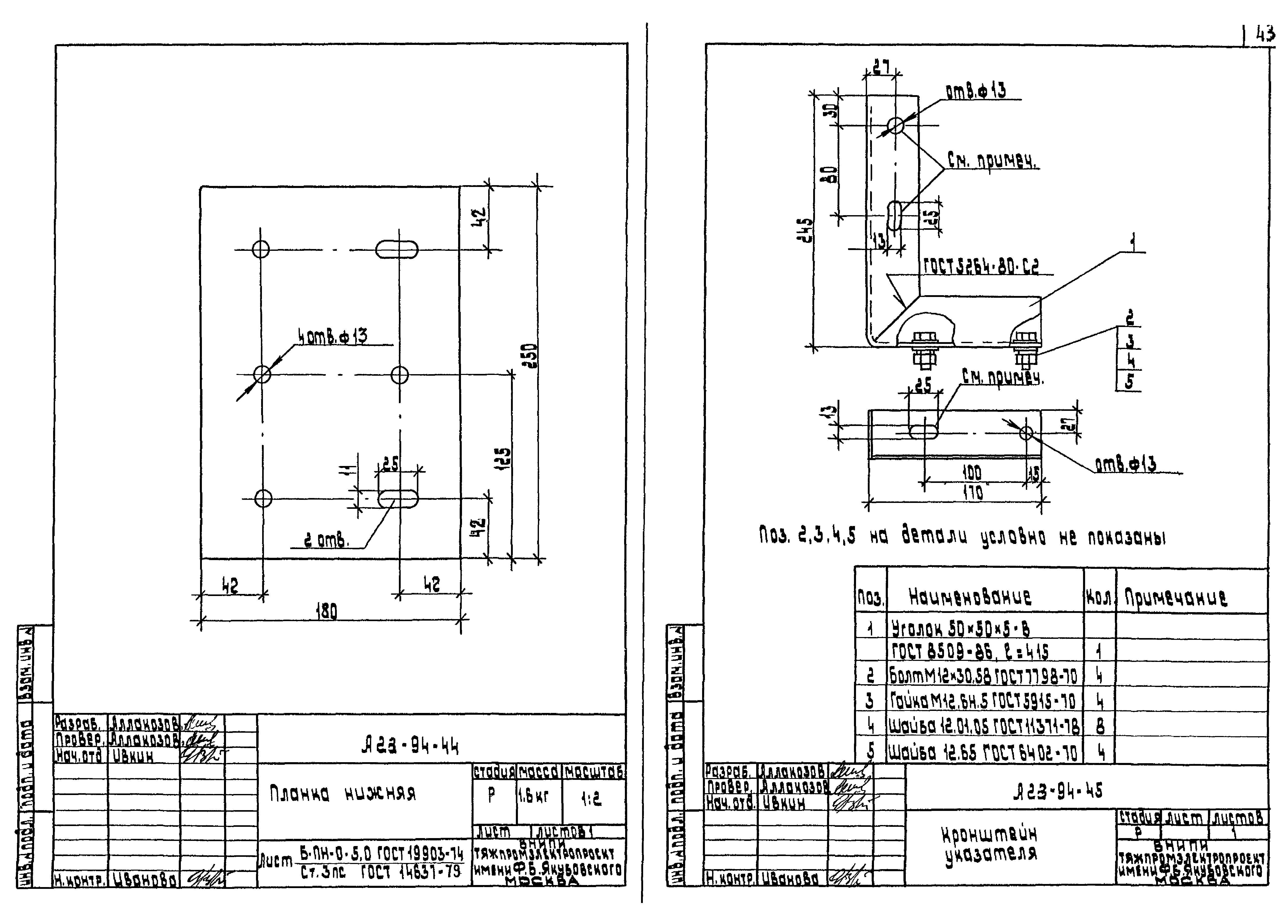
Прокладка главных крановых троллеев на кронштейнах, изготовляемых на монтаже, с междуфазным расстоянием 450 мм (с применением изоляторов ИО-6-3,75). Материалы для проектирования и рабочие чертежиОбозначение: | Шифр А23-94 | Обозначение англ: | А23-94 | Статус: | cправочные материалы, мп, тпр | Название рус.: | Прокладка главных крановых троллеев на кронштейнах, изготовляемых на монтаже, с междуфазным расстоянием 450 мм (с применением изоляторов ИО-6-3,75). Материалы для проектирования и рабочие чертежи | Дата добавления в базу: | 01.10.2014 | Дата актуализации: | 05.05.2017 | Дата введения: | 01.09.1994 | Оглавление: | А23-94 Содержание А23-94-ПЗ Пояснительная записка А23-94-01 Стальные подкрановые балки. Габаритный чертеж А23-94-02 Железобетонные подкрановые балки. Габаритный чертеж А23-94-03 Компенсаторы. Габаритный чертеж А23-94-04 Троллейный указатель К271У2. Габаритный чертеж А23-94-05 Изолятор ИО-6-3,75IIУ3. Габаритный чертеж А23-94-06 Таблица выбора чертежей А23-94-07 Прокладка главных троллеев для кранов. План. Пример А23-94-08 Прокладка троллеев на металлической подкрановой балке. Пример А23-94-09 Промежуточное крепление подпиточных шин между кронштейнами А23-94-10 Установка кронштейна на металлической балке А23-94-11 Установка кронштейна на железобетонной балке типа БК6 А23-94-12 Установка кронштейна на железобетонной балке типа БК12 А23-94-13 Установка указателя троллейного К271У2 на кронштейне А23-94-14 Стыковка троллеев из угловой стали А23-94-15 Стыковка троллеев из швеллера А23-94-16 Стыковка троллеев из двутавра и рельса А23-94-17 Установка компенсаторов на троллеях из угловой стали и швеллера А23-94-18 Установка компенсатора на троллее из двутавра А23-94-19 Установка компенсатора на троллее из рельса А23-94-20 Установка компенсатора на подпиточной шине А23-94-21 Секционирование троллеев и подпиточных шин А23-94-22 Установка троллея на троллеедержателе А23-94-23 Варианты подвода питания к троллею из угловой стали А23-94-24 Кронштейн рядовой КР1 А23-94-25 Кронштейн рядовой КР2 А23-94-26 Кронштейн рядовой КР3 А23-94-27 Кронштейн секционный КС1 А23-94-28 Кронштейн секционный КС2 А23-94-29 Кронштейн секционный КС3 А23-94-30 Троллеедержатель рядовой ТР1 А23-94-31 Троллеедержатель рядовой ТР2 А23-94-32 Троллеедержатель рядовой ТР3 А23-94-33 Троллеедержатель секционный ТС1 А23-94-34 Троллеедержатель секционный ТС2 А23-94-35 Троллеедержатель секционный ТС3 А23-94-36 Планка верхняя. Тип 1 А23-94-37 Планка верхняя. Тип 2 А23-94-38 Планка верхняя. Тип 3 А23-94-39 Планка стальная П1 А23-94-40 Планка стальная П2 А23-94-41 Планка алюминиевая А23-94-42 Планка сталеалюминевая А23-94-43 Уголок крепежный А23-94-44 Планка нижняя А23-94-45 Кронштейн указателя А23-94-46 Скоба крепежная. Тип 1 А23-94-47 Скоба крепежная. Тип 2 А23-94-48 Пластина А23-94-49 Шпилька А23-94-50 Полка А23-94-51 Стойка А23-94-52 Планка прижимная А23-94-53 Скоба | Разработан: | ОАО ВНИПИ Тяжпромэлектропроект
| Утверждён: | 02.08.1994 ОАО ВНИПИ Тяжпромэлектропроект (VNIPI Tyazhpromelektroproject OAO 16)
| Расположен в: |
|
                                             
|