Информационная система
«Ёшкин Кот»

Скачать базу одним архивом
Скачать обновления
История создания базы
Карта сайта

Скачать Шифр А17-93 Прокладка главных троллеев для кранов на кронштейнах типов К43АУ2, К47АУ2. Материалы для проектирования и рабочие чертежи

Дата актуализации: 10.08.2017

Шифр А17-93

Прокладка главных троллеев для кранов на кронштейнах типов К43АУ2, К47АУ2. Материалы для проектирования и рабочие чертежи

Обозначение: Шифр А17-93
Обозначение англ: А17-93
Статус:cправочные материалы, мп, тпр
Название рус.:Прокладка главных троллеев для кранов на кронштейнах типов К43АУ2, К47АУ2. Материалы для проектирования и рабочие чертежи
Дата добавления в базу:01.10.2014
Дата актуализации:05.05.2017
Дата введения:01.01.1994
Оглавление:А17-93 Содержание
А17-93-01ПЗ Пояснительная записка
А17-93-02ТБ Таблицы выбора чертежей
А17-93-03ГЧ Габариты стальных подкрановых балок
А17-93-04ГЧ Габариты железобетонных подкрановых балок
А17-93-05ГЧ Троллейное комплектное устройство. Габаритный чертеж
А17-93-06 Прокладка главных троллеев для кранов. План (пример)
А17-93-07 Установка кронштейна К43АУ2 на металлической балке
А17-93-08 Установка кронштейна К47АУ2 на металлической балке
А17-93-09 Установка кронштейна К43АУ2 на железобетонной балке типа Б6
А17-93-10 Установка кронштейна К47АУ2 на железобетонной балке типа Б6
А17-93-11 Установка кронштейна К43АУ2 на железобетонной балке типа Б12
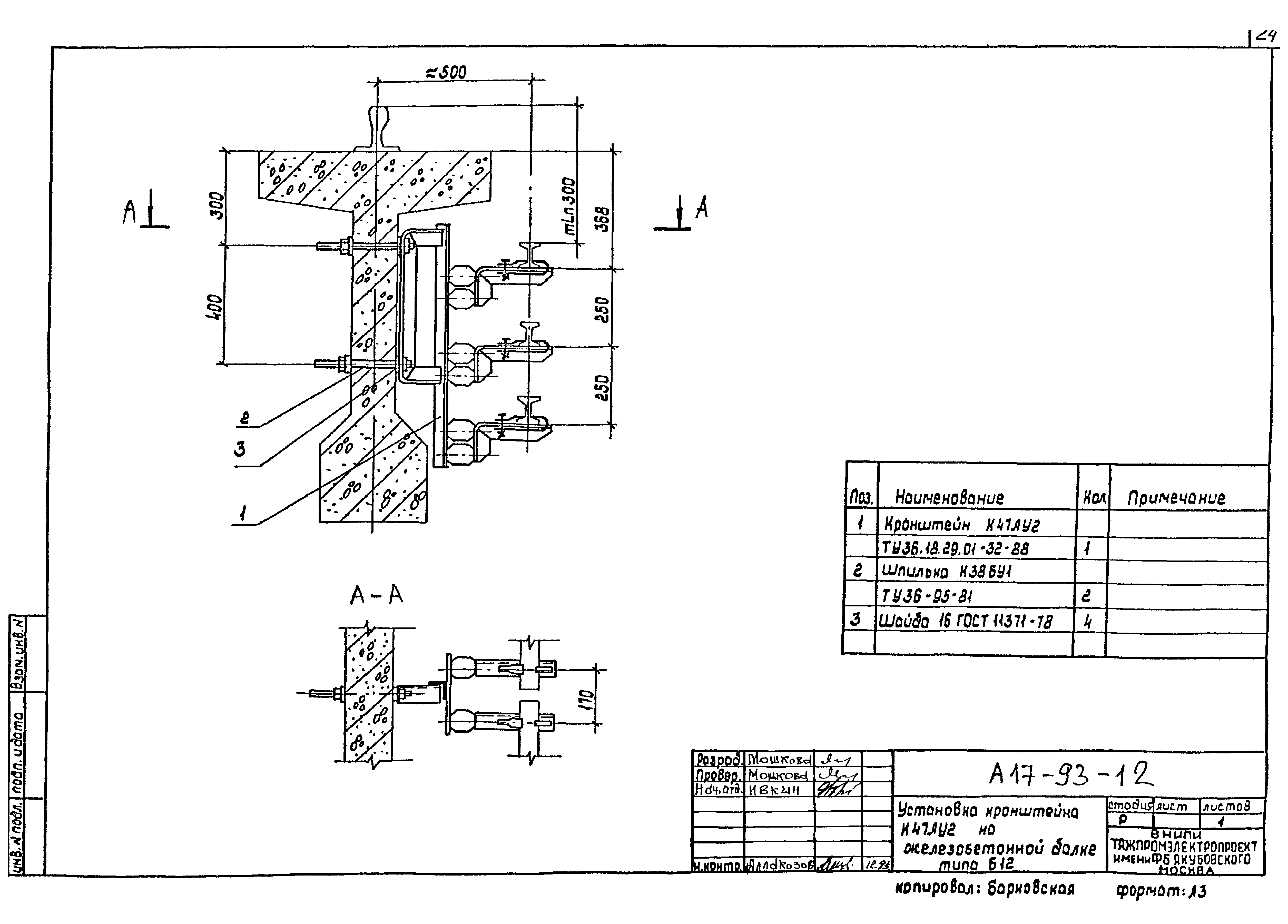
А17-93-12 Установка кронштейна К47АУ2 на железобетонной балке типа Б12
А17-93-13 Установка кронштейна К43АУ2 с троллейным указателем на металлической балке
А17-93-14 Установка кронштейна К43АУ2 с троллейным указателем на железобетонной балке Б6
А17-93-15 Установка кронштейна К43АУ2 с троллейным указателем на железобетонной балке Б12
А17-93-16 Установка компенсаторов на троллее из сплава АД31Т1
А17-93-17 Установка компенсаторов на троллее из угловой стали 50х50х5
А17-93-18 Установка компенсаторов на троллее из угловой стали 63х63х6
А17-93-19 Установка компенсаторов на троллее из стального швеллера
А17-93-20 Повод питания к троллею из сплава АД31Т1
А17-93-21 Подвод питания к троллею из стального швеллера
А17-93-22 Подвод питания к троллею из угловой стали. Вариант 1
А17-93-23 Подвод питания к троллею из угловой стали. Вариант 2
А17-93-24 Стыковка троллеев из угловой стали 50х50х5
А17-93-25 Стыковка троллеев из угловой стали 63х63х6
А17-93-26 Стыковка троллеев из швеллера № 8
А17-93-27 Стыковка троллеев из швеллера № 10
А17-93-28 Установка кронштейна с компенсатором. Пример
А17-93-29 Узел прокладки троллеев из стального проката. Пример
А17-93-30 Узлы крепления троллеев из стального проката на кронштейнах
А17-93-31 Кронштейн с троллейным указателем
А17-93-32 Планка
А17-93-33 Планка
Разработан: ВНИПИ Тяжпромэлектропроект им. Ф.Б. Якубовского
Утверждён:20.12.1993 ВНИПИ Тяжпромэлектропроект им. Ф.Б. Якубовского (F.B.Yakubovskiy Tyazhpromelektroproject VNIPI 48)
Расположен в:Техническая документация Строительство Справочные документы Типовые строительные конструкции, изделия и узлы Разработанные другими министерствами, ведомствами и организациями
Заменяет собой:
Шифр А17-93Шифр А17-93Шифр А17-93Шифр А17-93Шифр А17-93Шифр А17-93Шифр А17-93Шифр А17-93Шифр А17-93Шифр А17-93Шифр А17-93Шифр А17-93Шифр А17-93Шифр А17-93Шифр А17-93Шифр А17-93Шифр А17-93Шифр А17-93Шифр А17-93Шифр А17-93Шифр А17-93Шифр А17-93Шифр А17-93Шифр А17-93Шифр А17-93Шифр А17-93Шифр А17-93Шифр А17-93Шифр А17-93Шифр А17-93Шифр А17-93Шифр А17-93Шифр А17-93Шифр А17-93Шифр А17-93Шифр А17-93Шифр А17-93Шифр А17-93Шифр А17-93

© 2013 Ёшкин Кот :-) Карта сайта