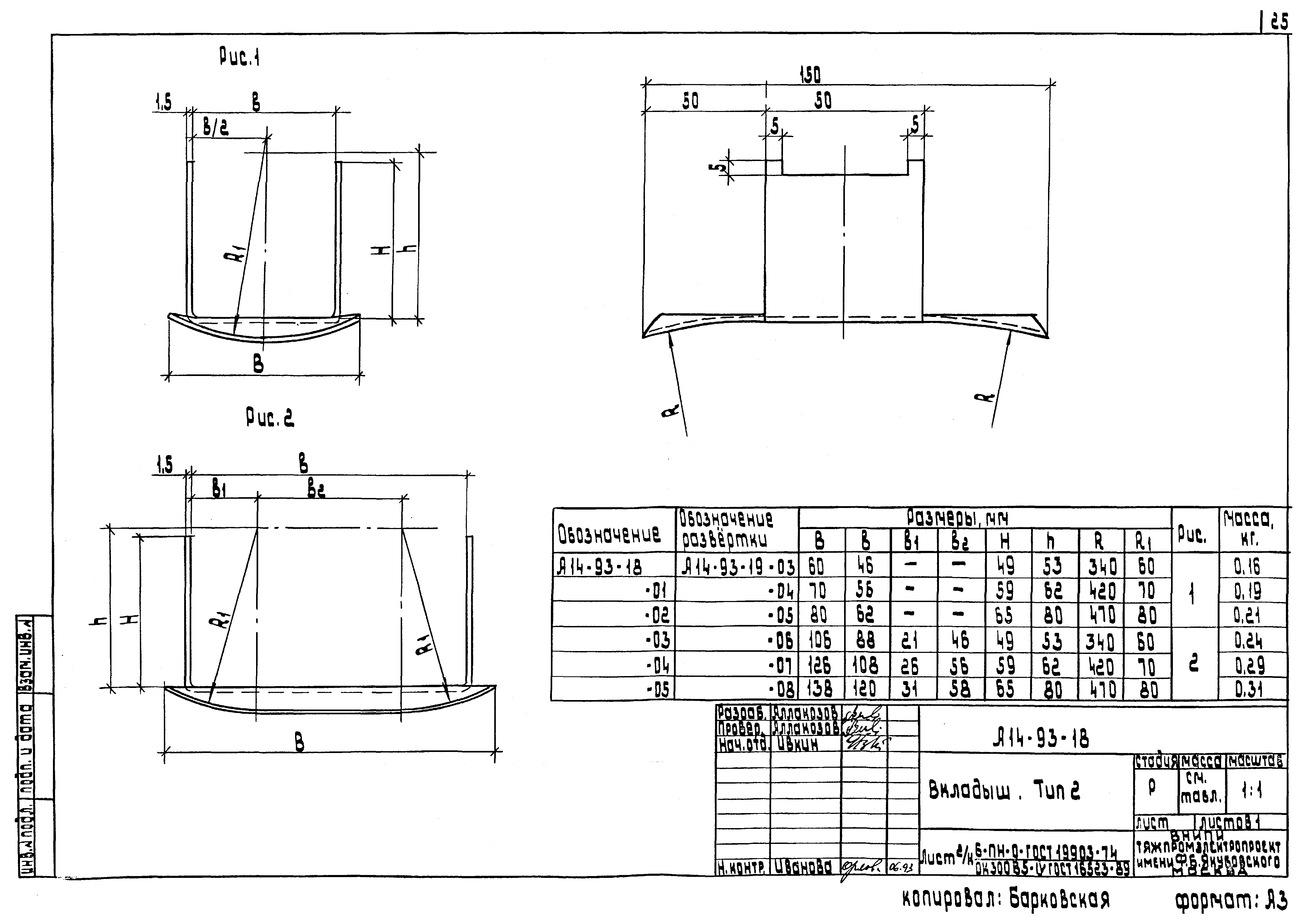
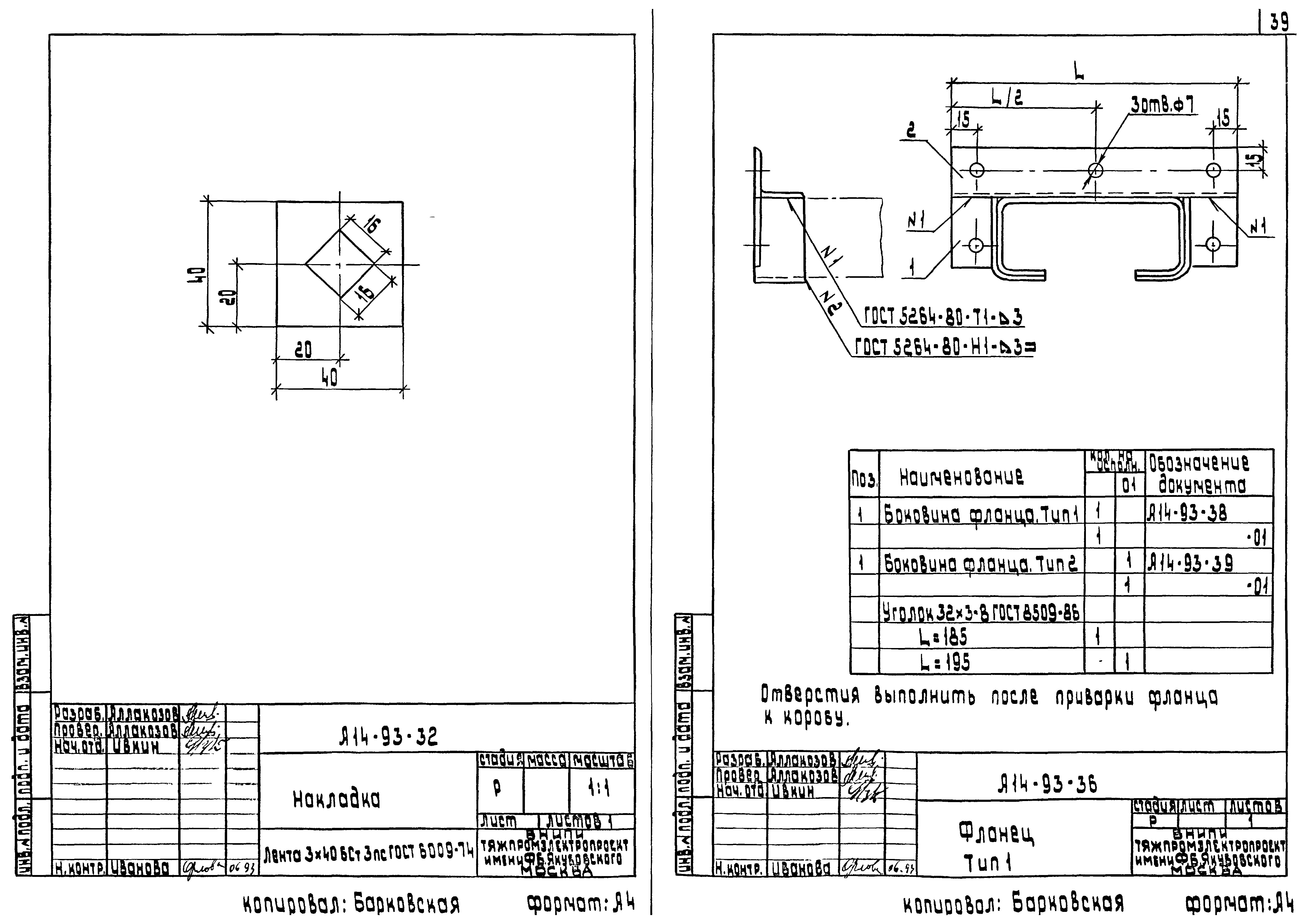
Скачать Шифр А14-93 Гибкий токоподвод к подъемно-транспортным и передвижным механизмам. Материалы для проектирования и рабочие чертежиДата актуализации: 10.08.2017 Шифр А14-93
Гибкий токоподвод к подъемно-транспортным и передвижным механизмам. Материалы для проектирования и рабочие чертежиОбозначение: | Шифр А14-93 | Обозначение англ: | А14-93 | Статус: | cправочные материалы, мп, тпр | Название рус.: | Гибкий токоподвод к подъемно-транспортным и передвижным механизмам. Материалы для проектирования и рабочие чертежи | Дата добавления в базу: | 01.09.2013 | Дата актуализации: | 05.05.2017 | Дата введения: | 01.07.1993 | Разработан: | ОАО ВНИПИ Тяжпромэлектропроект
| Утверждён: | 26.06.1993 ОАО ВНИПИ Тяжпромэлектропроект (VNIPI Tyazhpromelektroproject OAO 26)
| Расположен в: |
|
                                                     
|