Информационная система
«Ёшкин Кот»

Скачать базу одним архивом
Скачать обновления
История создания базы
Карта сайта

Скачать Типовые материалы для проектирования 407-03-459.87 Альбом 1. Схемы и низковольтные комплектные устройства

Дата актуализации: 10.08.2017

Типовые материалы для проектирования 407-03-459.87

Альбом 1. Схемы и низковольтные комплектные устройства

Обозначение: Типовые материалы для проектирования 407-03-459.87
Обозначение англ: 407-03-459.87
Статус:не действует
Название рус.:Альбом 1. Схемы и низковольтные комплектные устройства
Дата добавления в базу:01.09.2013
Дата актуализации:05.05.2017
Дата введения:01.11.2005
Оглавление:1 Общие данные (начало)
2, 3 Общие данные (продолжение)
4 Общие данные (окончание)
5, 6, 7 Трансформатор "Т1" ("Т2") с трехфазным устройством РПН. Цепи индивидуального регулирования напряжения. Схема полная
8, 9, 10, 11 Трансформатор "Т1" ("Т2") с однофазными устройствами РПН. Цепи индивидуального регулирования напряжения. Схема полная
12, 13, 14 Трансформатор "Т1" ("Т2") с трехфазным устройством РПН. Цепи группового регулирования напряжения. Схема полная
15, 16, 17, 18 Трансформатор "Т1" ("Т2") с однофазными устройствами РПН. Цепи группового регулирования напряжения. Схема полная
19 Трансформаторы Т1, Т2 с однотипными устройствами РПН. Цепи контроля рассогласования РПН трансформаторов Т1, Т2. Схема полная
20 Трансформаторы Т1, Т2 с разнотипными устройствами РПН. Цепи контроля рассогласования РПН трансформаторов Т1, Т2. Схема полная
21 Трансформатор "Т1" ("Т2"). Включение токовых цепей автоматического регулятора напряжения
22 Схема приводного механизма ПДП-4У отечественного производства
23 Схема приводного механизма МАК-1 отечественного производства
24 Схема приводного механизма МЗ-3 болгарского производства
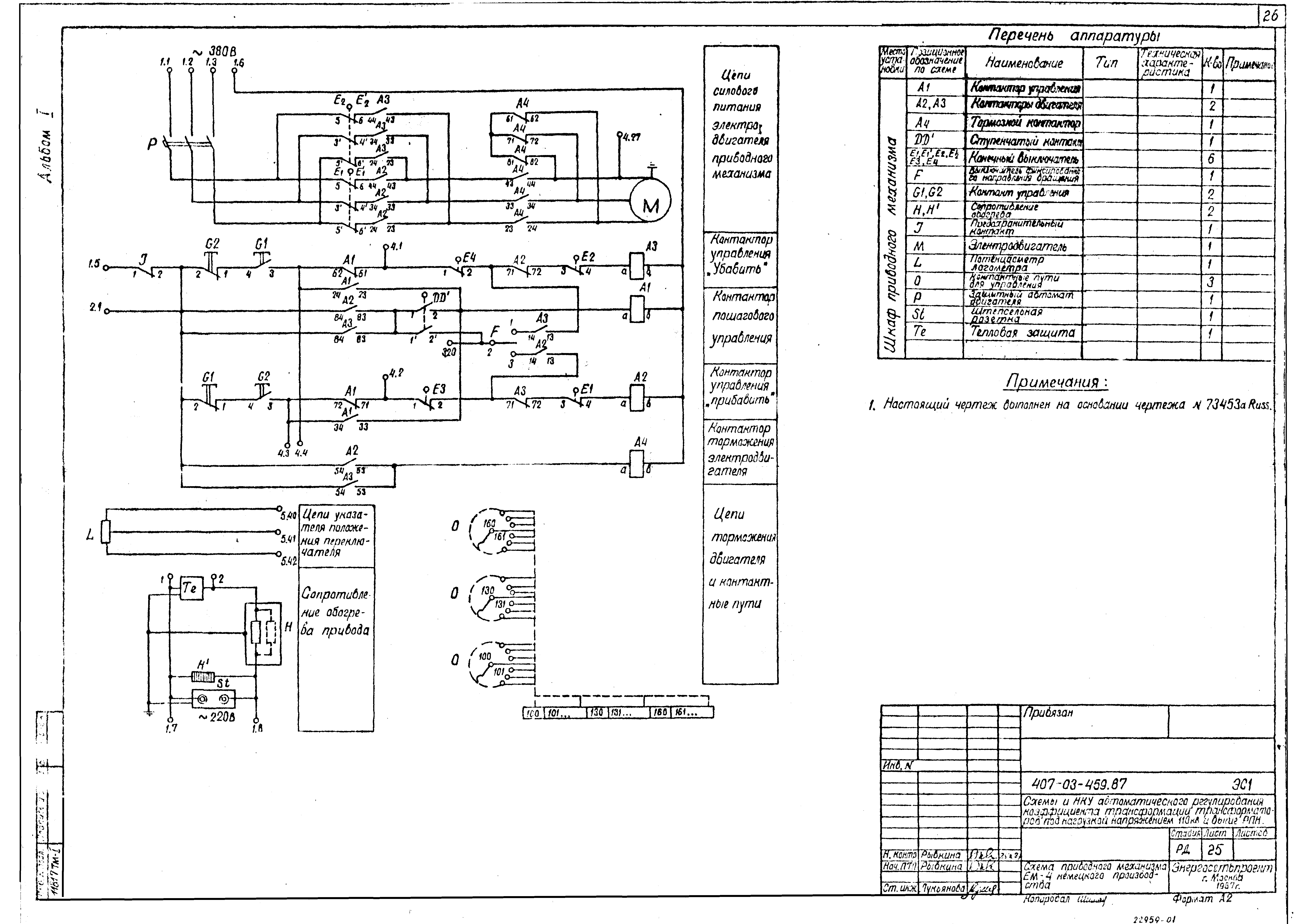
25 Схема приводного механизма ЕМ-4 немецкого производства
26, 27, 28 Блок БА 230-87 регулирования напряжения трансформатора с трехфазным устройством РПН. Схема полная, соединений рядов зажимов и общий вид
29, 30, 31 Блок БА 231-87 регулирования напряжения трансформатора с однофазными устройствами РПН. Схема полная, соединений рядов зажимов и общий вид
32 Блок БА 232-87 ограничения регулирования напряжения трансформатора. Схема полная, соединений рядов зажимов и общий вид
32, 33 Блок БА 233-87 регулирования напряжения трансформаторов с разнотипными РПН
Разработан: Энергосетьпроект
Утверждён:23.12.1987 Минэнерго СССР (USSR Minenergo 52)
Расположен в:Техническая документация Строительство Справочные документы Типовые строительные конструкции, изделия и узлы Общероссийский строительный каталог Промышленные предприятия, здания и сооружения Предприятия, здания и сооружения промышленности и электроэнергетики Электроэнергетика Схемы электрические для подстанций и линий электропередачи
Типовые материалы для проектирования 407-03-459.87Типовые материалы для проектирования 407-03-459.87Типовые материалы для проектирования 407-03-459.87Типовые материалы для проектирования 407-03-459.87Типовые материалы для проектирования 407-03-459.87Типовые материалы для проектирования 407-03-459.87Типовые материалы для проектирования 407-03-459.87Типовые материалы для проектирования 407-03-459.87Типовые материалы для проектирования 407-03-459.87Типовые материалы для проектирования 407-03-459.87Типовые материалы для проектирования 407-03-459.87Типовые материалы для проектирования 407-03-459.87Типовые материалы для проектирования 407-03-459.87Типовые материалы для проектирования 407-03-459.87Типовые материалы для проектирования 407-03-459.87Типовые материалы для проектирования 407-03-459.87Типовые материалы для проектирования 407-03-459.87Типовые материалы для проектирования 407-03-459.87Типовые материалы для проектирования 407-03-459.87Типовые материалы для проектирования 407-03-459.87Типовые материалы для проектирования 407-03-459.87Типовые материалы для проектирования 407-03-459.87Типовые материалы для проектирования 407-03-459.87Типовые материалы для проектирования 407-03-459.87Типовые материалы для проектирования 407-03-459.87Типовые материалы для проектирования 407-03-459.87Типовые материалы для проектирования 407-03-459.87Типовые материалы для проектирования 407-03-459.87Типовые материалы для проектирования 407-03-459.87Типовые материалы для проектирования 407-03-459.87Типовые материалы для проектирования 407-03-459.87Типовые материалы для проектирования 407-03-459.87Типовые материалы для проектирования 407-03-459.87Типовые материалы для проектирования 407-03-459.87

© 2013 Ёшкин Кот :-) Карта сайта