Информационная система
«Ёшкин Кот»

Скачать базу одним архивом
Скачать обновления
История создания базы
Карта сайта

Скачать Серия 2.420-6 Унифицированные монтажные узлы стальных конструкций производственных зданий и сооружений на болтах, включая высокопрочные болты. Чертежи КМ

Дата актуализации: 10.08.2017

Серия 2.420-6

Унифицированные монтажные узлы стальных конструкций производственных зданий и сооружений на болтах, включая высокопрочные болты. Чертежи КМ

Обозначение: Серия 2.420-6
Обозначение англ: Series 2.420-6
Статус:не действует
Название рус.:Унифицированные монтажные узлы стальных конструкций производственных зданий и сооружений на болтах, включая высокопрочные болты. Чертежи КМ
Дата добавления в базу:01.09.2013
Дата актуализации:05.05.2017
Дата окончания срока действия:01.10.1989
Оглавление:2.420-6-КМ л.1 Пояснительная записка
2.420-6-КМ л.2 Стыки стропильных ферм с поясами из уголков. Узлы 1; 2
2.420-6-КМ л.3 Стыки стропильных ферм с поясами из широкополочных тавров. Узлы 3; 4
2.420-6-КМ л.4 Стыки стропильных ферм с поясами из широкополочных двутавров. Узлы 5; 6; 7
2.420-6-КМ л.5 Стыки стропильных ферм с поясами из круглых труб. Узлы 8; 9
2.420-6-КМ л.6 Стыки стропильных ферм при наличии подвесного транспорта. Узел 10
2.420-6-КМ л.7 Опирание прогонов. Узлы 11; 12
2.420-6-КМ л.8 Связи по нижним поясам стропильных ферм. Узлы 13; 14; 15
2.420-6-КМ л.9 Крепление элементов светоаэрационных фонарей. Узлы 16; 17; 18; 19; 20
2.420-6-КМ л.10 Опирание стропильных ферм на подстропильные. Узел 21
2.420-6-КМ л.11 Опирание стропильных ферм на стальные колонны. Узлы 22; 23
2.420-6-КМ л.12 Стыки колонн одноэтажных зданий. Узлы 24; 25
2.420-6-КМ л.13 Вертикальные связи по колоннам крайнего ряда. Узлы 26; 27; 28; 29; 30
2.420-6-КМ л.14 Вертикальные связи по колоннам среднего ряда. Узлы 31; 32; 33
2.420-6-КМ л.15 Стыки колонн многоэтажных зданий. Узлы 34; 35. Рамное соединение ригеля с колонной. Узел 36
2.420-6-КМ л.16 Шарнирное сопряжение балок. Узлы 37; 38; 39; 40; 41
2.420-6-КМ л.17 Крепление торцевого фахверка. Узел 42
2.420-6-КМ л.18 Крепление торцевого фахверка. Узел 43
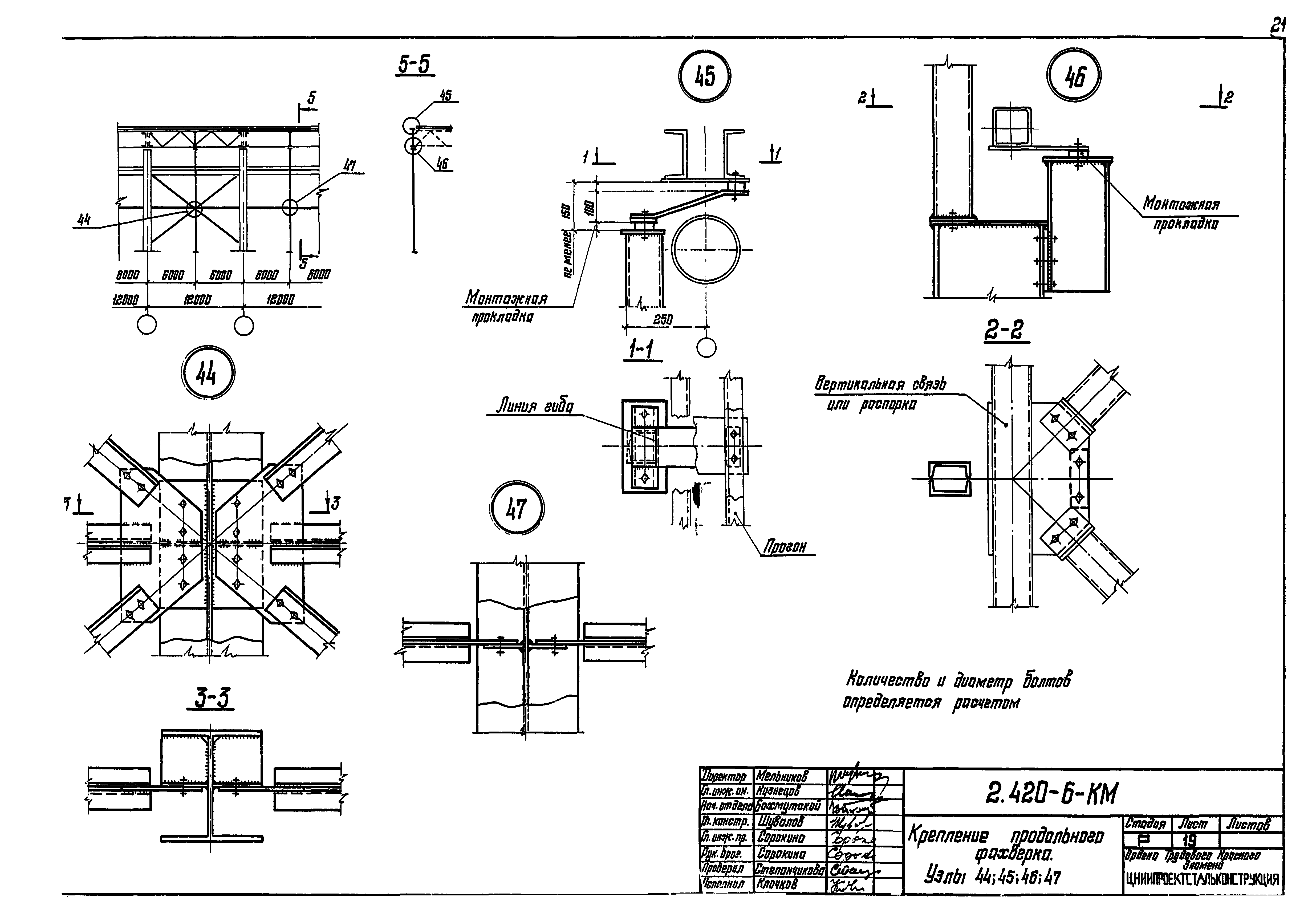
2.420-6-КМ л.19 Крепление продольного фахверка. Узлы 44; 45; 46; 47
Разработан: ЦНИИпроектстальконструкция
ВНИКТИстальконструкция Минмонтажспецстроя СССР
ВНИПИ Промстальконструкция
Утверждён:20.06.1980 Госстрой СССР (Государственный комитет Совета Министров СССР по делам строительства) (USSR Gosstroy 50)
Издан: ЦИТП Госстроя СССР (CITP, Gosstroy (USSR) 1981 г. )
Расположен в:Техническая документация Строительство Справочные документы Типовые строительные конструкции, изделия и узлы Общероссийский строительный каталог Строительные конструкции, изделия и узлы зданий и сооружений для всех видов строительства Конструкции, изделия и узлы зданий Несущие конструкции одноэтажных зданий Узлы и детали сопряжения железобетонных и стальных конструкций
Серия 2.420-6Серия 2.420-6Серия 2.420-6Серия 2.420-6Серия 2.420-6Серия 2.420-6Серия 2.420-6Серия 2.420-6Серия 2.420-6Серия 2.420-6Серия 2.420-6Серия 2.420-6Серия 2.420-6Серия 2.420-6Серия 2.420-6Серия 2.420-6Серия 2.420-6Серия 2.420-6Серия 2.420-6Серия 2.420-6Серия 2.420-6Серия 2.420-6Серия 2.420-6

© 2013 Ёшкин Кот :-) Карта сайта