Информационная система
«Ёшкин Кот»

Скачать базу одним архивом
Скачать обновления
История создания базы
Карта сайта

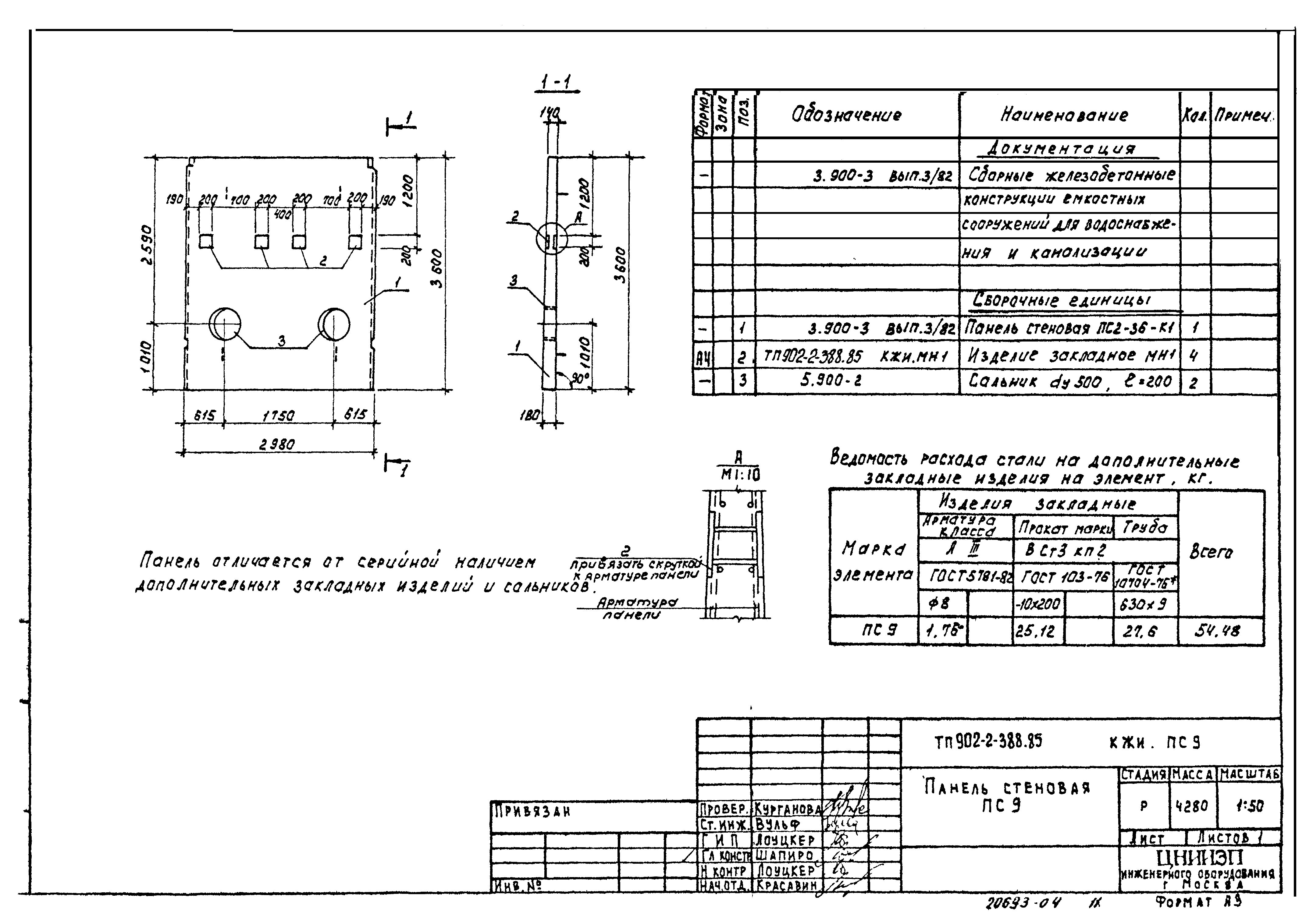
Скачать Типовой проект 902-2-388.85 Альбом 4. Строительные изделия

Дата актуализации: 10.08.2017

Типовой проект 902-2-388.85

Альбом 4. Строительные изделия

Обозначение: Типовой проект 902-2-388.85
Обозначение англ: 902-2-388.85
Статус:не определен законодательством
Название рус.:Альбом 4. Строительные изделия
Дата добавления в базу:01.09.2013
Дата актуализации:05.05.2017
Дата введения:01.12.1985
Оглавление:Панель стеновая ПС1
Панель стеновая ПС2
Панель стеновая ПС3
Панель стеновая ПС4
Панель стеновая ПС5
Панель стеновая ПС6
Панель стеновая ПС7
Панель стеновая (ПС8, ПС10)
Панель стеновая ПС9
Плита П1
Балка Б1
Изделие закладное МН3
Изделие закладное МН1
Лоток (Лт1, Лт2)
Сетка арматурная С1
Сетка арматурная С2
Сетка арматурная С3
Изделие соединительное МС3
Каркас пространственный КП1
Каркас плоский Кр1
Щит струенаправляющий Щ1
Водослив (В1, В2)
Изделие закладное МН2
Изделие соединительное (МС8, МС9)
Разработан: ЦНИИЭП инженерного оборудования
Утверждён:22.07.1974 Госгражданстрой (Gosgrazhdanstroy 164)
Расположен в:Техническая документация Строительство Справочные документы Типовые строительные конструкции, изделия и узлы Общероссийский строительный каталог Промышленные предприятия, здания и сооружения Здания и сооружения санитарно-технические Канализация Сооружения механической очистки Отстойники Отстойники горизонтальные первичные
Типовой проект 902-2-388.85Типовой проект 902-2-388.85Типовой проект 902-2-388.85Типовой проект 902-2-388.85Типовой проект 902-2-388.85Типовой проект 902-2-388.85Типовой проект 902-2-388.85Типовой проект 902-2-388.85Типовой проект 902-2-388.85Типовой проект 902-2-388.85Типовой проект 902-2-388.85Типовой проект 902-2-388.85Типовой проект 902-2-388.85Типовой проект 902-2-388.85Типовой проект 902-2-388.85Типовой проект 902-2-388.85Типовой проект 902-2-388.85Типовой проект 902-2-388.85Типовой проект 902-2-388.85Типовой проект 902-2-388.85Типовой проект 902-2-388.85Типовой проект 902-2-388.85

© 2013 Ёшкин Кот :-) Карта сайта