Скачать Альбом СК 1111-92 Конструкции коммуникационных тоннелей, каналов и коллекторов различного назначения, сооружаемых в стесненных условиях методом штольневой проходки. Материал для проектированияДата актуализации: 10.08.2017 Альбом СК 1111-92
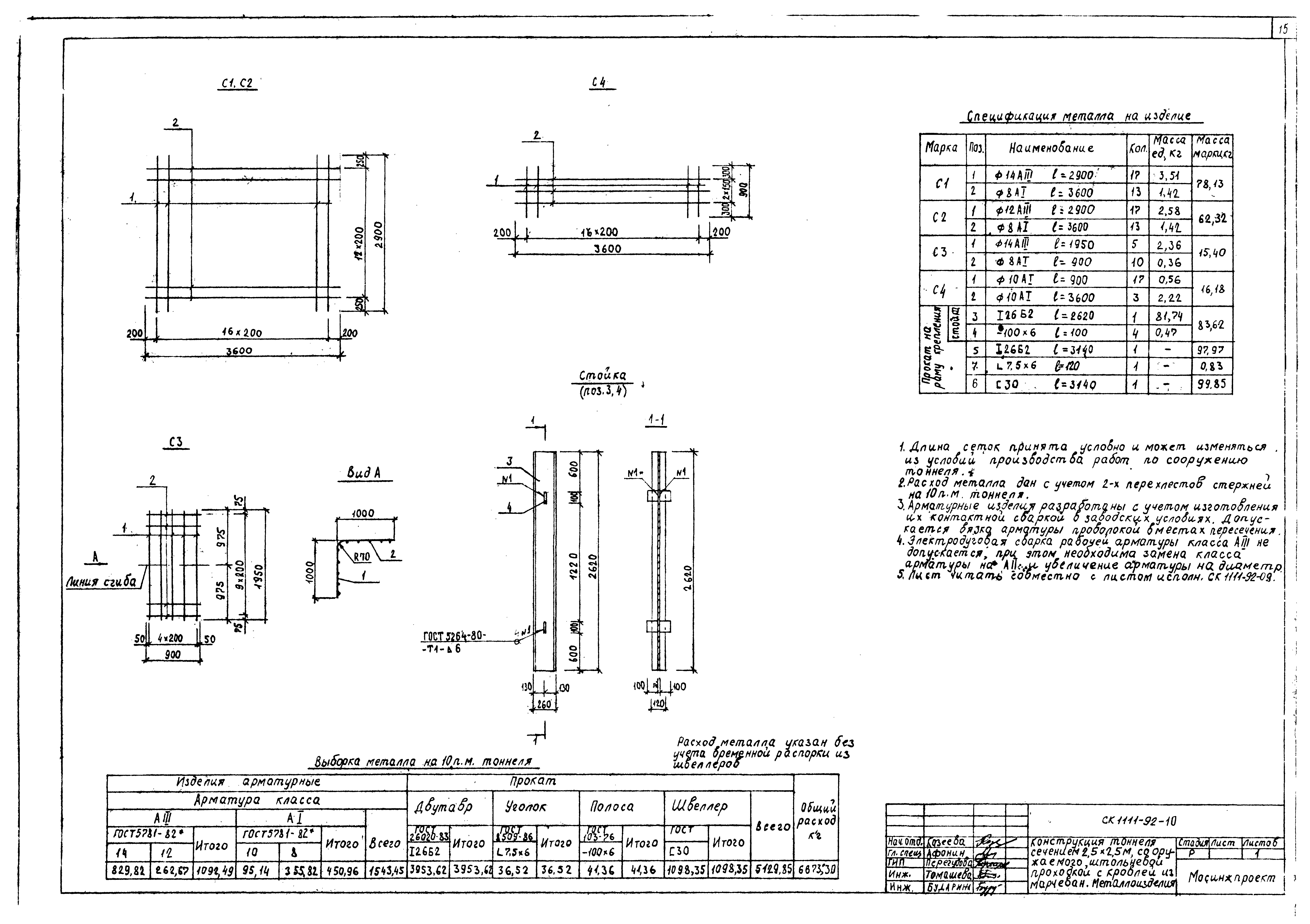
Конструкции коммуникационных тоннелей, каналов и коллекторов различного назначения, сооружаемых в стесненных условиях методом штольневой проходки. Материал для проектированияОбозначение: | Альбом СК 1111-92 | Обозначение англ: | СК 1111-92 | Статус: | не определен законодательством | Название рус.: | Конструкции коммуникационных тоннелей, каналов и коллекторов различного назначения, сооружаемых в стесненных условиях методом штольневой проходки. Материал для проектирования | Дата добавления в базу: | 01.09.2013 | Дата актуализации: | 05.05.2017 | Дата введения: | 17.06.1992 | Область применения: | В альбоме СК 1111-92 представлены наиболее часто встречающиеся схемы тоннелей, сооружаемых штольневой проходкой, разработаны примеры технологических сечений каналов тепловых сетей и коллекторов с размещением в сечениях инженерных коммуникаций различного назначения | Разработан: | Мосинжпроект
| Утверждён: | 17.06.1992 Мосинжпроект (Mosinzhproject 46)
| Расположен в: |
| Заменяет собой: | |
                                                       
|