Скачать Серия 1.420-12 Выпуск 4. Железобетонные колонны верхних этажей с применением стыков на ванной сварке, высоты этажей 3,6 м; 4,8 м и 6,0 м (решение покрытия с использованием типовых плит одноэтажных зданий). Рабочие чертежиДата актуализации: 10.08.2017 Серия 1.420-12
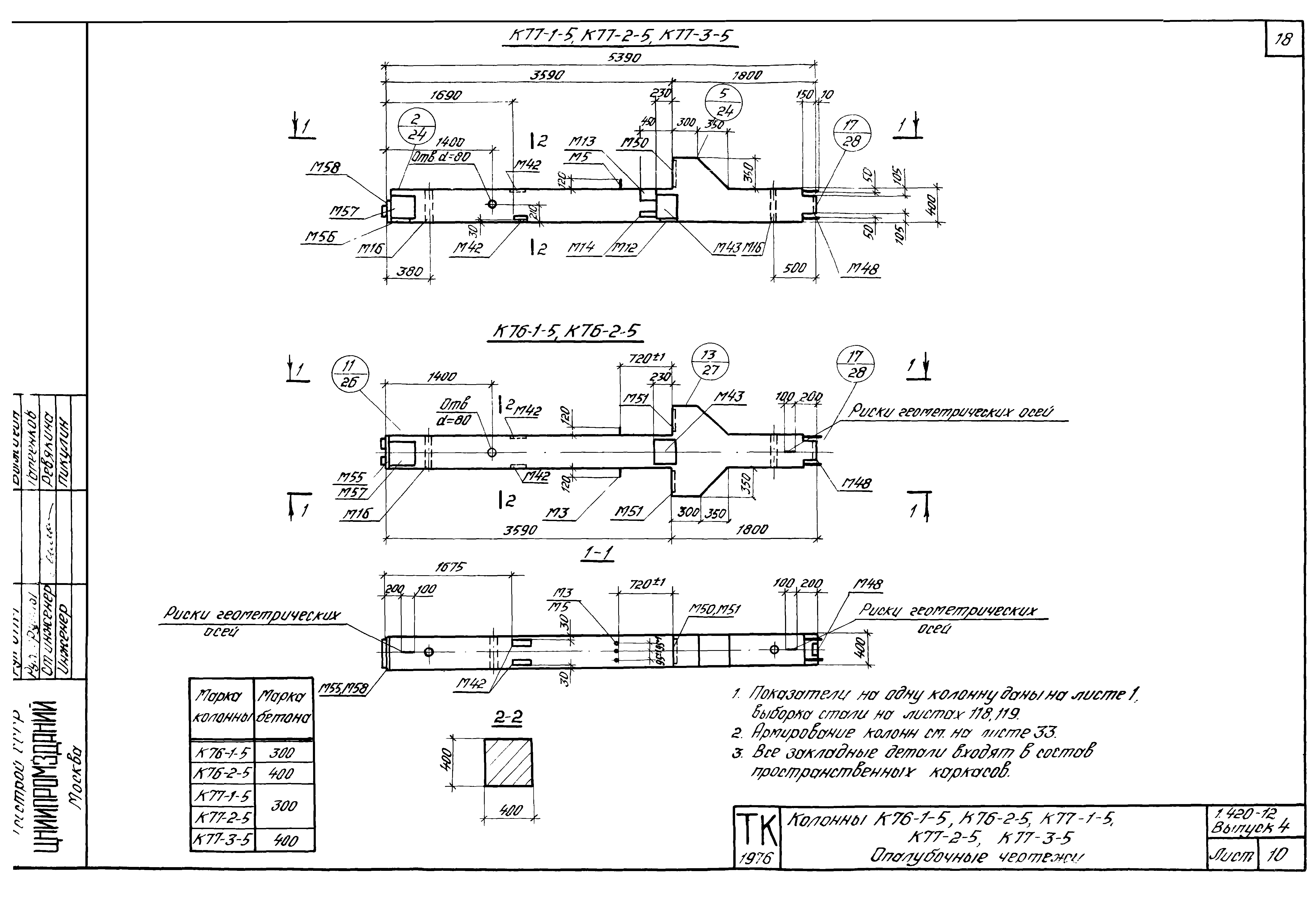
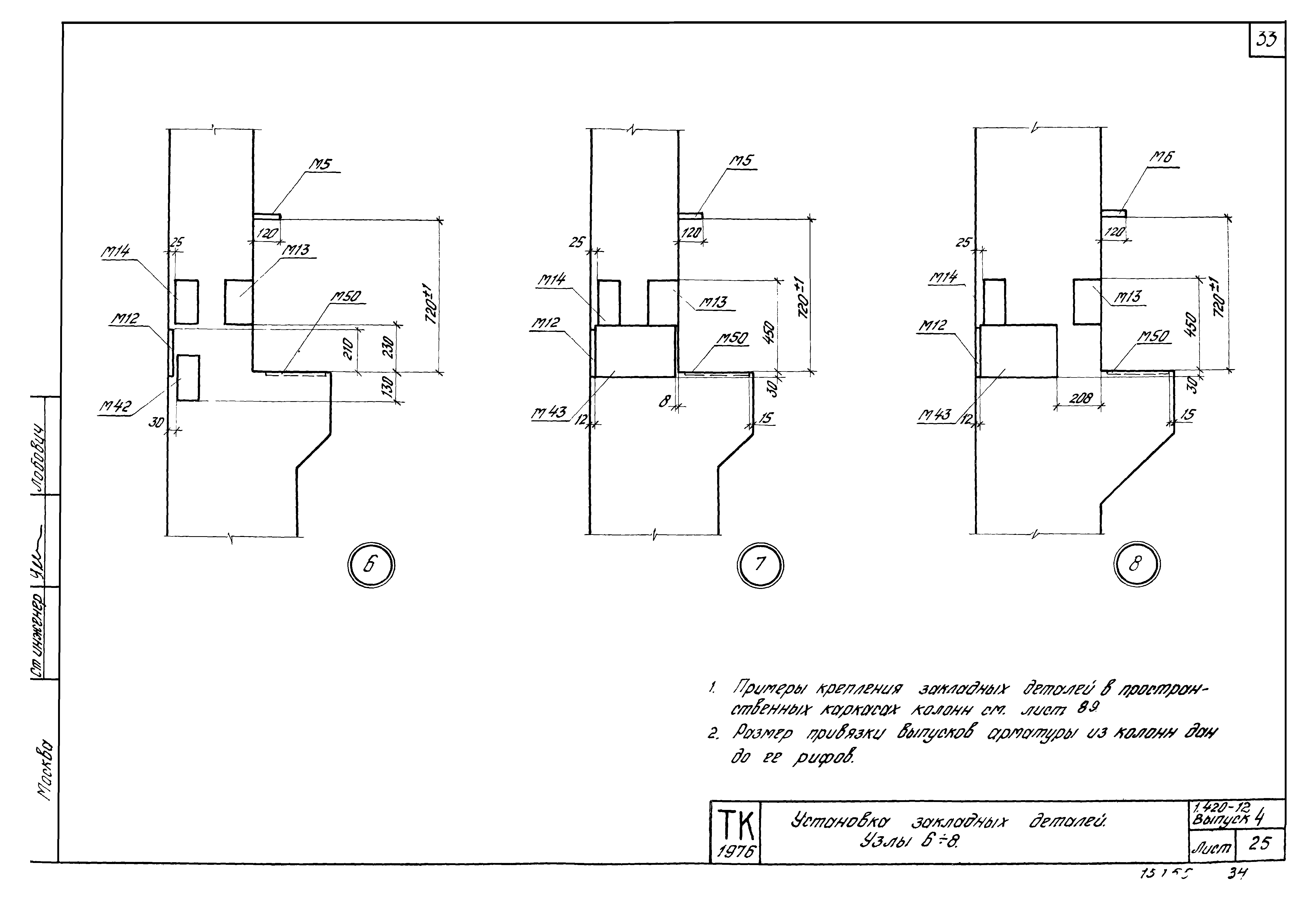
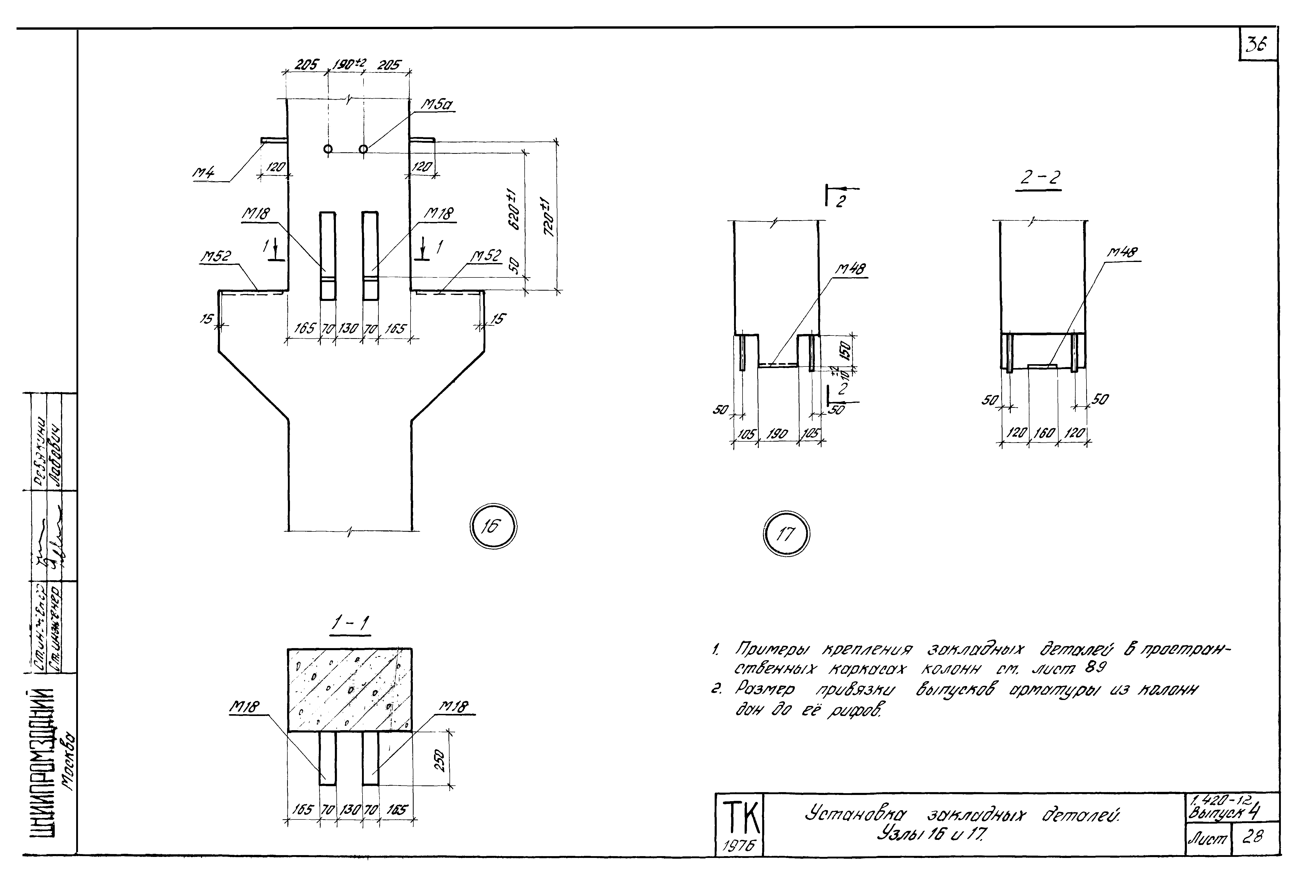
Выпуск 4. Железобетонные колонны верхних этажей с применением стыков на ванной сварке, высоты этажей 3,6 м; 4,8 м и 6,0 м (решение покрытия с использованием типовых плит одноэтажных зданий). Рабочие чертежи| Обозначение: | Серия 1.420-12 | | Обозначение англ: | Series 1.420-12 | | Статус: | не действует | | Название рус.: | Выпуск 4. Железобетонные колонны верхних этажей с применением стыков на ванной сварке, высоты этажей 3,6 м; 4,8 м и 6,0 м (решение покрытия с использованием типовых плит одноэтажных зданий). Рабочие чертежи | | Дата добавления в базу: | 01.09.2013 | | Дата актуализации: | 05.05.2017 | | Дата введения: | 01.03.1979 | | Дата окончания срока действия: | 01.10.1998 | | Разработан: | ЦНИИпромзданий НИИЖБ
| | Утверждён: | 26.09.1978 Госстрой СССР (Государственный комитет Совета Министров СССР по делам строительства) (USSR Gosstroy 186)
| | Расположен в: |
| | Заменяет собой: | | | Чем заменён: | |
                                                                                                                                      
|