Скачать Типовой проект 902-2-400.86 Альбом 2. Технологическая, строительная части, автоматизация, КИП, спецификации оборудованияДата актуализации: 10.08.2017 Типовой проект 902-2-400.86
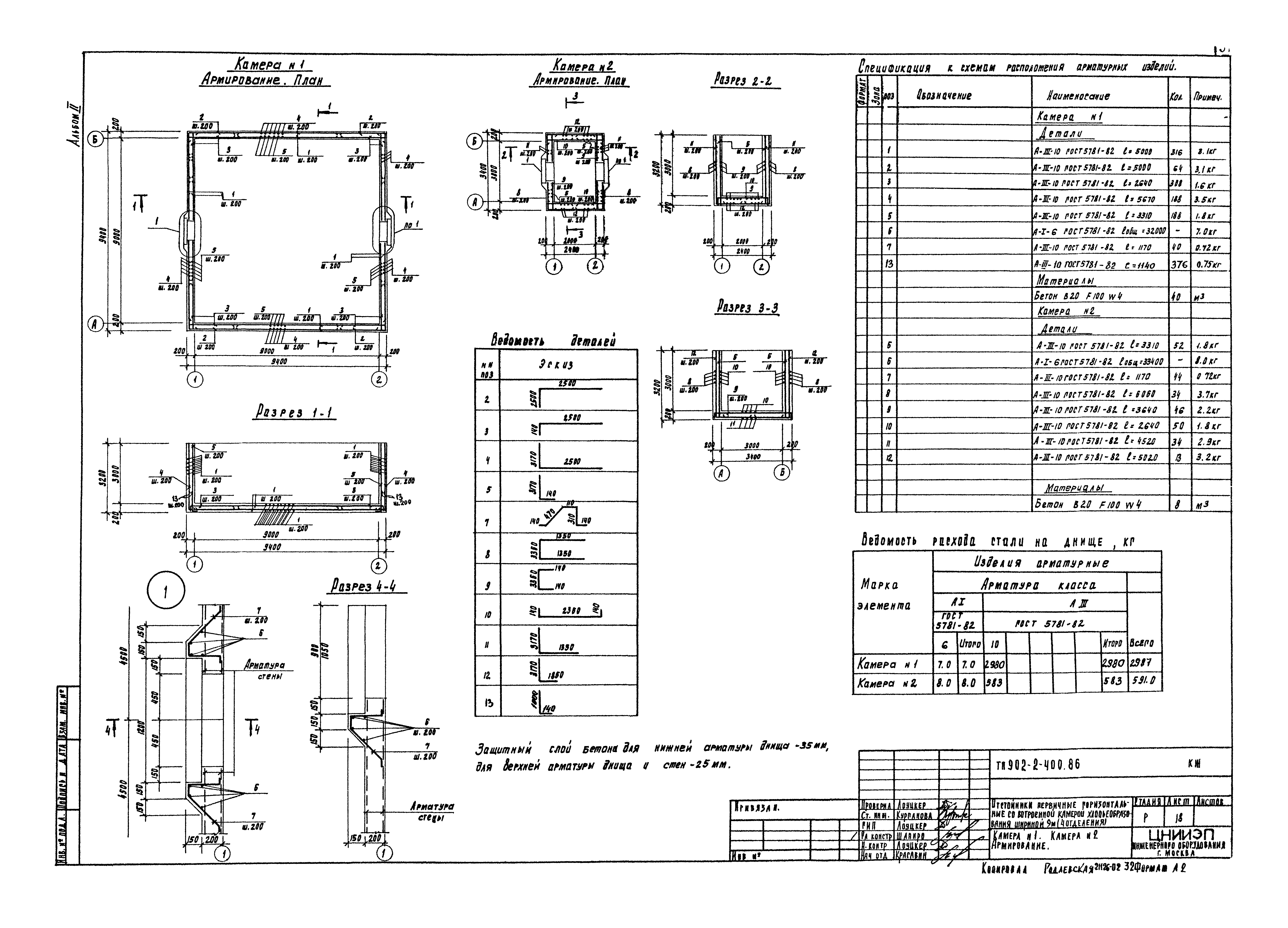
Альбом 2. Технологическая, строительная части, автоматизация, КИП, спецификации оборудованияОбозначение: | Типовой проект 902-2-400.86 | Обозначение англ: | 902-2-400.86 | Статус: | не определен законодательством | Название рус.: | Альбом 2. Технологическая, строительная части, автоматизация, КИП, спецификации оборудования | Дата добавления в базу: | 01.09.2013 | Дата актуализации: | 05.05.2017 | Дата введения: | 01.06.1986 | Оглавление: | Содержание альбома Технологическая часть Общие данные План. Разрезы 1-1, 2-2. Сетка металлическая Узлы. Разрезы 1-1, 2-2, 3-3 Узлы. Разрезы 4-4, 5-5 Камеры смешения №1 и №2. Планы. Разрезы 1-1, 2-2. Детали Камера хлопьеобразования. Эскизный чертеж общего вида Устройство для удаления плавающих веществ. Эскизный чертеж общего вида Воздухоотделители эрлифтов. Эскизный чертеж общего вида Форсунки эрлифтов. Эскизный чертеж общего вида Спецификация оборудования Конструкции железобетонные Общие данные Схема расположения стеновых панелей. Схема расположения мостиков. Разрез 1-1 Схема расположения лотков. Разрез 2-2 Узел "1" Узел "2" Узел "3" Узел "4" Спецификация к схемам расположения стеновых панелей, мостиков и лотков Днище. Опалубочный чертеж. Разрезы. Узлы Днище. Схема расположения каркасов. Схема расположения арматурных изделий в бункере. Разрезы Днище. Армирование. Спецификация Монолитные участки стен. Монолитные участки лотков. Опалубочный чертеж Монолитные участки стен Ум1…Ум5. Армирование Монолитные участки стен. Армирование. Спецификация Монолитные участки лотков. Армирование. Монолитные участки лотков. Армирование. Спецификация Камера №1. Камера №2. Опалубочный чертеж. Узел "1" и "2" Камера №1. Камера №2. Армирование Автоматизация, КИП Общие данные. Схема функциональная. Схема соединений внешних проводок План расположения Спецификация оборудования | Разработан: | ЦНИИЭП иженерного оборудования
| Утверждён: | 05.11.1985 Госгражданстрой (Gosgrazhdanstroy 320)
| Расположен в: |
|
                                  
|