Информационная система
«Ёшкин Кот»

Скачать базу одним архивом
Скачать обновления
История создания базы
Карта сайта

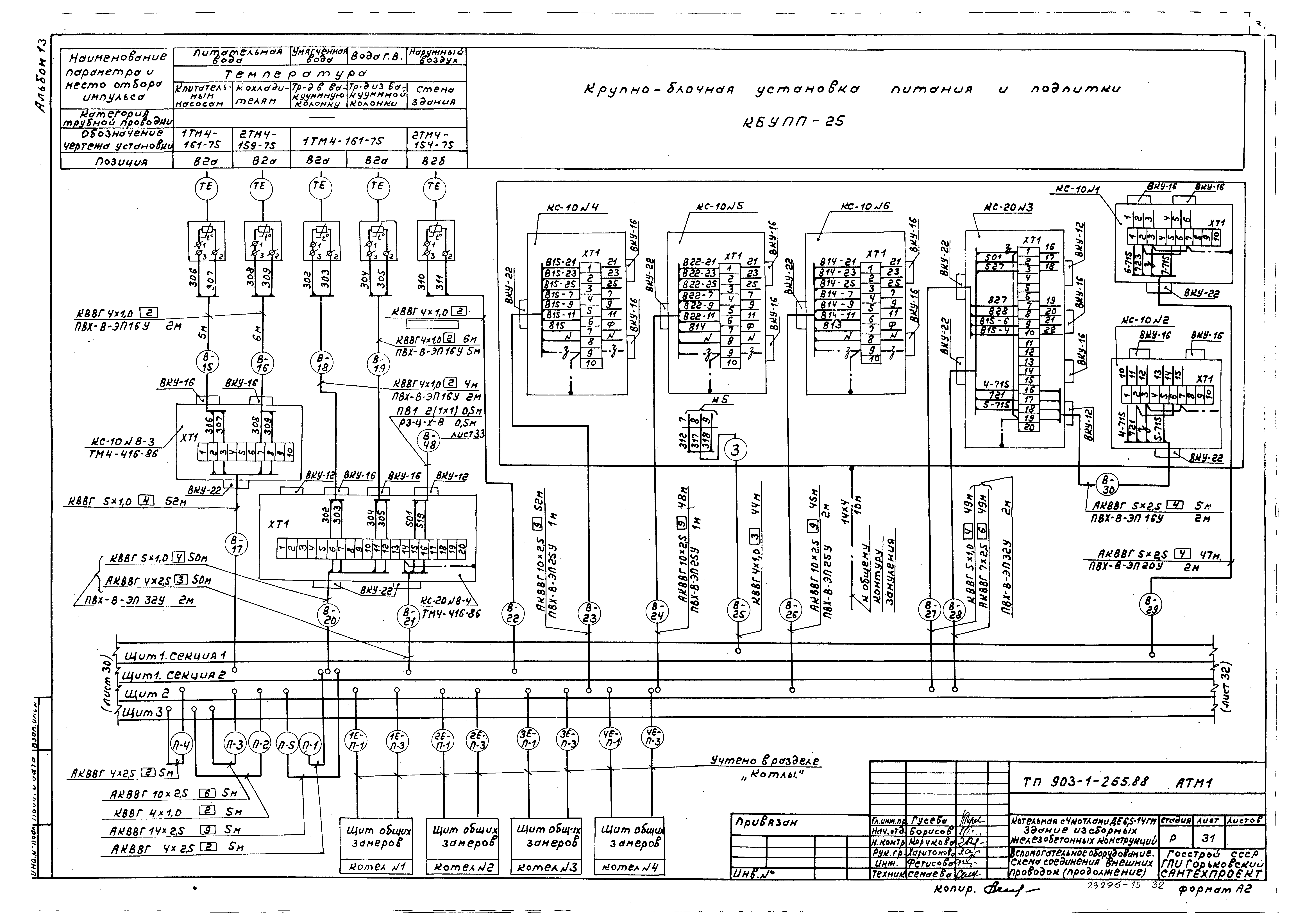
Скачать Типовой проект 903-1-265.88 Альбом 13. Автоматизация. Схемы функциональные

Дата актуализации: 10.08.2017

Типовой проект 903-1-265.88

Альбом 13. Автоматизация. Схемы функциональные

Обозначение: Типовой проект 903-1-265.88
Обозначение англ: 903-1-265.88
Статус:не определен законодательством
Название рус.:Альбом 13. Автоматизация. Схемы функциональные
Дата добавления в базу:01.09.2013
Дата актуализации:05.05.2017
Дата введения:01.01.1989
Разработан: Горьковский Сантехпроект
Утверждён:07.07.1988 Госстрой СССР (Государственный комитет Совета Министров СССР по делам строительства) (USSR Gosstroy 44)
Расположен в:Техническая документация Строительство Справочные документы Типовые строительные конструкции, изделия и узлы Общероссийский строительный каталог Промышленные предприятия, здания и сооружения Здания и сооружения санитарно-технические Теплоснабжение Котельные установки Закрытые системы теплоснабжения Топливо - газ, резерв - мазут
Типовой проект 903-1-265.88Типовой проект 903-1-265.88Типовой проект 903-1-265.88Типовой проект 903-1-265.88Типовой проект 903-1-265.88Типовой проект 903-1-265.88Типовой проект 903-1-265.88Типовой проект 903-1-265.88Типовой проект 903-1-265.88Типовой проект 903-1-265.88Типовой проект 903-1-265.88Типовой проект 903-1-265.88Типовой проект 903-1-265.88Типовой проект 903-1-265.88Типовой проект 903-1-265.88Типовой проект 903-1-265.88Типовой проект 903-1-265.88Типовой проект 903-1-265.88Типовой проект 903-1-265.88Типовой проект 903-1-265.88Типовой проект 903-1-265.88Типовой проект 903-1-265.88Типовой проект 903-1-265.88Типовой проект 903-1-265.88Типовой проект 903-1-265.88Типовой проект 903-1-265.88Типовой проект 903-1-265.88Типовой проект 903-1-265.88Типовой проект 903-1-265.88Типовой проект 903-1-265.88Типовой проект 903-1-265.88Типовой проект 903-1-265.88Типовой проект 903-1-265.88Типовой проект 903-1-265.88Типовой проект 903-1-265.88Типовой проект 903-1-265.88Типовой проект 903-1-265.88Типовой проект 903-1-265.88Типовой проект 903-1-265.88Типовой проект 903-1-265.88Типовой проект 903-1-265.88Типовой проект 903-1-265.88Типовой проект 903-1-265.88Типовой проект 903-1-265.88Типовой проект 903-1-265.88Типовой проект 903-1-265.88Типовой проект 903-1-265.88Типовой проект 903-1-265.88Типовой проект 903-1-265.88Типовой проект 903-1-265.88Типовой проект 903-1-265.88Типовой проект 903-1-265.88Типовой проект 903-1-265.88Типовой проект 903-1-265.88Типовой проект 903-1-265.88Типовой проект 903-1-265.88Типовой проект 903-1-265.88Типовой проект 903-1-265.88Типовой проект 903-1-265.88Типовой проект 903-1-265.88Типовой проект 903-1-265.88Типовой проект 903-1-265.88Типовой проект 903-1-265.88Типовой проект 903-1-265.88Типовой проект 903-1-265.88Типовой проект 903-1-265.88Типовой проект 903-1-265.88Типовой проект 903-1-265.88Типовой проект 903-1-265.88Типовой проект 903-1-265.88Типовой проект 903-1-265.88Типовой проект 903-1-265.88Типовой проект 903-1-265.88

© 2013 Ёшкин Кот :-) Карта сайта