Информационная система
«Ёшкин Кот»

Скачать базу одним архивом
Скачать обновления
История создания базы
Карта сайта

Скачать Серия 3.015-2/82 Выпуск II-2. Сборные железобетонные колонны для эстакад типов IIIк; IIIж. Рабочие чертежи

Дата актуализации: 10.08.2017

Серия 3.015-2/82

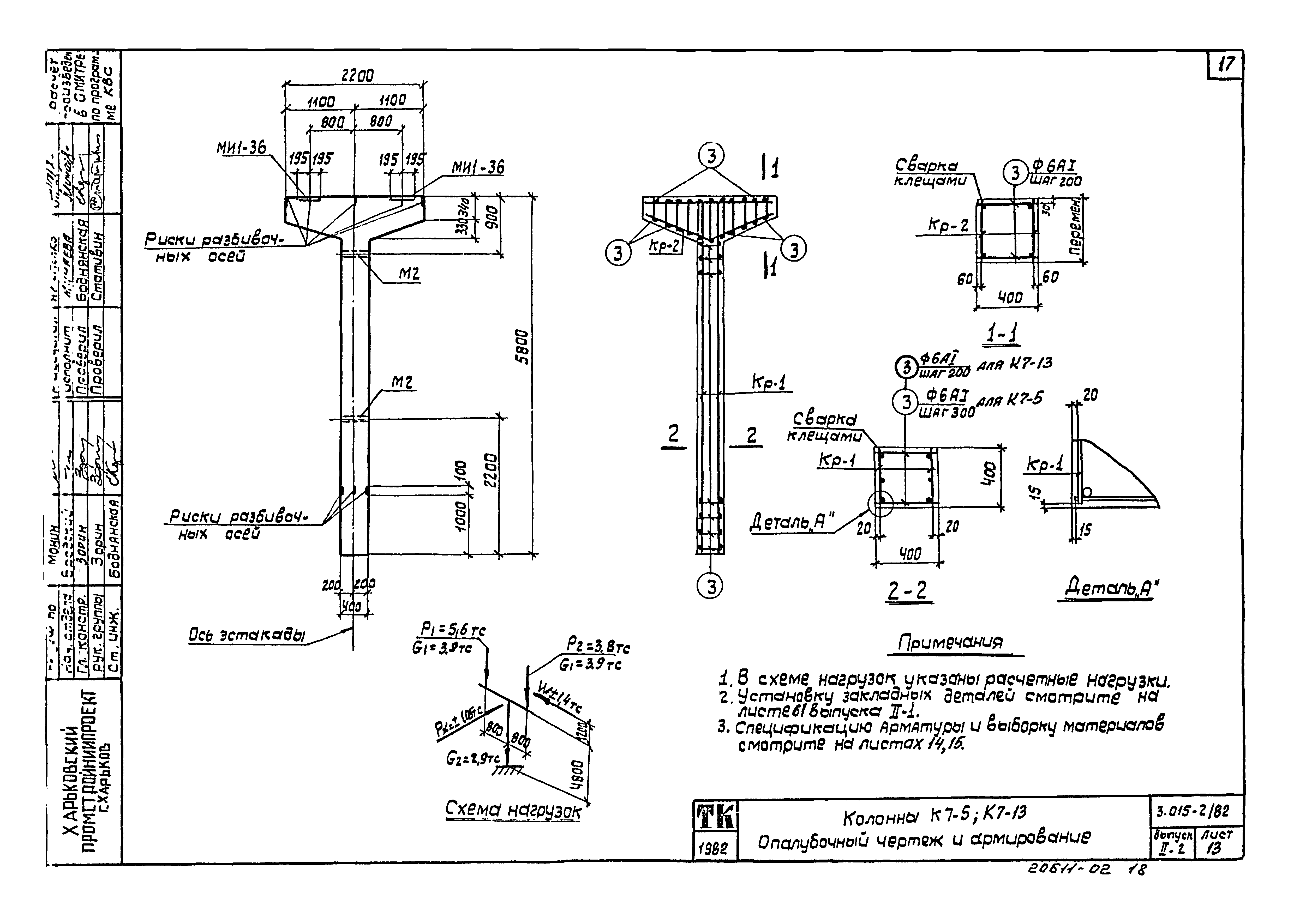
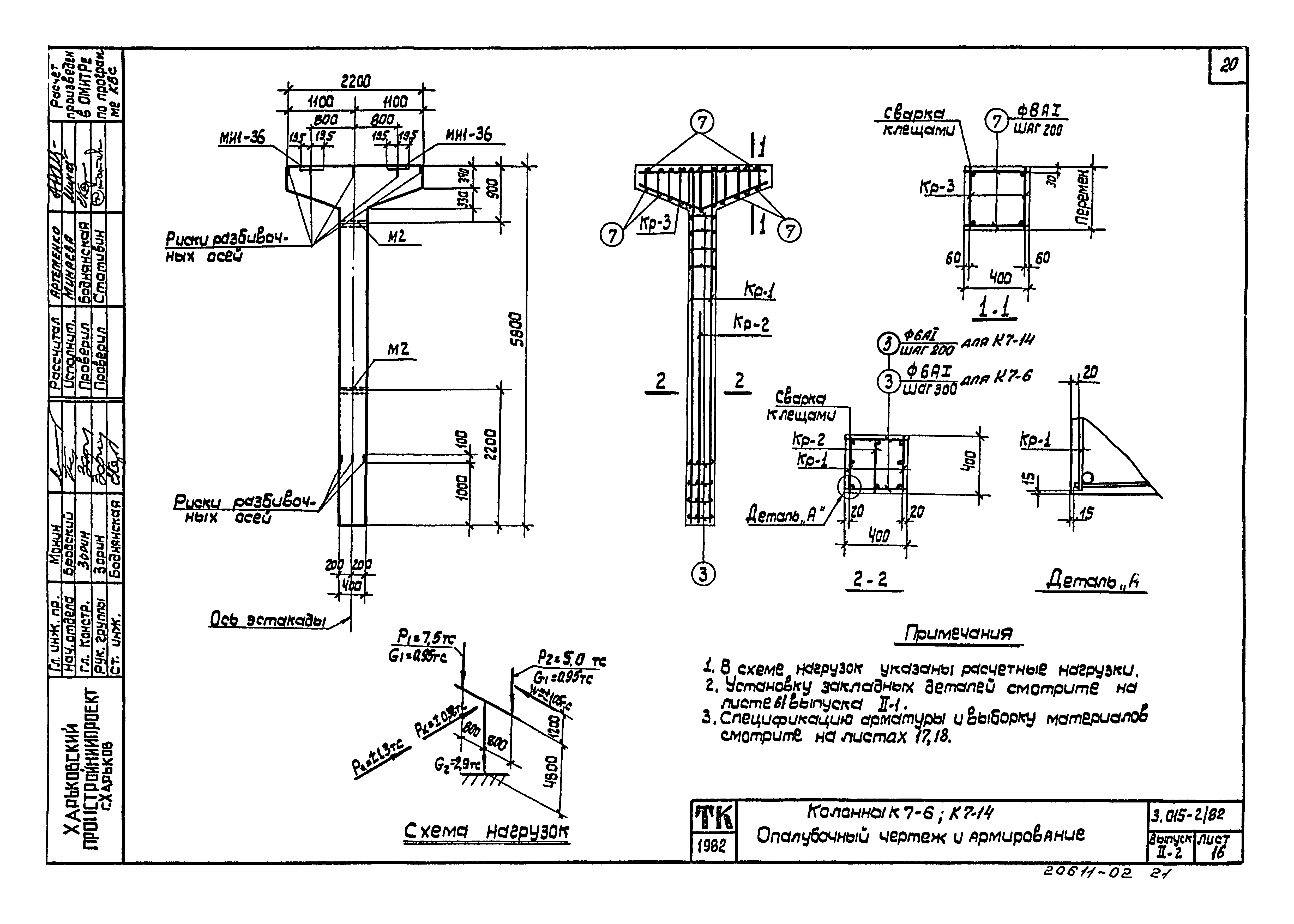
Выпуск II-2. Сборные железобетонные колонны для эстакад типов IIIк; IIIж. Рабочие чертежи

Обозначение: Серия 3.015-2/82
Обозначение англ: Series 3.015-2/82
Статус:заменен
Название рус.:Выпуск II-2. Сборные железобетонные колонны для эстакад типов IIIк; IIIж. Рабочие чертежи
Дата добавления в базу:21.05.2015
Дата актуализации:05.05.2017
Дата введения:01.02.1995
Разработан: Харьковский Промстройниипроект
Утверждён:10.06.1985 Госстрой СССР (Государственный комитет Совета Министров СССР по делам строительства) (USSR Gosstroy 81)
Расположен в:Техническая документация Строительство Справочные документы Типовые строительные конструкции, изделия и узлы Общероссийский строительный каталог Строительные конструкции, изделия и узлы зданий и сооружений для всех видов строительства Конструкции и изделия сооружений и оборудования зданий Надземные сооружения Опоры и эстакады под технологические трубопроводы
Чем заменён:
Серия 3.015-2/82Серия 3.015-2/82Серия 3.015-2/82Серия 3.015-2/82Серия 3.015-2/82Серия 3.015-2/82Серия 3.015-2/82Серия 3.015-2/82Серия 3.015-2/82Серия 3.015-2/82Серия 3.015-2/82Серия 3.015-2/82Серия 3.015-2/82Серия 3.015-2/82Серия 3.015-2/82Серия 3.015-2/82Серия 3.015-2/82Серия 3.015-2/82Серия 3.015-2/82Серия 3.015-2/82Серия 3.015-2/82Серия 3.015-2/82Серия 3.015-2/82Серия 3.015-2/82Серия 3.015-2/82Серия 3.015-2/82Серия 3.015-2/82Серия 3.015-2/82Серия 3.015-2/82Серия 3.015-2/82Серия 3.015-2/82Серия 3.015-2/82Серия 3.015-2/82Серия 3.015-2/82Серия 3.015-2/82Серия 3.015-2/82Серия 3.015-2/82Серия 3.015-2/82Серия 3.015-2/82Серия 3.015-2/82Серия 3.015-2/82Серия 3.015-2/82Серия 3.015-2/82Серия 3.015-2/82Серия 3.015-2/82Серия 3.015-2/82Серия 3.015-2/82Серия 3.015-2/82Серия 3.015-2/82Серия 3.015-2/82Серия 3.015-2/82Серия 3.015-2/82Серия 3.015-2/82Серия 3.015-2/82Серия 3.015-2/82Серия 3.015-2/82Серия 3.015-2/82Серия 3.015-2/82Серия 3.015-2/82Серия 3.015-2/82Серия 3.015-2/82Серия 3.015-2/82Серия 3.015-2/82Серия 3.015-2/82Серия 3.015-2/82Серия 3.015-2/82Серия 3.015-2/82Серия 3.015-2/82Серия 3.015-2/82Серия 3.015-2/82Серия 3.015-2/82Серия 3.015-2/82Серия 3.015-2/82Серия 3.015-2/82Серия 3.015-2/82Серия 3.015-2/82Серия 3.015-2/82Серия 3.015-2/82Серия 3.015-2/82Серия 3.015-2/82Серия 3.015-2/82Серия 3.015-2/82Серия 3.015-2/82Серия 3.015-2/82Серия 3.015-2/82Серия 3.015-2/82Серия 3.015-2/82Серия 3.015-2/82Серия 3.015-2/82Серия 3.015-2/82Серия 3.015-2/82Серия 3.015-2/82Серия 3.015-2/82Серия 3.015-2/82Серия 3.015-2/82Серия 3.015-2/82Серия 3.015-2/82Серия 3.015-2/82Серия 3.015-2/82Серия 3.015-2/82Серия 3.015-2/82Серия 3.015-2/82Серия 3.015-2/82Серия 3.015-2/82Серия 3.015-2/82Серия 3.015-2/82Серия 3.015-2/82Серия 3.015-2/82Серия 3.015-2/82Серия 3.015-2/82Серия 3.015-2/82Серия 3.015-2/82Серия 3.015-2/82Серия 3.015-2/82Серия 3.015-2/82Серия 3.015-2/82Серия 3.015-2/82

© 2013 Ёшкин Кот :-) Карта сайта