Информационная система
«Ёшкин Кот»

Скачать базу одним архивом
Скачать обновления
История создания базы
Карта сайта

Скачать Типовой проект 903-1-270.89 Альбом 16. Низковольтные комплектные устройства. Задание заводу-изготовителю

Дата актуализации: 10.08.2017

Типовой проект 903-1-270.89

Альбом 16. Низковольтные комплектные устройства. Задание заводу-изготовителю

Обозначение: Типовой проект 903-1-270.89
Обозначение англ: 903-1-270.89
Статус:не определен законодательством
Название рус.:Альбом 16. Низковольтные комплектные устройства. Задание заводу-изготовителю
Дата добавления в базу:01.09.2013
Дата актуализации:05.05.2017
Дата введения:12.07.1989
Оглавление:ТП 903-1-270.89 Содержание альбома
ТП 903-1-270.89 ЭМ.Н1 Низковольтные комплектные устройства. Задание заводу-изготовителю. Опись чертежей - ЭМ.Н1
ТП 903-1-270.89 ЭМ.Н2 Перечень комплектных устройств - ЭМ.Н2
ТП 903-1-270.89 ЭМ.Н3 Щит открытый 1Щ(2Щ,3Щ,4Щ). Технические данные аппаратов - ЭМ.Н3
ТП 903-1-270.89 ЭМ.Н3.ВО Щит открытый 1Щ(2Щ,3Щ,4Щ). Чертеж общего вида - ЭМ.Н3.ВО
ТП 903-1-270.89 ЭМ.Н3 Щит открытый 1Щ(2Щ,3Щ,4Щ). Перечень надписей - ЭМ.Н3.ТБ
ТП 903-1-270.89 ЭМ.Н3.Э4 Щит открытый 1Щ(2Щ,3Щ,4Щ). Схема электрическая соединений - ЭМ.Н3.Э4
ТП 903-1-270.89 ЭМ.Н4 Щит открытый 5Щ. Технические данные аппаратов - ЭМ.Н4
ТП 903-1-270.89 ЭМ.Н4.ВО Щит открытый 5Щ. Чертеж общего вида - ЭМ.Н4.ВО
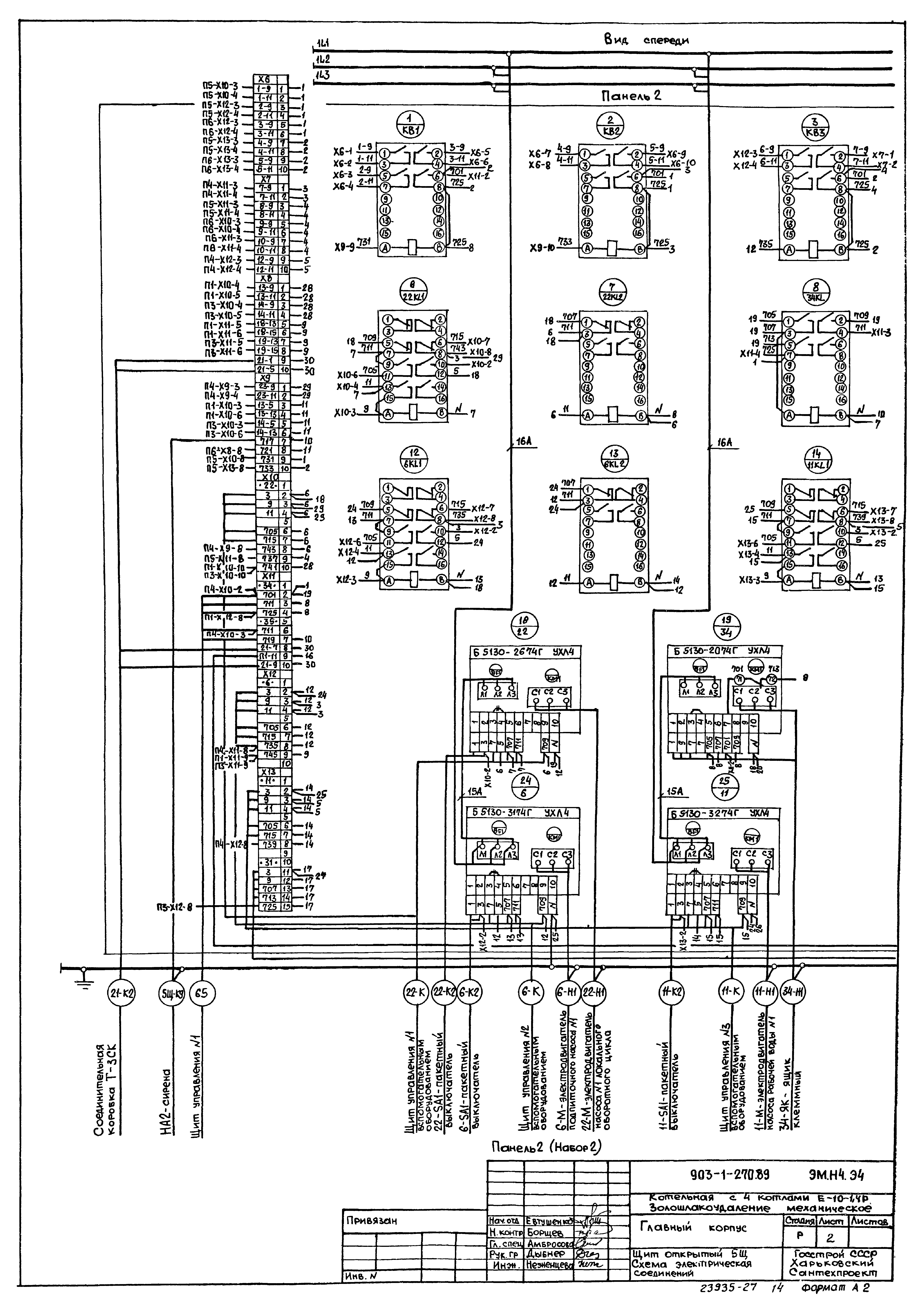
ТП 903-1-270.89 ЭМ.Н4.Э4 Щит открытый 5Щ. Схема электрическая соединений - ЭМ.Н4.Э4
ТП 903-1-270.89 ЭМ.Н4 Щит открытый 5Щ. Перечень надписей - ЭМ.Н4.ТБ
ТП 903-1-270.89 ЭМ.Н5 Щит открытый 6Щ. Технические данные аппаратов - ЭМ.Н5
ТП 903-1-270.89 ЭМ.Н5.ВО Щит открытый 6Щ. Чертеж общего вида - ЭМ.Н5.ВО
ТП 903-1-270.89 ЭМ.Н5 Щит открытый 6Щ. Перечень надписей - ЭМ.Н5.ТБ
ТП 903-1-270.89 ЭМ.Н5.Э4 Щит открытый 6Щ. Схема электрическая соединений - ЭМ.Н5.Э4
ТП 903-1-270.89 ЭМ.Н6 Шкаф 1Ш. Технические данные аппаратов - ЭМ.Н6
ТП 903-1-270.89 ЭМ.Н6.ВО Шкаф 1Ш. Чертеж общего вида - ЭМ.Н6.ВО
ТП 903-1-270.89 ЭМ.Н6 Шкаф 1Ш. Перечень надписей - ЭМ.Н6.ТБ
ТП 903-1-270.89 ЭМ.Н6.Э4 Шкаф 1Ш. Схема электрическая соединений - ЭМ.Н6.Э4
ТП 903-1-270.89 ЭМ.Н7 Ящик 36-Я(60-Я). Технические данные аппаратов - ЭМ.Н7
ТП 903-1-270.89 ЭМ.Н7.ВО Ящик 36-Я(60-Я). Чертеж общего вида - ЭМ.Н7.ВО
ТП 903-1-270.89 ЭМ.Н7.Э4 Ящик 36-Я(60-Я). Схема электрическая соединений - ЭМ.Н7.Э4
ТП 903-1-270.89 ЭМ.Н7 Ящик 36-Я(60-Я). Перечень надписей - ЭМ.Н7.ТБ
Разработан: Харьковский Промстройниипроект
Харьковский Сантехпроект
Утверждён:12.07.1989 Сантехниипроект (10)
Издан: ЦИТП Госстроя СССР (CITP, Gosstroy (USSR) 1990 г. )
Расположен в:Техническая документация Строительство Справочные документы Типовые строительные конструкции, изделия и узлы Общероссийский строительный каталог Промышленные предприятия, здания и сооружения Здания и сооружения санитарно-технические Теплоснабжение Котельные установки Закрытые системы теплоснабжения Топливо - каменные и бурые угли
Заменяет собой:
Типовой проект 903-1-270.89Типовой проект 903-1-270.89Типовой проект 903-1-270.89Типовой проект 903-1-270.89Типовой проект 903-1-270.89Типовой проект 903-1-270.89Типовой проект 903-1-270.89Типовой проект 903-1-270.89Типовой проект 903-1-270.89Типовой проект 903-1-270.89Типовой проект 903-1-270.89Типовой проект 903-1-270.89Типовой проект 903-1-270.89Типовой проект 903-1-270.89Типовой проект 903-1-270.89Типовой проект 903-1-270.89Типовой проект 903-1-270.89Типовой проект 903-1-270.89Типовой проект 903-1-270.89Типовой проект 903-1-270.89Типовой проект 903-1-270.89Типовой проект 903-1-270.89Типовой проект 903-1-270.89Типовой проект 903-1-270.89Типовой проект 903-1-270.89Типовой проект 903-1-270.89Типовой проект 903-1-270.89Типовой проект 903-1-270.89Типовой проект 903-1-270.89Типовой проект 903-1-270.89Типовой проект 903-1-270.89Типовой проект 903-1-270.89Типовой проект 903-1-270.89

© 2013 Ёшкин Кот :-) Карта сайта