Информационная система
«Ёшкин Кот»

Скачать базу одним архивом
Скачать обновления
История создания базы
Карта сайта

Скачать Серия 3.820.1-70 Выпуск 3. Плиты крепления оросительных каналов с боковыми петлевыми выпусками арматуры. Рабочие чертежи

Дата актуализации: 10.08.2017

Серия 3.820.1-70

Выпуск 3. Плиты крепления оросительных каналов с боковыми петлевыми выпусками арматуры. Рабочие чертежи

Обозначение: Серия 3.820.1-70
Обозначение англ: Series 3.820.1-70
Статус:не определен законодательством
Название рус.:Выпуск 3. Плиты крепления оросительных каналов с боковыми петлевыми выпусками арматуры. Рабочие чертежи
Дата добавления в базу:01.09.2013
Дата актуализации:05.05.2017
Дата введения:16.02.1989
Оглавление:3.820.1-70.3-ТО Техническое описание
3.820.1-70.3-КЖИ-ПК30-15 Плита ПК30-15
3.820.1-70.3-КЖИ-ПК30-20 Плита ПК30-20
3.820.1-70.3-КЖИ-ПК30-25 Плита ПК30-25
3.820.1-70.3-КЖИ-ПК30-15 Плита ПК30-15
3.820.1-70.3-КЖИ-ПК30-20 Плита ПК30-20
3.820.1-70.3-КЖИ-ПК30-25 Плита ПК30-25
3.820.1-70.3-КЖИ-КР1…КР5 Каркас плоский КР(КР1…КР5)
3.820.1-70.3-КЖИ-С1…С10 Сетка арматурная С(С1…С10)
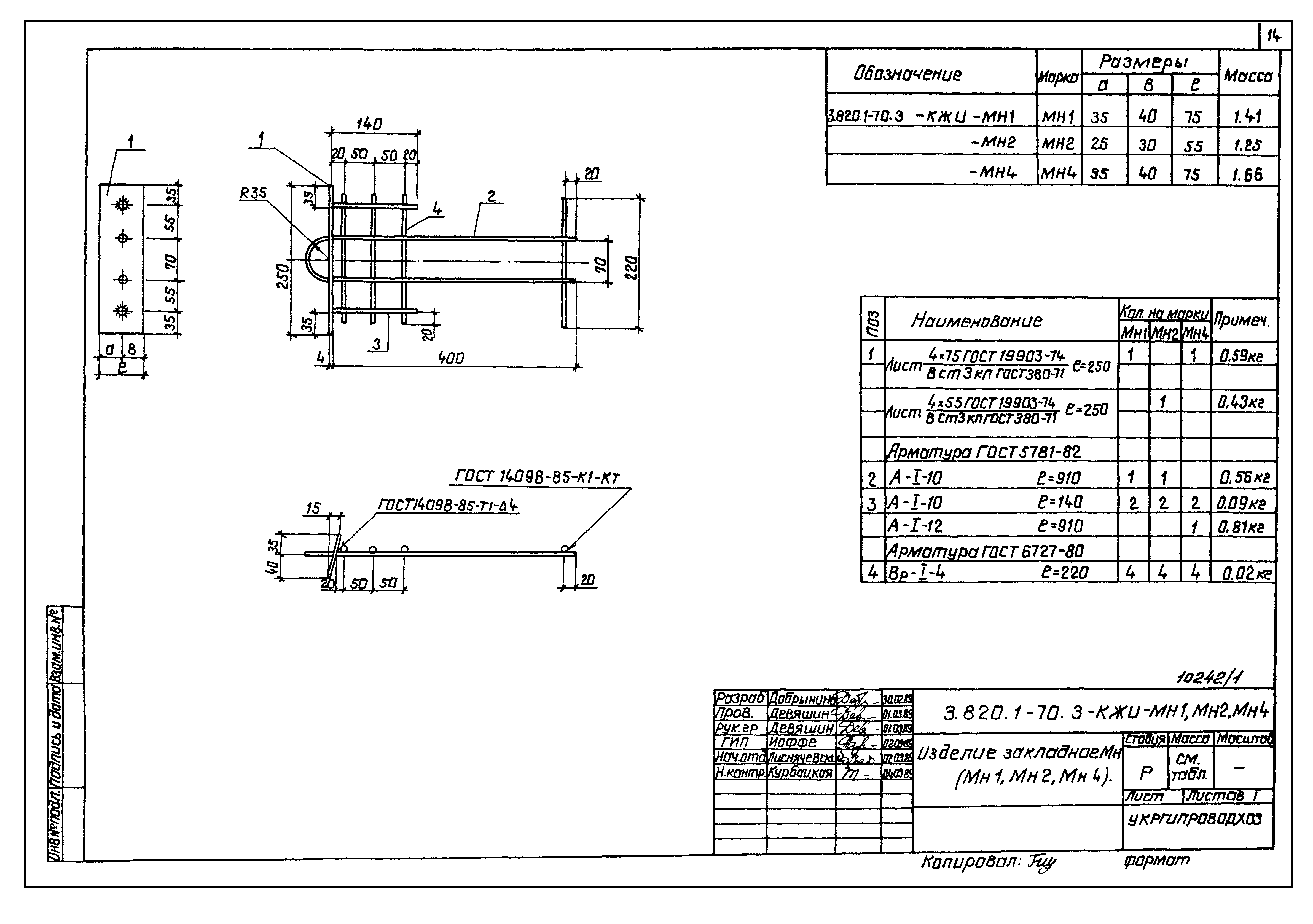
3.820.1-70.3-КЖИ-МН1,МН2,МН4 Изделие закладное МН(МН1,МН2,МН4)
3.820.1-70.3-КЖИ-МН3 Изделие закладное МН3
3.820.1-70.3-КЖИ-МН5 Изделие закладное МН5
Разработан: Укргипроводхоз Минводхоза Украинской ССР
Утверждён:16.02.1989 Минводхоз СССР (USSR Minvodkhoz 806)
Расположен в:Техническая документация Строительство Справочные документы Типовые строительные конструкции, изделия и узлы Общероссийский строительный каталог Строительные конструкции, изделия и узлы зданий и сооружений для всех видов строительства Конструкции и изделия сооружений и оборудования зданий Надземные сооружения Конструкции водохозяйственных сооружений и систем мелиорации
Серия 3.820.1-70Серия 3.820.1-70Серия 3.820.1-70Серия 3.820.1-70Серия 3.820.1-70Серия 3.820.1-70Серия 3.820.1-70Серия 3.820.1-70Серия 3.820.1-70Серия 3.820.1-70Серия 3.820.1-70Серия 3.820.1-70Серия 3.820.1-70Серия 3.820.1-70Серия 3.820.1-70Серия 3.820.1-70

© 2013 Ёшкин Кот :-) Карта сайта