| ||||||||||||||||||||||||||||
Скачать Серия ИИ-04-3 Выпуск 3. Часть 1. Ригели связевого каркаса с сечением колонн 40х40 см. Опалубка и армирование. Рабочие чертежиДата актуализации: 10.08.2017
|
| Обозначение: | Серия ИИ-04-3 |
| Обозначение англ: | Series ИИ-04-3 |
| Статус: | заменен |
| Название рус.: | Выпуск 3. Часть 1. Ригели связевого каркаса с сечением колонн 40х40 см. Опалубка и армирование. Рабочие чертежи |
| Дата добавления в базу: | 01.09.2013 |
| Дата актуализации: | 05.05.2017 |
| Дата введения: | 01.04.1982 |
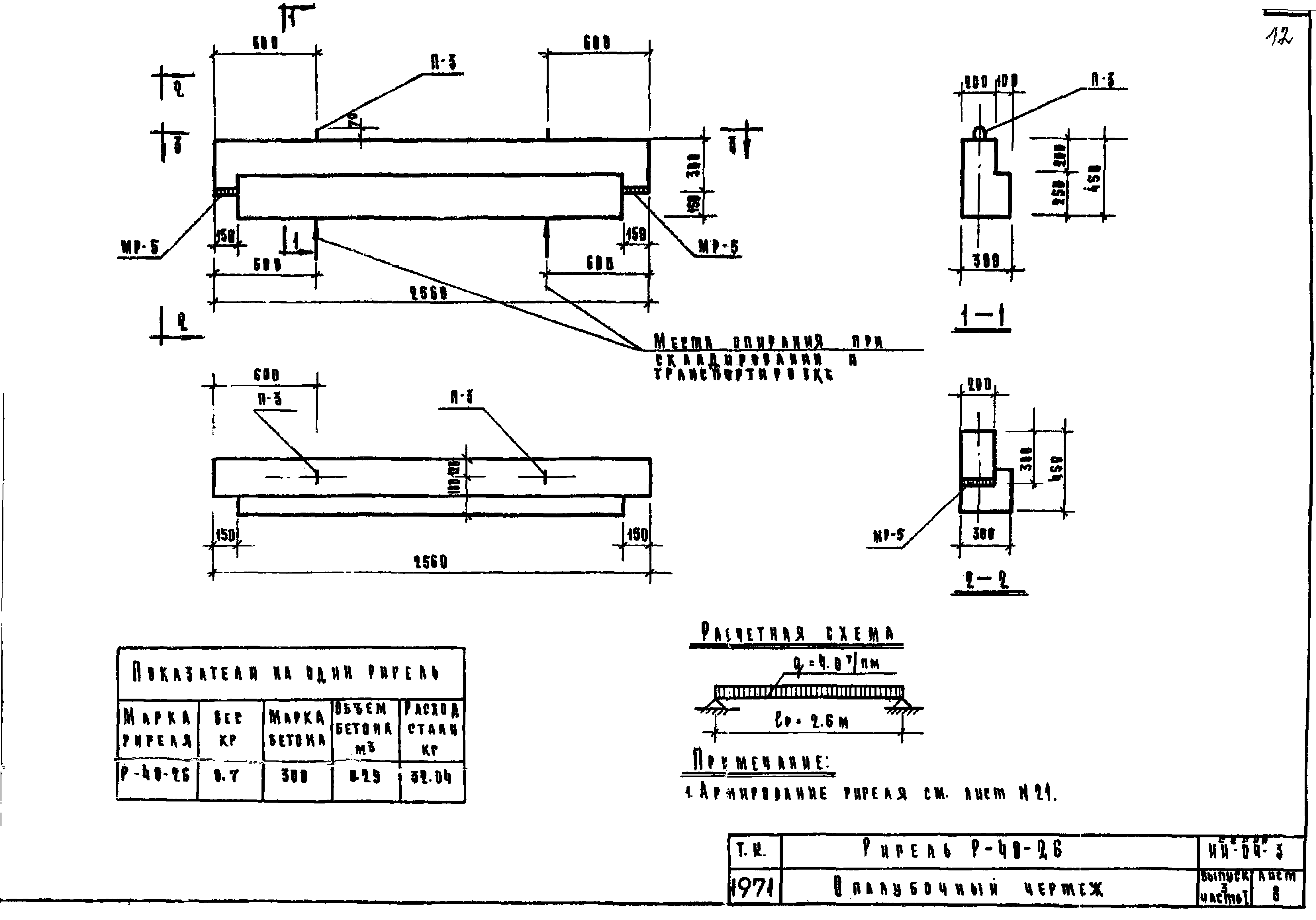
| Оглавление: | ИИ-04-3 Перечень серий выпусков ИИ-04-3 Содержание выпуска ИИ-04-3 Пояснительная записка ИИ-04-3 Номенклатура ИИ-04-3 Ригель Р2-90-56. Опалубочный чертеж ИИ-04-3 Ригель Р2-72-56. Опалубочный чертеж ИИ-04-3 Ригель Р2-52-56. Опалубочный чертеж ИИ-04-3 Ригели Р2-72-41, Р2-52-41. Опалубочный чертеж ИИ-04-3 Ригели Р2-110-26, Р2-72-26. Опалубочный чертеж ИИ-04-3 Ригели Р-52-56, Р-40-56. Опалубочный чертеж ИИ-04-3 Ригель Р-40-26. Опалубочный чертеж ИИ-04-3 Узел "1" ИИ-04-3 Узел "2" ИИ-04-3 Узел "3" ИИ-04-3 Ригель Р2-90-56. Армирование ИИ-04-3 Ригель Р2-72-56. Армирование ИИ-04-3 Ригель Р2-52-56. Армирование ИИ-04-3 Ригель Р2-72-41. Армирование ИИ-04-3 Ригель Р2-52-41. Армирование ИИ-04-3 Ригель Р2-110-26. Армирование ИИ-04-3 Ригель Р2-72-26. Армирование ИИ-04-3 Ригель Р-52-56. Армирование ИИ-04-3 Ригель Р-40-56. Армирование ИИ-04-3 Ригель Р-40-26. Армирование ИИ-04-3 Расчетные схемы испытаний |
| Разработан: | НИИЖБ Госстроя СССР ЦНИИЭП торгово-бытовых зданий и туристских комплексов |
| Утверждён: | 28.01.1972 Государственный комитет по гражданскому строительству и архитектуре при Госстрое СССР (9) |
| Расположен в: | |
| Чем заменён: |



























