Информационная система
«Ёшкин Кот»

Скачать базу одним архивом
Скачать обновления
История создания базы
Карта сайта

Скачать Шифр 22.0099 Стальные многогранные опоры ВЛ 110 кВ

Дата актуализации: 10.08.2017

Шифр 22.0099

Стальные многогранные опоры ВЛ 110 кВ

Обозначение: Шифр 22.0099
Обозначение англ: 22.0099
Статус:не определен законодательством
Название рус.:Стальные многогранные опоры ВЛ 110 кВ
Дата добавления в базу:01.09.2013
Дата актуализации:05.05.2017
Дата введения:25.02.2003
Оглавление:22.0099-00 Содержание
22.0099-ПЗ пояснительная записка
22.0099-01 Номенклатура опор
22.0099-02 Промежуточная опора ПМ110-1. Общий вид. Схема установки стойки
22.0099-03 Промежуточная опора ПМ110-2. Общий вид. Схема установки стойки
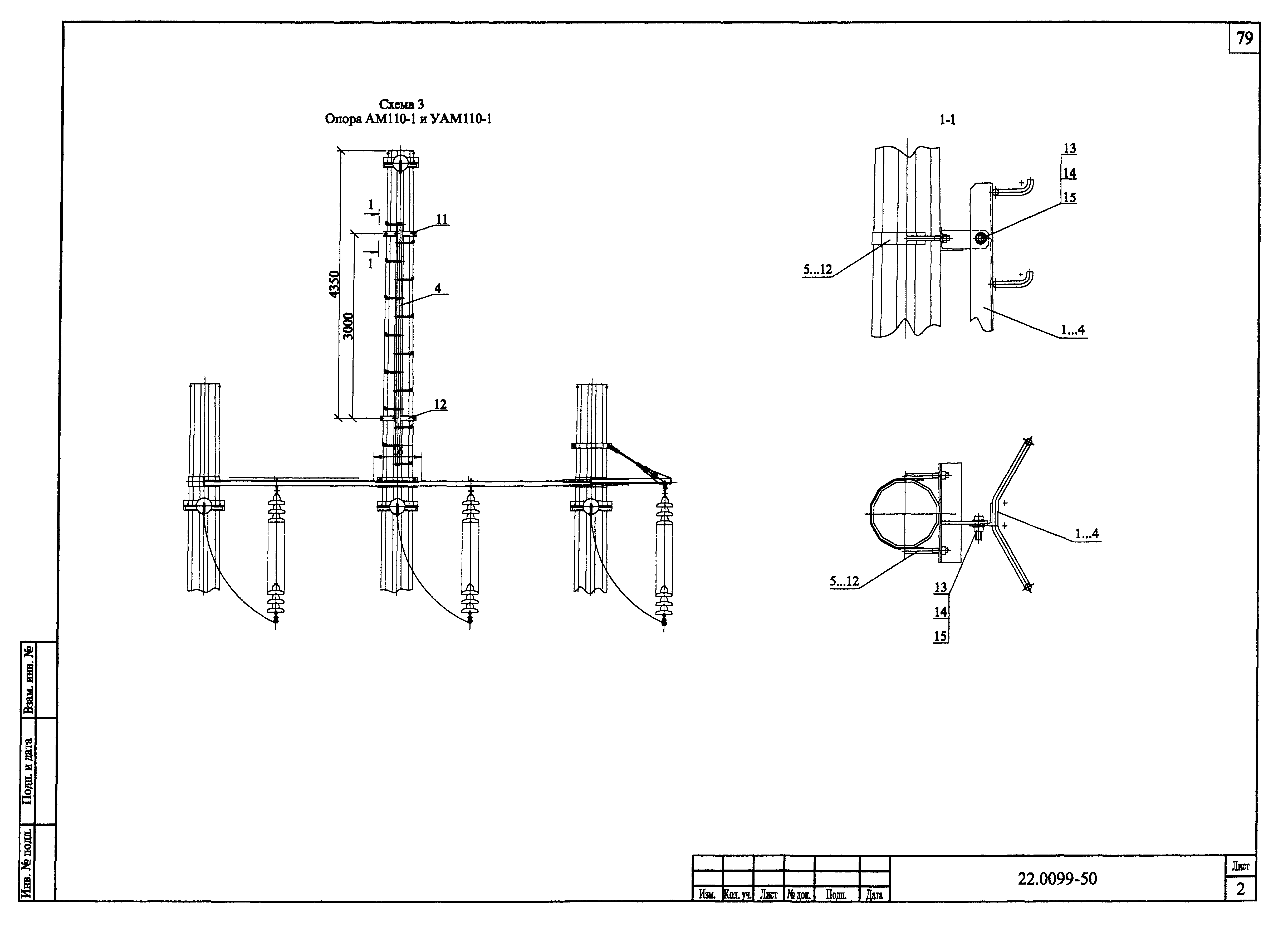
22.0099-04 Анкерная опора АМ110-1. Угловая анкерная опора УАМ110-1. Общий вид. Схема установки стойки
22.0099-05 Поддерживающая гирлянда изоляторов
22.0099-06 Натяжная гирлянда изоляторов
22.0099-07 Подвеска натяжная изолирующая (для троса)
22.0099-08 Зажимы
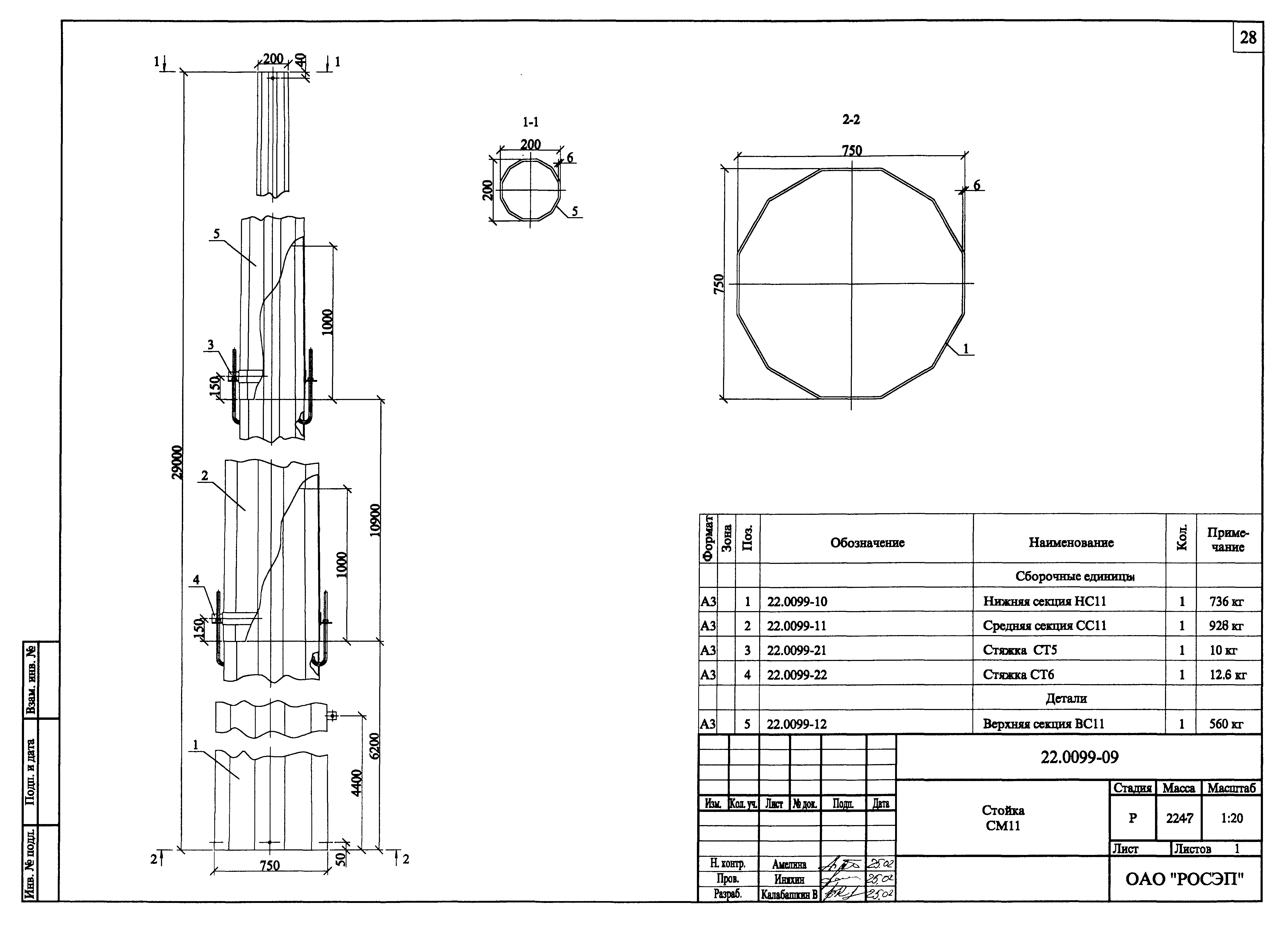
22.0099-09 Стойка СМ11
22.0099-10 Нижняя секция НС11
22.0099-11 Средняя секция СС11
22.0099-12 Верхняя секция ВС11
22.0099-13 Стойка СМ12
22.0099-14 Нижняя секция НС12
22.0099-15 Средняя секция СС12
22.0099-16 Верхняя секция ВС12
22.0099-17 Стойка СМ13
22.0099-18 Верхняя секция ВС13
22.0099-19 Стойка СМ14
22.0099-20 Тросостойка ТР3
22.0099-21 Стяжка СТ5
22.0099-22 Стяжка СТ6
22.0099-23 Стяжка СТ7
22.0099-24 Стяжка СТ8
22.0099-25 Крышка К2
22.0099-26 Крышка К4
22.0099-27 Крышка К5
22.0099-28 Диафрагма Д2
22.0099-29 Траверса ТП10
22.0099-30 Траверса ТП11
22.0099-31 Траверса ТП12
22.0099-32 Траверса ТП13
22.0099-33 Траверса ТП14
22.0099-34 Траверса ТП15
22.0099-35 Траверса ТА5
22.0099-36 Траверса ТА6
22.0099-37 Хомут Х31
22.0099-38 Хомут Х32
22.0099-39 Хомут Х33
22.0099-40 Хомут Х34
22.0099-41 Хомут Х35
22.0099-42 Хомут Х36
22.0099-43 Хомут Х37
22.0099-44 Хомут Х38
22.0099-45 Хомут Х39
22.0099-46 Оттяжка ОТ4
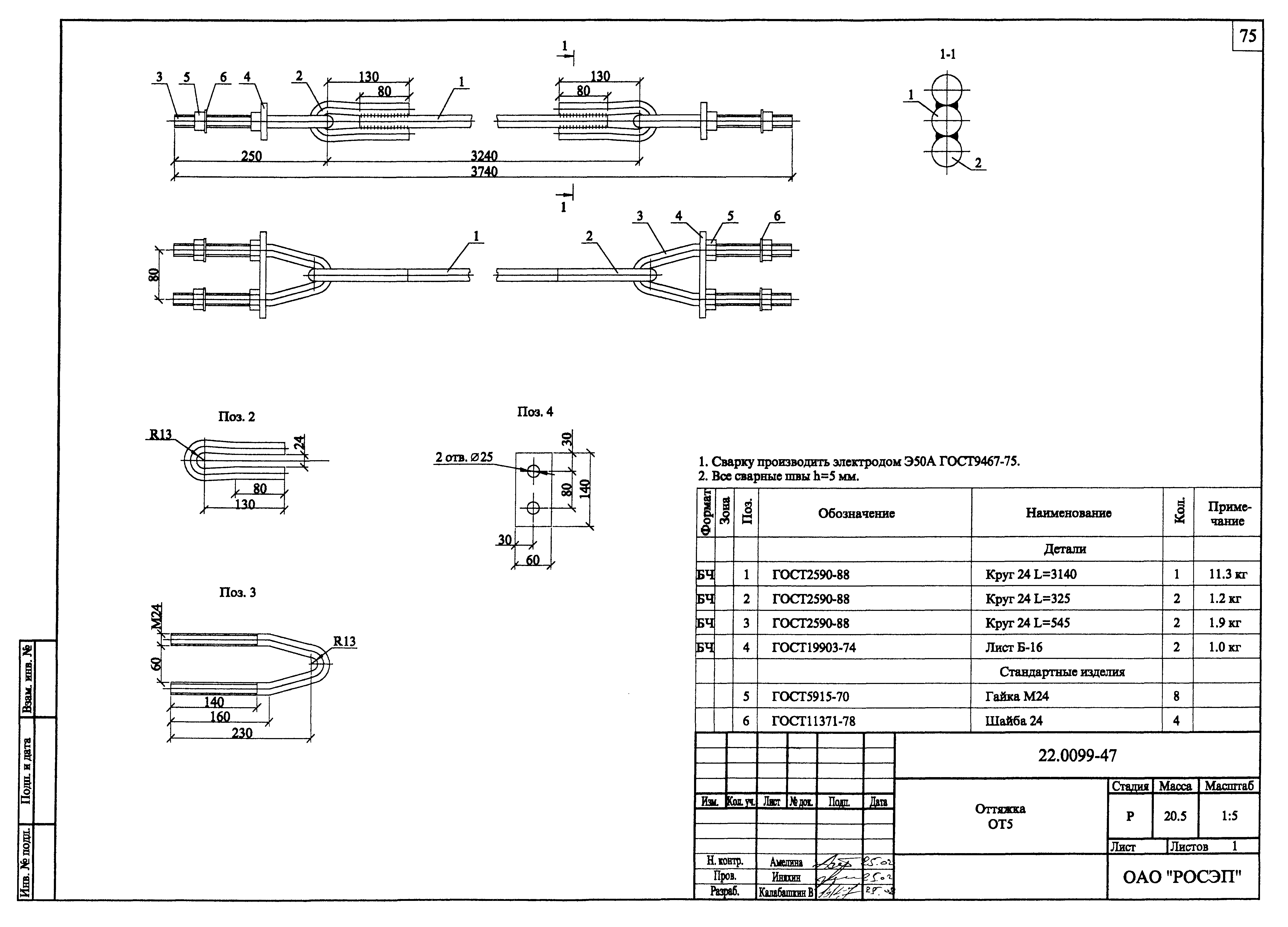
22.0099-47 Оттяжка ОТ5
22.0099-48 Подкос ОТ6
22.0099-49 Оттяжка ОТ7
22.0099-50 Схемы установки лестниц
22.0099-51 Лестница Л13, Л14, Л15
22.0099-52 Лестница Л16
22.0099-53 Хомут Х40
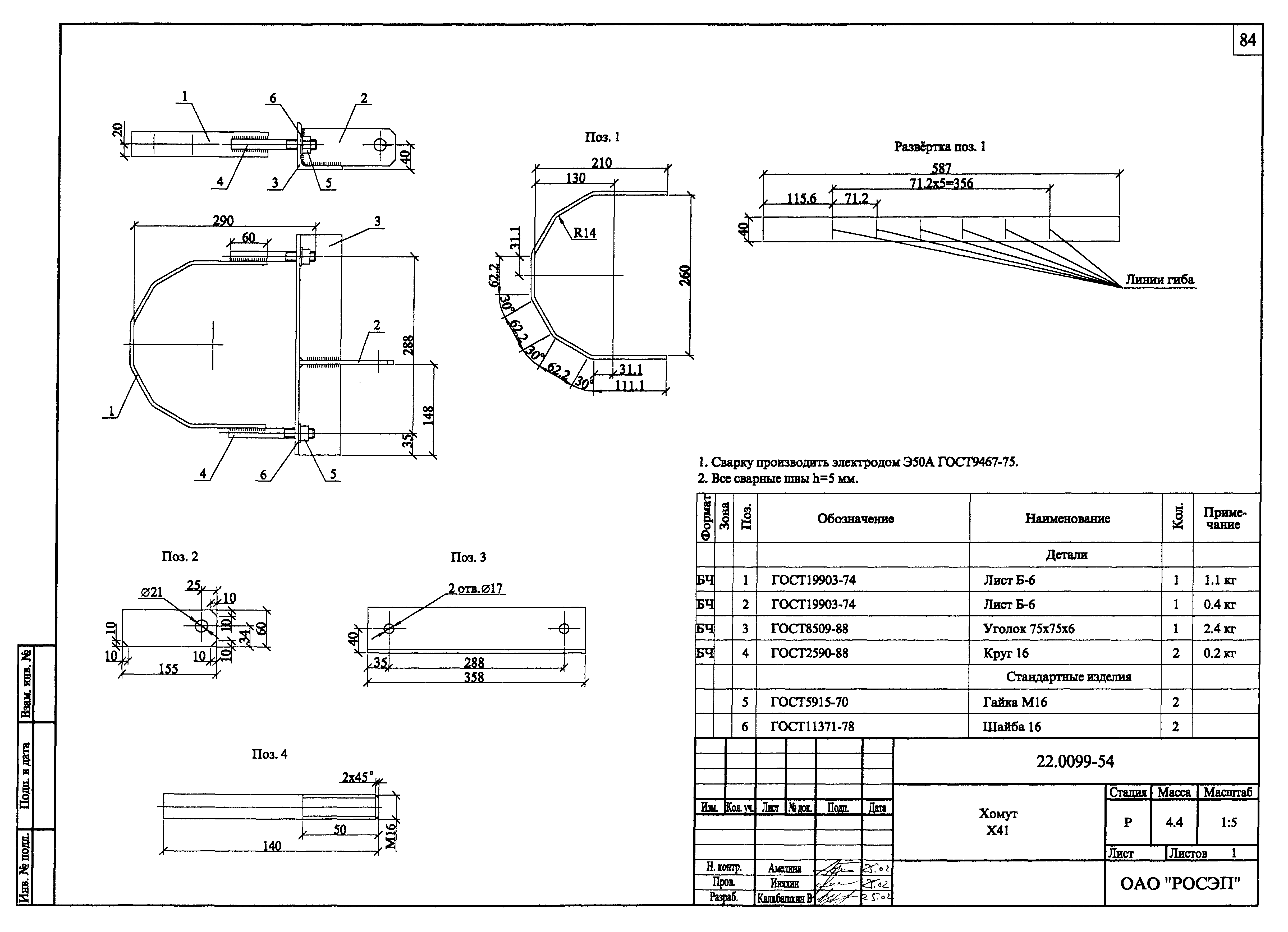
22.0099-54 Хомут Х41
22.0099-55 Хомут Х42
22.0099-56 Хомут Х43
22.0099-57 Хомут Х44
22.0099-58 Хомут Х45
22.0099-59 Хомут Х46
22.0099-60 Хомут Х47
22.0099-61 Ригель Р1
Разработан: ОАО РОСЭП
Утверждён:25.02.2003 ОАО РОСЭП
Расположен в:Техническая документация Строительство Справочные документы Типовые строительные конструкции, изделия и узлы Разработанные другими министерствами, ведомствами и организациями
Шифр 22.0099Шифр 22.0099Шифр 22.0099Шифр 22.0099Шифр 22.0099Шифр 22.0099Шифр 22.0099Шифр 22.0099Шифр 22.0099Шифр 22.0099Шифр 22.0099Шифр 22.0099Шифр 22.0099Шифр 22.0099Шифр 22.0099Шифр 22.0099Шифр 22.0099Шифр 22.0099Шифр 22.0099Шифр 22.0099Шифр 22.0099Шифр 22.0099Шифр 22.0099Шифр 22.0099Шифр 22.0099Шифр 22.0099Шифр 22.0099Шифр 22.0099Шифр 22.0099Шифр 22.0099Шифр 22.0099Шифр 22.0099Шифр 22.0099Шифр 22.0099Шифр 22.0099Шифр 22.0099Шифр 22.0099Шифр 22.0099Шифр 22.0099Шифр 22.0099Шифр 22.0099Шифр 22.0099Шифр 22.0099Шифр 22.0099Шифр 22.0099Шифр 22.0099Шифр 22.0099Шифр 22.0099Шифр 22.0099Шифр 22.0099Шифр 22.0099Шифр 22.0099Шифр 22.0099Шифр 22.0099Шифр 22.0099Шифр 22.0099Шифр 22.0099Шифр 22.0099Шифр 22.0099Шифр 22.0099Шифр 22.0099Шифр 22.0099Шифр 22.0099Шифр 22.0099Шифр 22.0099Шифр 22.0099Шифр 22.0099Шифр 22.0099Шифр 22.0099Шифр 22.0099Шифр 22.0099Шифр 22.0099Шифр 22.0099Шифр 22.0099Шифр 22.0099Шифр 22.0099Шифр 22.0099Шифр 22.0099Шифр 22.0099Шифр 22.0099Шифр 22.0099Шифр 22.0099Шифр 22.0099Шифр 22.0099Шифр 22.0099Шифр 22.0099Шифр 22.0099Шифр 22.0099Шифр 22.0099Шифр 22.0099Шифр 22.0099Шифр 22.0099Шифр 22.0099Шифр 22.0099Шифр 22.0099

© 2013 Ёшкин Кот :-) Карта сайта