Информационная система
«Ёшкин Кот»

Скачать базу одним архивом
Скачать обновления
История создания базы
Карта сайта

Скачать Типовой проект 903-1-246.87 Альбом 9. Силовое электрооборудование. Принципиальные схемы управления электроприводами (из ТП 903-1-245.87)

Дата актуализации: 10.08.2017

Типовой проект 903-1-246.87

Альбом 9. Силовое электрооборудование. Принципиальные схемы управления электроприводами (из ТП 903-1-245.87)

Обозначение: Типовой проект 903-1-246.87
Обозначение англ: 903-1-246.87
Статус:не определен законодательством
Название рус.:Альбом 9. Силовое электрооборудование. Принципиальные схемы управления электроприводами (из ТП 903-1-245.87)
Дата добавления в базу:01.10.2014
Дата актуализации:05.05.2017
Дата введения:17.04.1987
Оглавление:ТП 903-1-245.87-ЭМ2 Схемы управления электродвигателями. Общие данные
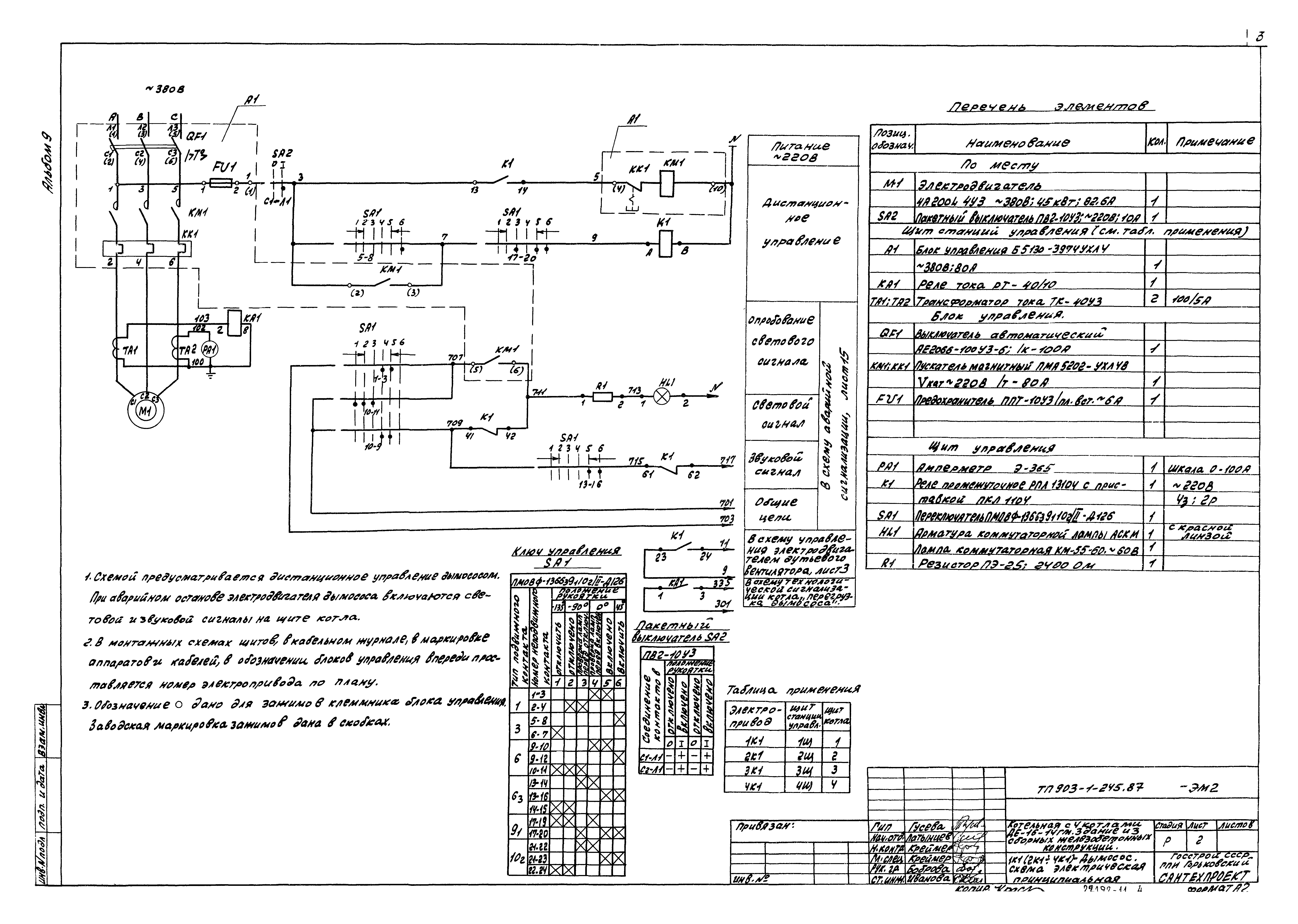
ТП 903-1-245.87-ЭМ2 1К1(2К1-4К1)-Дымосос. Схема электрическая принципиальная
ТП 903-1-245.87-ЭМ2 1К2(2К2-4К2)-Дутьевый вентилятор. Схема электрическая принципиальная
ТП 903-1-245.87-ЭМ2 ?1(?2)-Насос сетевой. Схема электрическая принципиальная
ТП 903-1-245.87-ЭМ2 ?3(?4)-Насос питательный. ?10(?11)-Насос омагниченной воды. Схема электрическая принципиальная
ТП 903-1-245.87-ЭМ2 ?5(?6)-Насос конденсата. ?14-Насос взрыхляющей промывки фильтров. Схема электрическая принципиальная
ТП 903-1-245.87-ЭМ2 ?7(?8,?9)-Насос горячего водоснабжения. Схема электрическая принципиальная
ТП 903-1-245.87-ЭМ2 ?12(?13)-Насос рабочей воды. Схема электрическая принципиальная
ТП 903-1-245.87-ЭМ2 ?15-Насос раствора соли. Схема электрическая принципиальная
ТП 903-1-245.87-ЭМ2 ?16-Насос замазученного конденсата. ?17-Насос конденсата дымовых газов. Схема электрическая принципиальная
ТП 903-1-245.87-ЭМ2 ?16,?19-Задвижка на трубопроводе после сетевого насоса. Схема электрическая принципиальная
ТП 903-1-245.87-ЭМ2 ?1К3(?2К3,3К3,4К3)-Задвижка на паропроводе от котла. Схема электрическая принципиальная
ТП 903-1-245.87-ЭМ2 ?24УА(?25УА;?26УА;?27УА;?28УА). Аппарат для магнитной обработки воды. Схема подключений
ТП 903-1-245.87-ЭМ2 Аварийная сигнализация. Схема электрическая принципиальная
Разработан: ГПИ Горьковский Сантехпроект
Утверждён:17.04.1987 Госстрой СССР (Государственный комитет Совета Министров СССР по делам строительства) (USSR Gosstroy А4-43)
Расположен в:Техническая документация Строительство Справочные документы Типовые строительные конструкции, изделия и узлы Общероссийский строительный каталог Промышленные предприятия, здания и сооружения Здания и сооружения санитарно-технические Теплоснабжение Котельные установки Закрытые системы теплоснабжения Топливо - газ, резерв - мазут
Типовой проект 903-1-246.87Типовой проект 903-1-246.87Типовой проект 903-1-246.87Типовой проект 903-1-246.87Типовой проект 903-1-246.87Типовой проект 903-1-246.87Типовой проект 903-1-246.87Типовой проект 903-1-246.87Типовой проект 903-1-246.87Типовой проект 903-1-246.87Типовой проект 903-1-246.87Типовой проект 903-1-246.87Типовой проект 903-1-246.87Типовой проект 903-1-246.87Типовой проект 903-1-246.87Типовой проект 903-1-246.87Типовой проект 903-1-246.87

© 2013 Ёшкин Кот :-) Карта сайта