Информационная система
«Ёшкин Кот»

Скачать базу одним архивом
Скачать обновления
История создания базы
Карта сайта

Скачать Типовой проект 903-1-246.87 Альбом 7. Конструкции металлические

Дата актуализации: 10.08.2017

Типовой проект 903-1-246.87

Альбом 7. Конструкции металлические

Обозначение: Типовой проект 903-1-246.87
Обозначение англ: 903-1-246.87
Статус:не определен законодательством
Название рус.:Альбом 7. Конструкции металлические
Дата добавления в базу:01.09.2013
Дата актуализации:05.05.2017
Дата введения:01.11.1987
Оглавление:Содержание альбома
Общие данные (начало)
Общие данные (окончание)
Техническая спецификация стали (начало) 1 и 2 районы строительства
Техническая спецификация стали (продолжение) 1 и 2 районы строительства
Техническая спецификация стали (окончание) 1 и 2 районы строительства
Техническая спецификация стали (начало) 3 район строительства
Техническая спецификация стали (продолжение) 3 район строительства
Техническая спецификация стали (окончание) 3 район строительства
Техническая спецификация стали 1, 2 и 3 районы строительства
Ведомость металлоконструкций по видам профилей 1 2 районы строительства
Ведомость металлоконструкций по видам профилей 3 район строительства
Нагрузки на фундаменты 1 район строительства
Нагрузки на фундаменты 2 район строительства
Нагрузки на фундаменты 3 район строительства
Схема расположения прогонов по кровле рам, вертикальных связей, 1 и 2 районы строительства
Схема расположения прогонов по кровле рам, вертикальных связей, 3 район строительства
Схемы расположения колонн, стоек. Узлы 1, 2
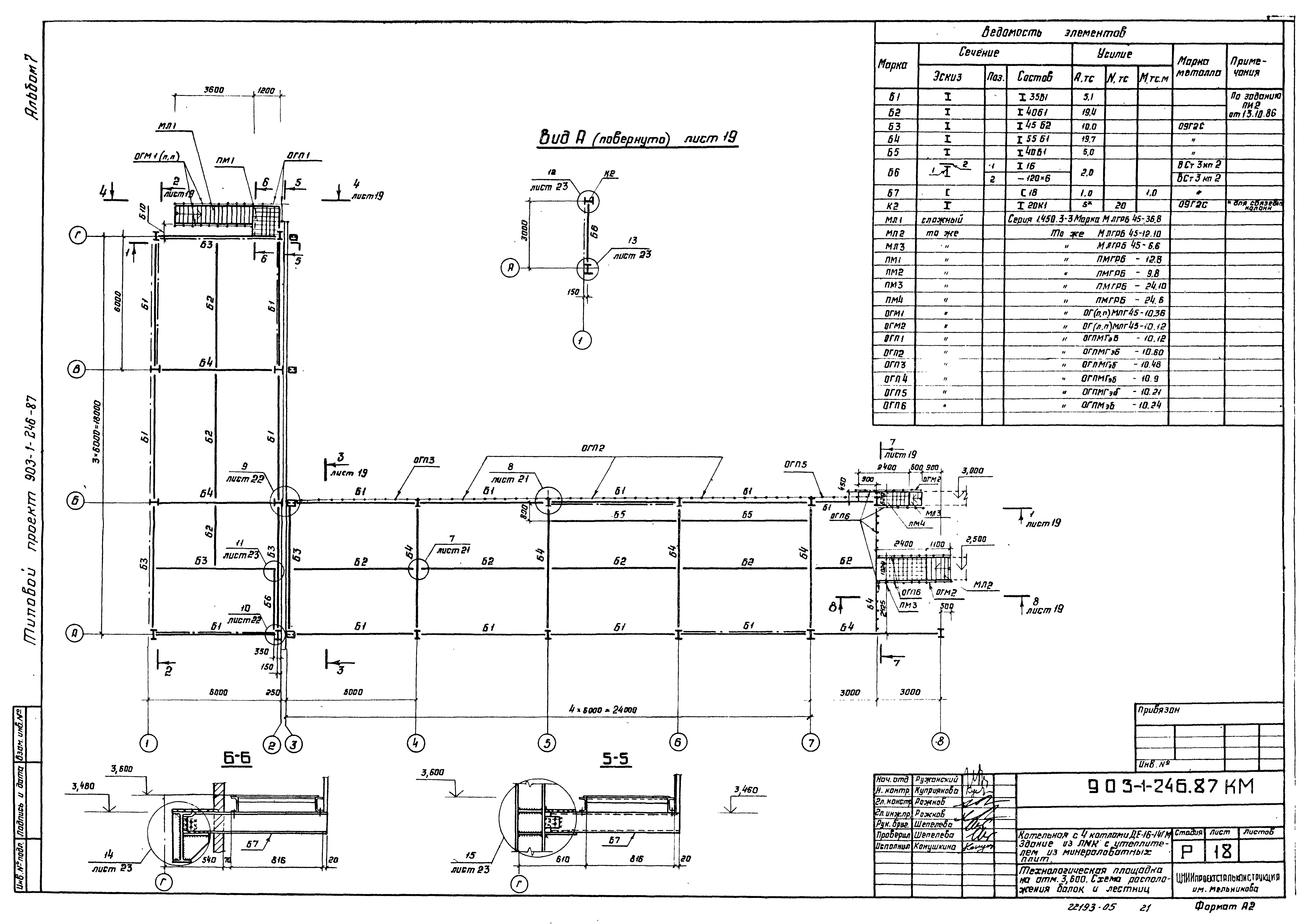
Технологическая площадка на отм. 3,600. Схема расположения балок и лестниц
Технологическая площадка на отм. 3,600. Разрезы 1-1, 2-2, 3-3, 4-4, 7-7, 8-8
Узлы 3, 4, 5
Узлы 6, 7, 8
Узлы 9, 10
Узлы 11, 12, 13, 14, 15. Разрез 9-9
Узлы 16, 17, 18, 19, 20
Схема расположения балок под вентилятором и отверстий на кровле
Схема расположения консолей и насадок стоек фахверка
Схема расположения кронштейнов для крепления трубопроводов
Рама экономайзера
Ворота ВТУ-1. Узлы 1…3
Ворота ВТУ-1. Узлы 4…7
Ворота ВТУ-1. Узел 13. Детали. Клапан КУ1
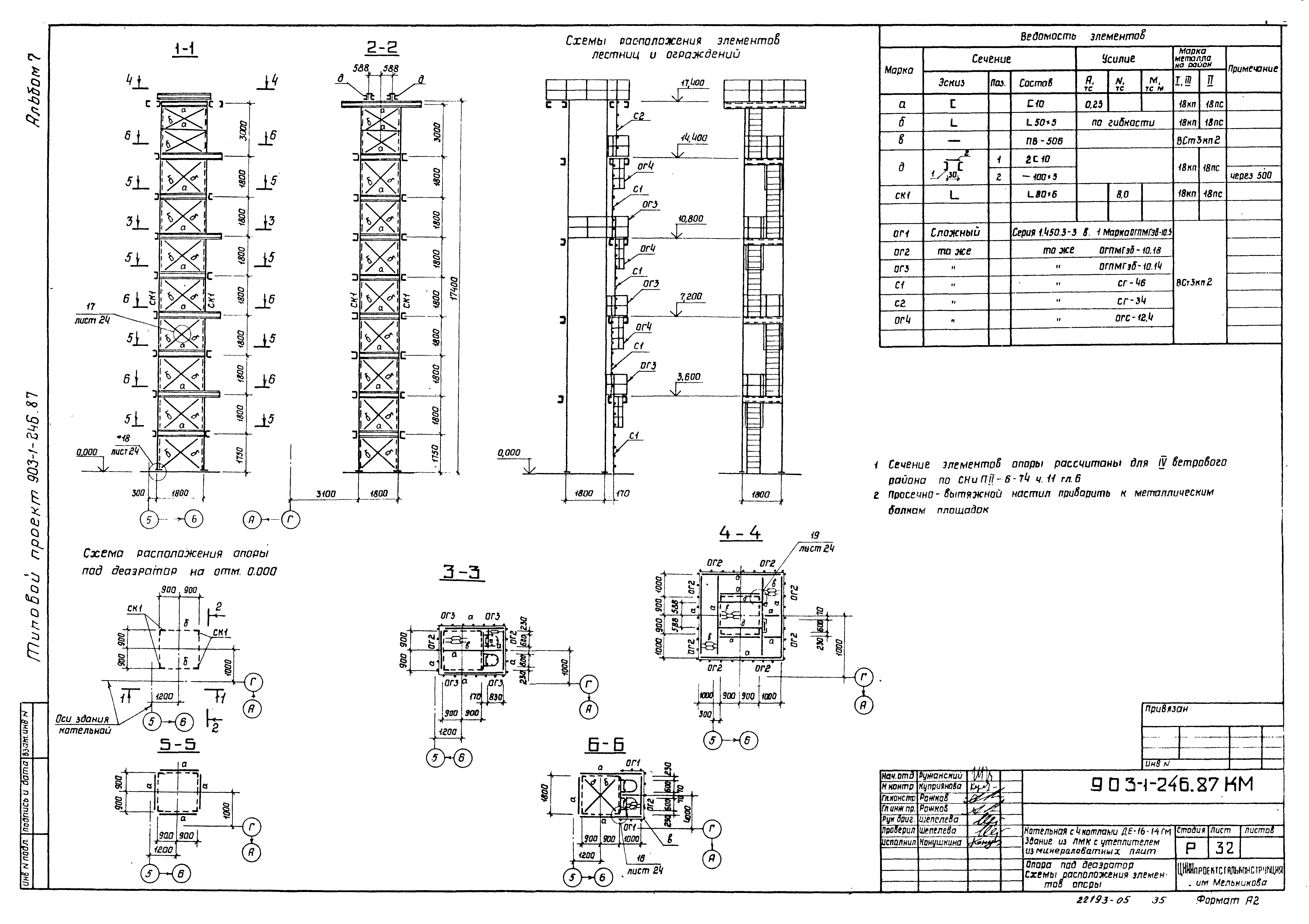
Опора под деаэратор. Схемы расположения элементов опоры
Схема раскладки настила покрытия
Схема расположения элементов крепления трубопроводов
Схемы расположения площадки на отм. 2,400 и ограждения приямка
Разработан: ЦНИИпроектстальконструкция
Утверждён:17.04.1987 Госстрой СССР (Государственный комитет Совета Министров СССР по делам строительства) (USSR Gosstroy А4-43)
Расположен в:Техническая документация Строительство Справочные документы Типовые строительные конструкции, изделия и узлы Общероссийский строительный каталог Промышленные предприятия, здания и сооружения Здания и сооружения санитарно-технические Теплоснабжение Котельные установки Закрытые системы теплоснабжения Топливо - газ, резерв - мазут
Типовой проект 903-1-246.87Типовой проект 903-1-246.87Типовой проект 903-1-246.87Типовой проект 903-1-246.87Типовой проект 903-1-246.87Типовой проект 903-1-246.87Типовой проект 903-1-246.87Типовой проект 903-1-246.87Типовой проект 903-1-246.87Типовой проект 903-1-246.87Типовой проект 903-1-246.87Типовой проект 903-1-246.87Типовой проект 903-1-246.87Типовой проект 903-1-246.87Типовой проект 903-1-246.87Типовой проект 903-1-246.87Типовой проект 903-1-246.87Типовой проект 903-1-246.87Типовой проект 903-1-246.87Типовой проект 903-1-246.87Типовой проект 903-1-246.87Типовой проект 903-1-246.87Типовой проект 903-1-246.87Типовой проект 903-1-246.87Типовой проект 903-1-246.87Типовой проект 903-1-246.87Типовой проект 903-1-246.87Типовой проект 903-1-246.87Типовой проект 903-1-246.87Типовой проект 903-1-246.87Типовой проект 903-1-246.87Типовой проект 903-1-246.87Типовой проект 903-1-246.87Типовой проект 903-1-246.87Типовой проект 903-1-246.87Типовой проект 903-1-246.87Типовой проект 903-1-246.87Типовой проект 903-1-246.87

© 2013 Ёшкин Кот :-) Карта сайта