Информационная система
«Ёшкин Кот»

Скачать базу одним архивом
Скачать обновления
История создания базы
Карта сайта

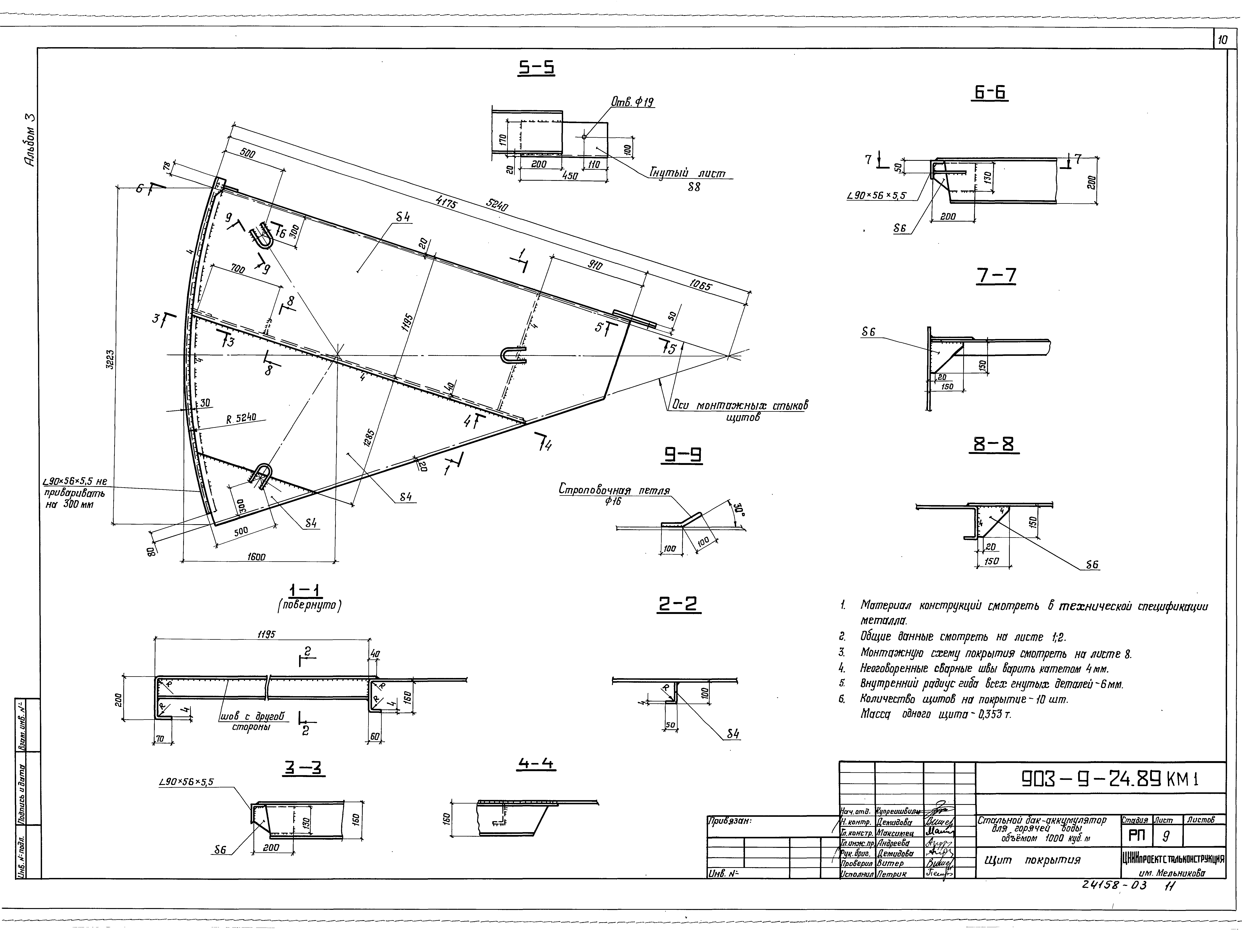
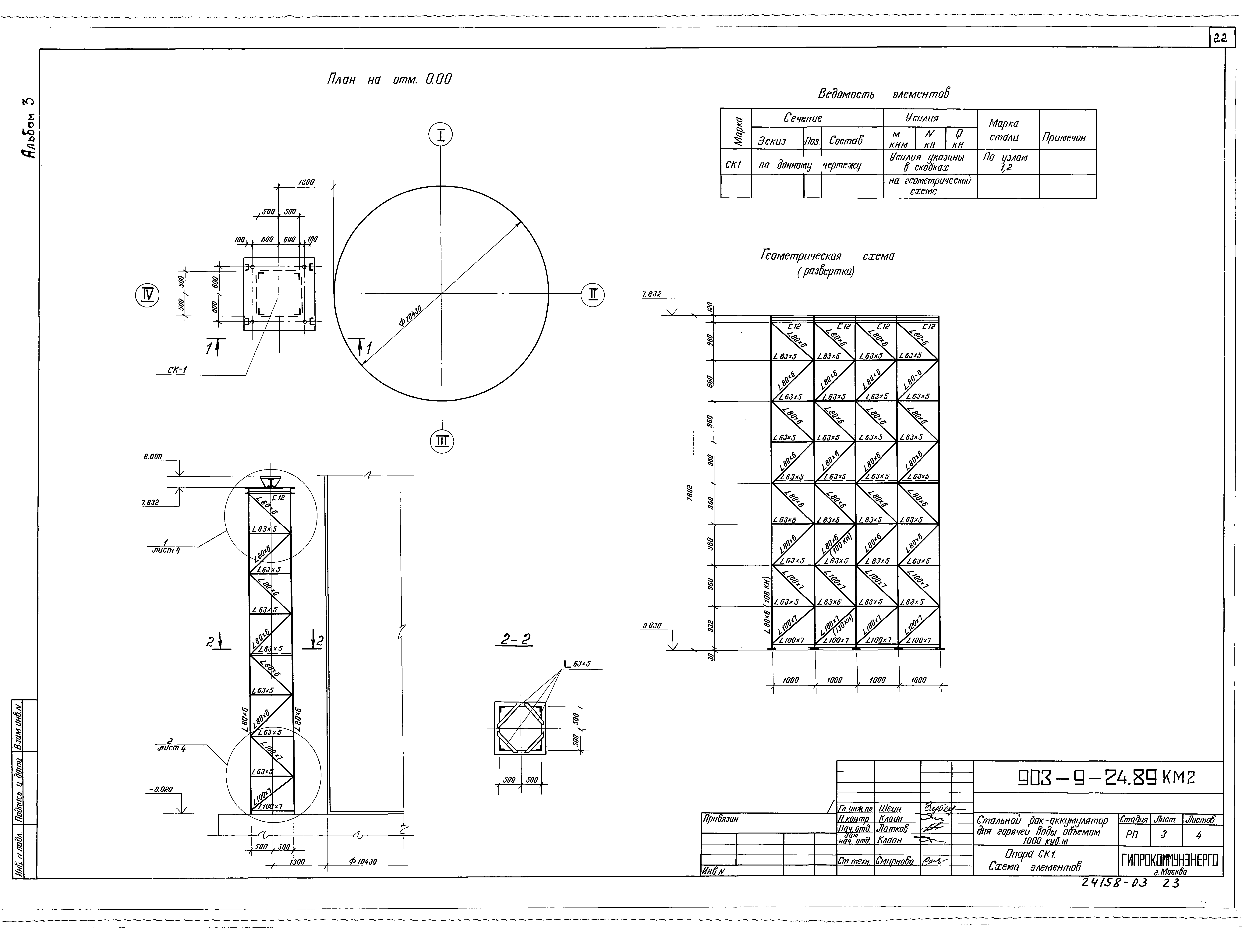
Скачать Типовой проект 903-9-24.89 Альбом 3. Конструкции металлические

Дата актуализации: 10.08.2017

Типовой проект 903-9-24.89

Альбом 3. Конструкции металлические

Обозначение: Типовой проект 903-9-24.89
Обозначение англ: 903-9-24.89
Статус:не действует
Название рус.:Альбом 3. Конструкции металлические
Дата добавления в базу:01.09.2013
Дата актуализации:05.05.2017
Разработан: ЦНИИпроектстальконструкция
Гипрокоммунэнерго
Утверждён:21.12.1987 Министерство жилищно-коммунального хозяйства РСФСР (513)
Расположен в:Техническая документация Строительство Справочные документы Типовые строительные конструкции, изделия и узлы Общероссийский строительный каталог Промышленные предприятия, здания и сооружения Здания и сооружения санитарно-технические Теплоснабжение Здания и сооружения разные
Типовой проект 903-9-24.89Типовой проект 903-9-24.89Типовой проект 903-9-24.89Типовой проект 903-9-24.89Типовой проект 903-9-24.89Типовой проект 903-9-24.89Типовой проект 903-9-24.89Типовой проект 903-9-24.89Типовой проект 903-9-24.89Типовой проект 903-9-24.89Типовой проект 903-9-24.89Типовой проект 903-9-24.89Типовой проект 903-9-24.89Типовой проект 903-9-24.89Типовой проект 903-9-24.89Типовой проект 903-9-24.89Типовой проект 903-9-24.89Типовой проект 903-9-24.89Типовой проект 903-9-24.89Типовой проект 903-9-24.89Типовой проект 903-9-24.89Типовой проект 903-9-24.89Типовой проект 903-9-24.89Типовой проект 903-9-24.89

© 2013 Ёшкин Кот :-) Карта сайта