Информационная система
«Ёшкин Кот»

Скачать базу одним архивом
Скачать обновления
История создания базы
Карта сайта

Скачать Типовой проект 903-1-242.87 Альбом 7. Строительные изделия

Дата актуализации: 10.08.2017

Типовой проект 903-1-242.87

Альбом 7. Строительные изделия

Обозначение: Типовой проект 903-1-242.87
Обозначение англ: 903-1-242.87
Статус:не определен законодательством
Название рус.:Альбом 7. Строительные изделия
Дата добавления в базу:01.09.2013
Дата актуализации:05.05.2017
Дата введения:01.11.1987
Оглавление:ТП-903-1-242.87-КЖ.И.ТУ Технические условия на изготовление арматурных и закладных изделий
ТП-903-1-242.87-КЖ.И.1.0 Ферма (ФБ18I-1В-1, ФБ18I-2В-4, ФБ18I-2В-1, ФБ18I-1В-3, ФБ18I-2В-2, ФБ18I-3В-1)
ТП-903-1-242.87-КЖ.И.1.0 СБ Ферма (ФБ18I-1В-1, ФБ18I-2В-4, ФБ18I-2В-1, ФБ18I-1В-3, ФБ18I-2В-2, ФБ18I-3В-1). Сборочный чертеж
ТП-903-1-242.87-КЖ.И.2.0 Ферма (ФБ18I-1В-2, ФБ18I-2В-3)
ТП-903-1-242.87-КЖ.И.3.0 Ферма (ФБ18III-7В-1, ФБ18III-8В-1)
ТП-903-1-242.87-КЖ.И.4.0 Колонна (К60-12-1, К60-10-1)
ТП-903-1-242.87-КЖ.И.5.0 Колонна (К60-12-2, К60-10-2)
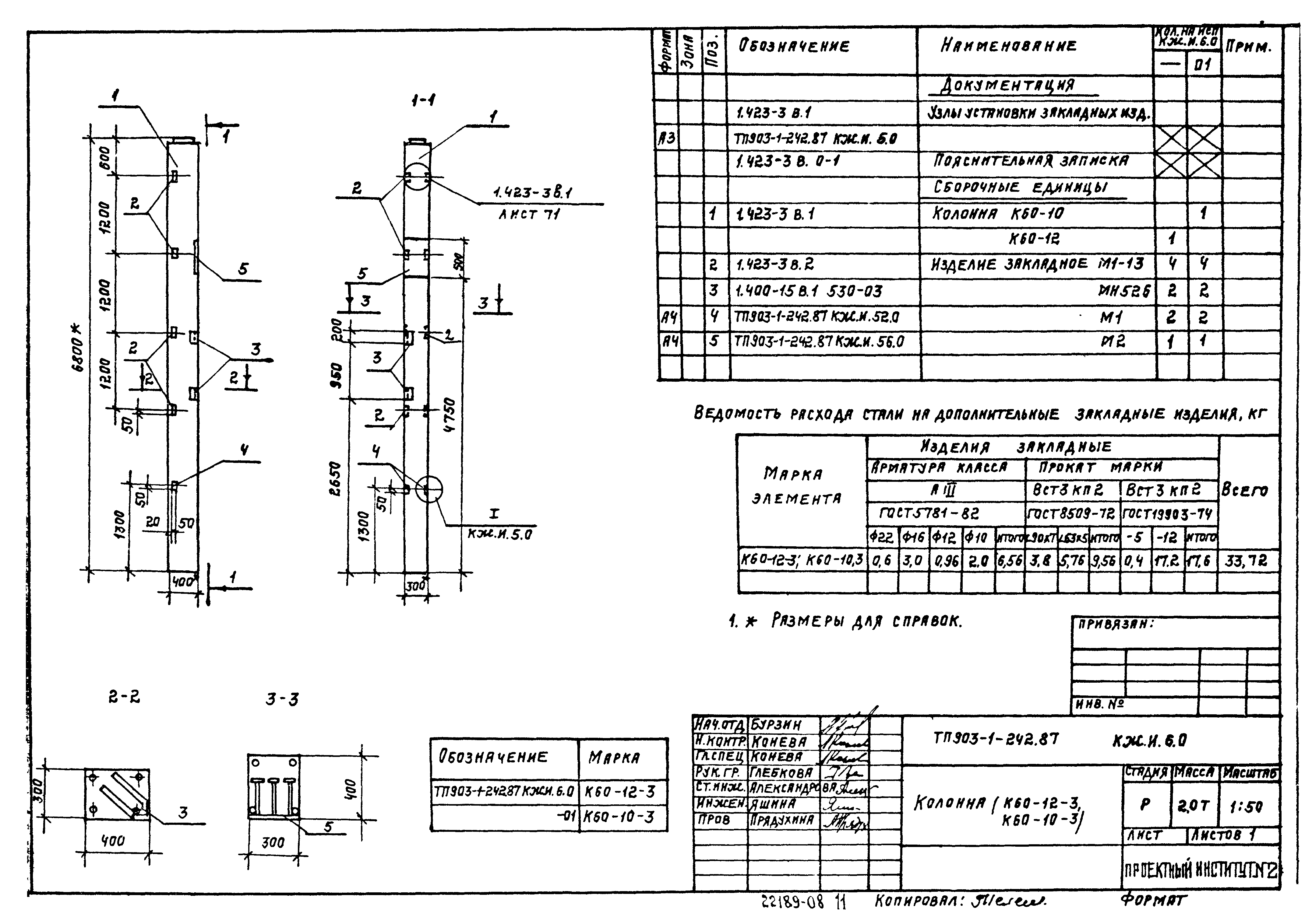
ТП-903-1-242.87-КЖ.И.6.0 Колонна (К60-12-3, К60-10-3)
ТП-903-1-242.87-КЖ.И.7.0 Колонна (К60-12-4, К60-10-4, К60-12-13, К60-10-13)
ТП-903-1-242.87-КЖ.И.8.0 Колонна (К60-12-5, К60-10-5)
ТП-903-1-242.87-КЖ.И.9.0 Колонна (К60-12-6, К60-10-6)
ТП-903-1-242.87-КЖ.И.10.0 Колонна (К60-12-7, К60-10-7)
ТП-903-1-242.87-КЖ.И.11.0 Колонна (К60-12-8, К60-10-8)
ТП-903-1-242.87-КЖ.И.12.0 Колонна (К60-12-9, К60-10-9)
ТП-903-1-242.87-КЖ.И.13.0 Колонна (К60-12-10, К60-10-10)
ТП-903-1-242.87-КЖ.И.14.0 Колонна (К60-12-11, К60-10-11)
ТП-903-1-242.87-КЖ.И.15.0 Колонна (К60-12-12, К60-10-12)
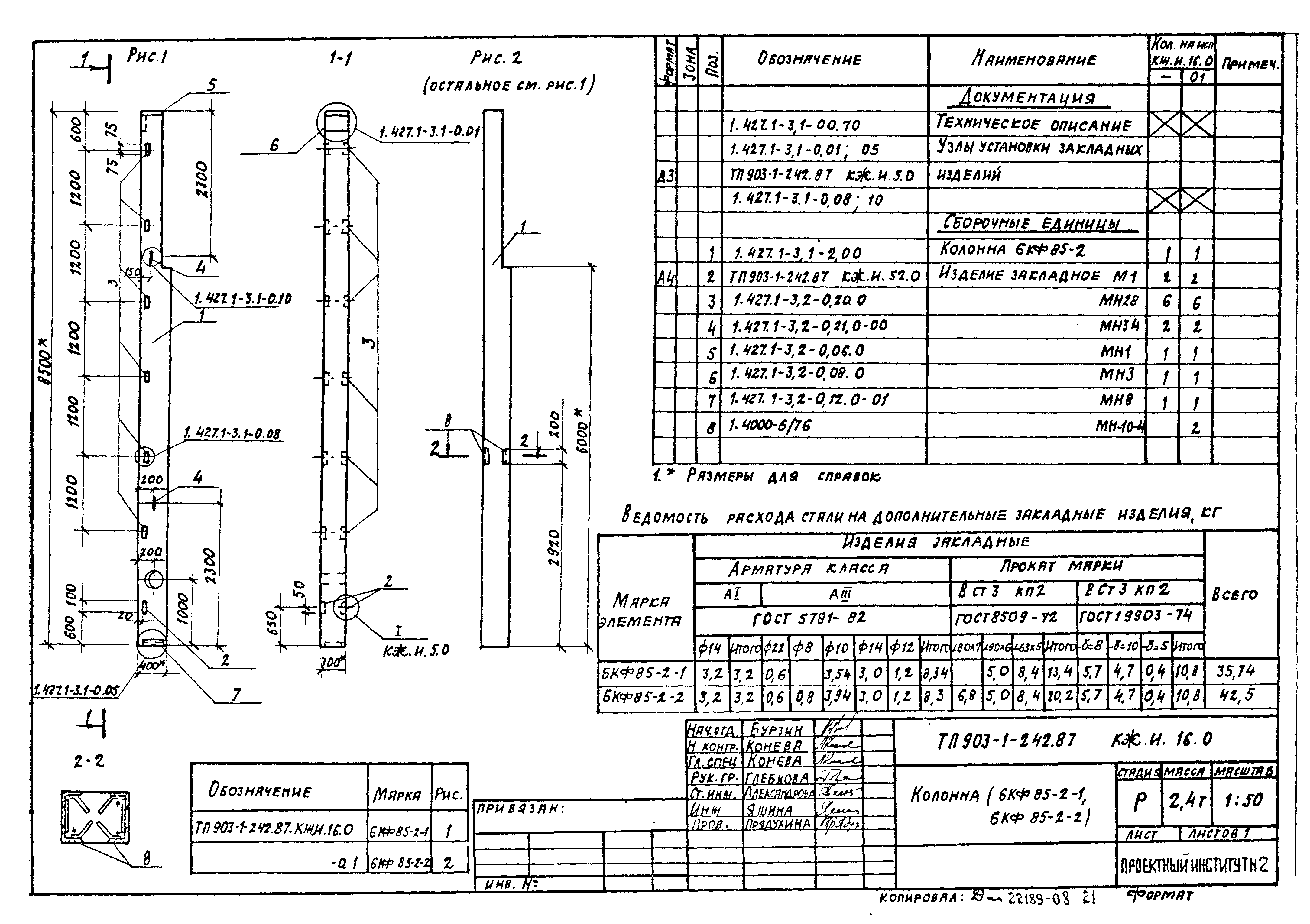
ТП-903-1-242.87-КЖ.И.16.0 Колонна (6КФ85-2-1, 6КФ85-2-2)
ТП-903-1-242.87-КЖ.И.17.0 Колонна К1
ТП-903-1-242.87-КЖ.И.17.1 Каркас пространственный КП1
 ТП-903-1-242.87-КЖ.И.17.2 Сетка арматурная (С1, С2, С3)
ТП-903-1-242.87-КЖ.И.18.0 Колонна (К30-6-1, К30-6-4)
ТП-903-1-242.87-КЖ.И.19.0 Колонна К30-6-2
ТП-903-1-242.87-КЖ.И.20.0 Колонна К30-6-3
ТП-903-1-242.87-КЖ.И.21.0 Плита покрытия (П12АТ VIТ-3, ПГВАТ VIТ-4)
ТП-903-1-242.87-КЖ.И.22.0 СБ Плита покрытия ПВ10-3Ат VIТ-3
ТП-903-1-242.87-КЖ.И.22.1 Каркас пространственный КП2
ТП-903-1-242.87-КЖ.И.22.2 Каркас плоский КР4
ТП-903-1-242.87-КЖ.И.23.0 Плита покрытия (ПГ-1АТ VIТ-3, ПГ-2АТ VIТ-5, ПГ-3АТ VIТ-3)
ТП-903-1-242.87-КЖ.И.24.0 Перемычка (5ПБ25-37-1, 5ПБ27-27-а-1)
ТП-903-1-242.87-КЖ.И.25.0 Перемычка (3ПБ18-37а, 3ПБ21-8а)
ТП-903-1-242.87-КЖ.И.26.0 Перемычка (53ПБ18-27а, 5ПБ21-27а)
ТП-903-1-242.87-КЖ.И.27.0 Фундаментная балка (ФБ6-31а, ФБ6-13а, ФБ6-12а, ФБ6-14а)
ТП-903-1-242.87-КЖ.И.28.0 Фундаментная балка (ФБ6-2а, ФБ6-3а, ФБ6-4а)
ТП-903-1-242.87-КЖ.И.29.0 СБ Панель стеновая (ПС62.5.18.2.а-1Л-1-31А, ПС63.18.2.5-2Л-1-31А, ПС64.18.3.5-6Л-1-31А, ПС60.18.20-1Л-36Е, ПС60.18.20-3Л-36Е, ПС60.12.2.0-2Л-38Б, ПС60.12.2.0-4Л-38Б, ПС60.12.2.0-2Л-38В, ПС60.12.2.0-4Л-38В, ПС60.18.2.0-1Л-36Д, ПС60.18.2.0-3Л-36Д). Сборочный чертеж
ТП-903-1-242.87-КЖ.И.29.0 Панель стеновая (ПС62.5.18.2.а-1Л-1-31А, ПС63.18.2.5-2Л-1-31А, ПС64.18.3.5-6Л-1-31А, ПС60.18.20-1Л-36Е, ПС60.18.20-3Л-36Е, ПС60.12.2.0-2Л-38Б, ПС60.12.2.0-4Л-38Б, ПС60.12.2.0-2Л-38В, ПС60.12.2.0-4Л-38В, ПС60.18.2.0-1Л-36Д, ПС60.18.2.0-3Л-36Д)
ТП-903-1-242.87-КЖ.И.30.0 СБ Панель стеновая (ПС60.12.2.0-2Л-37А, ПС60.12.2.0-2Л-38А, ПС60.12.2.0-4Л-38А, ПС60.12.2.5-3Л-38А, ПС60.12.3.5-6Л-38А). Сборочный чертеж
ТП-903-1-242.87-КЖ.И.30.0 Панель стеновая (ПС60.12.2.0-2Л-37А, ПС60.12.2.0-2Л-38А, ПС60.12.2.0-4Л-38А, ПС60.12.2.5-3Л-38А, ПС60.12.3.5-6Л-38А)
ТП-903-1-242.87-КЖ.И.31.0 СБ Панель стеновая (ПС30.18.2.0-6Л-53Б, ПС30.18.2.0-6Л-53А, ПС30.18.2.5-6Л-53А, ПС30.18.3.5-6Л-53А, ПС30.12.2.0-6Л-53А, ПС30.12.2.5-6Л-53А, ПС30.12.3.5-6Л-53А). Сборочный чертеж
ТП-903-1-242.87-КЖ.И.31.0 Панель стеновая (ПС30.18.2.0-6Л-53Б, ПС30.18.2.0-6Л-53А, ПС30.18.2.5-6Л-53А, ПС30.18.3.5-6Л-53А, ПС30.12.2.0-6Л-53А, ПС30.12.2.5-6Л-53А, ПС30.12.3.5-6Л-53А)
ТП-903-1-242.87-КЖ.И.32.0 Панель стеновая (2ПС8.12.2.0-Л-72А, 2ПС8.18.2.0-Л-72А, 2ПС9.12.2.5-Л-72А, 2ПС10.12.3.5-Л-72А)
ТП-903-1-242.87-КЖ.И.33.0 Панель стеновая (ПС60.18.2.0-1Л-36А, ПС60.18.2.0-31Л-36А)
ТП-903-1-242.87-КЖ.И.34.0 Панель стеновая (ПС60.18.2.0-1Л-36Б, ПС60.18.2.0-3Л-36Б, ПС60.18.2.0-1Л-36В, ПС60.18.2.0-3Л-36В, ПС60.18.2.0-1Л-36Г, ПС60.18.2.0-3Л-36Г)
ТП-903-1-242.87-КЖ.И.35.0 Панель стеновая (ПС30.12.2.0-6Л-53Б, ПС30.12.2.0-6Л-58В)
ТП-903-1-242.87-КЖ.И.36.0 Панель стеновая (2ПС12.12.2.0-Л-72А, 2ПС12.18.2.0-Л-72А, 2ПС20.12.2.0-Л-73А, 2ПС20.18.2.0-Л-73А, 2ПС15.12.2.0-Л-58А, 2ПС15.18.2.0-Л-58А)
ТП-903-1-242.87-КЖ.И.37.0 Панель стеновая (ПС60.12.2.0-2Л-34А, ПС625.12.2.0-2Л-31А)
ТП-903-1-242.87-КЖ.И.38.0 Ригель РОП4.56-40-а
ТП-903-1-242.87-КЖ.И.39.0 Ригель РОП4.56-30-а
ТП-903-1-242.87-КЖ.И.40.0 Лоток Лу10-8-1
ТП-903-1-242.87-КЖ.И.41.0 Лоток Л10-3-1
ТП-903-1-242.87-КЖ.И.42.0 Лоток Л10g-3-1
ТП-903-1-242.87-КЖ.И.43.0 Лоток Л29g-3-1
ТП-903-1-242.87-КЖ.И.44.0 Лоток 15-5-1
ТП-903-1-242.87-КЖ.И.45.0 Лоток 4-8-1
ТП-903-1-242.87-КЖ.И.46.0 Насадка Н1
ТП-903-1-242.87-КЖ.И.47.0 Опора ОП1
ТП-903-1-242.87-КЖ.И.48.0 Щит (Щ1, Щ3, Щ4)
ТП-903-1-242.87-КЖ.И.49.0 Щит Щ2
ТП-903-1-242.87-КЖ.И.50.0 Щит Щ5
ТП-903-1-242.87-КЖ.И.51.0 Сетка арматурная (С4, С5, С6)
ТП-903-1-242.87-КЖ.И.52.0 Изделие закладное М1
ТП-903-1-242.87-КЖ.И.53.0 Изделие закладное МН1
ТП-903-1-242.87-КЖ.И.54.0 Каркас плоский КР1
ТП-903-1-242.87-КЖ.И.55.0 Решетка Р1а
ТП-903-1-242.87-КЖ.И.56.0 Решетка Р1
ТП-903-1-242.87-КЖ.И.57.0 Рама металлическая РМ1
ТП-903-1-242.87-КЖ.И.58.0 Рама металлическая РМ2
ТП-903-1-242.87-КЖ.И.59.0 Сетка арматурная С7
ТП-903-1-242.87-КЖ.И.60.0 Изделие закладное (МС1, МС2, МС3)
ТП-903-1-242.87-КЖ.И.61.0 Изделие закладное МН2
ТП-903-1-242.87-КЖ.И.62.0 Изделие закладное МН3
ТП-903-1-242.87-КЖ.И.63.0 Изделие закладное МН4
ТП-903-1-242.87-КЖ.И.64.0 Изделие закладное МН5
ТП-903-1-242.87-КЖ.И.65.0 Каркас плоский КР3
ТП-903-1-242.87-КЖ.И.66.0 Каркас плоский (КР4, КР5)
ТП-903-1-242.87-КЖ.И.67.0 Ведомость расхода стали на закладные изделия
ТП-903-1-242.87-КЖ.И.68.0 Ведомость расхода стали на закладные изделия
ТП-903-1-242.87-КЖ.И.69.0 Щит деревянный ЩД1
ТП-903-1-242.87-КЖ.И.70.0 Щит деревянный ЩД2
ТП-903-1-242.87-КЖ.И.71.0 Петля П1
ТП-903-1-242.87-КЖ.И.72.0 Изделие закладное МД1
ТП-903-1-242.87-КЖ.И.73.0 Рама металлическая РМ3
ТП-903-1-242.87-КЖ.И.74.0 Изделие закладное М2
Разработан: Проектный институт №2
Утверждён:17.04.1987 Госстрой СССР (Государственный комитет Совета Министров СССР по делам строительства) (USSR Gosstroy А4-43)
Расположен в:Техническая документация Строительство Справочные документы Типовые строительные конструкции, изделия и узлы Общероссийский строительный каталог Промышленные предприятия, здания и сооружения Здания и сооружения санитарно-технические Теплоснабжение Котельные установки Закрытые системы теплоснабжения Топливо - газ, резерв - мазут
Заменяет собой:
Типовой проект 903-1-242.87Типовой проект 903-1-242.87Типовой проект 903-1-242.87Типовой проект 903-1-242.87Типовой проект 903-1-242.87Типовой проект 903-1-242.87Типовой проект 903-1-242.87Типовой проект 903-1-242.87Типовой проект 903-1-242.87Типовой проект 903-1-242.87Типовой проект 903-1-242.87Типовой проект 903-1-242.87Типовой проект 903-1-242.87Типовой проект 903-1-242.87Типовой проект 903-1-242.87Типовой проект 903-1-242.87Типовой проект 903-1-242.87Типовой проект 903-1-242.87Типовой проект 903-1-242.87Типовой проект 903-1-242.87Типовой проект 903-1-242.87Типовой проект 903-1-242.87Типовой проект 903-1-242.87Типовой проект 903-1-242.87Типовой проект 903-1-242.87Типовой проект 903-1-242.87Типовой проект 903-1-242.87Типовой проект 903-1-242.87Типовой проект 903-1-242.87Типовой проект 903-1-242.87Типовой проект 903-1-242.87Типовой проект 903-1-242.87Типовой проект 903-1-242.87Типовой проект 903-1-242.87Типовой проект 903-1-242.87Типовой проект 903-1-242.87Типовой проект 903-1-242.87Типовой проект 903-1-242.87Типовой проект 903-1-242.87Типовой проект 903-1-242.87Типовой проект 903-1-242.87Типовой проект 903-1-242.87Типовой проект 903-1-242.87Типовой проект 903-1-242.87Типовой проект 903-1-242.87Типовой проект 903-1-242.87Типовой проект 903-1-242.87Типовой проект 903-1-242.87Типовой проект 903-1-242.87Типовой проект 903-1-242.87Типовой проект 903-1-242.87Типовой проект 903-1-242.87Типовой проект 903-1-242.87Типовой проект 903-1-242.87Типовой проект 903-1-242.87Типовой проект 903-1-242.87Типовой проект 903-1-242.87Типовой проект 903-1-242.87Типовой проект 903-1-242.87Типовой проект 903-1-242.87

© 2013 Ёшкин Кот :-) Карта сайта