Информационная система
«Ёшкин Кот»

Скачать базу одним архивом
Скачать обновления
История создания базы
Карта сайта

Скачать Типовой проект 902-2-427.86 Альбом 4. Строительные изделия

Дата актуализации: 10.08.2017

Типовой проект 902-2-427.86

Альбом 4. Строительные изделия

Обозначение: Типовой проект 902-2-427.86
Обозначение англ: 902-2-427.86
Статус:не определен законодательством
Название рус.:Альбом 4. Строительные изделия
Дата добавления в базу:01.09.2013
Дата актуализации:05.05.2017
Дата введения:01.02.1987
Оглавление:КЖИ.ТТ Технические требования
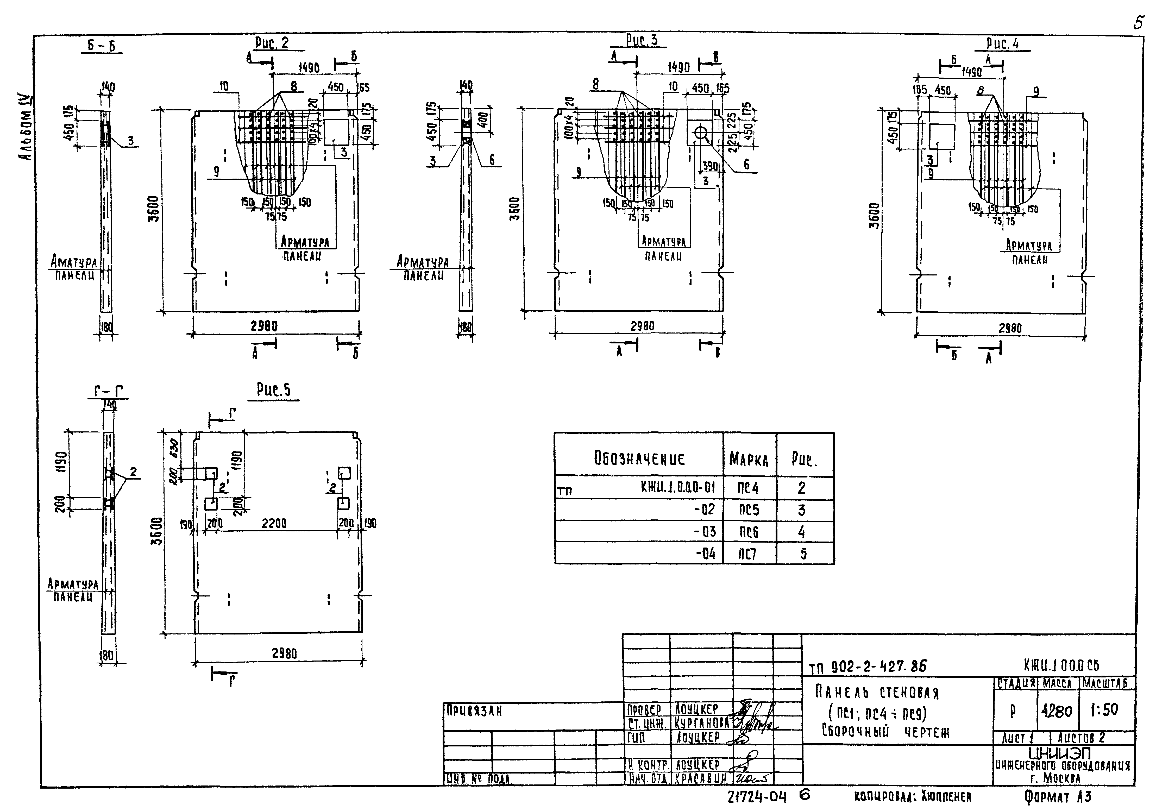
КЖИ.1.0.0.0 Панель стеновая (ПС1, ПС4…ПС9)
КЖИ.1.0.0.0 СБ Панель стеновая (ПС1, ПС4…ПС9). Сборочный чертеж
КЖИ.1.0.0.0 ВМС Ведомость расхода стали на дополнительные закладные изделия на элемент, кг
КЖИ.2.0.0.0 Панель стеновая (ПС2, ПС3)
КЖИ.3.0.0.0 Панель стеновая ПС10
КЖИ.4.0.0.0 Плита (П1, П2)
КЖИ.5.0.0.0 Балка Б1
КЖИ.6.0.0.0 Лоток ЛТ1
КЖИ.1.0.1.0 Изделие закладное МН2
КЖИ.1.0.2.0 Изделие закладное МН1
КЖИ.0.1.0.0 Щит струенаправляющий Щ1
КЖИ.0.2.0.0 Каркас пространственный КП1
КЖИ.0.2.1.0 Каркас плоский КР1
КЖИ.0.0.1.0 Сетка арматурная С1
КЖИ.0.0.2.0 Сетка арматурная С2
КЖИ.0.0.3.0 Сетка арматурная С3
КЖИ.0.0.4.0 Сетка арматурная С4
КЖИ.7.0.0.0 Водослив (В1, В2)
КЖИ.0.0.8.0 Изделие закладное МН3
КЖИ.0.0.5.0 Изделие соединительное МС3
КЖИ.0.0.6.0 Изделие соединительное (МС8, МС9)
КЖИ.8.0.0.0 Лоток металлический (ЛМ1, ЛМ2)
Разработан: ЦНИИЭП иженерного оборудования
Утверждён:05.10.1986 Госгражданстрой (Gosgrazhdanstroy 280)
Расположен в:Техническая документация Строительство Справочные документы Типовые строительные конструкции, изделия и узлы Общероссийский строительный каталог Промышленные предприятия, здания и сооружения Здания и сооружения санитарно-технические Канализация Сооружения механической очистки Отстойники Отстойники горизонтальные первичные
Типовой проект 902-2-427.86Типовой проект 902-2-427.86Типовой проект 902-2-427.86Типовой проект 902-2-427.86Типовой проект 902-2-427.86Типовой проект 902-2-427.86Типовой проект 902-2-427.86Типовой проект 902-2-427.86Типовой проект 902-2-427.86Типовой проект 902-2-427.86Типовой проект 902-2-427.86Типовой проект 902-2-427.86Типовой проект 902-2-427.86Типовой проект 902-2-427.86Типовой проект 902-2-427.86Типовой проект 902-2-427.86Типовой проект 902-2-427.86Типовой проект 902-2-427.86Типовой проект 902-2-427.86Типовой проект 902-2-427.86Типовой проект 902-2-427.86Типовой проект 902-2-427.86

© 2013 Ёшкин Кот :-) Карта сайта