Скачать Типовой проект 902-3-9 Альбом 3. Аэрируемые биопруды производительностью 400, 700 куб. м/сутки при БПК полн. - 250 мг/лДата актуализации: 10.08.2017 Типовой проект 902-3-9
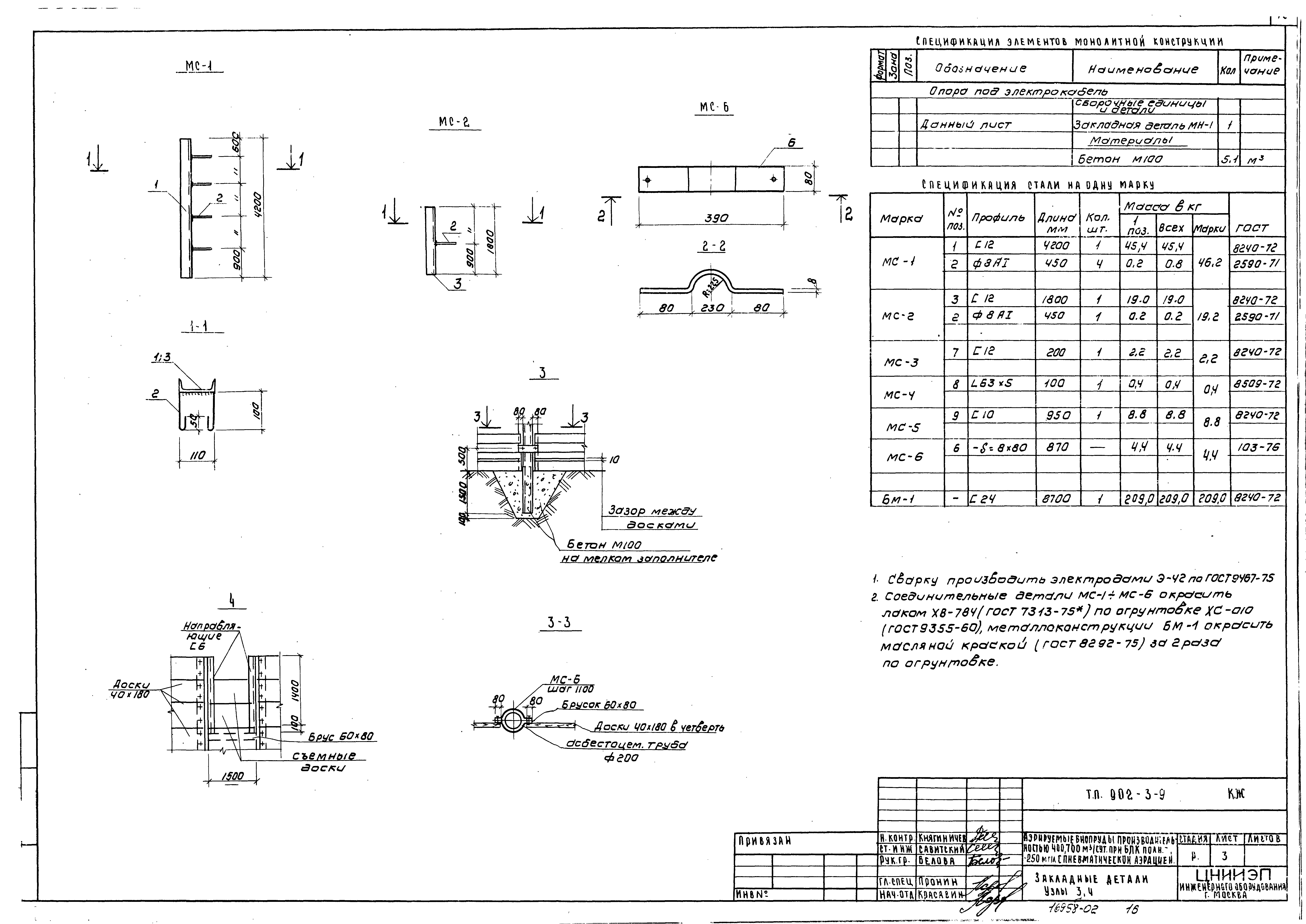
Альбом 3. Аэрируемые биопруды производительностью 400, 700 куб. м/сутки при БПК полн. - 250 мг/лОбозначение: | Типовой проект 902-3-9 | Обозначение англ: | 902-3-9 | Статус: | не определен законодательством | Название рус.: | Альбом 3. Аэрируемые биопруды производительностью 400, 700 куб. м/сутки при БПК полн. - 250 мг/л | Дата добавления в базу: | 01.09.2013 | Дата актуализации: | 05.05.2017 | Дата введения: | 01.01.1981 | Оглавление: | Содержание альбома Технологическая часть НК-1 Общие данные НК-2 Схема генплана НК-3 План с сетями НК-4 Схема движения воды очистки сточных вод. Профили Х1, П2 НК-5 Схема движения воды доочистки сточных вод. Профиль М4. Спецификация НК-6 Профили А0 НК-7 Профиль М3. Спецификация. Деталировка колодцев НК-8 Таблиц колодцев. Профили Х1, М4 Архитектурно-строительная часть ГП-1 Примерный генплан ГП-2 Раскладка плит. Разрезы 1-1, 2-2, 3-3 Конструкции железобетонные КЖ-1 Водоперепускной колодец и камера перепуска с переходом КЖ-2 Камера напуска, перегородка. Разрезы 1-1…5-5 КЖ-3 Закладные детали. Узлы 3 и 4 КЖ-4 Водовыпускной колодец и переход к нему Электротехническая часть ЭЛ-1 Общие данные ЭЛ-2 Наружное освещение. План | Разработан: | ЦНИИЭП иженерного оборудования
| Утверждён: | 11.03.1980 Госгражданстрой (Gosgrazhdanstroy 75)
| Расположен в: |
|
                  
|