Информационная система
«Ёшкин Кот»

Скачать базу одним архивом
Скачать обновления
История создания базы
Карта сайта

Скачать Типовой проект 904-1-74.87 Альбом 5. Строительные решения

Дата актуализации: 10.08.2017

Типовой проект 904-1-74.87

Альбом 5. Строительные решения

Обозначение: Типовой проект 904-1-74.87
Обозначение англ: 904-1-74.87
Статус:не определен законодательством
Название рус.:Альбом 5. Строительные решения
Дата добавления в базу:01.09.2013
Дата актуализации:05.05.2017
Дата введения:01.10.1987
Оглавление:Чертежи марки АР
   Общие данные
   План на отм. 0,000 и -3,000
   Фрагмент 1. Спецификация к плану
   Фасады. Разрезы
   План кровли. План полов
   Подвесной потолок. Схема расположения плит перекрытия
   Трансформаторная подстанция (КТПН)
Чертежи марки КЖ
   Общие данные
   Схема расположения элементов фундаментов
   Фундаменты Фм1 - Фм3
   Фундаменты Фм4 - Фм8
   Схема расположения подземных конструкций
   Схема расположения элементов канала КН1
   Схема расположения плит перекрытия канала КН1 и колодца К1
   Участки монолитные Ум1, Ум2
   Схема расположения элементов подвала
   Резервуар РЕм1. Общий вид
   Резервуар РЕм1. Схема армирования
   Схема расположения элементов приямка. Приямок ПРм1 (общий вид)
   Приямок ПРм1 (схема армирования). Плита Пм1
   Фундаменты ФОм1 - ФОм8
   Схемы расположения элементов каркаса и плит покрытия
   Схема расположения стеновых и карнизных панелей
   Узлы 1, 2, 3 к листу 20
Чертежи марки КМ
   Общие данные
   Техническая спецификация металла на объект
   Техническая спецификация металла на лестницы
   Схемы расположения подвесных путей, балок, кронштейнов и лестницы
   Схема расположения балок перекрытия каналов на отм. 0,000
   Схемы расположения площадки на отм. 2,000 и кронштейнов по оси В
Чертежи марки ВК
   Общие данные
   План на отм. 0,000. Сечения 1-1, 2-2
   Схемы систем В1, В4, В5, Т3, Т4, К1, К3
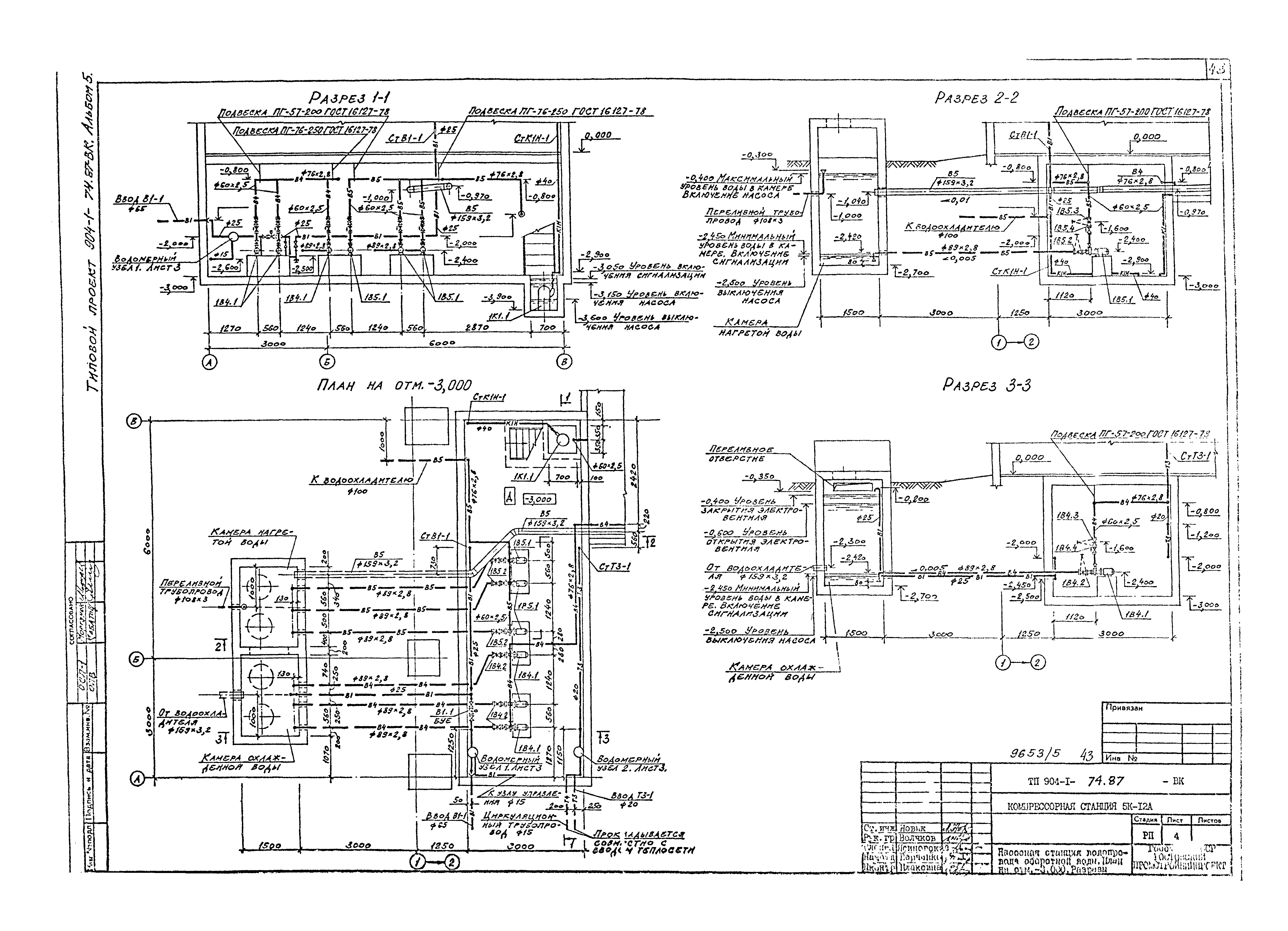
   Насосная станция водопровода оборотной воды. План на отм. -3,000. Разрезы
   Насосная станция водопровода оборотной воды. Схемы установок систем 1В4, 1В5, 1К1
Чертежи марки ОВ
   Общие данные
   Планы отопления, вентиляции. Таблица мостных отсосов
   Разрезы 1-1, 2-2. Система отопления 1. Схемы систем В2, В3, ВЕ1, ВЕ2
   Узел управления 1. Системы отопления 2, 3
   Узел управления 2. Система пароснабжения
Разработан: Ростовский Промстройниипроект Госстроя СССР
Утверждён:20.05.1987 Минстройдормаш (Minstroydormash 307)
Расположен в:Техническая документация Строительство Справочные документы Типовые строительные конструкции, изделия и узлы Общероссийский строительный каталог Промышленные предприятия, здания и сооружения Здания и сооружения санитарно-технические Воздухоснабжение, вентиляция и кондиционирование воздуха Воздухоснабжение
Типовой проект 904-1-74.87Типовой проект 904-1-74.87Типовой проект 904-1-74.87Типовой проект 904-1-74.87Типовой проект 904-1-74.87Типовой проект 904-1-74.87Типовой проект 904-1-74.87Типовой проект 904-1-74.87Типовой проект 904-1-74.87Типовой проект 904-1-74.87Типовой проект 904-1-74.87Типовой проект 904-1-74.87Типовой проект 904-1-74.87Типовой проект 904-1-74.87Типовой проект 904-1-74.87Типовой проект 904-1-74.87Типовой проект 904-1-74.87Типовой проект 904-1-74.87Типовой проект 904-1-74.87Типовой проект 904-1-74.87Типовой проект 904-1-74.87Типовой проект 904-1-74.87Типовой проект 904-1-74.87Типовой проект 904-1-74.87Типовой проект 904-1-74.87Типовой проект 904-1-74.87Типовой проект 904-1-74.87Типовой проект 904-1-74.87Типовой проект 904-1-74.87Типовой проект 904-1-74.87Типовой проект 904-1-74.87Типовой проект 904-1-74.87Типовой проект 904-1-74.87Типовой проект 904-1-74.87Типовой проект 904-1-74.87Типовой проект 904-1-74.87Типовой проект 904-1-74.87Типовой проект 904-1-74.87Типовой проект 904-1-74.87Типовой проект 904-1-74.87Типовой проект 904-1-74.87Типовой проект 904-1-74.87Типовой проект 904-1-74.87Типовой проект 904-1-74.87Типовой проект 904-1-74.87Типовой проект 904-1-74.87Типовой проект 904-1-74.87Типовой проект 904-1-74.87Типовой проект 904-1-74.87

© 2013 Ёшкин Кот :-) Карта сайта