Информационная система
«Ёшкин Кот»

Скачать базу одним архивом
Скачать обновления
История создания базы
Карта сайта

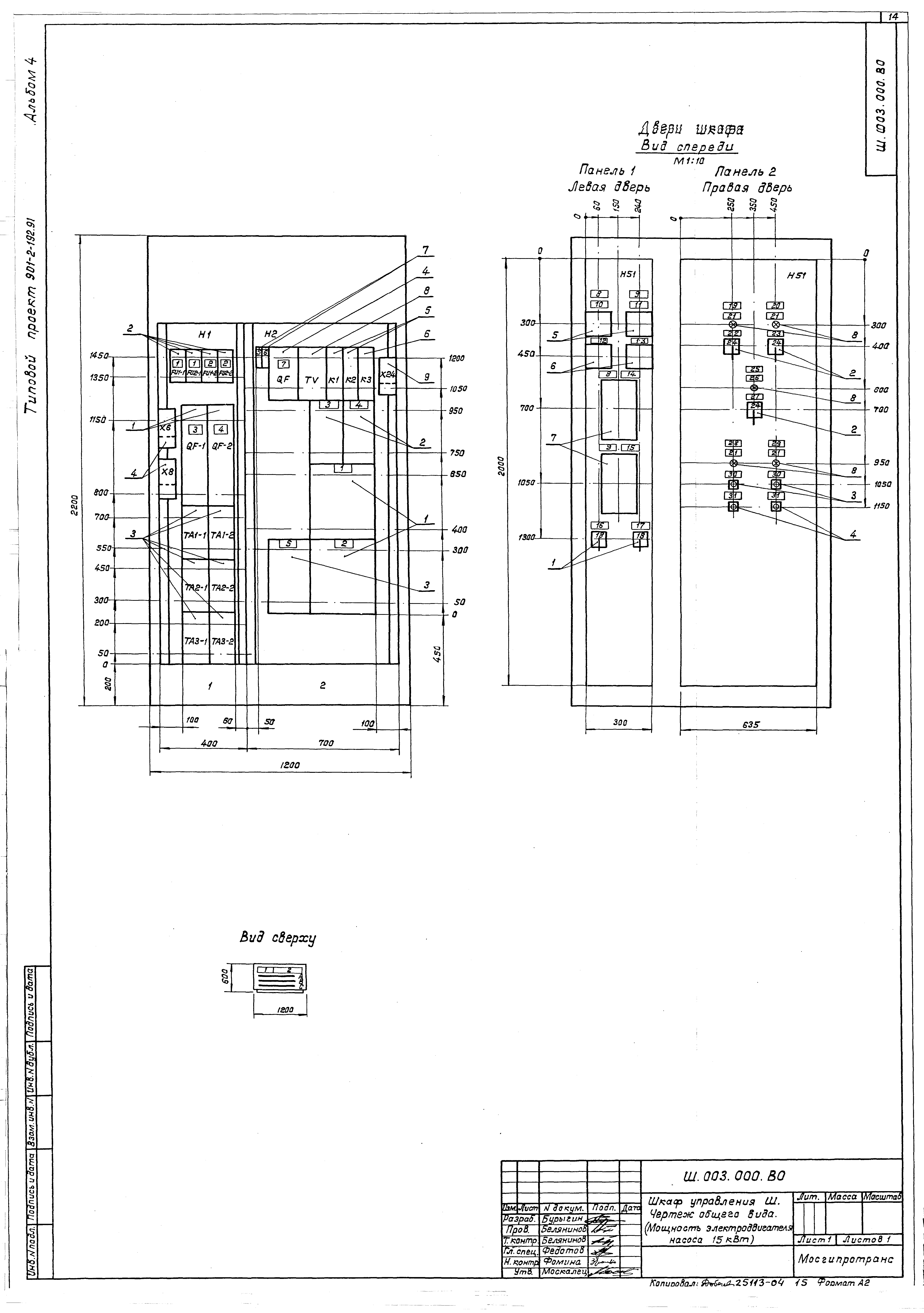
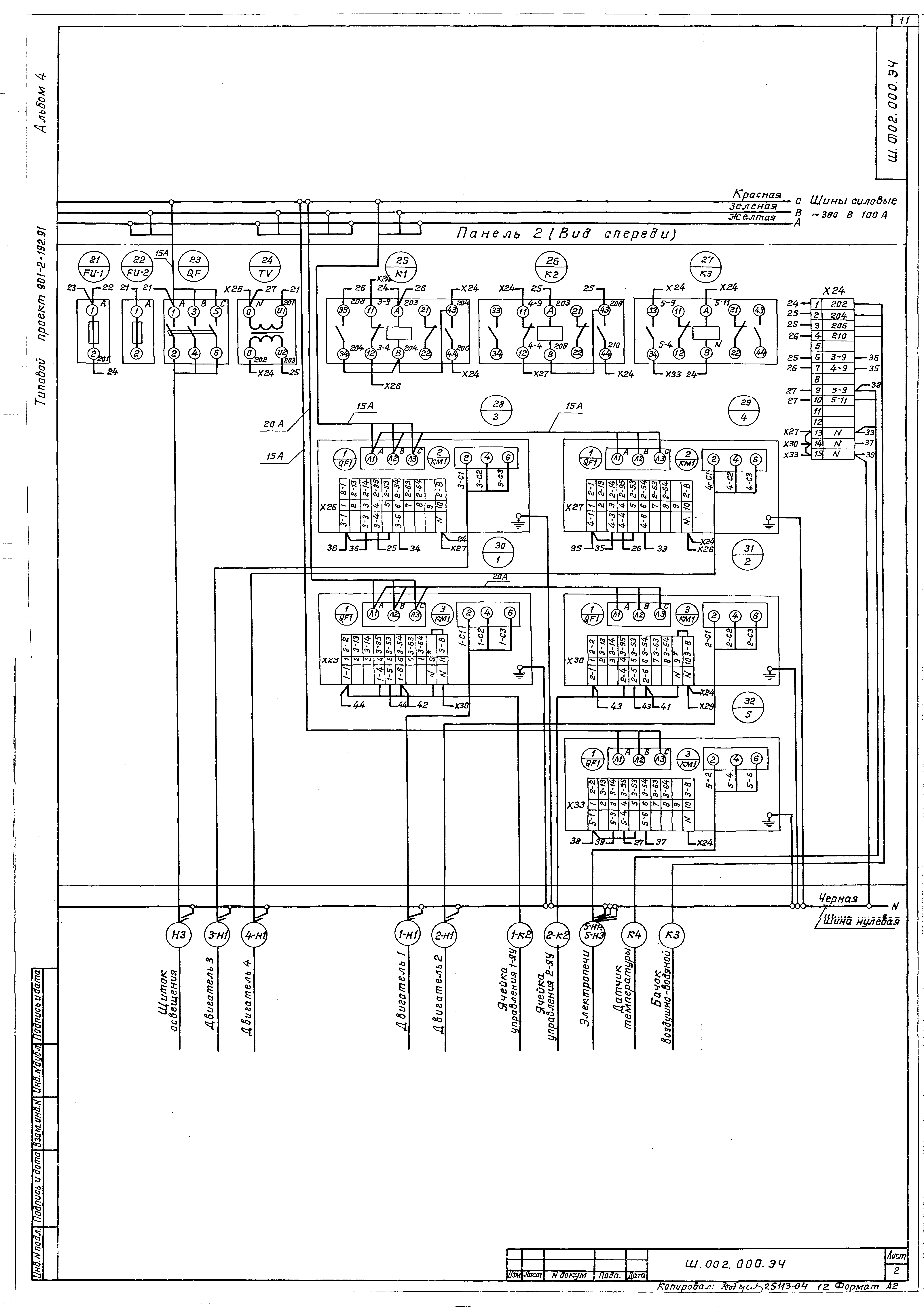
Скачать Типовой проект 901-2-192.91 Альбом 4. Чертежи задания заводу изготовителю на шкафы управления Ш

Дата актуализации: 10.08.2017

Типовой проект 901-2-192.91

Альбом 4. Чертежи задания заводу изготовителю на шкафы управления Ш

Обозначение: Типовой проект 901-2-192.91
Обозначение англ: 901-2-192.91
Статус:не определен законодательством
Название рус.:Альбом 4. Чертежи задания заводу изготовителю на шкафы управления Ш
Дата добавления в базу:01.09.2013
Дата актуализации:05.05.2017
Дата введения:03.07.1991
Разработан: Проектно-изыскательский институт Мосгипротранс
Утверждён:03.07.1991 Министерство транспортного строительства СССР (USSR Ministry of Transport Construction СВ-588)
Расположен в:Техническая документация Строительство Справочные документы Типовые строительные конструкции, изделия и узлы Общероссийский строительный каталог Промышленные предприятия, здания и сооружения Здания и сооружения санитарно-технические Водоснабжение Насосные станции Насосные станции водопроводные
Заменяет собой:
Типовой проект 901-2-192.91Типовой проект 901-2-192.91Типовой проект 901-2-192.91Типовой проект 901-2-192.91Типовой проект 901-2-192.91Типовой проект 901-2-192.91Типовой проект 901-2-192.91Типовой проект 901-2-192.91Типовой проект 901-2-192.91Типовой проект 901-2-192.91Типовой проект 901-2-192.91Типовой проект 901-2-192.91Типовой проект 901-2-192.91Типовой проект 901-2-192.91Типовой проект 901-2-192.91Типовой проект 901-2-192.91Типовой проект 901-2-192.91Типовой проект 901-2-192.91

© 2013 Ёшкин Кот :-) Карта сайта