Информационная система
«Ёшкин Кот»

Скачать базу одним архивом
Скачать обновления
История создания базы
Карта сайта

Скачать Типовой проект 704-1-252с.92 Альбом 2. Конструкции металлические

Дата актуализации: 10.08.2017

Типовой проект 704-1-252с.92

Альбом 2. Конструкции металлические

Обозначение: Типовой проект 704-1-252с.92
Обозначение англ: 704-1-252с.92
Статус:не определен законодательством
Название рус.:Альбом 2. Конструкции металлические
Дата добавления в базу:01.09.2013
Дата актуализации:05.05.2017
Дата введения:13.10.1992
Оглавление:ТП 704-1-252с.92 КМ Общие данные (начало)
ТП 704-1-252с.92 КМ Общие данные (продолжение)
ТП 704-1-252с.92 КМ Общие данные (окончание)
ТП 704-1-252с.92 КМ Техническая спецификация стали (начало)
ТП 704-1-252с.92 КМ Техническая спецификация стали (окончание)
ТП 704-1-252с.92 КМ Ведомость металлоконструкций по видам профилей
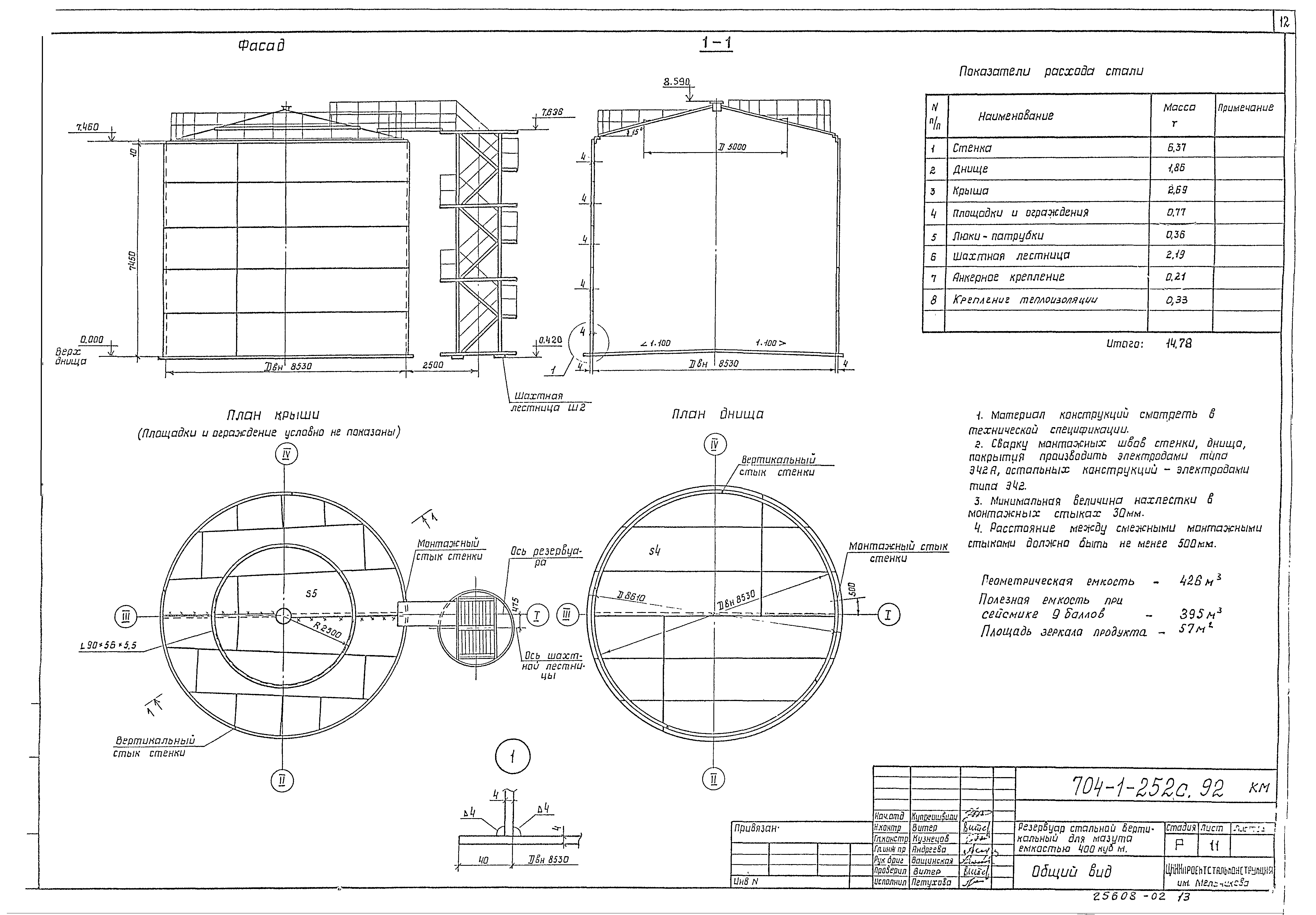
ТП 704-1-252с.92 КМ Общий вид
ТП 704-1-252с.92 КМ Стенка
ТП 704-1-252с.92 КМ Днище
ТП 704-1-252с.92 КМ Крыша
ТП 704-1-252с.92 КМ Площадки и ограждение на крыше
ТП 704-1-252с.92 КМ Схема расположения оборудования
ТП 704-1-252с.92 КМ Люк-лаз Ду500 в 1 поясе стенки
ТП 704-1-252с.92 КМ Патрубки
ТП 704-1-252с.92 КМ Люк световой Ду500. Патрубок замерного люка Лу150
ТП 704-1-252с.92 КМ Патрубки
ТП 704-1-252с.92 КМ Анкерное крепление стенки
ТП 704-1-252с.92 КМ Исходные данные для проектирования основания и фундаментов
Разработан: ЦНИИпроектстальконструкция
Утверждён:13.10.1992 Сантехниипроект (35)
Издан: ГП ЦПП (1996 г. )
Расположен в:Техническая документация Строительство Справочные документы Типовые строительные конструкции, изделия и узлы Общероссийский строительный каталог Промышленные предприятия, здания и сооружения Предприятия, здания и сооружения складские Резервуары и склады для нефти и нефтепродуктов Резервуары стальные для нефти и нефтепродуктов
Типовой проект 704-1-252с.92Типовой проект 704-1-252с.92Типовой проект 704-1-252с.92Типовой проект 704-1-252с.92Типовой проект 704-1-252с.92Типовой проект 704-1-252с.92Типовой проект 704-1-252с.92Типовой проект 704-1-252с.92Типовой проект 704-1-252с.92Типовой проект 704-1-252с.92Типовой проект 704-1-252с.92Типовой проект 704-1-252с.92Типовой проект 704-1-252с.92Типовой проект 704-1-252с.92Типовой проект 704-1-252с.92Типовой проект 704-1-252с.92Типовой проект 704-1-252с.92Типовой проект 704-1-252с.92Типовой проект 704-1-252с.92Типовой проект 704-1-252с.92Типовой проект 704-1-252с.92Типовой проект 704-1-252с.92Типовой проект 704-1-252с.92Типовой проект 704-1-252с.92

© 2013 Ёшкин Кот :-) Карта сайта