Скачать ТУ 5262-020-56506912-2005 Ограждения дорожные удерживающие для автомобилей, боковые, первого типа, металлические. Технические условияДата актуализации: 10.08.2017 ТУ 5262-020-56506912-2005
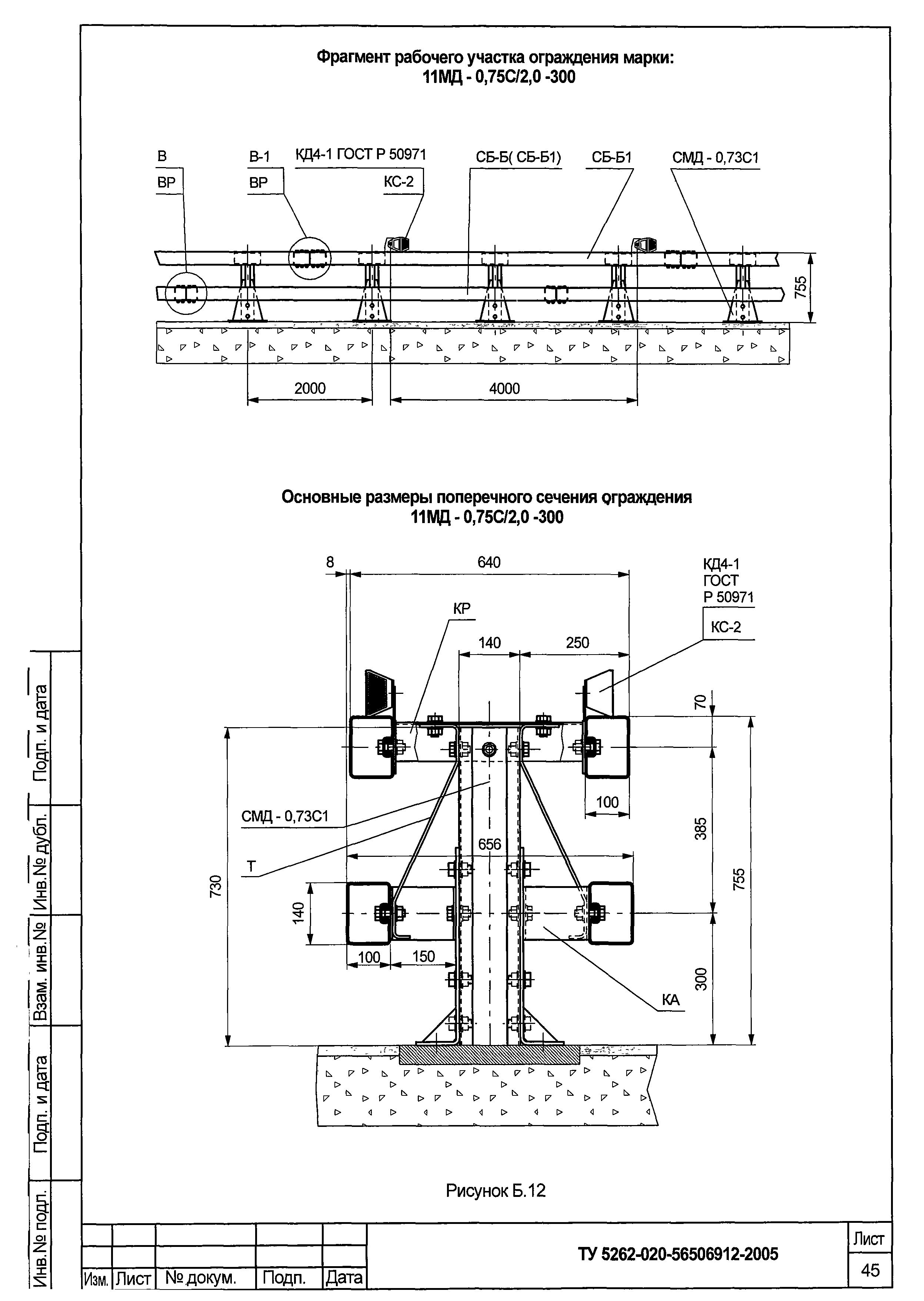
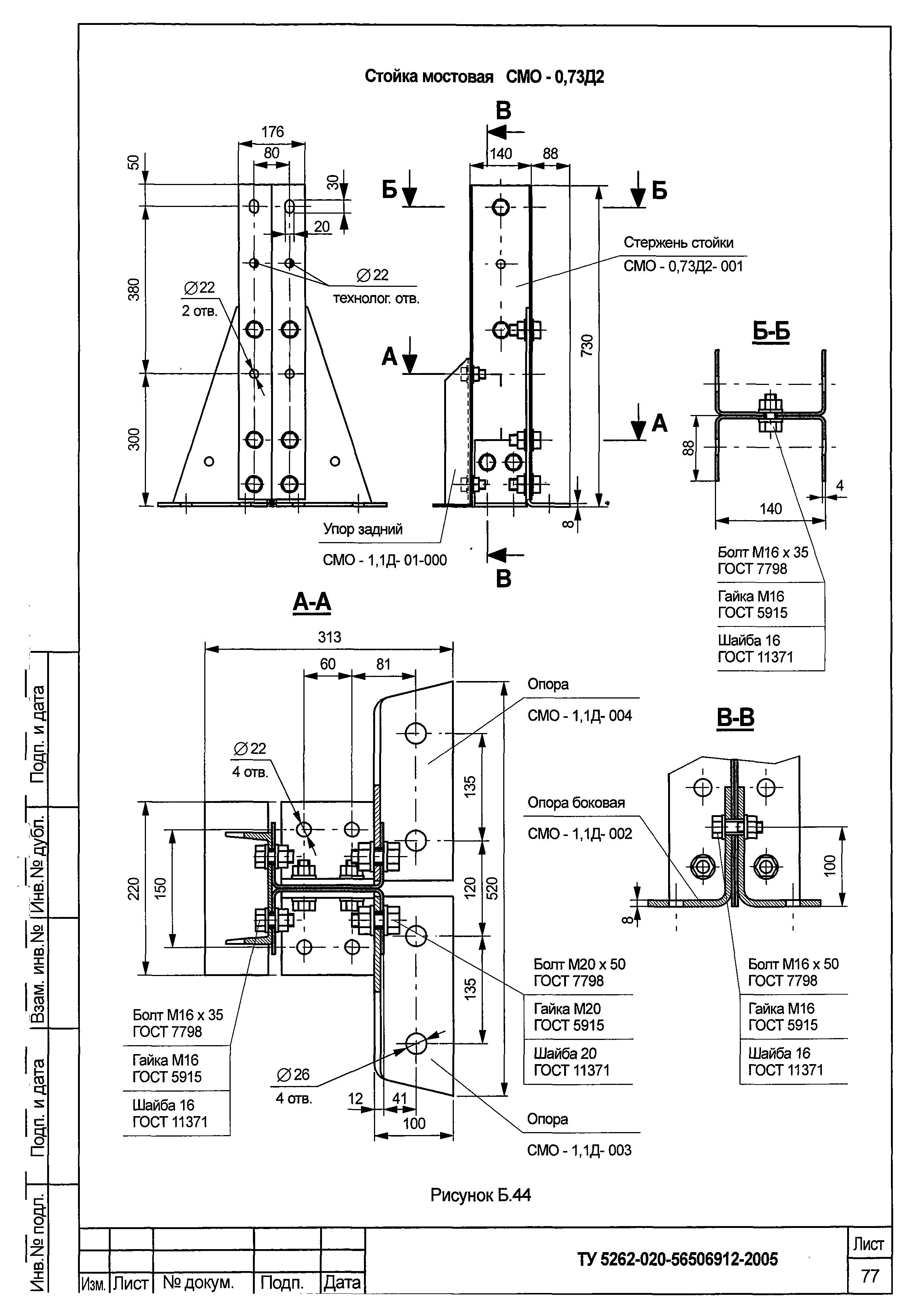
Ограждения дорожные удерживающие для автомобилей, боковые, первого типа, металлические. Технические условияОбозначение: | ТУ 5262-020-56506912-2005 | Обозначение англ: | TU 5262-020-56506912-2005 | Статус: | действует | Название рус.: | Ограждения дорожные удерживающие для автомобилей, боковые, первого типа, металлические. Технические условия | Дата добавления в базу: | 01.09.2013 | Дата актуализации: | 05.05.2017 | Оглавление: | Содержание Вводная часть 1. Технические требования 2. Требования безопасности 3. Правила приемки 4. Методы контроля 5. Испытания 6. Транспортирование и хранение 7. Гарантии изготовителя Приложение А Определения терминов Приложение Б Рисунки ограждений Приложение В Заимствованные элементы ограждений для общей сборки Приложение Г Примеры выполнения нетиповых узлов ограждений Приложение Д Инструкция по установке ограждений Приложение Е Перечень измерительного | Разработан: | ООО ТРАНСБАРЬЕР
| Утверждён: | 21.03.2005 ООО ТРАНСБАРЬЕР
| Принят: | 25.04.2005 ОБДД МВД России
| Расположен в: |
|
                                                                                                                                      
|