| ||||||||||||||||||||||||||||||||||
Скачать ГОСТ Р 51317.4.7-2008 Совместимость технических средств электромагнитная. Общее руководство по средствам измерений и измерениям гармоник и интергармоник для систем электроснабжения и подключаемых к ним технических средствДата актуализации: 10.08.2017
|
| Обозначение: | ГОСТ Р 51317.4.7-2008 |
| Обозначение англ: | GOST R 51317.4.7-2008 |
| Статус: | отменен |
| Название рус.: | Совместимость технических средств электромагнитная. Общее руководство по средствам измерений и измерениям гармоник и интергармоник для систем электроснабжения и подключаемых к ним технических средств |
| Название англ.: | Electromagnetic compatibility of technical equipment. General guide on harmonics and interharmonics measuring instruments and measurement, for power suply systems and equipment connected thereto |
| Дата добавления в базу: | 01.09.2013 |
| Дата актуализации: | 05.05.2017 |
| Дата введения: | 01.01.2014 |
| Область применения: | Стандарт распространяется на средства измерений, предназначенные для измерений спектральных составляющих напряжения и тока в полосе частот до 9 кГц, которые наложены на основные составляющие в системах электроснабжения частотой 50 и 60 Гц. Из практических соображений в стандарте установлено различие между гармониками и интергармониками с одной стороны, и другими спектральными составляющими, расположенными выше области частот гармоник (приблизительно 2 кГц) до частоты 9 кГц, с другой стороны. |
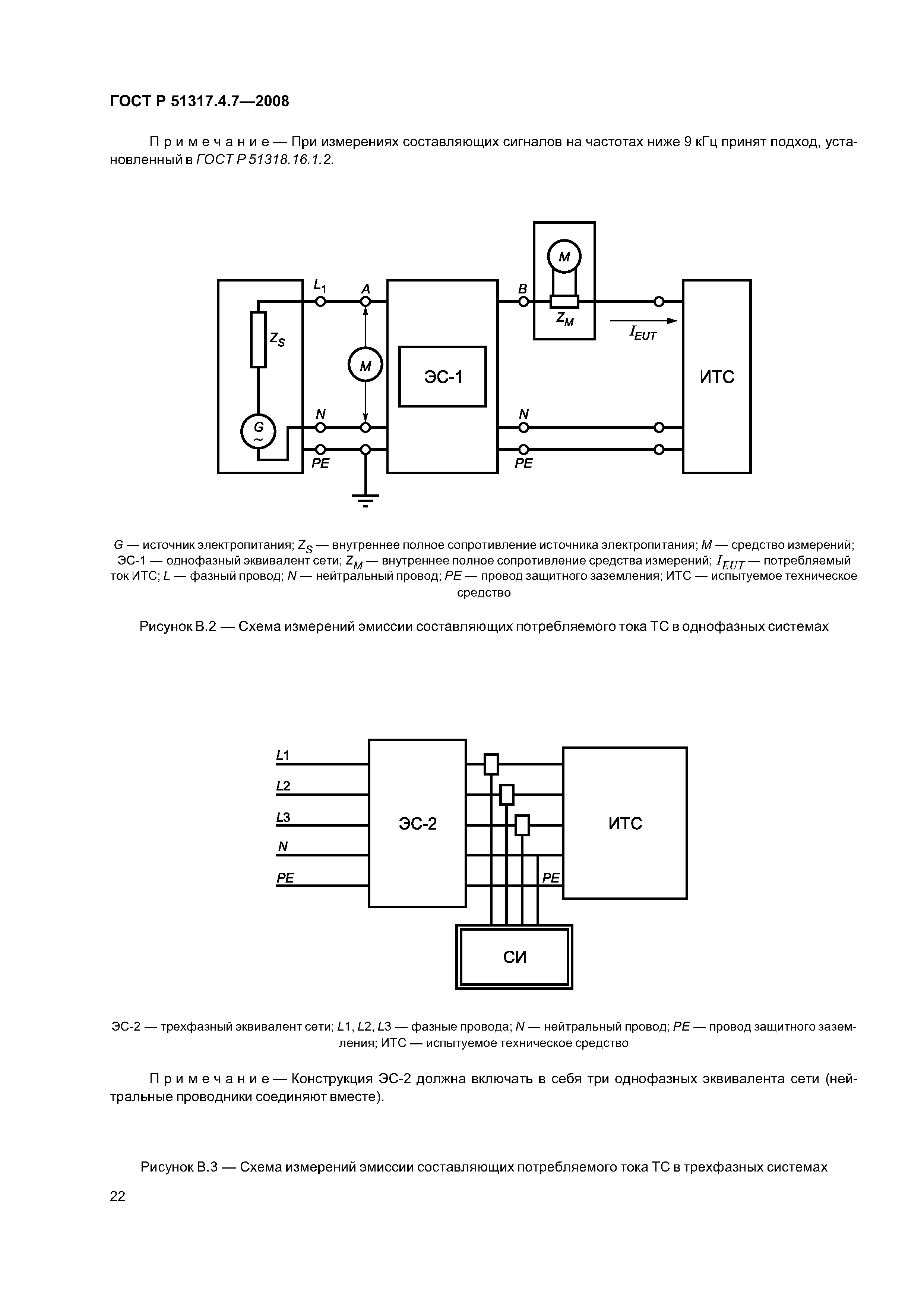
| Оглавление: | 1 Область применения 2 Нормативные ссылки 3 Термины, определения, обозначения и индексы 3.1 Определения, относящиеся к частотному анализу сигналов с применением преобразования Фурье 3.2 Термины и определения, относящиеся к гармоникам 3.3 Термины и определения, относящиеся к коэффициентам искажения 3.4 Термины и определения, относящиеся к интергармоникам 3.5 Обозначения и индексы 4 Общие понятия. Общие требования к средствам измерений всех видов 4.1 Характеристики измеряемых сигналов 4.2 Классы точности средств измерений 4.3 Виды измерений 4.4 Общая структура средства измерений 5 Измерение гармоник 5.1 Измерительные входы тока 5.2 Измерительные входы напряжения 5.3 Требования к погрешности измерений 5.4 Схема измерений и напряжение электропитания 5.5 Оценка эмиссии гармоник 5.6 Оценка гармонических подгрупп напряжения 6 Другие принципы анализа 7 Переходный период 8 Общие требования Приложение А (справочное) Измерение интергармоник Приложение В (справочное) Измерения на частотах выше области частот гармоник до 9 кГц Приложение С (справочное) Технические обоснования метода группирования Приложение D (справочное) Сведения о соответствии ссылочных международных стандартов национальным стандартам Российской Федерации, использованным в настоящем стандарте в качестве нормативных ссылок Библиография |
| Разработан: | ФГУП ВНИИМС ФГУП ВНИИМ им. Д. И. Менделеева ЗАО НИЦ САМТЭС |
| Утверждён: | 25.12.2008 Федеральное агентство по техническому регулированию и метрологии (723-ст) |
| Издан: | Стандартинформ (2009 г. ) |
| Расположен в: | |
| Нормативные ссылки: |
|






































