Информационная система
«Ёшкин Кот»

Скачать базу одним архивом
Скачать обновления
История создания базы
Карта сайта

Скачать Типовой проект 13362тм Альбом 1. Пояснительная записка

Дата актуализации: 10.08.2017

Типовой проект 13362тм

Альбом 1. Пояснительная записка

Обозначение: Типовой проект 13362тм
Обозначение англ: 13362тм
Статус:не определен законодательством
Название рус.:Альбом 1. Пояснительная записка
Дата добавления в базу:01.09.2013
Дата актуализации:05.05.2017
Дата введения:20.04.1993
Оглавление:13362тм-СА Содержание альбома
13362тм-ПЗ Пояснительная записка
13362тм-ТБ1 Таблица исходных данных для выбора фундаментов под трансформаторы
13362тм-ТБ2 Таблица для выбора фундаментов под трансформаторы
13362тм-ТБ3 Таблица для выбора анкеров из плит и подножников
13362тм-ТБ4 Таблица расчетных нагрузок на плиты НСП35.10А и НСП35.15А
13362тм-КС Конструкции фундаментов под трансформаторы и анкера
13362тм-КС Фундамент ФП-1 из плит
13362тм-КС Фундаменты ФП-2,ФП-3 из плит
13362тм-КС Фундаменты ФП-4,ФП-5 из плит
13362тм-КС Фундамент ФП-6 из плит
13362тм-КС Фундаменты ФП-1-ФП-6. Разрез 1-1
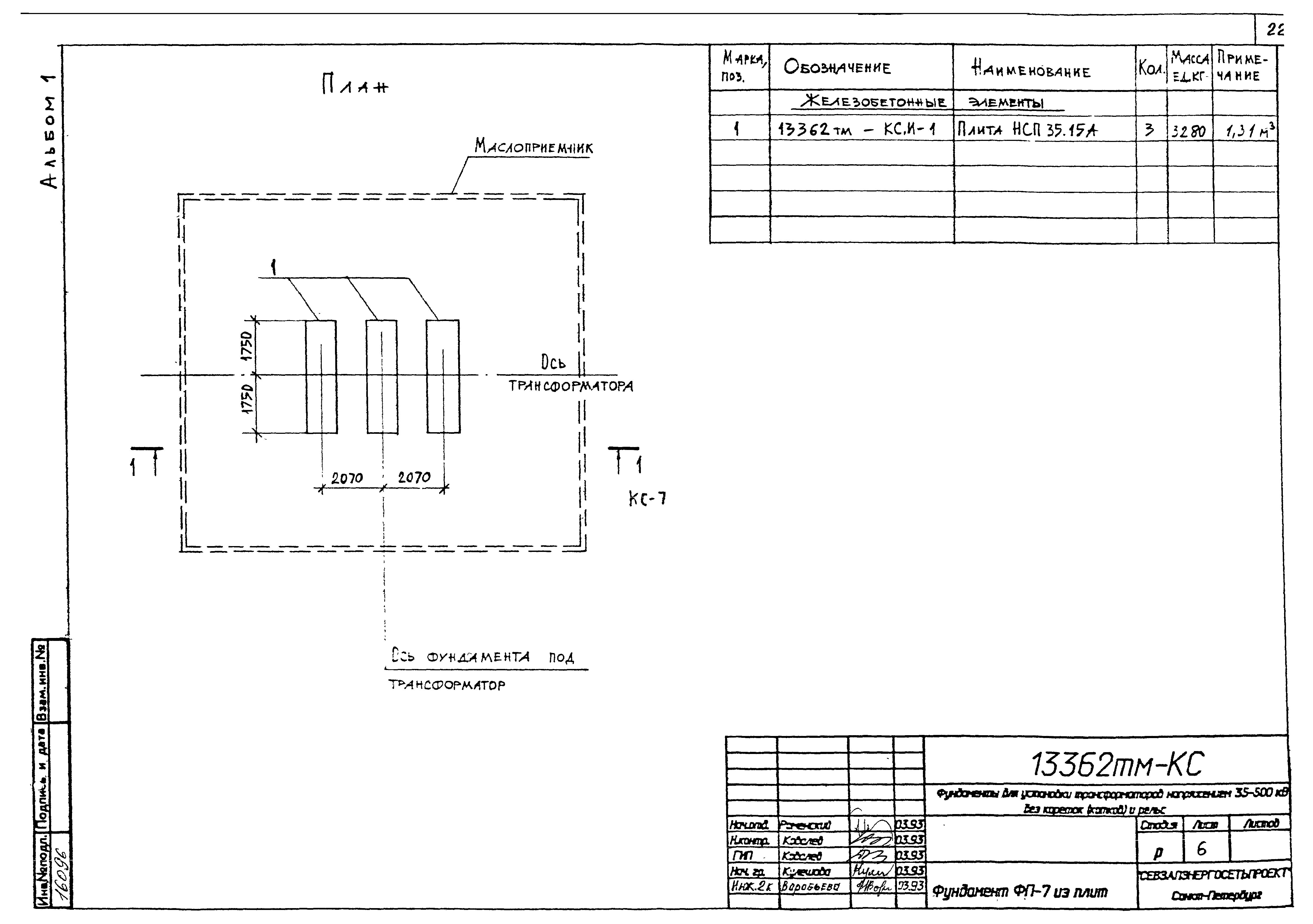
13362тм-КС Фундамент ФП-7 из плит
13362тм-КС Фундамент ФП-7 из плит. Разрез 1-1
13362тм-КС Фундамент ФП-8 из плит
13362тм-КС Фундамент ФП-9 из плит
13362тм-КС Фундамент ФП-10 из плит
13362тм-КС Фундаменты ФП-8-ФП-10. Разрез 1-1
13362тм-КС Фундамент ФП-11 из плит
13362тм-КС Фундамент ФП-11. Разрез 1-1
13362тм-КС Фундаменты ФГ-1,ФГ-1А,ФГ-2,ФГ-2А из подножников
13362тм-КС Фундаменты ФГ-3,ФГ-4 из подножников
13362тм-КС Фундаменты ФГ-5,ФГ-6 из подножников
13362тм-КС Фундаменты ФГ-7,ФГ-8 из подножников
13362тм-КС Фундаменты ФГ-1…ФГ-8. Фундаменты ФГ-1А,ФГ-2А. Разрез 1-1
13362тм-КС Фундаменты ФГ-9,ФГ-10 из подножников
13362тм-КС Фундаменты ФГ-9,ФГ-10. Разрез 1-1
13362тм-КС Фундаменты ФГ-11,ФГ-12 из подножников
13362тм-КС Фундаменты ФГ-13,ФГ-14 из подножников
13362тм-КС Фундаменты ФГ-15,ФГ-16 из подножников
13362тм-КС Фундаменты ФГ-11...ФГ-16. Разрез 1-1
13362тм-КС Фундаменты ФГ-17,ФГ-18 из подножников
13362тм-КС Фундаменты ФГ-17,ФГ-18. Разрез 1-1
13362тм-КС Фундаменты ФГ-1…ФГ-18,ФГ-1А,ФГ-2А. Узлы l,ll
13362тм-КС Анкерное устройство тип l-А
13362тм-КС Анкерное устройство тип l-А. Узлы А,Б
13362тм-КС Анкерное устройство тип ll-А
13362тм-КС Анкера типа lll-А,lll-Б,lll-В. Разрез 1-1
13362тм-КС Анкера типа lV-А,lV-Б,lV-В. Разрез 1-1
13362тм-КС Анкера типа V-А,V-Б,V-В. Разрез 1-1
13362тм-КС Анкера типа VI-А. Разрез 1-1
13362тм-КС Анкера типа VI-Б. Разрез 1-1
13362тм-КС Анкера типа VIl-А. Разрез 1-1
13362тм-КС Анкера типа VIl-Б. Разрез 1-1
13362тм-КС Анкера типа III...Vil. Узлы l...V
13362тм-КС Пример установки трансформатора
13362тм-КС.И Строительные изделия
13362тм-КС.И Плиты НСП35.10А,НСП35.15А
13362тм-КС.И Балка Б-1
13362тм-КС.И Марка М-1
13362тм-КС.И Марки М-2…М-5
13362тм-КС.И Марки М-6, М-8
13362тм-КС.И Деталь закладная МН-1
13362тм-КС.И Марка М-7
13362тм-КС.И Марки М-9…М-14
13362тм-КС.И Марки М-15,М-16
13362тм-КС.И Марка М-17
Разработан: Севзапэнергосетьпроект
Утверждён:20.04.1993 Севзапэнергосетьпроект (29-003/7)
Издан: Севзапэнергосетьпроект (1993 г. )
Расположен в:Техническая документация Строительство Справочные документы Типовые строительные конструкции, изделия и узлы Разработанные другими министерствами, ведомствами и организациями
Типовой проект 13362тмТиповой проект 13362тмТиповой проект 13362тмТиповой проект 13362тмТиповой проект 13362тмТиповой проект 13362тмТиповой проект 13362тмТиповой проект 13362тмТиповой проект 13362тмТиповой проект 13362тмТиповой проект 13362тмТиповой проект 13362тмТиповой проект 13362тмТиповой проект 13362тмТиповой проект 13362тмТиповой проект 13362тмТиповой проект 13362тмТиповой проект 13362тмТиповой проект 13362тмТиповой проект 13362тмТиповой проект 13362тмТиповой проект 13362тмТиповой проект 13362тмТиповой проект 13362тмТиповой проект 13362тмТиповой проект 13362тмТиповой проект 13362тмТиповой проект 13362тмТиповой проект 13362тмТиповой проект 13362тмТиповой проект 13362тмТиповой проект 13362тмТиповой проект 13362тмТиповой проект 13362тмТиповой проект 13362тмТиповой проект 13362тмТиповой проект 13362тмТиповой проект 13362тмТиповой проект 13362тмТиповой проект 13362тмТиповой проект 13362тмТиповой проект 13362тмТиповой проект 13362тмТиповой проект 13362тмТиповой проект 13362тмТиповой проект 13362тмТиповой проект 13362тмТиповой проект 13362тмТиповой проект 13362тмТиповой проект 13362тмТиповой проект 13362тмТиповой проект 13362тмТиповой проект 13362тмТиповой проект 13362тмТиповой проект 13362тмТиповой проект 13362тмТиповой проект 13362тмТиповой проект 13362тмТиповой проект 13362тмТиповой проект 13362тмТиповой проект 13362тмТиповой проект 13362тмТиповой проект 13362тмТиповой проект 13362тмТиповой проект 13362тмТиповой проект 13362тмТиповой проект 13362тмТиповой проект 13362тм

© 2013 Ёшкин Кот :-) Карта сайта