| ||||||||||||||||||||||||||||||||
Скачать Серия 3.006-2 Выпуск II-1. Рабочие чертежи железобетонных изделий (лотковые элементы)Дата актуализации: 10.08.2017
|
| Обозначение: | Серия 3.006-2 |
| Обозначение англ: | Series 3.006-2 |
| Статус: | заменен |
| Название рус.: | Выпуск II-1. Рабочие чертежи железобетонных изделий (лотковые элементы) |
| Дата добавления в базу: | 01.09.2013 |
| Дата актуализации: | 05.05.2017 |
| Дата введения: | 01.12.1984 |
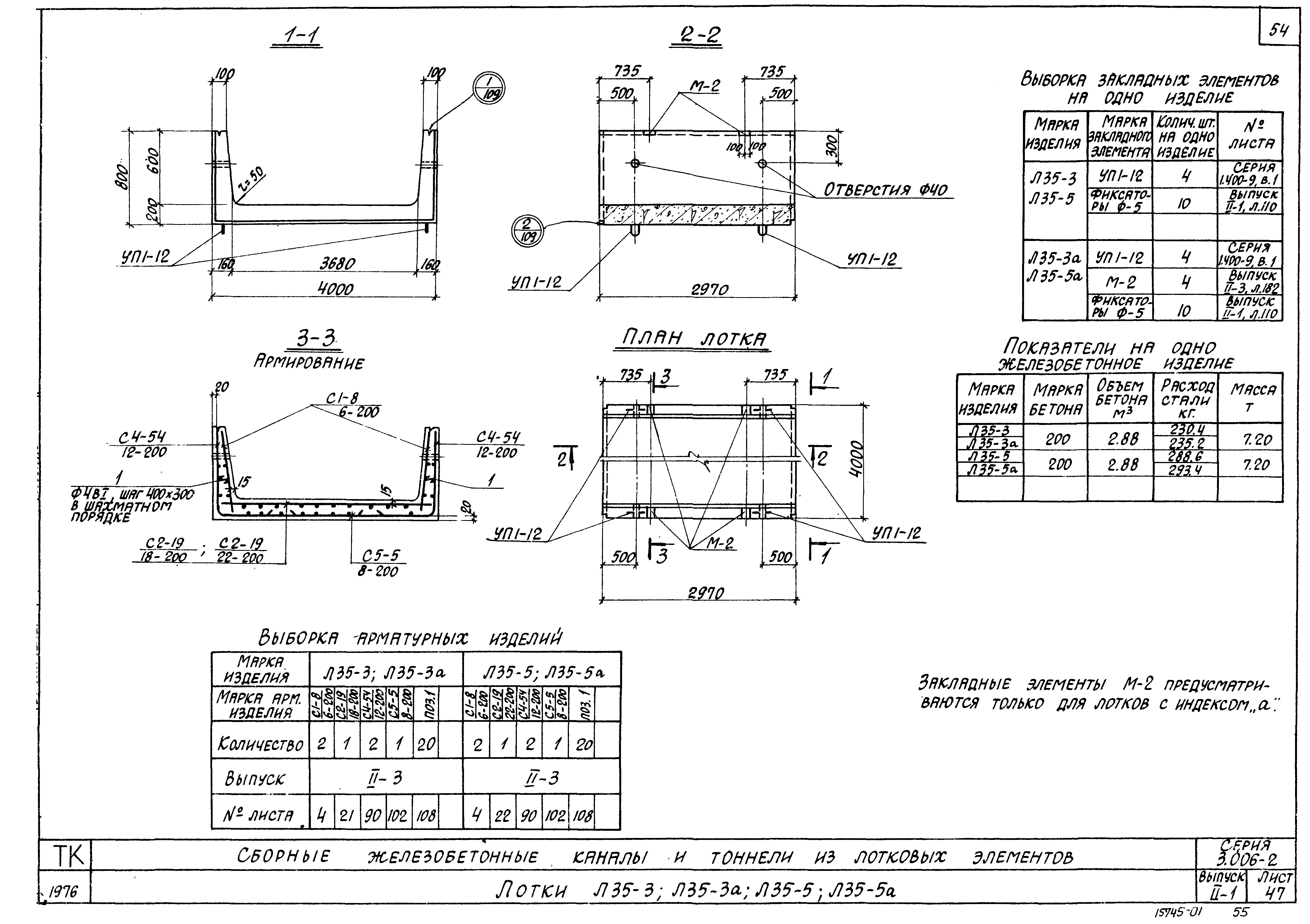
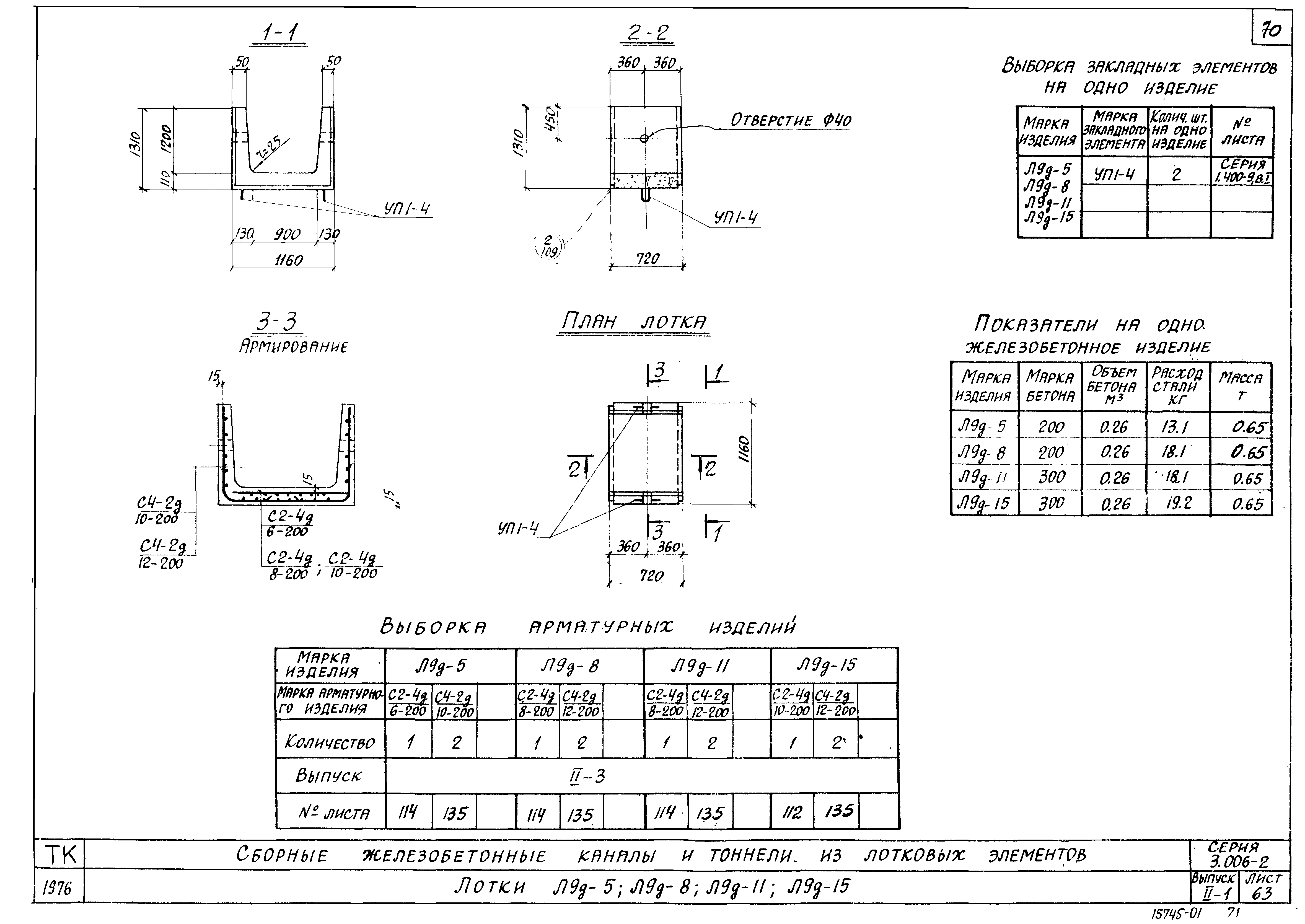
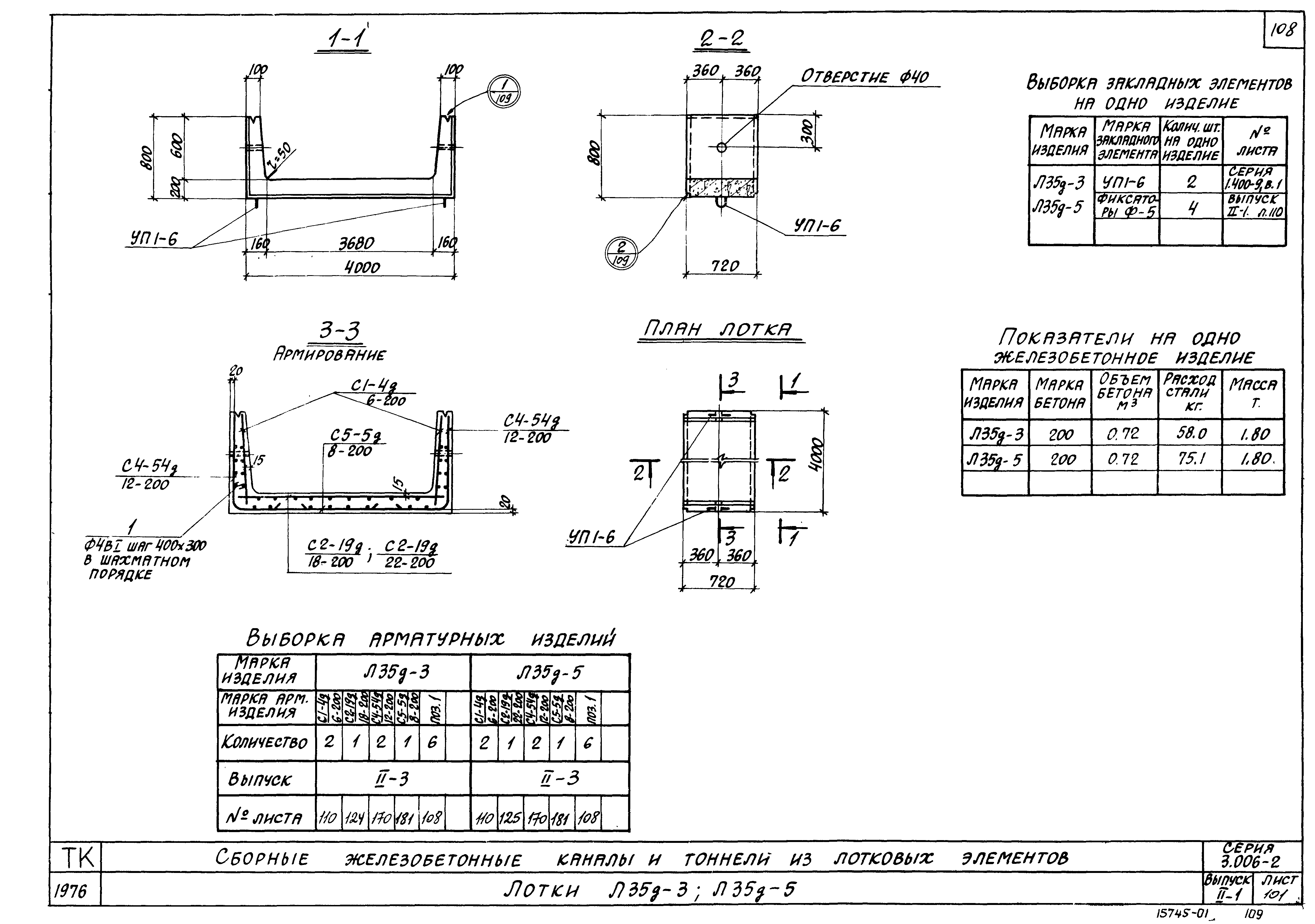
| Оглавление: | Пояснительная записка Лотки Л1-8, Л1-15 Лотки Л2-8, Л2-15 Лотки Л3-8, Л3-15 Лотки Л4-8, Л4-15 Лотки Л5-8, Л5-15 Лотки Л6-5, Л6-8, Л6-15 Лотки Л7-5, Л7-8, Л7-15 Лотки Л8-5, Л8-8, Л8-11, Л8-15 Лотки Л9-5, Л9-8, Л9-11, Л9-15 Лотки Л10-3, Л10-5, Л10-8, Л10-11, Л10-15 Лотки Л11-3, Л11-5, Л11-8, Л11-11, Л11-15 Лотки Л12-3, Л12-5, Л12-8, Л12-11, Л12-12, Л12-15 Лотки Л13-3, Л13-5, Л13-8, Л13-11, Л13-15 Лотки Л14-3, Л14-5, Л14-8, Л14-11, Л14-15 Лотки Л15-3, Л15-3а, Л15-5, Л15-5а, Л15-8, Л15-8а, Л15-11, Л15-11а, Л15-15, Л15-15а Лотки Л16-3, Л16-3а, Л16-5, Л16-5а, Л16-8, Л16-8а, Л16-11, Л16-11а, Л16-12, Л16-12а, Л16-15, Л16-15а Лотки Л17-3, Л17-3а, Л17-5, Л17-5а, Л17-8, Л17-8а, Л17-11, Л17-11а, Л17-12, Л17-12а, Л17-15, Л17-15а Лотки Л18-3, Л18-3а, Л18-5, Л18-5а, Л18-8, Л18-8а, Л18-11, Л18-11а, Л18-12, Л18-12а, Л18-15, Л18-15а Лотки Л19-3, Л19-3а, Л19-5, Л19-5а, Л19-8, Л19-8а, Л19-11, Л19-11а, Л19-15, Л19-15а Лотки Л20-3, Л20-3а, Л20-5, Л20-5а, Л20-11, Л20-11а, Л20-15, Л20-15а Лотки Л21-3, Л21-3а, Л21-5, Л21-5а, Л21-11, Л21-11а, Л21-15, Л21-15а Лотки Л22-3, Л22-3а, Л22-5, Л22-5а, Л22-8, Л22-8а, Л22-11, Л22-11а, Л22-15, Л22-15а Лотки Л23-3, Л23-3а, Л23-5, Л23-5а, Л23-8, Л23-8а, Л23-11, Л23-11а Лотки Л23-12, Л23-12а, Л23-15, Л23-15а Лотки Л24-3, Л24-3а, Л24-5, Л24-5а, Л24-8, Л24-8а, Л24-11, Л24-11а Лотки Л24-12, Л24-12а, Л24-15, Л24-15а Лотки Л25-3, Л25-3а, Л25-5, Л25-5а, Л25-8, Л25-8а, Л25-11, Л25-11а Лотки Л25-12, Л25-12а, Л25-15, Л25-15а Лотки Л26-3, Л26-3а, Л26-5, Л26-5а, Л26-8, Л26-8а, Л26-11, Л26-11а Лотки Л26-12, Л26-12а, Л26-15, Л26-15а Лотки Л27-3, Л27-3а, Л27-5, Л27-5а, Л27-8, Л27-8а, Л27-11, Л27-11а Лотки Л27-12, Л27-12а, Л27-15, Л27-15а Лотки Л28-3, Л28-3а, Л28-5, Л28-5а, Л28-8, Л28-8а, Л28-11, Л28-11а Лотки Л28-12, Л28-12а, Л28-15, Л28-15а Лотки Л29-3, Л29-3а, Л29-5, Л29-5а, Л29-8, Л29-8а, Л29-11, Л29-11а Лотки Л29-12, Л29-12а, Л29-15, Л29-15а Лотки Л30-3, Л30-3а, Л30-5, Л30-5а, Л30-8, Л30-8а, Л30-11, Л30-11а Лотки Л30-12, Л30-12а, Л30-15, Л30-15а Лотки Л31-3, Л31-3а, Л31-5, Л31-5а, Л31-8, Л31-8а Лотки Л31-11, Л31-11а, Л31-12, Л31-12а, Л31-15, Л31-15а Лотки Л32-3, Л32-3а, Л32-5, Л32-5а, Л32-8, Л32-8а Лотки Л32-11, Л32-11а, Л32-12, Л32-12а, Л32-15, Л32-15а Лотки Л33-3, Л33-3а, Л33-5, Л33-5а, Л33-8, Л33-8а Лотки Л33-11, Л33-11а, Л33-12, Л33-12а, Л33-15, Л33-15а Лотки Л34-3, Л34-3а, Л34-5, Л34-5а, Л34-8, Л34-8а Лотки Л34-11, Л34-11а, Л34-12, Л34-12а, Л34-15, Л34-15а Лотки Л35-3, Л35-3а, Л35-5, Л35-5а Лотки Л35-8, Л35-8а, Л35-11, Л35-11а, Л35-12, Л35-12а, Л35-15, Л35-15а Лотки Л36-3, Л36-3а, Л36-5, Л36-5а, Л36-8, Л36-8а Лотки Л36-11, Л36-11а, Л36-12, Л36-12а, Л36-15, Л36-15а Лотки Л37-3, Л37-3а, Л37-5, Л37-5а, Л37-8, Л37-8а Лотки Л37-11, Л37-11а, Л37-12, Л37-12а, Л37-15, Л37-15а Лотки Л38-3, Л38-3а, Л38-5, Л38-5а, Л38-8, Л38-8а Лотки Л38-11, Л38-11а, Л38-12, Л38-12а, Л38-15, Л38-15а Лотки Л1д-8, Л1д-15 Лотки Л2д-8, Л2д-15 Лотки Л3д-8, Л3д-15 Лотки Л4д-8, Л4д-15 Лотки Л5д-8, Л5д-15 Лотки Л6д-5, Л6д-8, Л6д-15 Лотки Л7д-5, Л7д-8, Л7д-15 Лотки Л8д-5, Л8д-8, Л8д-11, Л8д-15 Лотки Л9д-5, Л9д-8, Л9д-11, Л9д-15 Лотки Л10д-3, Л10д-5, Л10д-8, Л10д-11, Л10д-15 Лотки Л11д-3, Л11д-5, Л11д-8, Л11д-11, Л11д-15 Лотки Л12д-3, Л12д-5, Л12д-8, Л12д-11, Л12д-15 Лотки Л13д-3, Л13д-5, Л13д-8, Л13д-11, Л13д-15 Лотки Л14д-3, Л14д-5, Л14д-8, Л14д-11, Л14д-15 Лотки Л15д-3, Л15д-5, Л15д-8, Л15д-11, Л15д-15 Лотки Л16д-3, Л16д-5, Л16д-8, Л16д-11, Л16д-12, Л13д-15 Лотки Л17д-3, Л17д-5, Л17д-8, Л17д-11, Л17д-12, Л17д-15 Лотки Л18д-3, Л18д-5, Л18д-8, Л18д-11, Л18д-12, Л18д-15 Лотки Л19д-3, Л19д-5, Л19д-8, Л19д-11, Л19д-15 Лотки Л20д-3, Л20д-5, Л20д-11, Л20д-15 Лотки Л21д-3, Л21д-5, Л21д-11, Л21д-15 Лотки Л22д-3, Л22д-5, Л22д-8, Л22д-11, Л22д-15 Лотки Л23д-3, Л23д-5, Л23д-8, Л23д-11 Лотки Л23д-12, Л23д-15 Лотки Л24д-3, Л24д-5, Л24д-8, Л24д-11 Лотки Л24д-12, Л24д-15 Лотки Л25д-3, Л25д-5, Л25д-8, Л25д-11 Лотки Л25д-12, Л25д-15 Лотки Л26д-3, Л26д-5, Л26д-8, Л26д-11 Лотки Л26д-12, Л26д-15 Лотки Л27д-3, Л27д-5, Л27д-8, Л27д-11 Лотки Л27д-12, Л27д-15 Лотки Л28д-3, Л28д-5, Л28д-8, Л28д-11 Лотки Л28д-12, Л28д-15 Лотки Л29д-3, Л29д-5, Л29д-8, Л29д-11 Лотки Л29д-12, Л29д-15 Лотки Л30д-3, Л30д-5, Л30д-8, Л30д-11 Лотки Л30д-12, Л30д-15 Лотки Л31д-3, Л31д-5, Л31д-8 Лотки Л31д-11, Л31д-12, Л31д-15 Лотки Л32д-3, Л32д-5, Л32д-8 Лотки Л32д-11, Л32д-12, Л32д-15 Лотки Л33д-3, Л33д-5, Л33д-8 Лотки Л33д-11, Л33д-12, Л33д-15 Лотки Л34д-3, Л34д-5, Л34д-8 Лотки Л34д-11, Л34д-12, Л34д-15 Лотки Л35д-3, Л35д-5 Лотки Л35д-8, Л35д-11, Л35д-12, Л35д-15 Лотки Л36д-3, Л36д-5, Л36д-8 Лотки Л36д-11, Л36д-12, Л36д-15 Лотки Л37д-3, Л37д-5, Л37д-8 Лотки Л37д-11, Л37д-12, Л37д-15 Лотки Л38д-3, Л38д-5, Л38д-8 Лотки Л38д-11, Л38д-12, Л38д-15 Узлы "1" и "2". Детали установки закладных элементов М-1 - М4 и монтажные петли Схемы фиксации арматуры. Фиксаторы Ф-1 - Ф-6 Примеры раскладки сеток |
| Разработан: | НИИЖБ Госстроя СССР ЦНИИпромзданий Харьковский Промстройниипроект |
| Утверждён: | 02.10.1978 Госстрой СССР (Государственный комитет Совета Министров СССР по делам строительства) (USSR Gosstroy 190) |
| Издан: | ЦИТП Госстроя СССР (CITP, Gosstroy (USSR) 1981 г. ) |
| Расположен в: | |
| Заменяет собой: | |
| Чем заменён: |























































































































