Скачать Типовые материалы для проектирования 407-03-439.87 Альбом VII. Часть 2. Конструкции и узлы. Конструкции металлическиеДата актуализации: 10.08.2017 Типовые материалы для проектирования 407-03-439.87
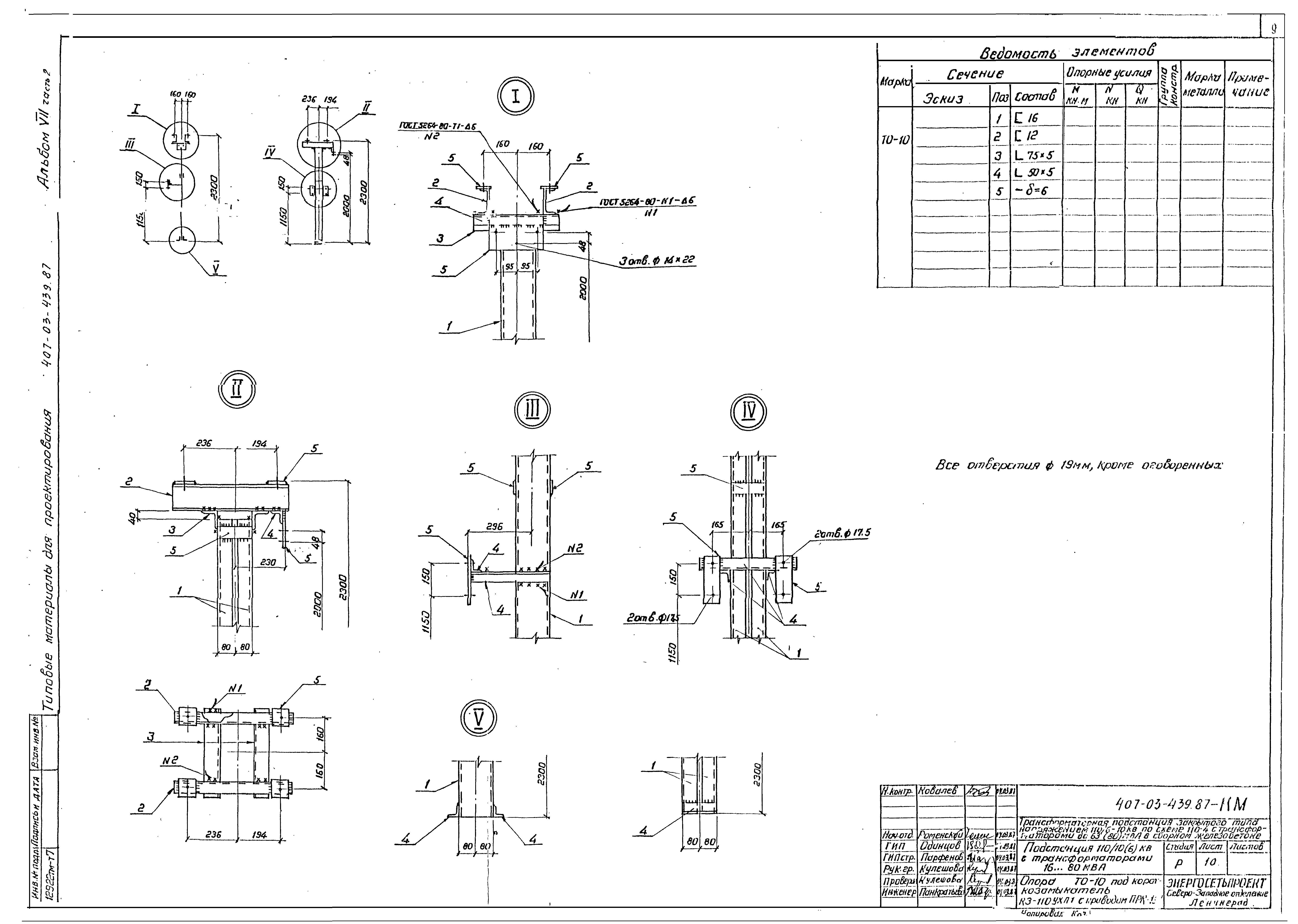
Альбом VII. Часть 2. Конструкции и узлы. Конструкции металлическиеОбозначение: | Типовые материалы для проектирования 407-03-439.87 | Обозначение англ: | 407-03-439.87 | Статус: | cправочные материалы, мп, тпр | Название рус.: | Альбом VII. Часть 2. Конструкции и узлы. Конструкции металлические | Дата добавления в базу: | 01.09.2013 | Дата актуализации: | 05.05.2017 | Дата введения: | 16.03.1987 | Оглавление: | Общие данные Опора ТО-1 под отделитель ОД-3-1-110/1000 УХЛ1 с приводом ПРО1У1 и ПР-180-У1 Опора ТО-2 под отделитель ОД--110/1000 УХЛ1 с приводом ПРО1У1 Опора ТО-3 под разъединитель РНД3-1а, 1б, 2-110/1000 УХЛ1 с приводом ПР-1У1 Опоры ТО-4 и ТО-5 под трансформаторы напряжения НКФ-110-83У1 Опора ТО-6 под высокочастотный заградитель и конденсаторы связи СМП-110 Опора ТО-7 под разрядники РВС-110М Опора ТО-8 под опорный разрядник РВС-110М (вариант низкой установки) Опора ТО-9 под опорный изолятор ПОС-110--600 УХЛ Опора ТО-10 под короткозамыкатель КЗ-110 УХЛ1 с приводом ПРК-1У1 Опоры ТО-11, ТО-12, ТО-14 под выключатель ВМТ-110Б-25/1250 УХЛ1 и трансформаторы тока ТФЗМ-110Б-2У1 Опоры ТО-11, ТО-12, ТО-14 под выключатель ВМТ-110Б-25/1250 УХЛ1 и трансформаторы тока ТФЗМ-110Б-2У1. Узлы 6, 7 Опора ТО-13 под трансформатор тока ТФЗМ-110Б-1У1 Помещение кабельных муфт. Опора ТО-15 Помещение кабельных муфт. Опора ТО-16 Ограждение сетчатое ОГ-1 Ограждение сетчатое Ог-2, ОГ-3, ОГ-4 Стойка СФ-10А Лестница Л-1, ограждение Л-2, Балка Б-1 Панель П1, П2 Кранбалки МБ-1, МБ-2. Балки МБ-3, МБ-4, МБ-6. Монорельс Мб-5. Крепежные элементы МБ-7, МБ-8 Металлическая дверь МТ-1 Металлическая дверь МТ-1. Комплекты Б, В, Г, К Металлическая дверь МТ-1. Комплекты Ж, И, Л Схема расположения защитных козырьков над входами в камеры ТСН Металлическая дверь МТ-2, МТ-3. Ведомость элементов Металлическая дверь МДШ-1П и МДШ-1Л Металлическая дверь МДШ-1П и МДШ-1Л. Узлы Металлическая дверь МДШ-1П и МДШ-1Л. Марка СШ-1 Металлическая дверь МДШ-1П и МДШ-1Л. Марки СШ-2…СШ-7 Петли верхняя левая (правая) ПВл (ПВп), нижняя левая (правая) ПНл (ПНп) Металлическая дверь МТ-2, МТ-3. Общий вид Лестница ЛМ-1 Балка Б-2 Балки М-32…М-38, М-43, М-46…М-60, М-66…М-72 Ограждение лестницы ОЛК-1 Балки Б-3, Б-4 Ограждение сетчатое СО-1…СО-9 Дверь металлическая МТ-4 | Разработан: | Северо-западное отделение института Энергосетьпроект
| Утверждён: | 16.03.1987 Минэнерго СССР (USSR Minenergo 16)
| Расположен в: |
|
                                  
|