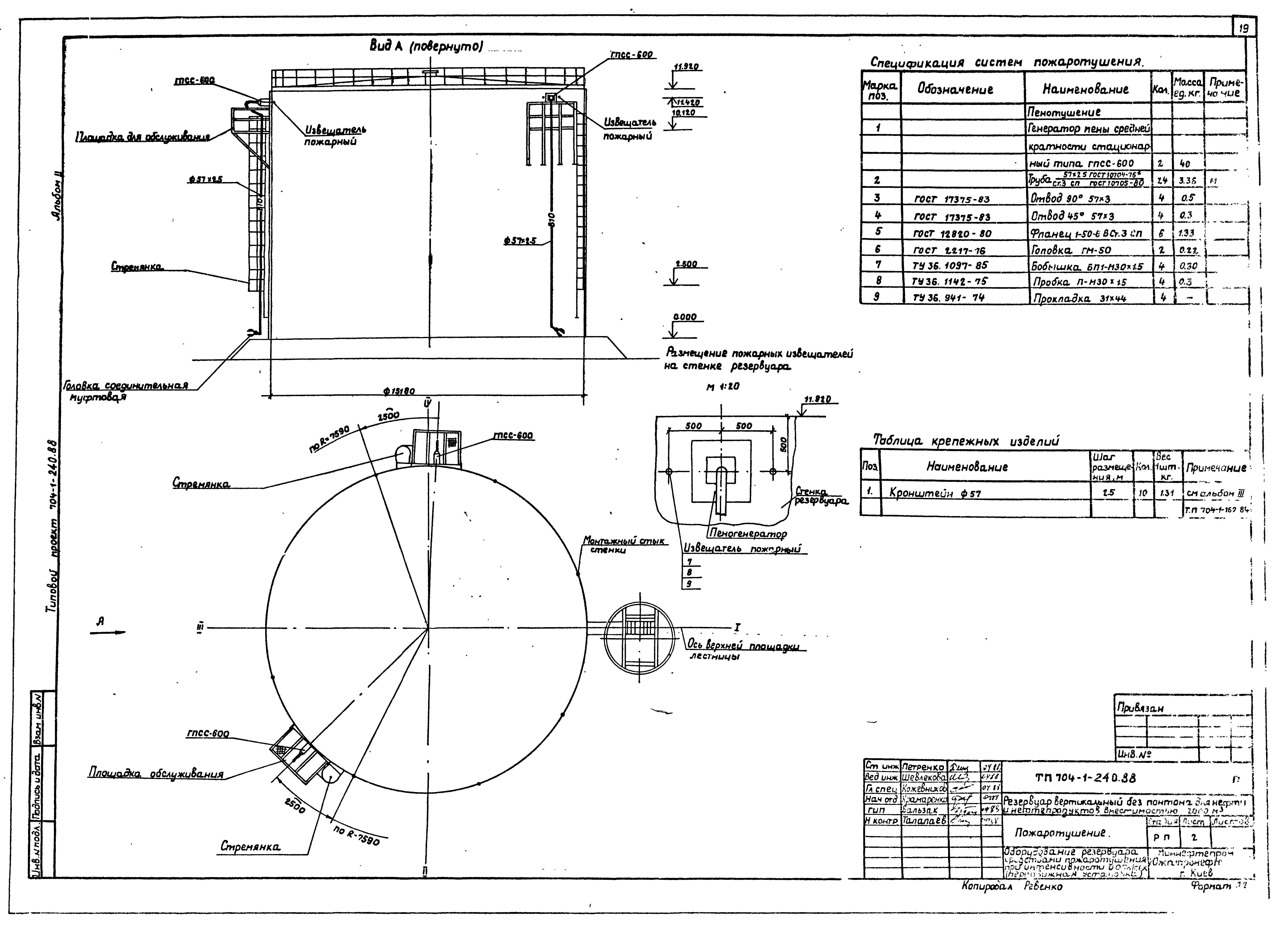
Скачать Типовой проект 704-1-240.88 Альбом II. Технологическое оборудование, пожаротушение, молниезащита, автоматизация. ТеплоснабжениеДата актуализации: 10.08.2017 Типовой проект 704-1-240.88
Альбом II. Технологическое оборудование, пожаротушение, молниезащита, автоматизация. ТеплоснабжениеОбозначение: | Типовой проект 704-1-240.88 | Обозначение англ: | 704-1-240.88 | Статус: | не действует | Название рус.: | Альбом II. Технологическое оборудование, пожаротушение, молниезащита, автоматизация. Теплоснабжение | Дата добавления в базу: | 01.09.2013 | Дата актуализации: | 05.05.2017 | Разработан: | Южгипронефтепровод Миннефтепрома СССР
| Утверждён: | 06.10.1988 Миннефтепром (Minnefteprom 180э)
| Издан: | ЦИТП Госстроя СССР (CITP, Gosstroy (USSR) 1989 г. )
| Расположен в: |
|
                             
|