Скачать ОСТ 1 11407-74 Пластина-заготовка для втулок. Конструкция и размерыДата актуализации: 10.08.2017 ОСТ 1 11407-74
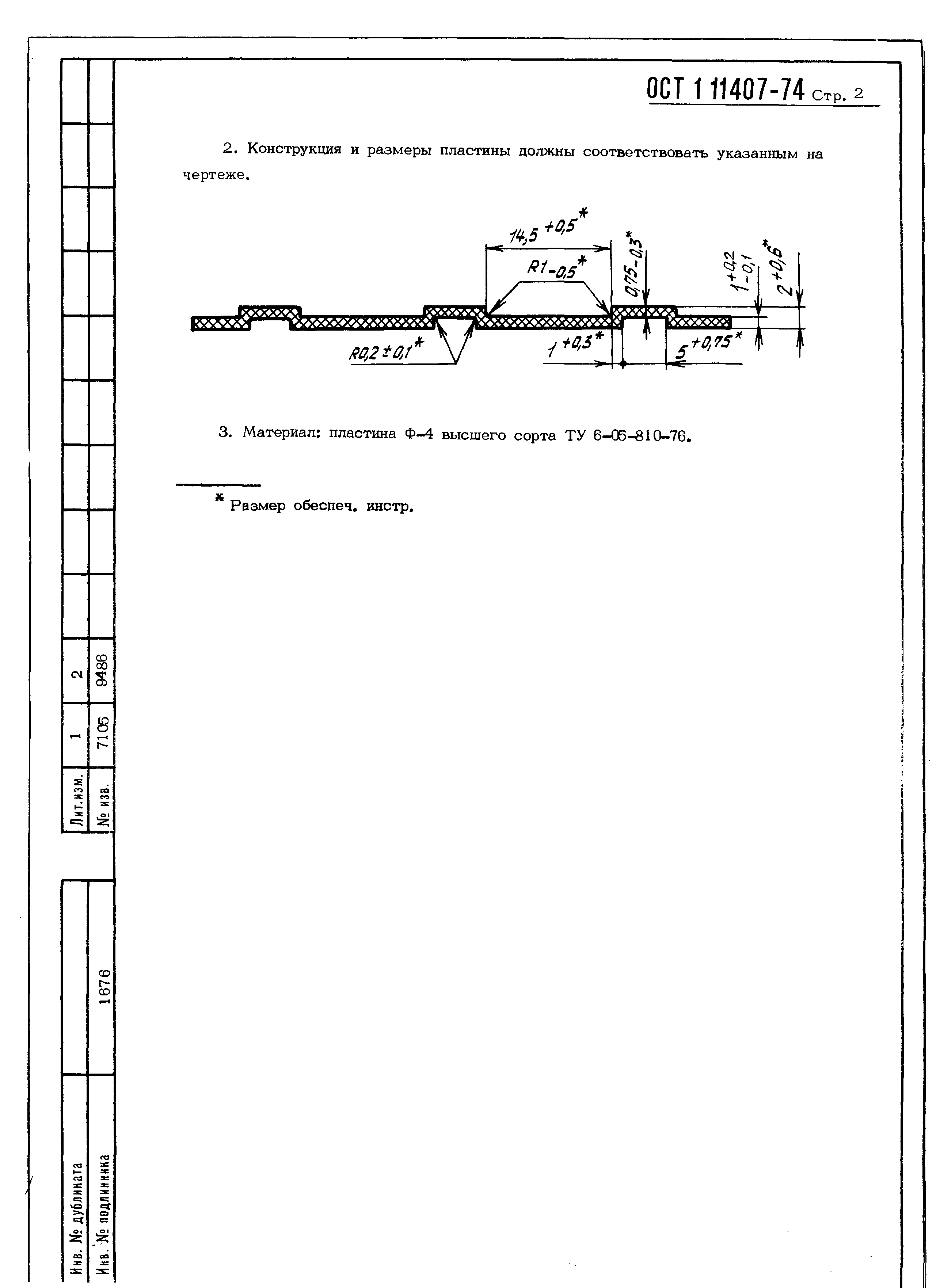
Пластина-заготовка для втулок. Конструкция и размерыОбозначение: | ОСТ 1 11407-74 | Обозначение англ: | 11407-74 | Статус: | действует | Название рус.: | Пластина-заготовка для втулок. Конструкция и размеры | Дата добавления в базу: | 01.09.2013 | Дата актуализации: | 05.05.2017 | Дата введения: | 01.08.1974 | Область применения: | Стандарт распространяется на пластину-заготовку для изготовления из нее втулок, работающих в интервале температур от минус 60 до плюс 200 °С | Утверждён: | 05.03.1974 Министерство (Ministry 087-16)
| Расположен в: |
| Заменяет собой: | |
 
|