Информационная система
«Ёшкин Кот»

Скачать базу одним архивом
Скачать обновления
История создания базы
Карта сайта

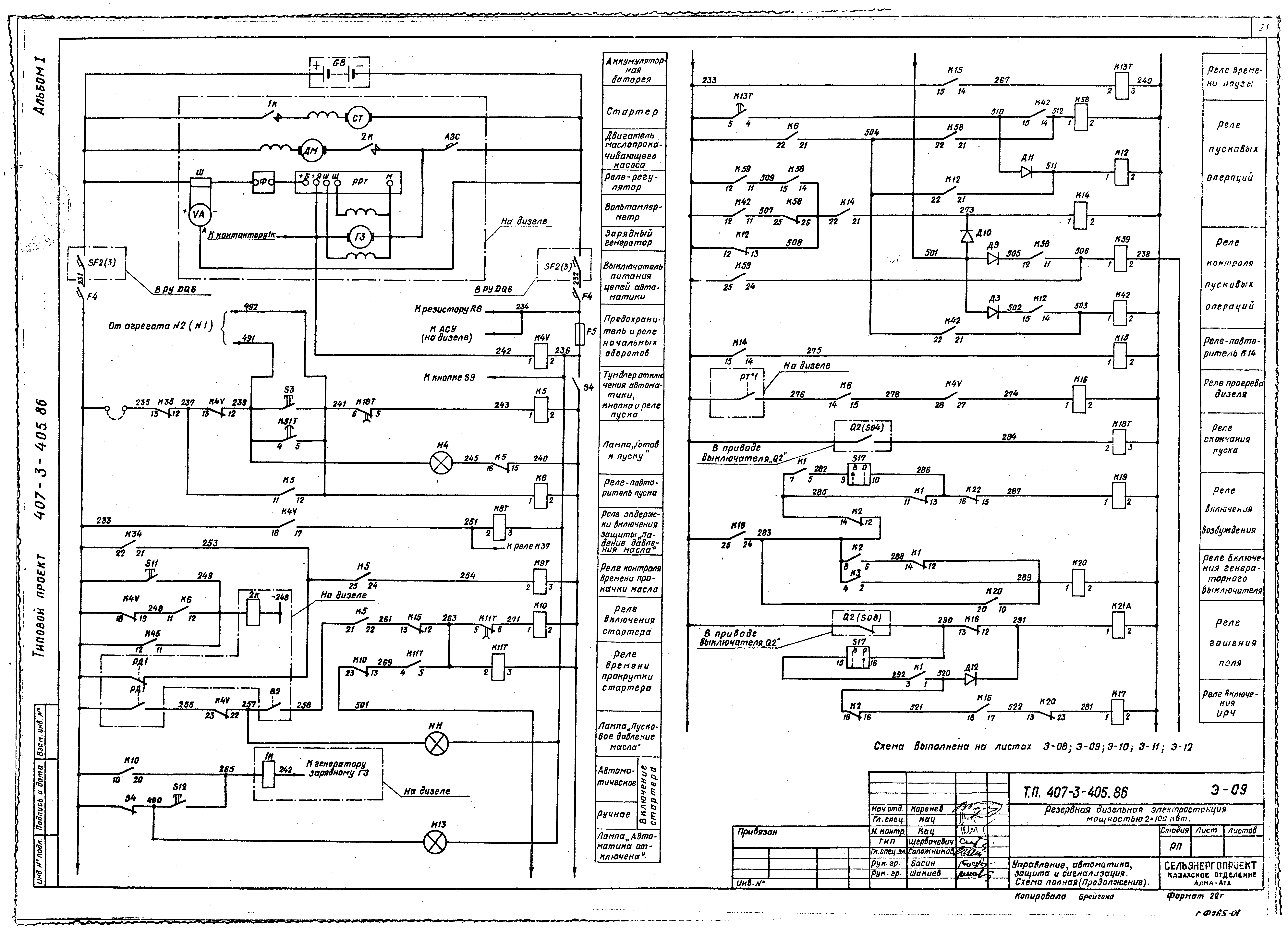
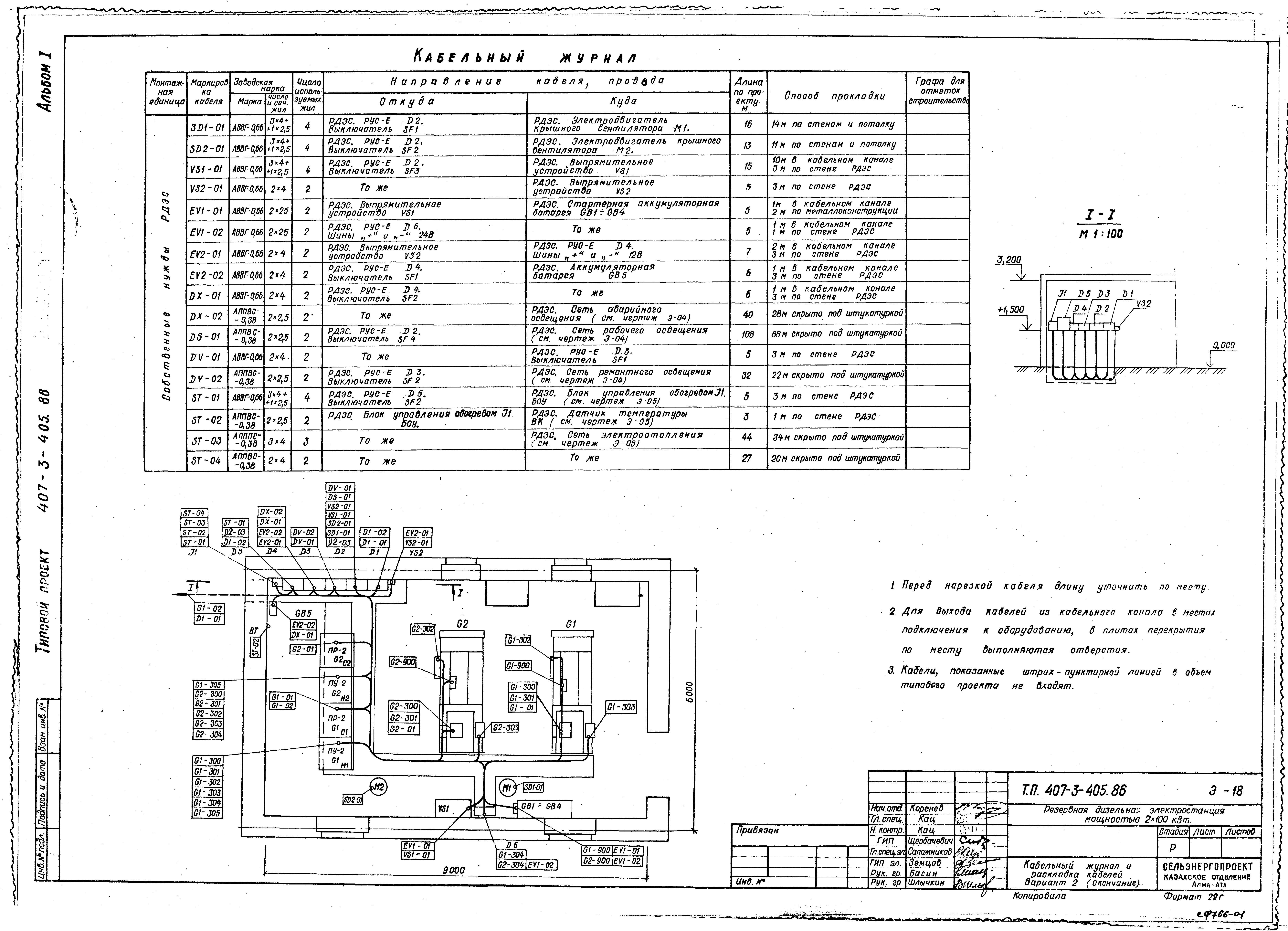
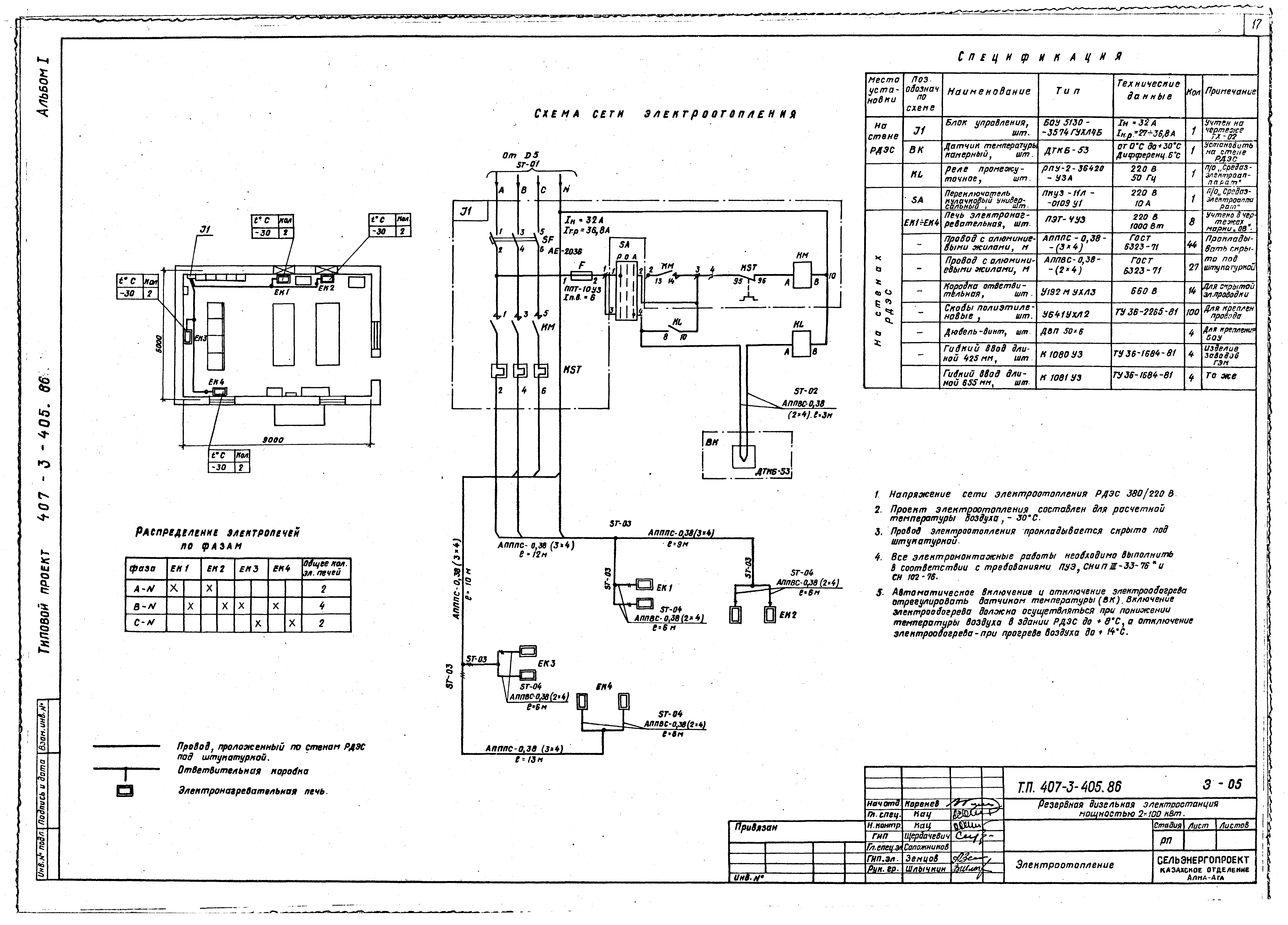
Скачать Типовой проект 407-3-405.86 Альбом I. Общая пояснительная записка. Тепломеханическая часть. Электротехническая часть. Архитектурно-строительные решения. Отопление и вентиляция. Водопровод и канализация

Дата актуализации: 10.08.2017

Типовой проект 407-3-405.86

Альбом I. Общая пояснительная записка. Тепломеханическая часть. Электротехническая часть. Архитектурно-строительные решения. Отопление и вентиляция. Водопровод и канализация

Обозначение: Типовой проект 407-3-405.86
Обозначение англ: 407-3-405.86
Статус:не определен законодательством
Название рус.:Альбом I. Общая пояснительная записка. Тепломеханическая часть. Электротехническая часть. Архитектурно-строительные решения. Отопление и вентиляция. Водопровод и канализация
Дата добавления в базу:01.09.2013
Дата актуализации:05.05.2017
Дата введения:09.07.1986
Разработан: Сельэнергопроект Минэнерго СССР
Утверждён:07.07.1986 Минэнерго СССР (USSR Minenergo 22)
Расположен в:Техническая документация Строительство Справочные документы Типовые строительные конструкции, изделия и узлы Общероссийский строительный каталог Промышленные предприятия, здания и сооружения Предприятия, здания и сооружения промышленности и электроэнергетики Электроэнергетика Электростанции угольные, газомазутные и дизельные Электростанции дизельные
Типовой проект 407-3-405.86Типовой проект 407-3-405.86Типовой проект 407-3-405.86Типовой проект 407-3-405.86Типовой проект 407-3-405.86Типовой проект 407-3-405.86Типовой проект 407-3-405.86Типовой проект 407-3-405.86Типовой проект 407-3-405.86Типовой проект 407-3-405.86Типовой проект 407-3-405.86Типовой проект 407-3-405.86Типовой проект 407-3-405.86Типовой проект 407-3-405.86Типовой проект 407-3-405.86Типовой проект 407-3-405.86Типовой проект 407-3-405.86Типовой проект 407-3-405.86Типовой проект 407-3-405.86Типовой проект 407-3-405.86Типовой проект 407-3-405.86Типовой проект 407-3-405.86Типовой проект 407-3-405.86Типовой проект 407-3-405.86Типовой проект 407-3-405.86Типовой проект 407-3-405.86Типовой проект 407-3-405.86Типовой проект 407-3-405.86Типовой проект 407-3-405.86Типовой проект 407-3-405.86Типовой проект 407-3-405.86Типовой проект 407-3-405.86Типовой проект 407-3-405.86Типовой проект 407-3-405.86Типовой проект 407-3-405.86Типовой проект 407-3-405.86Типовой проект 407-3-405.86Типовой проект 407-3-405.86Типовой проект 407-3-405.86Типовой проект 407-3-405.86Типовой проект 407-3-405.86Типовой проект 407-3-405.86Типовой проект 407-3-405.86Типовой проект 407-3-405.86Типовой проект 407-3-405.86Типовой проект 407-3-405.86Типовой проект 407-3-405.86Типовой проект 407-3-405.86Типовой проект 407-3-405.86Типовой проект 407-3-405.86

© 2013 Ёшкин Кот :-) Карта сайта