Скачать Типовой проект 901-3-181.83 Альбом I. Часть 1. Архитектурно-строительные чертежиДата актуализации: 10.08.2017 Типовой проект 901-3-181.83
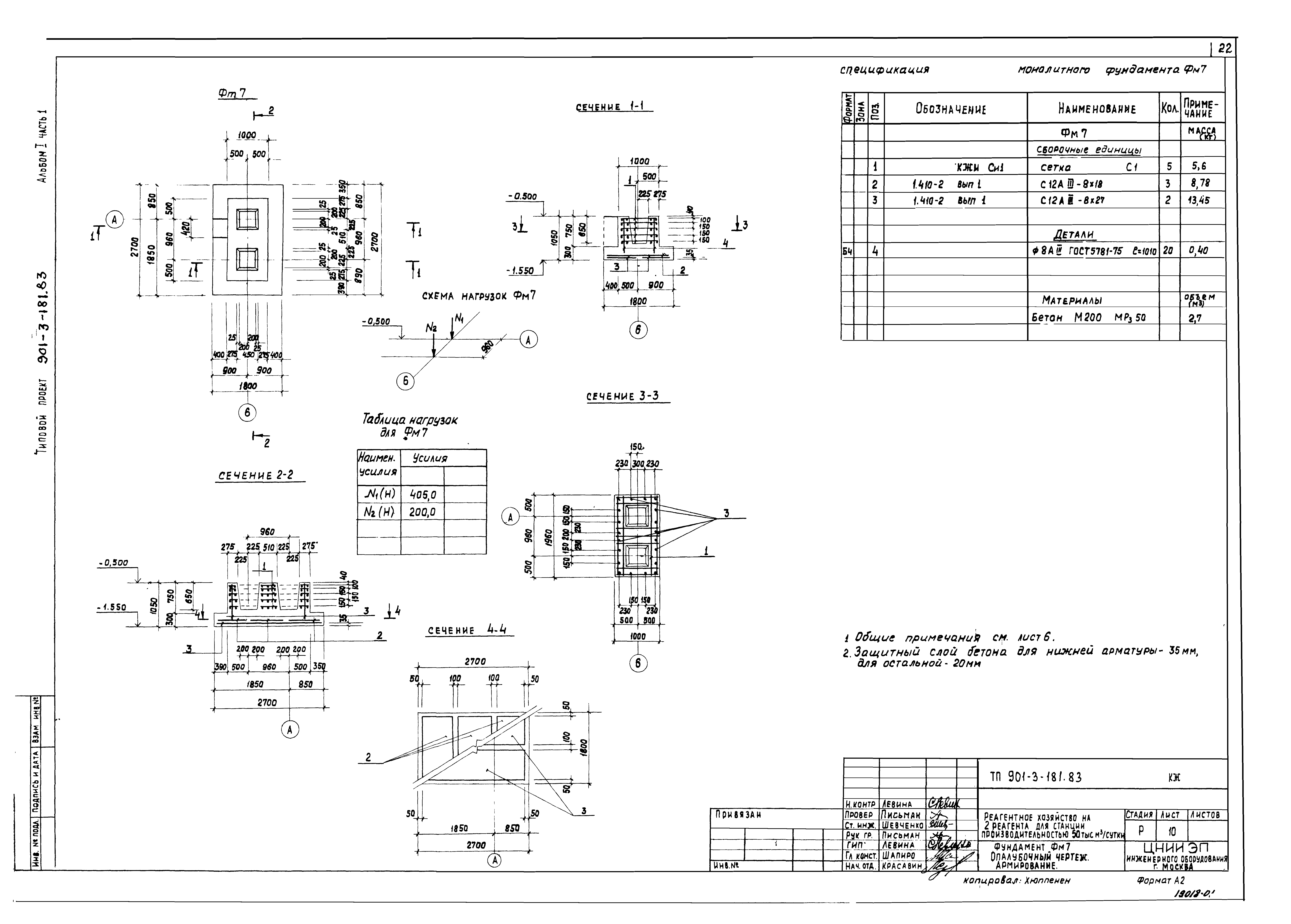
Альбом I. Часть 1. Архитектурно-строительные чертежиОбозначение: | Типовой проект 901-3-181.83 | Обозначение англ: | 901-3-181.83 | Статус: | не определен законодательством | Название рус.: | Альбом I. Часть 1. Архитектурно-строительные чертежи | Дата добавления в базу: | 01.09.2013 | Дата актуализации: | 05.05.2017 | Дата введения: | 21.06.1983 | Оглавление: | Листы марки АР Общие данные Планы на отм. - 2.500; 0.000 и 0.600. Разрез 3-3 Разрез 1-1; 2-2. План на отм. 3.600 Фасады 1 - 8; 8 - 1; А - В;Г - А Ведомость и спецификация перемычек Планы и спецификация сборных перегородок. Спецификация сборных перегородок. Спецификация гардеробного оборудования План кровли. План и эксплуатация полов Ведомость отделки помещений. Спецификация элементов заполнения проемов Переходная галерея. Планы. Фасады. Разрезы Переходная галерея. Детали Листы марки КЖ Общие данные Схема расположения подпорных стен в осях "1-2". Опалубочные чертежи монолитных участков УМ1 - УМ5 Армирование монолитных участков УМ1 - УМ5 Спецификация монолитных участков УМ1 - УМ5, монолитной балки БМ1 Схема расположения фундаментов. Сечения 1-1 - 7-7 Схема расположения фундаментов. Сечения 8-8 - 14-14 Фундаменты ФМ1, ФМ6. Опалубочный чертеж. Армирование Фундаменты ФМ2 - ФМ5. Опалубочный чертеж. Армирование Фундамент ФМ7. Опалубочный чертеж. Армирование Схема расположения емкостей РЕ1, РЕ2, поддонов ПД1, ПД2 и каналов в осях "1 - 2" Схема расположения емкостей, фундаментов под оборудование, каналов и приямков. Разрезы 1-1 - 7-7 Фундаменты под оборудование ФО1 - ФО5 Схема расположения приямков и каналов в осях 7 - 8, А - Б Ростворные баки коагулянта (РЕ-1). Схема расположения стеновых панелей и монолитных участков емкости. Вид 1-1 РЕ-1. Разрез 2-2; 3-3. Узлы 3, 4 РЕ-1. Монолитные участки УМ1; УМ2. Опалубочный чертеж, армирование РЕ-1. Монолитные участки УМ3, УМ4, УМ5т(н). Опалубочный чертеж, армирование РЕ-1. План раскладки сеток днища ДМ1 РЕ-1. План раскладки каркасов днища ДМ1 РЕ-1. Схема расположения деревянных щитов и брусьев Баки-хранилища коагулянта (РЕ-2). Схема расположения стеновых панелей и монолитных участков емкости РЕ-2 Емкость РЕ-2. Монолитные участки УМ1, УМ2 Емкость РЕ-2. Монолитные участки УМ3, УМ4, УМ5т(н) РЕ-2. План раскладки сеток днища ДМ1 РЕ-2. План раскладки каркасов днища ДМ2 Поддоны под емкости ПД1; ПД2. Опалубочный чертеж Армирование ПД1 Армирование ПД2 Расходные баки коагулянта (РЕ-3). План. Вид А-А. Разрез Б-Б Расходные баки коагулянта (РЕ-3). Армирование Схемы расположения плит покрытия на отм. 0.600; 1.800; 3.000 Схемы расположения плит покрытия и перекрытия. Разрезы Схемы расположения колонн, ригелей и диафрагм жесткости на отм. 3.570 и 6.650. Разрез 1-1 Разрезы 2-2; 3-3. Спецификация к схемам расположения колонн, ригелей и диафрагм жесткости Схемы расположения лестничных маршей, проступей и верхней лестничной площадки Схемы расположения стеновых панелей по осям А, В, 3, 8. Сечения 1-1 - 3-3 Венткамера на отм. 3.600 Схема расположения щитов Переходная галерея. Схемы расположения колонн, ригелей, плит покрытия, фундаментов Переходная галерея. Схема расположения стеновых панелей Листы марки КМ Общие данные. Техническая спецификация металла Техническая спецификация металла на типовые конструкции Техническая спецификация металла по видам профилей Схемы расположения площадок на отм. 0.000; 0.600; 1.000; 3.500 Разрезы 1-1 - 13-13 Узлы 1 - 8 Схема расположения подкрановых путей. Разрезы 1-1 - 2-2. Узлы 1, 2, 3 | Разработан: | ЦНИИЭП инженерного оборудования Госгражданстроя
| Утверждён: | 31.10.1980 Госгражданстрой (Gosgrazhdanstroy 297)
| Издан: | ЦИТП Госстроя СССР (CITP, Gosstroy (USSR) 1988 г. )
| Расположен в: |
|
                                                           
|