Информационная система
«Ёшкин Кот»

Скачать базу одним архивом
Скачать обновления
История создания базы
Карта сайта

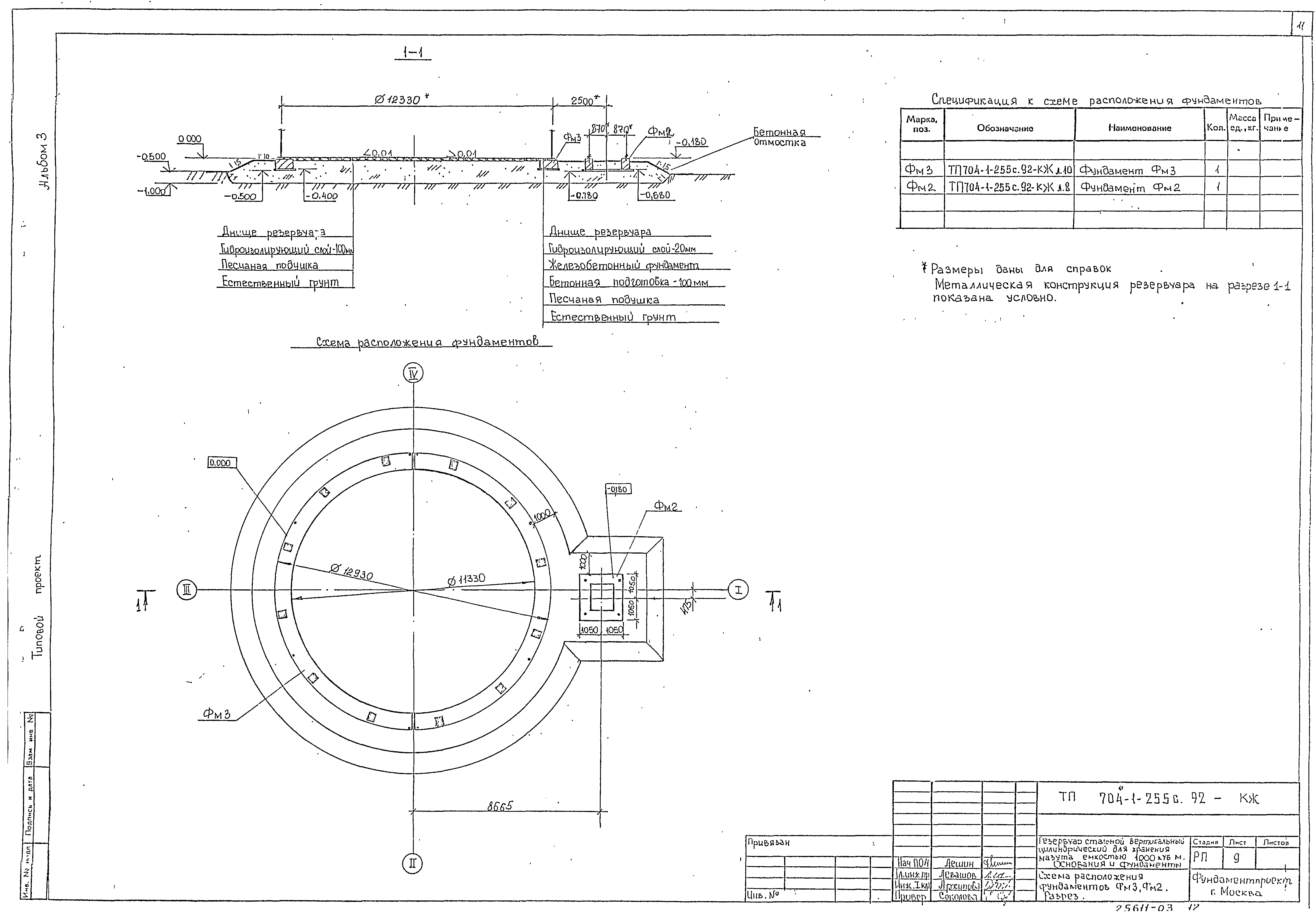
Скачать Типовой проект 704-1-255с.92 Альбом 3. Основания и фундаменты

Дата актуализации: 10.08.2017

Типовой проект 704-1-255с.92

Альбом 3. Основания и фундаменты

Обозначение: Типовой проект 704-1-255с.92
Обозначение англ: 704-1-255с.92
Статус:не определен законодательством
Название рус.:Альбом 3. Основания и фундаменты
Дата добавления в базу:01.09.2013
Дата актуализации:05.05.2017
Дата введения:13.10.1992
Разработан: Сантехниипроект Госстроя России
ГПИфундаментпроект
Утверждён:13.10.1992 Сантехниипроект (35)
Издан: ГП ЦПП (1995 г. )
Расположен в:Техническая документация Строительство Справочные документы Типовые строительные конструкции, изделия и узлы Общероссийский строительный каталог Промышленные предприятия, здания и сооружения Предприятия, здания и сооружения складские Резервуары и склады для нефти и нефтепродуктов Резервуары стальные для нефти и нефтепродуктов
Заменяет собой:
Типовой проект 704-1-255с.92Типовой проект 704-1-255с.92Типовой проект 704-1-255с.92Типовой проект 704-1-255с.92Типовой проект 704-1-255с.92Типовой проект 704-1-255с.92Типовой проект 704-1-255с.92Типовой проект 704-1-255с.92Типовой проект 704-1-255с.92Типовой проект 704-1-255с.92Типовой проект 704-1-255с.92Типовой проект 704-1-255с.92Типовой проект 704-1-255с.92Типовой проект 704-1-255с.92

© 2013 Ёшкин Кот :-) Карта сайта