Информационная система
«Ёшкин Кот»

Скачать базу одним архивом
Скачать обновления
История создания базы
Карта сайта

Скачать Теплоизоляционные изделия ROCKWOOL в конструкциях тепловой изоляции оборудования и трубопроводов. Рекомендации по применению с альбомом технических решений

Дата актуализации: 10.08.2017

Теплоизоляционные изделия ROCKWOOL в конструкциях тепловой изоляции оборудования и трубопроводов. Рекомендации по применению с альбомом технических решений

Статус:действует
Название рус.:Теплоизоляционные изделия ROCKWOOL в конструкциях тепловой изоляции оборудования и трубопроводов. Рекомендации по применению с альбомом технических решений
Дата добавления в базу:01.09.2013
Дата актуализации:05.05.2017
Оглавление:Часть 1. Минераловатные цилиндры производства компании ROCKWOOL в конструкциях тепловой изоляции трубопроводов. Рекомендации по применению
   Введение
      1.1. Область применения минераловатных цилиндров ЗАО "Минеральная Вата"
      1.2. Основные технические характеристики и типоразмеры
      1.3. Рекомендации по применению минераловатных цилиндров в конструкциях тепловой изоляции трубопроводов
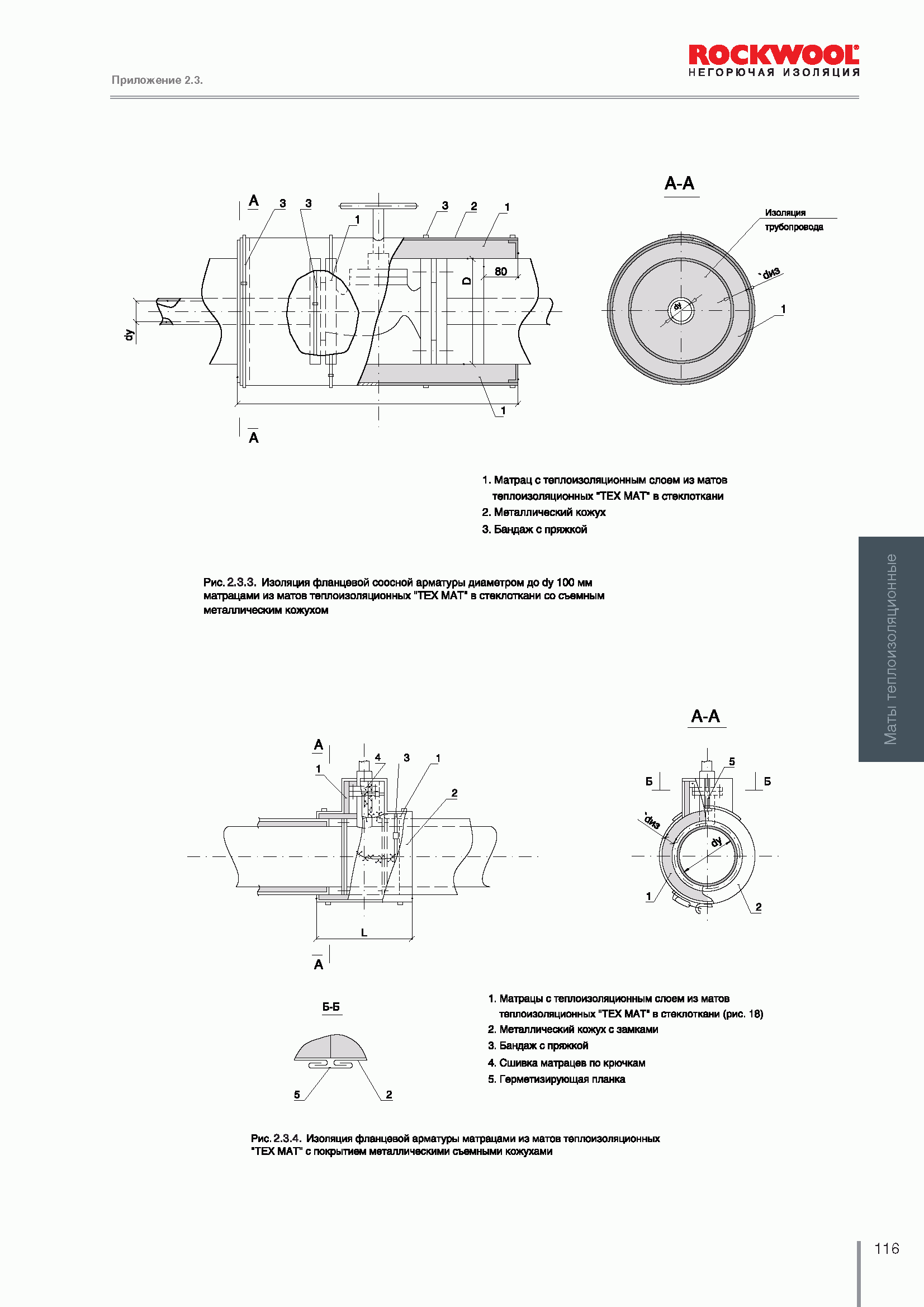
      1.4. Тепловая изоляция арматуры, фланцевых соединений и криволинейных участков трубопроводов
      1.5. Монтаж теплоизоляционных конструкций с применением минераловатных цилиндров. Потребность в материалах
   Заключение
   Приложения
Часть 2. Маты теплоизоляционные из минеральной ваты производства компании ROCKWOOL в конструкциях тепловой изоляции трубопроводов. Рекомендации по применению
   Введение
      2.1. Область применения минераловатных матов "ТЕХ МАТ"
      2.2. Основные технические характеристики и типоразмеры
      2.3. Конструктивные решения промышленной тепловой изоляции на основе минераловатных матов "ТЕХ МАТ"
      2.4. Расчетные характеристики теплоизоляционных конструкций на основе минераловатных матов "ТЕХ МАТ"
   Приложения
Разработан: АООТ Теплопроект
Расположен в:Техническая документация Строительство Справочные документы Директивные письма, положения, рекомендации и др.

© 2013 Ёшкин Кот :-) Карта сайта