Скачать ОСТ 1 10816-72 Корпусы заклепок высокого сопротивления срезу с потайной головкой 120 градусов. Конструкция и размерыДата актуализации: 10.08.2017 ОСТ 1 10816-72
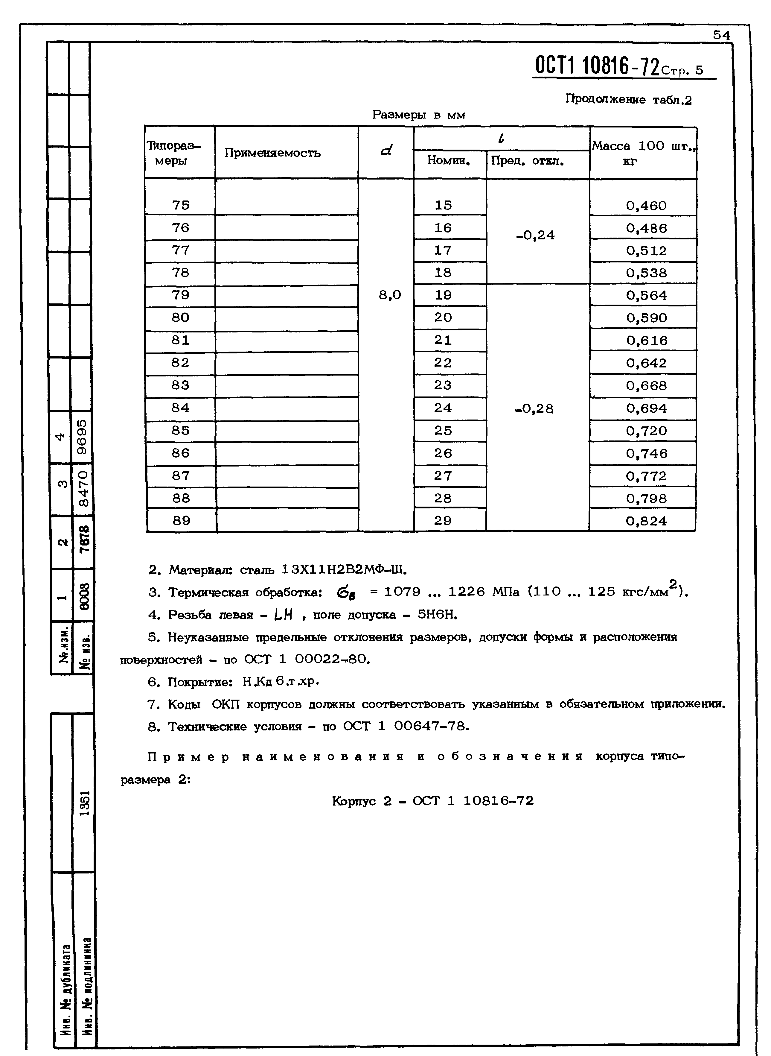
Корпусы заклепок высокого сопротивления срезу с потайной головкой 120 градусов. Конструкция и размерыОбозначение: | ОСТ 1 10816-72 | Обозначение англ: | 10816-72 | Статус: | действует | Название рус.: | Корпусы заклепок высокого сопротивления срезу с потайной головкой 120 градусов. Конструкция и размеры | Дата добавления в базу: | 01.09.2013 | Дата актуализации: | 05.05.2017 | Дата введения: | 01.01.1974 | Оглавление: | Приложение Код ОКП 75 9321 8ХХХ КЧ | Утверждён: | 03.07.1973 Министерство (Ministry 087-16)
| Расположен в: |
|
     
|