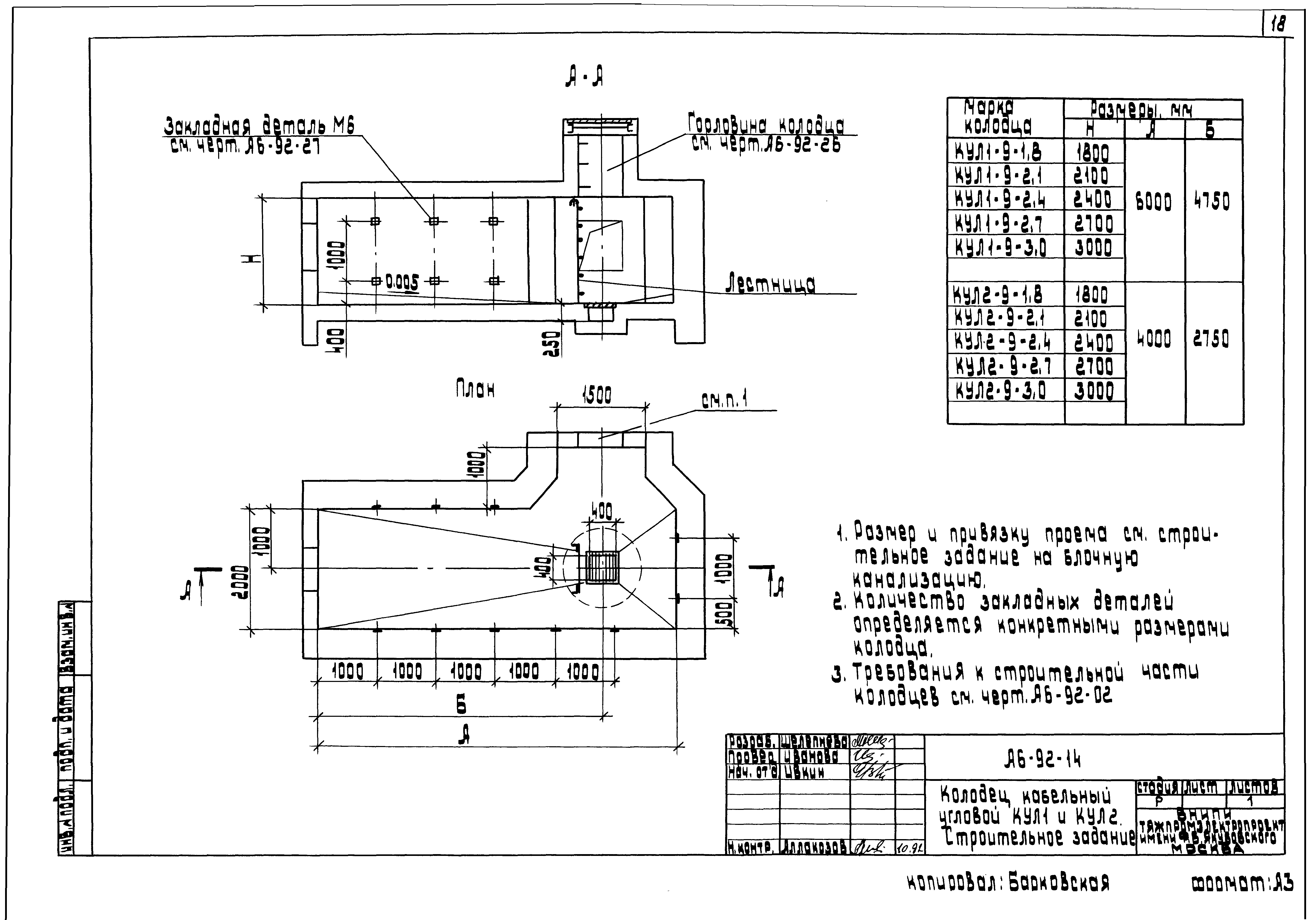
Скачать Шифр А6-92 Прокладка кабелей в блочной канализации. Материалы для проектирования и рабочие чертежиДата актуализации: 10.08.2017 Шифр А6-92
Прокладка кабелей в блочной канализации. Материалы для проектирования и рабочие чертежиОбозначение: | Шифр А6-92 | Обозначение англ: | А6-92 | Статус: | cправочные материалы, мп, тпр | Название рус.: | Прокладка кабелей в блочной канализации. Материалы для проектирования и рабочие чертежи | Дата добавления в базу: | 01.09.2013 | Дата актуализации: | 05.05.2017 | Дата введения: | 01.11.1992 | Разработан: | ВНИПИ Тяжпромэлектропроект им. Ф.Б. Якубовского
| Утверждён: | 06.10.1992 ВНИПИ Тяжпромэлектропроект им. Ф.Б. Якубовского (F.B.Yakubovskiy Tyazhpromelektroproject VNIPI 67)
| Расположен в: |
|
                                        
|