Информационная система
«Ёшкин Кот»

Скачать базу одним архивом
Скачать обновления
История создания базы
Карта сайта

Скачать Типовой проект 901-1-83.87 Альбом III. Архитектурно-строительные решения

Дата актуализации: 10.08.2017

Типовой проект 901-1-83.87

Альбом III. Архитектурно-строительные решения

Обозначение: Типовой проект 901-1-83.87
Обозначение англ: 901-1-83.87
Статус:не определен законодательством
Название рус.:Альбом III. Архитектурно-строительные решения
Дата добавления в базу:01.09.2013
Дата актуализации:05.05.2017
Дата введения:28.08.1987
Оглавление:ТП 901-1-83.87-АР Основной комплект АР
ТП 901-1-83.87-АР Общие данные (начало)
ТП 901-1-83.87-АР Общие данные (продолжение)
ТП 901-1-83.87-АР Общие данные (окончание)
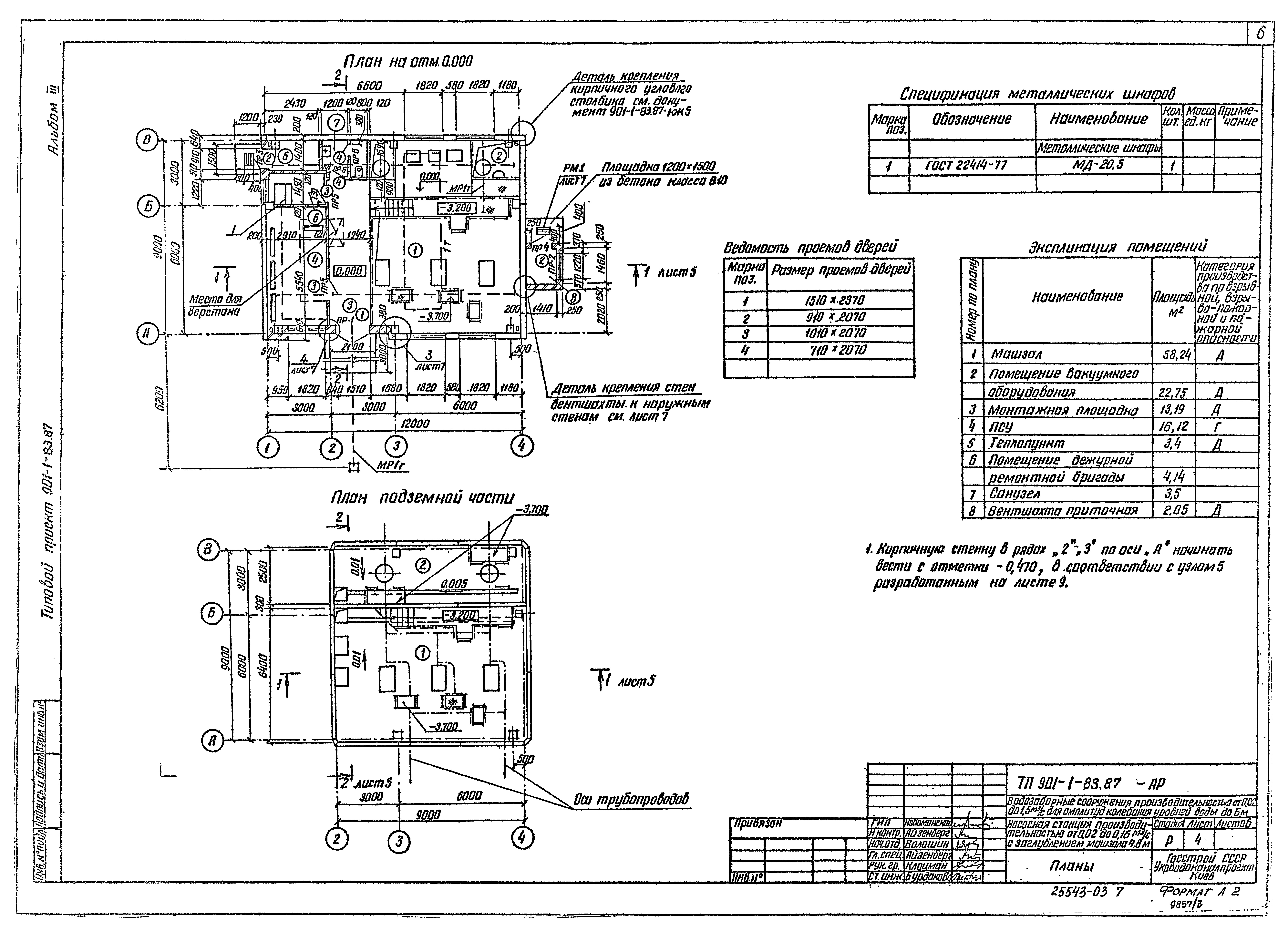
ТП 901-1-83.87-АР Планы Разрезы
ТП 901-1-83.87-АР Разрезы
ТП 901-1-83.87-АР Фасады
ТП 901-1-83.87-АР План отверстий, план кровли
ТП 901-1-83.87-АР План полов
ТП 901-1-83.87-АР Узлы
ТП 901-1-83.87-КЖ Основной комплект КЖ
ТП 901-1-83.87-КЖ Общие данные (начало)
ТП 901-1-83.87-КЖ Общие данные (окончание)
ТП 901-1-83.87-КЖ Схемы расположения плит и балок покрытия, колонн
ТП 901-1-83.87-КЖ Спецификации к схемам расположения плит и балок покрытия, колонн
ТП 901-1-83.87-КЖ Схемы расположения стеновых панелей надземной части
ТП 901-1-83.87-КЖ Схемы расположения стеновых панелей подземной части
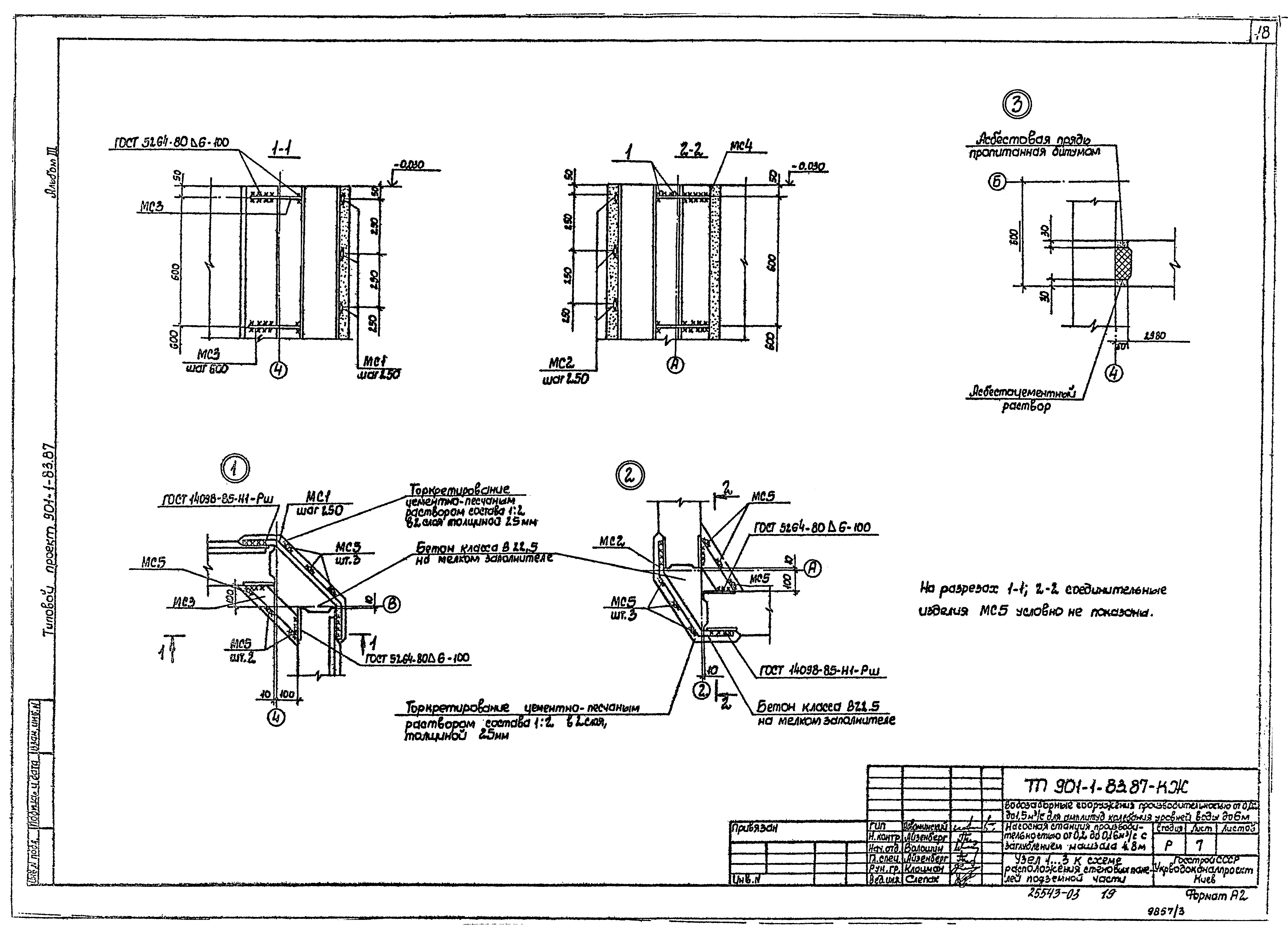
ТП 901-1-83.87-КЖ Узел 1…3 к схеме расположения стеновых панелей подземной части
ТП 901-1-83.87-КЖ Схема расположения площадок машзата на отм.-ОД30
ТП 901-1-83.87-КЖ Фундамент ФМ1
ТП 901-1-83.87-КЖ Схема расположения днища Пм1. Детали армирования гребня и приямка
ТП 901-1-83.87-КЖ Схемы армирования днища ПМ1
ТП 901-1-83.87-КЖ Спецификация и ведомость расхода стали днища Пм1
ТП 901-1-83.87-КЖ Схема расположения фундаментов, опор под оборудование
ТП 901-1-83.87-КЖ Схема расположения каналов электропередачи
ТП 901-1-83.87-КЖ Балка Бм1;Бм2
ТП 901-1-83.87-КЖ Схема расположения приямка теплосети
ТП 901-1-83.87-КЖ Водонепроницаемый выгреб
ТП 901-1-83.87-КМ Основной комплект КМ
ТП 901-1-83.87-КМ Общие данные
ТП 901-1-83.87-КМ Схема расположения путей подвесного крана и монорельсов
ТП 901-1-83.87-КМ Узел 1…6. Балка МБ6
ТП 901-1-83.87-КМ Схемы расположения металлических лестниц, площадок и ограждений
ТП 901-1-83.87-КМ Узел 1…6. Схема расположения опор под трубопроводы
ТП 901-1-83.87-КМ Схемы расположения стоек, балок и кронштейнов под площадки
ТП 901-1-83.87-КМ Узел 7…12. Балка МБ7
ТП 901-1-83.87-КМ Техническая спецификация (начало)
ТП 901-1-83.87-КМ Техническая спецификация (окончание)
Разработан: ГПИ Укрводоканалпроект
Утверждён:28.08.1987 Госстрой СССР (Государственный комитет Совета Министров СССР по делам строительства) (USSR Gosstroy 57)
Расположен в:Техническая документация Строительство Справочные документы Типовые строительные конструкции, изделия и узлы Общероссийский строительный каталог Промышленные предприятия, здания и сооружения Здания и сооружения санитарно-технические Водоснабжение Насосные станции Насосные станции водопроводные
Заменяет собой:
Типовой проект 901-1-83.87Типовой проект 901-1-83.87Типовой проект 901-1-83.87Типовой проект 901-1-83.87Типовой проект 901-1-83.87Типовой проект 901-1-83.87Типовой проект 901-1-83.87Типовой проект 901-1-83.87Типовой проект 901-1-83.87Типовой проект 901-1-83.87Типовой проект 901-1-83.87Типовой проект 901-1-83.87Типовой проект 901-1-83.87Типовой проект 901-1-83.87Типовой проект 901-1-83.87Типовой проект 901-1-83.87Типовой проект 901-1-83.87Типовой проект 901-1-83.87Типовой проект 901-1-83.87Типовой проект 901-1-83.87Типовой проект 901-1-83.87Типовой проект 901-1-83.87Типовой проект 901-1-83.87Типовой проект 901-1-83.87Типовой проект 901-1-83.87Типовой проект 901-1-83.87Типовой проект 901-1-83.87Типовой проект 901-1-83.87Типовой проект 901-1-83.87Типовой проект 901-1-83.87Типовой проект 901-1-83.87Типовой проект 901-1-83.87Типовой проект 901-1-83.87Типовой проект 901-1-83.87Типовой проект 901-1-83.87Типовой проект 901-1-83.87

© 2013 Ёшкин Кот :-) Карта сайта