Информационная система
«Ёшкин Кот»

Скачать базу одним архивом
Скачать обновления
История создания базы
Карта сайта

Скачать ОСТ 1 00393-80 Реле электромагнитные коммутационные нейтральные. Правила выбора, установки и эксплуатации

Дата актуализации: 10.08.2017

ОСТ 1 00393-80

Реле электромагнитные коммутационные нейтральные. Правила выбора, установки и эксплуатации

Обозначение: ОСТ 1 00393-80
Обозначение англ: 00393-80
Статус:действует
Название рус.:Реле электромагнитные коммутационные нейтральные. Правила выбора, установки и эксплуатации
Дата добавления в базу:01.09.2013
Дата актуализации:05.05.2017
Дата введения:01.07.1981
Область применения:Стандарт устанавливает правила выбора, установки и эксплуатации электромагнитных коммутационных нейтральных реле, применяемых в качестве встроенных элементов для внутреннего монтажа в изделиях авиационной техники и средствах их наземного обслуживания и изготавливаемых в соответствии с техническими требованиями по ОСТ 1 01033-82 и ОСТ 1 00799-84.
Оглавление:1. Общие положения
2. Правила выбора реле и обеспечение надежной работы его в аппаратуре
3. Правила установки и монтажа
4. Правила эксплуатации
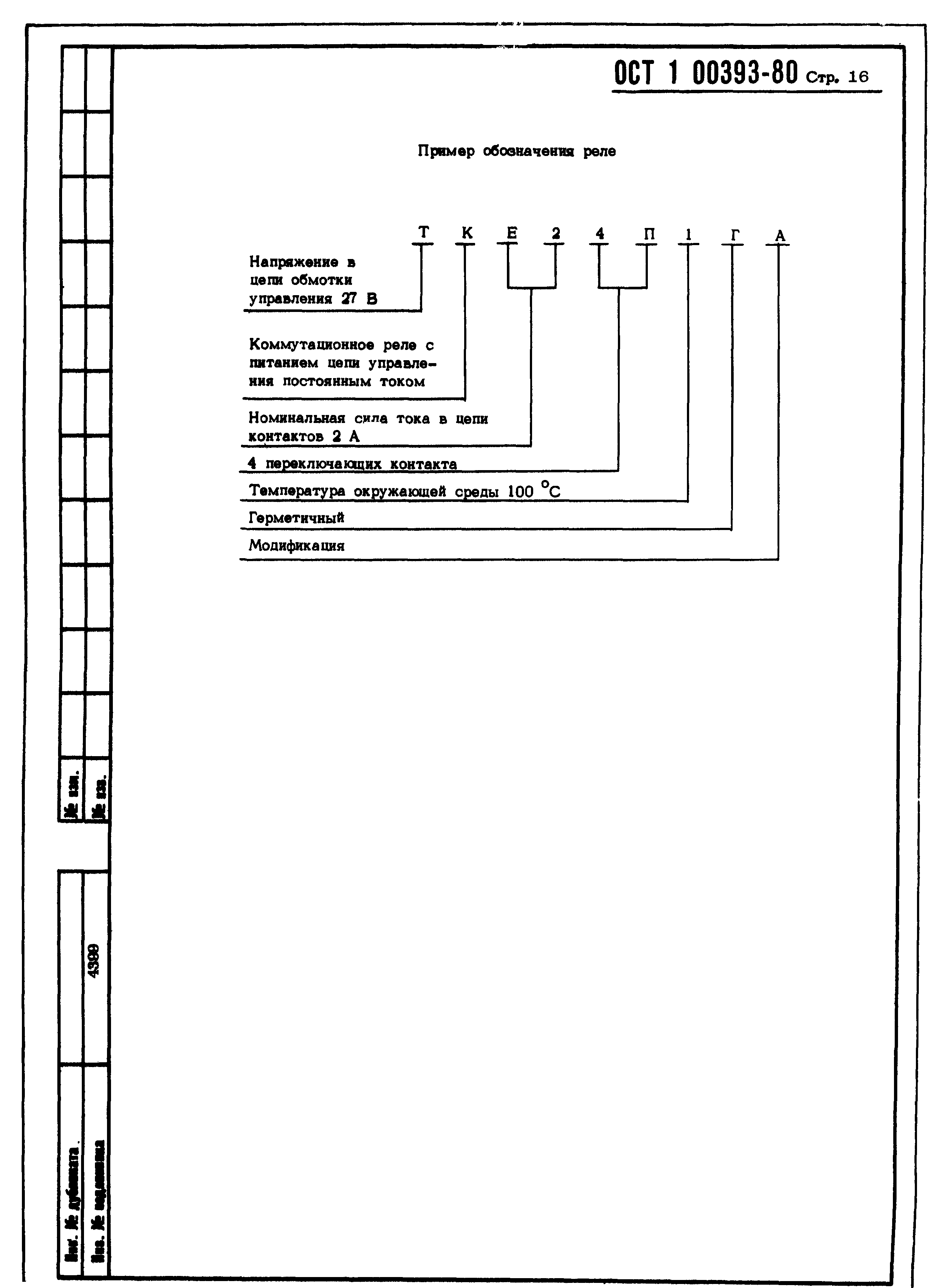
Приложение 1 Расшифровка обозначения реле
Приложение 2 Допустимая температура нагрева колпака
Утверждён:16.09.1980 Министерство (Ministry 087-16)
Расположен в:Техническая документация
Нормативные ссылки:
ОСТ 1 00393-80ОСТ 1 00393-80ОСТ 1 00393-80ОСТ 1 00393-80ОСТ 1 00393-80ОСТ 1 00393-80ОСТ 1 00393-80ОСТ 1 00393-80ОСТ 1 00393-80ОСТ 1 00393-80ОСТ 1 00393-80ОСТ 1 00393-80ОСТ 1 00393-80ОСТ 1 00393-80ОСТ 1 00393-80ОСТ 1 00393-80ОСТ 1 00393-80ОСТ 1 00393-80

© 2013 Ёшкин Кот :-) Карта сайта