Информационная система
«Ёшкин Кот»

Скачать базу одним архивом
Скачать обновления
История создания базы
Карта сайта

Скачать Типовой проект 902-1-178.91 Альбом 6. Силовое электрооборудование. Технологический контроль (из ТП 902-1-170.91)

Дата актуализации: 10.08.2017

Типовой проект 902-1-178.91

Альбом 6. Силовое электрооборудование. Технологический контроль (из ТП 902-1-170.91)

Обозначение: Типовой проект 902-1-178.91
Обозначение англ: 902-1-178.91
Статус:не определен законодательством
Название рус.:Альбом 6. Силовое электрооборудование. Технологический контроль (из ТП 902-1-170.91)
Дата добавления в базу:01.09.2013
Дата актуализации:05.05.2017
Дата введения:15.05.1991
Оглавление:Содержание альбома
Чертежи основного комплекта марки ЭМ
   Общие данные
   Схема электрическая принципиальная КТП
   Схема электрическая принципиальная однолинейной распределительной сети 380/220 В
   Схемы электрические принципиальные переключения III секции и АВР оперативного тока
   Схемы электрические принципиальные управления насосами перекачки стоков и гидроуплотнения
   Схемы электрические принципиальные управления дренажными насосами и решетками дробилками
   Схема электрическая принципиальная управления задвижкой на подводящем коллекторе
   Схема электрическая принципиальная управления задвижками на напорном трубопроводе
   Схема электрическая принципиальная управления компрессором
   Схемы электрические принципиальные управления вентиляторами
   Схема электрическая принципиальная контроля уровней
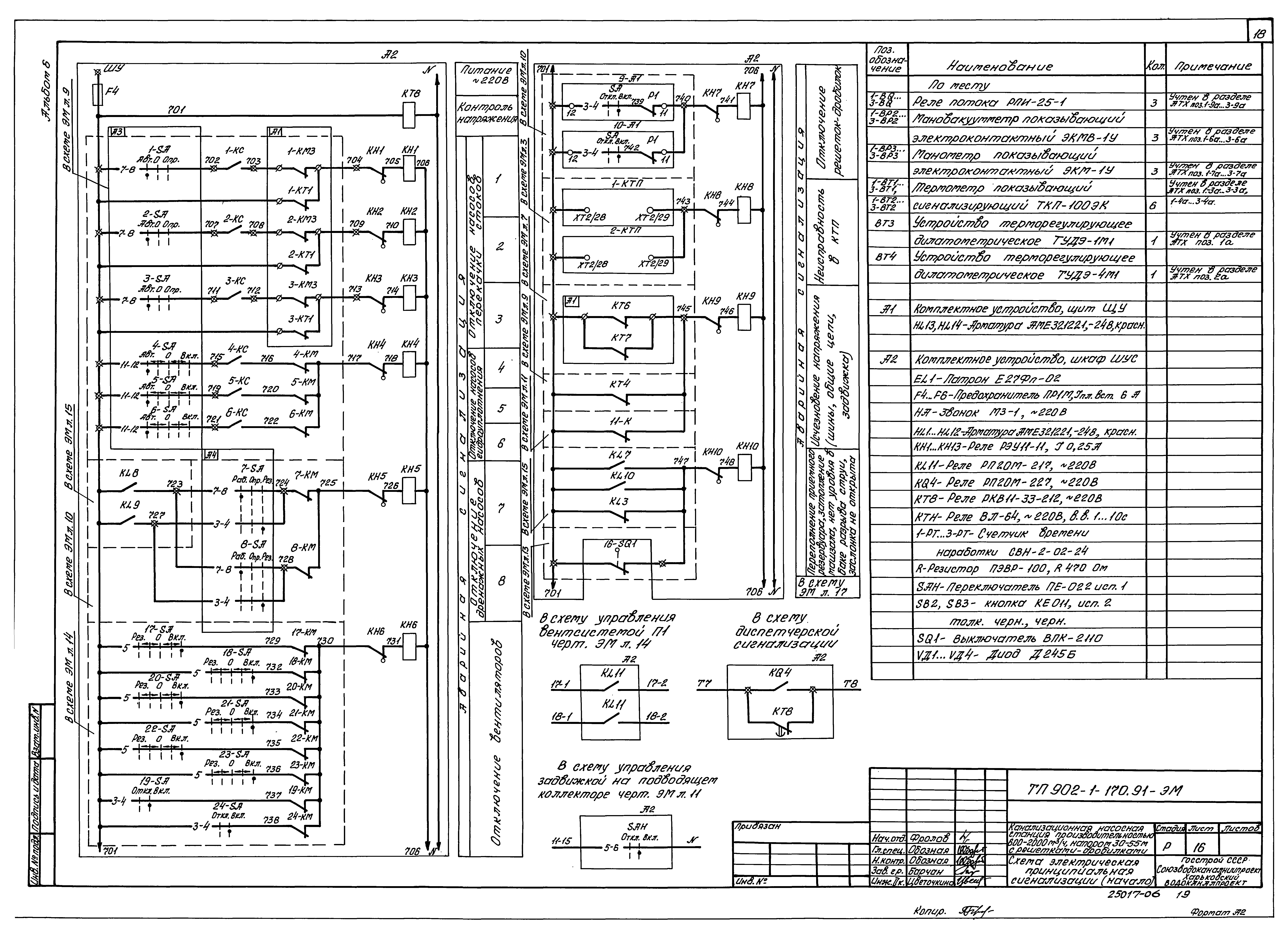
   Схема электрическая принципиальная сигнализации
   Схема подключения электрооборудования
   Схема подключения щита ЩУ
   Схема подключения шкафа ШУС
   Кабельно-трубный журнал
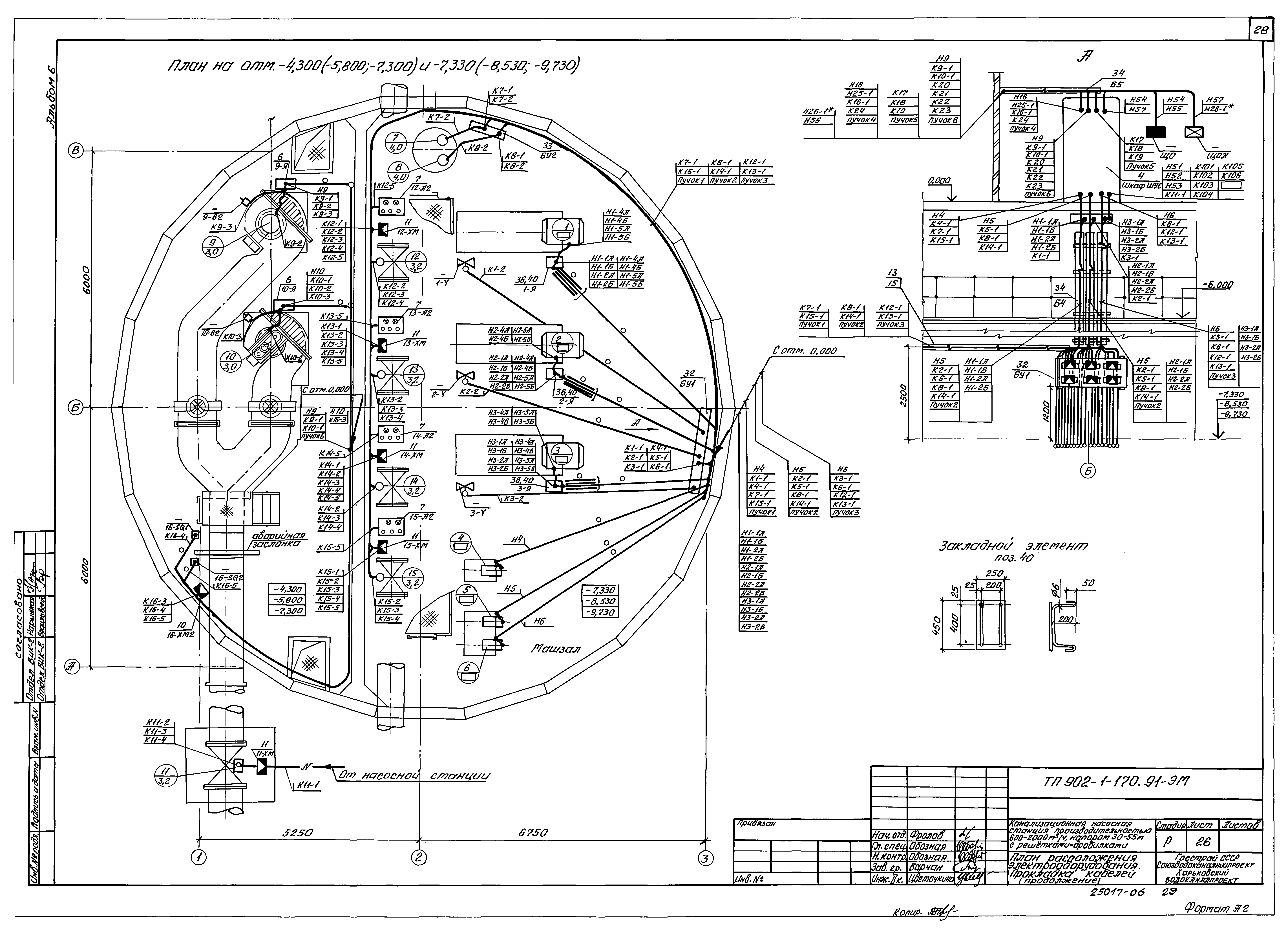
   План расположения электрооборудования. Прокладка кабелей
   Заземление и зануление
   План прокладки троллейного шинопровода
   План прокладки магистрального шинопровода
   Электроосвещение
   Строительное задание. Чертеж для справок
Задание МЭЗ марки ЭМИ
   Ведомость чертежей задания МЭЗ
   Ведомость электромонтажных конструкций, подлежащих изготовлению в МЭЗ
   Ведомость изделий и материалов для изготовления электромонтажных конструкций в МЭЗ
   Блок управления БУ1. Общий вид
   Блок управления БУ1. Схема соединений
   Блоки управления БУ2, БУ3. Общий вид. Схема соединений
   Блоки электроконструкций Б4, Б5
   Пучки кабелей
   Конструкция для подключения электродвигателей насосов 1…3
   Опросный лист для заказа комплектной трансформаторной подстанции
Чертежи основного комплекта марки АТХ
   Общие данные
   Схема автоматизации
   Схема соединений внешних проводок. План расположения
Задание МЗУ марки АТХИ
   Ведомость чертежей задания МЗУ
   Ведомость узлов и конструкций, подлежащих изготовлению на МЗУ
   Ведомость оборудования и материалов для изготовления изделий МЗУ
   Статив приборов насоса. Монтажный чертеж
   Статив датчиков для дренажного приямка. Монтажный чертеж
   Статив датчиков для приемного резервуара. Монтажный чертеж
   Кронштейн для установки устройства ТУДЭ-1М1. Монтажный чертеж
   Стойка статива датчиков. Монтажный чертеж
Разработан: Харьковский Водоканалпроект
Утверждён:15.05.1991 СоюзводоканалНИИпроект (SoyuzvodokanalNIIproject 9)
Расположен в:Техническая документация Строительство Справочные документы Типовые строительные конструкции, изделия и узлы Общероссийский строительный каталог Промышленные предприятия, здания и сооружения Здания и сооружения санитарно-технические Канализация Станции насосные Станции насосные для перекачки бытовых сточных вод
Типовой проект 902-1-178.91Типовой проект 902-1-178.91Типовой проект 902-1-178.91Типовой проект 902-1-178.91Типовой проект 902-1-178.91Типовой проект 902-1-178.91Типовой проект 902-1-178.91Типовой проект 902-1-178.91Типовой проект 902-1-178.91Типовой проект 902-1-178.91Типовой проект 902-1-178.91Типовой проект 902-1-178.91Типовой проект 902-1-178.91Типовой проект 902-1-178.91Типовой проект 902-1-178.91Типовой проект 902-1-178.91Типовой проект 902-1-178.91Типовой проект 902-1-178.91Типовой проект 902-1-178.91Типовой проект 902-1-178.91Типовой проект 902-1-178.91Типовой проект 902-1-178.91Типовой проект 902-1-178.91Типовой проект 902-1-178.91Типовой проект 902-1-178.91Типовой проект 902-1-178.91Типовой проект 902-1-178.91Типовой проект 902-1-178.91Типовой проект 902-1-178.91Типовой проект 902-1-178.91Типовой проект 902-1-178.91Типовой проект 902-1-178.91Типовой проект 902-1-178.91Типовой проект 902-1-178.91Типовой проект 902-1-178.91Типовой проект 902-1-178.91Типовой проект 902-1-178.91Типовой проект 902-1-178.91Типовой проект 902-1-178.91Типовой проект 902-1-178.91Типовой проект 902-1-178.91Типовой проект 902-1-178.91Типовой проект 902-1-178.91Типовой проект 902-1-178.91Типовой проект 902-1-178.91Типовой проект 902-1-178.91Типовой проект 902-1-178.91Типовой проект 902-1-178.91Типовой проект 902-1-178.91Типовой проект 902-1-178.91Типовой проект 902-1-178.91Типовой проект 902-1-178.91Типовой проект 902-1-178.91Типовой проект 902-1-178.91

© 2013 Ёшкин Кот :-) Карта сайта