Информационная система
«Ёшкин Кот»

Скачать базу одним архивом
Скачать обновления
История создания базы
Карта сайта

Скачать ГОСТ Р 50030.1-2007 Аппаратура распределения и управления низковольтная. Часть 1. Общие требования

Дата актуализации: 10.08.2017

ГОСТ Р 50030.1-2007

Аппаратура распределения и управления низковольтная. Часть 1. Общие требования

Обозначение: ГОСТ Р 50030.1-2007
Обозначение англ: GOST R 50030.1-2007
Статус:отменен
Название рус.:Аппаратура распределения и управления низковольтная. Часть 1. Общие требования
Название англ.:Low-voltage switchgear and controlgear. Part 1. General rules
Дата добавления в базу:01.09.2013
Дата актуализации:05.05.2017
Дата введения:01.01.2014
Область применения:Стандарт предназначен для гармонизации правил и требований общего характера, относящихся к низковольтной аппаратуре распределения и управления, с целью их унификации для соответствующих классов аппаратов и устранения необходимости испытаний по различным стандартам.
Оглавление:1 Общие положения
   1.1 Область применения
   1.2 Нормативные ссылки
2 Термины и определения
   2.1 Общие термины
   2.2 Коммутационные аппараты
   2.3 Части коммутационных аппаратов
   2.4 Функционирование коммутационных аппаратов
   2.5 Параметры и характеристики
   2.6 Испытания
3 Классификация
4 Характеристики
   4.1 Общие требования
   4.2 Тип аппарата
   4.3 Номинальные и предельные значения параметров главной цепи
   4.4 Категория применения
   4.5 Цепи управления
   4.6 Вспомогательные цепи
   4.7 Реле и расцепители
   4.8 Координация с устройствами защиты от коротких замыканий (УЗКЗ)
   4.9 Коммутационные перенапряжения
5 Информация об аппарате
   5.1 Характер информации
   5.2 Маркировка
   5.3 Инструкции по монтажу, эксплуатации и обслуживанию
6 Нормальные условия эксплуатации, монтажа и транспортирования
   6.1 Нормальные условия эксплуатации
   6.2 Условия транспортирования и хранения
   6.3 Монтаж
7 Требования к конструкции и работоспособности
   7.1 Требования к конструкции
   7.2 Требования к работоспособности
   7.3 Электромагнитная совместимость (ЭМС)
8 Испытания
   8.1 Виды испытаний
   8.2 Соответствие требованиям к конструкции
   8.3 Работоспособность
   8.4 Испытания на ЭМС
Таблицы
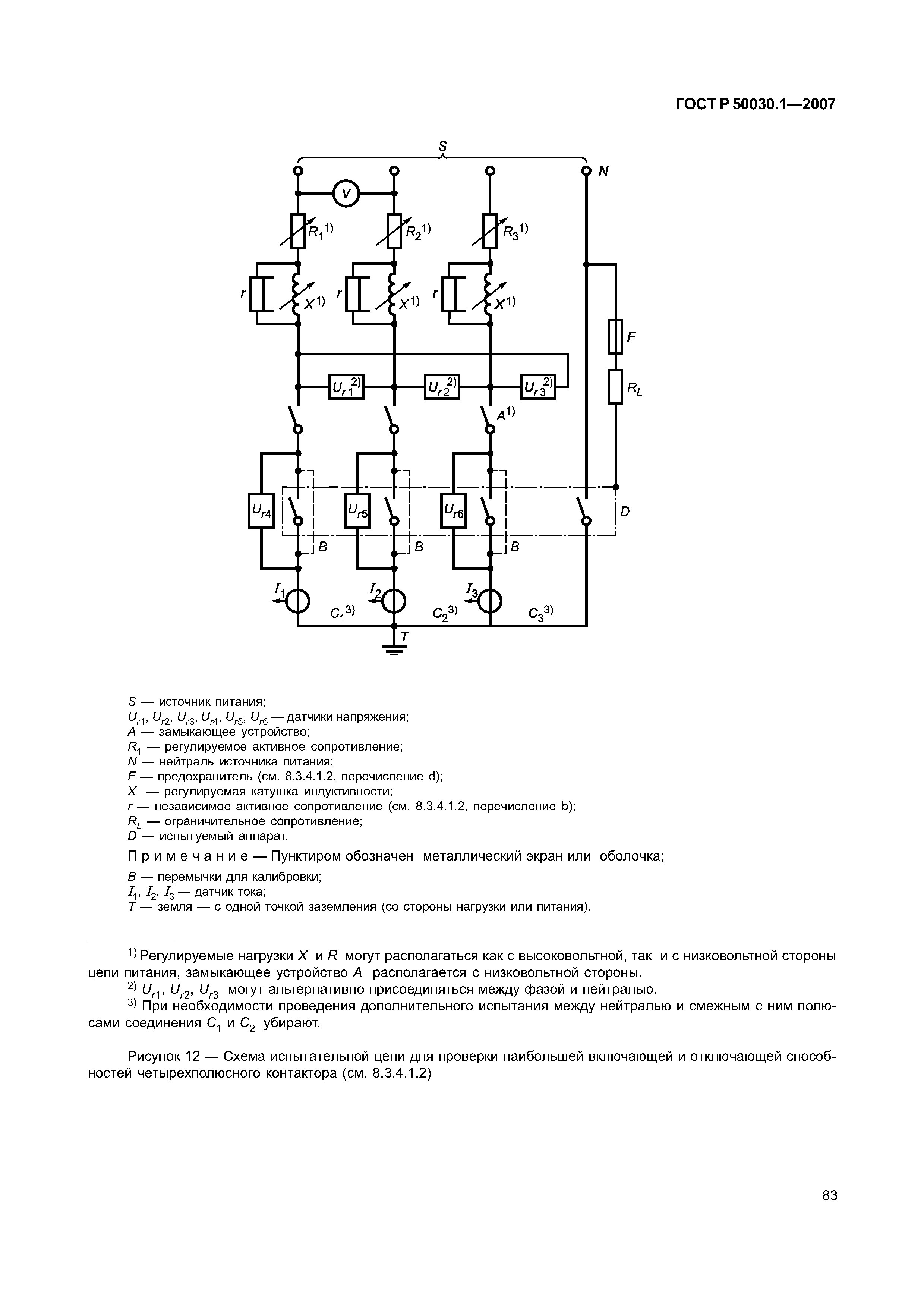
Рисунки
Приложение А (рекомендуемое) Нормальные режимы применения низковольтной аппаратуры распределения и управления
Приложение В (рекомендуемое) Пригодность аппаратов для эксплуатации в нестандартных условиях
Приложение С (обязательное) Степени защиты аппаратов в оболочках
Приложение D (рекомендуемое) Примеры выводов
Приложение Е (рекомендуемое) Описание метода регулирования цепи нагрузки
Приложение F (рекомендуемое) Определение коэффициента мощности или постоянной времени при коротких замыканиях
Приложение G (рекомендуемое) Измерение расстояний утечки и воздушных зазоров
Приложение Н (рекомендуемое) Соответствие между паспортным напряжением системы питания и номинальным импульсным выдерживаемым напряжением аппарата
Приложение J (рекомендуемое) Вопросы, требующие согласования между изготовителем и потребителем
Приложение L (обязательное) Маркировка и отличительное цифровое обозначение контактных выводов
Приложение М (обязательное) Испытание на воспламеняемость
Приложение N (обязательное) Требования и испытания аппаратов с раздельной степенью защиты по изоляции
Приложение О (рекомендуемое) Экологические аспекты продукции
Приложение Р (рекомендуемое) Кабельные наконечники для медных проводников, присоединяемых к выводам низковольтной аппаратуры распределения и управления
Приложение R (обязательное) Дополнительные требования, учитывающие потребности экономики и требования национальных стандартов Российской Федерации на электротехнические изделия
Приложение S (справочное) Алфавитный перечень определений
Приложение Т (справочное) Сведения о соответствии ссылочных национальных стандартов Российской Федерации ссылочным международным стандартам, использованным в настоящем стандарте в качестве нормативных ссылок
Библиография
Разработан: ООО ВНИИэлектроаппарат
ТК 331 Низковольтная аппаратура распределения, защиты и управления
Утверждён:27.12.2007 Федеральное агентство по техническому регулированию и метрологии (616-ст)
Издан: Стандартинформ (2008 г. )
Расположен в:Техническая документация Электроэнергия ЭЛЕКТРОТЕХНИКА Коммутационная аппаратура и аппаратура управления Низковольтная коммутационная аппаратура и аппаратура управления Экология ЭЛЕКТРОТЕХНИКА Коммутационная аппаратура и аппаратура управления Низковольтная коммутационная аппаратура и аппаратура управления
Заменяет собой:
Нормативные ссылки:
ГОСТ Р 50030.1-2007ГОСТ Р 50030.1-2007ГОСТ Р 50030.1-2007ГОСТ Р 50030.1-2007ГОСТ Р 50030.1-2007ГОСТ Р 50030.1-2007ГОСТ Р 50030.1-2007ГОСТ Р 50030.1-2007ГОСТ Р 50030.1-2007ГОСТ Р 50030.1-2007ГОСТ Р 50030.1-2007ГОСТ Р 50030.1-2007ГОСТ Р 50030.1-2007ГОСТ Р 50030.1-2007ГОСТ Р 50030.1-2007ГОСТ Р 50030.1-2007ГОСТ Р 50030.1-2007ГОСТ Р 50030.1-2007ГОСТ Р 50030.1-2007ГОСТ Р 50030.1-2007ГОСТ Р 50030.1-2007ГОСТ Р 50030.1-2007ГОСТ Р 50030.1-2007ГОСТ Р 50030.1-2007ГОСТ Р 50030.1-2007ГОСТ Р 50030.1-2007ГОСТ Р 50030.1-2007ГОСТ Р 50030.1-2007ГОСТ Р 50030.1-2007ГОСТ Р 50030.1-2007ГОСТ Р 50030.1-2007ГОСТ Р 50030.1-2007ГОСТ Р 50030.1-2007ГОСТ Р 50030.1-2007ГОСТ Р 50030.1-2007ГОСТ Р 50030.1-2007ГОСТ Р 50030.1-2007ГОСТ Р 50030.1-2007ГОСТ Р 50030.1-2007ГОСТ Р 50030.1-2007ГОСТ Р 50030.1-2007ГОСТ Р 50030.1-2007ГОСТ Р 50030.1-2007ГОСТ Р 50030.1-2007ГОСТ Р 50030.1-2007ГОСТ Р 50030.1-2007ГОСТ Р 50030.1-2007ГОСТ Р 50030.1-2007ГОСТ Р 50030.1-2007ГОСТ Р 50030.1-2007ГОСТ Р 50030.1-2007ГОСТ Р 50030.1-2007ГОСТ Р 50030.1-2007ГОСТ Р 50030.1-2007ГОСТ Р 50030.1-2007ГОСТ Р 50030.1-2007ГОСТ Р 50030.1-2007ГОСТ Р 50030.1-2007ГОСТ Р 50030.1-2007ГОСТ Р 50030.1-2007ГОСТ Р 50030.1-2007ГОСТ Р 50030.1-2007ГОСТ Р 50030.1-2007ГОСТ Р 50030.1-2007ГОСТ Р 50030.1-2007ГОСТ Р 50030.1-2007ГОСТ Р 50030.1-2007ГОСТ Р 50030.1-2007ГОСТ Р 50030.1-2007ГОСТ Р 50030.1-2007ГОСТ Р 50030.1-2007ГОСТ Р 50030.1-2007ГОСТ Р 50030.1-2007ГОСТ Р 50030.1-2007ГОСТ Р 50030.1-2007ГОСТ Р 50030.1-2007ГОСТ Р 50030.1-2007ГОСТ Р 50030.1-2007ГОСТ Р 50030.1-2007ГОСТ Р 50030.1-2007ГОСТ Р 50030.1-2007ГОСТ Р 50030.1-2007ГОСТ Р 50030.1-2007ГОСТ Р 50030.1-2007ГОСТ Р 50030.1-2007ГОСТ Р 50030.1-2007ГОСТ Р 50030.1-2007ГОСТ Р 50030.1-2007ГОСТ Р 50030.1-2007ГОСТ Р 50030.1-2007ГОСТ Р 50030.1-2007ГОСТ Р 50030.1-2007ГОСТ Р 50030.1-2007ГОСТ Р 50030.1-2007ГОСТ Р 50030.1-2007ГОСТ Р 50030.1-2007ГОСТ Р 50030.1-2007ГОСТ Р 50030.1-2007ГОСТ Р 50030.1-2007ГОСТ Р 50030.1-2007ГОСТ Р 50030.1-2007ГОСТ Р 50030.1-2007ГОСТ Р 50030.1-2007ГОСТ Р 50030.1-2007ГОСТ Р 50030.1-2007ГОСТ Р 50030.1-2007ГОСТ Р 50030.1-2007ГОСТ Р 50030.1-2007ГОСТ Р 50030.1-2007ГОСТ Р 50030.1-2007ГОСТ Р 50030.1-2007ГОСТ Р 50030.1-2007ГОСТ Р 50030.1-2007ГОСТ Р 50030.1-2007ГОСТ Р 50030.1-2007ГОСТ Р 50030.1-2007ГОСТ Р 50030.1-2007ГОСТ Р 50030.1-2007ГОСТ Р 50030.1-2007ГОСТ Р 50030.1-2007ГОСТ Р 50030.1-2007ГОСТ Р 50030.1-2007ГОСТ Р 50030.1-2007ГОСТ Р 50030.1-2007ГОСТ Р 50030.1-2007ГОСТ Р 50030.1-2007ГОСТ Р 50030.1-2007ГОСТ Р 50030.1-2007ГОСТ Р 50030.1-2007ГОСТ Р 50030.1-2007ГОСТ Р 50030.1-2007ГОСТ Р 50030.1-2007ГОСТ Р 50030.1-2007ГОСТ Р 50030.1-2007ГОСТ Р 50030.1-2007ГОСТ Р 50030.1-2007ГОСТ Р 50030.1-2007ГОСТ Р 50030.1-2007ГОСТ Р 50030.1-2007ГОСТ Р 50030.1-2007ГОСТ Р 50030.1-2007ГОСТ Р 50030.1-2007

© 2013 Ёшкин Кот :-) Карта сайта